Biến tần INVT GD20 Series là dòng biến tần đa năng thế hệ mới, hiệu suất cao, lý tưởng cho các ứng dụng chế tạo máy phổ thông. Dòng GD20 ứng dụng công nghệ điều khiển vector vòng hở hiện đại, mang lại khả năng kiểm soát vượt trội và có thể lắp đặt linh hoạt trên DIN RAIL đối với công suất nhỏ hoặc trên bảng tủ đối với công suất lớn.
Đặc tính kỹ thuật nổi bật:
- Hỗ trợ các phương pháp điều khiển: SVPWM, Sensorless Vector và điều khiển torque (lực căng).
- Mô-men khởi động ở tần số 0.5 Hz đạt 150%, giúp máy vận hành mượt mà ngay từ lúc khởi động.
- Điều khiển tốc độ chính xác đến ±0.2%, phản hồi nhanh dưới 20 ms.
- Trang bị keypad cố định, tùy chọn keypad rời có thể kéo dài đến 5 m đối với biến tần công suất từ 4 kW trở lên.
- Truyền thông: hỗ trợ Modbus RS485.
- Tích hợp cuộn kháng DC cho công suất từ 18,5 đến 110 kW.
- Hỗ trợ sẵn bộ lọc IEC 61800-3 C3, tùy chọn bộ lọc IEC 61800-3 C2.
Chức năng ứng dụng:
- PLC đơn giản, đa cấp tốc độ đặt trước.
- Điều khiển PID và cài đặt linh hoạt chế độ V/F.
- Hỗ trợ điều khiển thắng và chế độ tiết kiệm điện năng.
Thông số kỹ thuật chi tiết
| Model | GD20-004G-4 |
| Series | GD20 |
| Công suất | 4 kW |
| Điện áp ngõ vào | 3 pha 380 V |
| Điện áp ngõ ra | 3 pha 380 V |
| Dòng điện ngõ ra | 9.5A |
| Momen khởi động | 150%, 0.5Hz, (SVC) |
| Tần số ra | 0.1-400Hz |
| Tích hợp sẵn | Keypad Bộ điều khiển thắng (Breaking Unit) Cổng truyền thông RS-485 Bộ lọc EMC |
| Khả năng chịu quá tải | 60s với 150% dòng định mức 10s với 180% dòng định mức 1s với 200% dòng định mức |
| Kiểu điều khiển | V/F (SVPWM) |
| Số cổng I/O | 13 |
| Cấp bảo vệ | Bộ lọc EMC tích hợp IP 20 (C3) |
| Hệ thống bảo vệ nâng cao | 23 chức năng bảo vệ |
| Nhiệt độ môi trường | -10 … 50 °C (ở 40 °C công suất sẽ giảm) |
| Tích hợp quạt làm mát | Có |
Cách lựa chọn biến tần INVT GD20 Series:
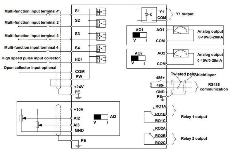
Sơ đồ đấu dây mạch điều khiển biến tần INVT GD20 Series:
Kích thước biến tần:





Zalo Miền Bắc
