Đăng ký tài khoản
Bạn chưa có tài khoản hãy nhấn vào nút đăng ký.
Mitsubishi Electric là một trong những nhà sản xuất hàng đầu về công nghệ servo trong ngành tự động hóa công nghiệp. Các dòng sản phẩm servo của Mitsubishi Electric được thiết kế và phát triển để đáp ứng các yêu cầu khắt khe của các ứng dụng đòi hỏi độ chính xác cao và hiệu suất ổn định.
Dưới đây là một số dòng servo Mitsubishi nổi tiếng:
Cam kết Hàng chính hãng
Luôn tốt nhất thị trường
Kỹ sư Bách Khoa hỗ trợ
Freeship cho đơn >4tr
Servo Mitsubishi là một trong những thiết bị điều khiển truyền động mũi nhọn, đóng vai trò cốt lõi trong việc nâng cấp và tự động hóa dây chuyền sản xuất. Nổi bật với dải công suất rộng, khả năng tương thích cao và thuật toán điều khiển thông minh, động cơ Servo từ Mitsubishi đáp ứng trọn vẹn mọi ứng dụng từ máy CNC, máy đóng gói đến robot công nghiệp. Khám phá ngay bảng thông số chi tiết, ưu điểm và các dòng Servo Mitsubishi phổ biến nhất hiện nay để có lựa chọn tối ưu nhất cho dự án của bạn.
Được thành lập vào năm 1921, Mitsubishi Electric là một trong những tập đoàn công nghệ tỷ đô và là niềm tự hào của nền công nghiệp Nhật Bản. Trải qua hơn một thế kỷ không ngừng đổi mới, thương hiệu này đã vươn lên trở thành tượng đài toàn cầu trong lĩnh vực sản xuất và kinh doanh thiết bị điện, điện tử và tự động hóa.
Điểm làm nên sức mạnh cốt lõi của Mitsubishi chính là triết lý kinh doanh tập trung vào chất lượng, độ bền bỉ và sự chính xác tuyệt đối – những đặc trưng làm nên thương hiệu “Made in Japan”. Trong mảng Tự động hóa công nghiệp, Mitsubishi cung cấp một hệ sinh thái toàn diện, giúp tối ưu hóa mọi dây chuyền sản xuất phức tạp nhất.
Những dấu ấn nổi bật của Mitsubishi Electric trong ngành tự động hóa:
Chính nhờ nền tảng lịch sử vững chắc và sự cam kết về chất lượng, các sản phẩm Servo Mitsubishi luôn là sự lựa chọn ưu tiên hàng đầu của các nhà chế tạo máy và doanh nghiệp sản xuất tại Việt Nam cũng như trên toàn thế giới.
Để đáp ứng trọn vẹn yêu cầu kỹ thuật của từng loại máy móc, Mitsubishi Electric đã phân chia các sản phẩm Servo thành nhiều phân khúc khác nhau. Dưới đây là 4 dòng Servo Mitsubishi phổ biến nhất, giúp bạn dễ dàng đối chiếu và lựa chọn giải pháp phù hợp:
| Tên dòng Servo | Phân khúc / Trạng thái | Đặc điểm nổi bật | Ứng dụng / Giải pháp |
| MR-JE | Dòng cơ bản | Thiết kế thân thiện, dễ vận hành. Tích hợp chức năng One-Touch Tuning giúp tự động tối ưu hóa hệ thống nhanh chóng. | Phù hợp cho máy đóng gói, máy dán nhãn, băng tải và các hệ thống tự động hóa tầm trung. |
| MR-J4 | Dòng cao cấp | Sở hữu Encoder 22-bit (hơn 4 triệu xung/vòng), tốc độ đáp ứng 2.5kHz. Khả năng triệt tiêu rung động cơ học xuất sắc, độ trễ cực thấp. | Là “trái tim” của máy CNC, robot công nghiệp, máy cắt laser, máy in ấn và dây chuyền đồng bộ đa trục. |
| MR-J3 | Sắp ngừng sản xuất | Từng là dòng sản phẩm “quốc dân” với độ ổn định và sức mạnh vận hành được khẳng định qua thời gian. | Các nhà máy đang sử dụng cần dự phòng vật tư thay thế hoặc lên kế hoạch nâng cấp lên dòng MR-J4. |
| MR-J2S | Đời cũ | Vô cùng bền bỉ trong các cụm máy móc có tuổi đời lâu năm, tuy nhiên hiện tại rất khó tìm mua mới 100%. | Ưu tiên giải pháp sửa chữa, phục hồi hoặc chuyển đổi, nâng cấp toàn bộ hệ thống lên thế hệ mới. |
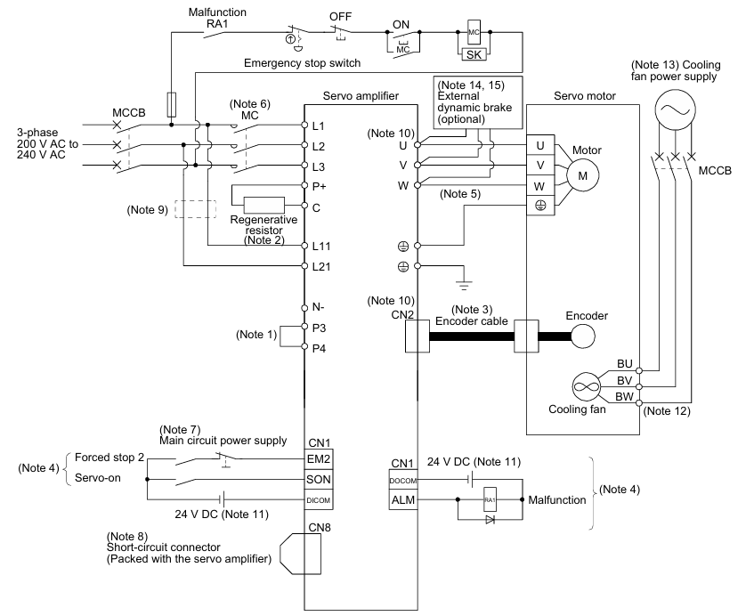
Việc đấu nối và cài đặt Driver Servo đòi hỏi sự am hiểu về kỹ thuật để đảm bảo an toàn cho thiết bị và con người, đồng thời phát huy tối đa hiệu suất của động cơ. Dưới đây là các bước thao tác cơ bản nhất mà các kỹ sư cần nắm vững.
Đấu nối phần cứng chính xác là bước tiên quyết trước khi cấp nguồn cho hệ thống. Một sơ đồ đấu nối tiêu chuẩn thường bao gồm 3 phần chính:
Sau khi đấu nối hoàn tất và kiểm tra an toàn, kỹ sư sẽ tiến hành cấp nguồn và cài đặt thông số. Việc cài đặt có thể thực hiện trực tiếp trên phím bấm của Driver hoặc sử dụng phần mềm MR Configurator2 trên máy tính (được khuyến nghị sử dụng vì giao diện trực quan và dễ thao tác).
Một số thông số quan trọng cần lưu ý:
Trước khi kết nối cơ khí (lắp vào tải thực tế), bạn nên thực hiện chức năng Test JOG trực tiếp trên phần mềm hoặc Driver để kiểm tra xem động cơ có quay trơn tru hay không, chiều quay đã đúng chưa. Việc này giúp loại trừ các lỗi do đấu nối sai pha hoặc lỗi cấu hình trước khi vận hành chính thức.
💡 Lưu ý từ chuyên gia: Quá trình cài đặt Servo có thể phát sinh nhiều cảnh báo phức tạp. Quá trình làm việc thực tế và hỗ trợ kỹ thuật tại Tự Động Hóa Toàn Cầu cho thấy, hơn 80% các lỗi ban đầu xuất phát từ việc đấu nối sai chân tín hiệu hoặc cài đặt sai hộp số điện tử. Hãy luôn đọc kỹ tài liệu (Manual) của hãng trước khi thực hiện.
Xem thêm: Manual Servo Mitsubishi
Trong quá trình vận hành liên tục tại nhà máy, hệ thống Servo không thể tránh khỏi những lúc gặp sự cố. Khi đó, Driver Servo Mitsubishi sẽ hiển thị các mã cảnh báo bắt đầu bằng ký tự “AL.” trên màn hình LED.
Dưới đây là 4 mã lỗi phổ biến nhất và hướng xử lý nhanh chóng dành cho bộ phận bảo trì:
| Mã lỗi | Tên lỗi | Nguyên nhân chính | Cách khắc phục nhanh |
| AL. 50 / AL. 51 | Lỗi quá tải (Overload) | Tải trọng vượt công suất định mức, kẹt cơ khí, hoặc cài đặt thời gian tăng/giảm tốc quá ngắn. | Kiểm tra kẹt cơ khí; nới rộng thông số tăng/giảm tốc. Nếu lực kéo thực tế đòi hỏi quá cao, giải pháp tối ưu nhất là lắp thêm hộp số giảm tốc dùng cho động cơ servo để khuếch đại momen xoắn. |
| AL. 32 | Lỗi quá dòng (Overcurrent) | Chạm chập giữa các dây pha (U, V, W), chạm ra vỏ, hoặc hỏng công suất IGBT bên trong Driver. | Ngắt điện ngay lập tức. Dùng đồng hồ VOM đo điện trở 3 pha và vỏ máy. Nếu motor và cáp bình thường, cần gửi Driver đi kiểm tra và sửa chữa phần cứng. |
| AL.16 | Lỗi giao tiếp Encoder | Lỏng giắc cắm CN2, đứt ngầm cáp tín hiệu, hoặc vỡ mâm kính Encoder bên trong động cơ. | Rút ra cắm lại và vệ sinh giắc CN2. Đo thông mạch cáp Encoder. Nếu cáp tốt, cần thay thế cụm Encoder hoặc thay động cơ mới. |
| AL.10 | Lỗi thấp áp (Undervoltage) | Nguồn cấp bị sụt áp, mất pha (L1, L2, L3) hoặc thiết bị đóng cắt bị chập chờn. | Dùng đồng hồ đo trực tiếp điện áp tại chân nguồn vào Driver. Kiểm tra lại tình trạng tiếp điểm của Aptomat, Contactor trong tủ điện. |
Việc đầu tư hệ thống Servo Mitsubishi mang lại giá trị lớn cho dây chuyền sản xuất, do đó, việc “chọn mặt gửi vàng” ở một nhà cung cấp uy tín là điều kiện tiên quyết. Tự hào là một trong những đối tác phân phối thiết bị tự động hóa hàng đầu, Công ty Cổ phần Tự Động Hóa Toàn Cầu chính là điểm đến tin cậy của hàng ngàn xưởng sản xuất và kỹ sư chế tạo máy trên toàn quốc.
Dưới đây là những lý do khách hàng luôn ưu tiên lựa chọn chúng tôi:

Liên hệ nhận báo giá ngay hôm nay! Đừng để hệ thống máy móc của bạn phải “nằm chờ” vì thiếu vật tư hay lỗi kỹ thuật. Quý khách hàng, quý doanh nghiệp có nhu cầu tư vấn cấu hình, nâng cấp hệ thống hoặc nhận báo giá Servo Mitsubishi chi tiết, xin vui lòng liên hệ trực tiếp với Tự Động Hóa Toàn Cầu qua các kênh sau để được phục vụ nhanh nhất:
Tự Động Hóa Toàn Cầu – Đồng hành cùng sự phát triển bền vững của nền công nghiệp Việt!