Thông số kỹ thuật của Servo Motor HF-SP502B :
- Công suất động cơ : 5kW
- Điện áp định mức : 200VAC
- Dòng điện định mức : 24 A
- Momen định mức : 23.9 Nm
- Momen tới hạn : 71.6 Nm
- Tốc độ định mức : 2000 rmp
- Tốc độ tối đa : 3000 rmp
- Có phanh
- Độ phân giải encoder : 18 bit
- Đạt tiêu chuẩn IP67
Hướng dẫn đọc mã Servo Motor :

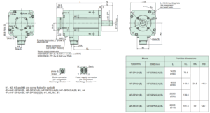
Kích thước Servo Motor HF-SP502B :

Tài liệu – Phần mềm :


Zalo Miền Bắc
