Đăng ký tài khoản
Bạn chưa có tài khoản hãy nhấn vào nút đăng ký.
Biến tần Shihlin xuất xứ Đài Loan, công nghệ Mitsubishi, giá tốt nhất phân khúc trung (Delta, LS, Shihlin). Đây là một trong những sản phẩm biến tần được ưa chuộng và tin cậy hàng đầu tại Đài Loan và trên thế giới. Các thiết bị của Shihlin được đánh giá cao về tính ổn định, hoạt động chính xác, dễ sử dụng và ứng dụng linh hoạt.
Cam kết Hàng chính hãng
Luôn tốt nhất thị trường
Kỹ sư Bách Khoa hỗ trợ
Freeship cho đơn >4tr
Với hơn 70 năm phát triển, Shihlin Electric là tập đoàn sản xuất công nghiệp lâu đời nhất tại Đài Loan. Đây là một trong những tập đoàn hàng đầu trong lĩnh vực sản xuất công nghiệp và thiết bị điện – tự động hóa tại Đài Loan.

Theo thống kê cho thấy: “Năm 2018, Shihlin Electric đã trở thành tập đoàn công nghiệp đầu tiên tại Đài Loan đạt mốc giá trị 1 tỷ USD” – đây là minh chứng cho chất lượng sản phẩm, sự thành công vượt trội và sự tin tưởng của khách hàng với tập đoàn Shihlin.
Ngoài ra, Shihlin Electric có mối quan hệ đối tác chặt chẽ với Tập đoàn Mitsubishi và là nhà sản xuất linh kiện cung cấp cho Mitsubishi. Ngược lại, Mitsubishi chuyển giao công nghệ sản xuất một số thiết bị như Biến tần, PLC, HMI cho Shihlin. Điều này làm cho sản phẩm của cả hai tập đoàn có sự tương đồng nhất định. Bởi vậy, biến tần Shihlin cũng được đánh giá là sản phẩm có chất lượng tốt tương đương với Mitsubishi.
Tập Đoàn Shihlin có tầm ảnh hưởng lớn trong ngành công nghiệp. Ngoài việc cung cấp linh kiện cho Mitsubishi, Shihlin Electric cũng hoạt động như một công ty ODM (Original Design Manufacturer) và OEM (Original Equipment Manufacturer) cho nhiều đối tác lớn trên toàn thế giới.

Vào năm 1994, Shihlin đã có nhà máy sản xuất máy biến áp tại Việt Nam và trở thành một trong những nhà cung cấp thiết bị công nghiệp lớn nhất miền Nam Việt Nam. Đặc biệt, Shihlin cũng được lựa chọn là đối tác tin cậy của nhiều tập đoàn Trung Quốc, Đài Loan khi họ mở nhà máy sản xuất tại Việt Nam.
Tại thị trường Việt Nam, Tự Động Hóa Toàn Cầu tự hào là nhà phân phối ủy quyền chính thức biến tần Shihlin, mang đến cho khách hàng các sản phẩm chính hãng cùng giải pháp kỹ thuật tối ưu, đáp ứng yêu cầu ngày càng cao của ngành công nghiệp và tự động hóa. Với định hướng lấy chất lượng sản phẩm và dịch vụ làm trọng tâm, Tự Động Hóa Toàn Cầu không chỉ cung cấp thiết bị mà còn đồng hành cùng khách hàng trong quá trình tư vấn lựa chọn, lắp đặt, cài đặt và vận hành hệ thống.
Tự Động Hóa Toàn Cầu là nhà phân phối ủy quyền chính thức biến tần Shihlin tại Việt Nam

Việc trở thành đối tác phân phối chính thức của Shihlin tại Việt Nam là minh chứng cho năng lực, uy tín và sự am hiểu chuyên sâu của Tự Động Hóa Toàn Cầu trong lĩnh vực biến tần và tự động hóa công nghiệp. Chúng tôi cam kết mang đến cho khách hàng sản phẩm chính hãng, đầy đủ chứng từ, chính sách bảo hành rõ ràng cùng đội ngũ kỹ thuật hỗ trợ tận tâm, nhanh chóng và chuyên nghiệp. Đây chính là nền tảng để Tự Động Hóa Toàn Cầu trở thành địa chỉ tin cậy cho các doanh nghiệp đang tìm kiếm giải pháp biến tần Shihlin chất lượng cao tại Việt Nam.

Shihlin SL3 là dòng biến tần cơ bản của Shihlin, thiết kế nhỏ gọn, dễ sử dụng, phù hợp các ứng dụng tải nhẹ đến trung bình cần thay đổi tốc độ động cơ mà không cần quá nhiều chức năng nâng cao.

Thông số kỹ thuật nổi bật:
Ứng dụng:
Chi tiết sản phẩm: Tại đây
Shihlin SC3 là dòng biến tần đa năng phổ biến và bán chạy nhất, giá thành kinh tế, đáp ứng được hầu hết các yêu cầu của các ứng dụng trong thực tế.

Thông số kỹ thuật nổi bật:
Ứng dụng:
Chi tiết sản phẩm: Tại đây
Biến tần Shihlin SF3 là dòng biến tần đa năng công suất lớn, phù hợp cho các động cơ có công suất lớn, có mức tải nặng.

Thông số kỹ thuật nổi bật:
Ứng dụng:
Chi tiết sản phẩm: Tại đây
| Dòng biến tần | Thông số kỹ thuật nổi bật | Ứng dụng |
| SA3 | Dòng cao cấp, hiệu suất cao, điều khiển mạnh, phù hợp tải nặng và yêu cầu độ chính xác cao | Máy ép nhựa, máy cán thép, máy nghiền; hệ thống nâng hạ, cầu trục, dây chuyền tải nặng |
| SE3 | Truyền thông mạnh, dễ tích hợp hệ thống, phù hợp các ứng dụng cần kết nối và điều khiển linh hoạt | Máy đùn nhựa, máy cắt plasma, máy CNC; băng tải, máy công cụ, dây chuyền tự động |
| SS2 | Dòng ngừng sản xuất, thay thế bằng dòng SC3 thuộc phân khúc phổ thông, cấu hình cơ bản, dùng cho ứng dụng đơn giản | Hệ thống quạt, bơm nước, băng tải nhẹ, máy vận hành đơn giản |

Xem đầy đủ bảng giá biến tần Shihlin: Tại đây
>>>> NHẬN BẢNG GIÁ CHIẾT KHẤU VÀ NHIỀU ƯU ĐÃI LIÊN HỆ:
KỸ SƯ KINH DOANH: 0981.839.845 – ZALO
Dưới đây là quy trình cài đặt nhanh và cơ bản nhất của dòng biến tần Shihlin SC3.
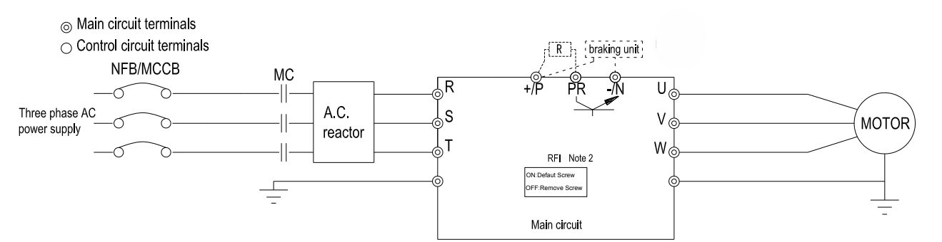
Trước khi cấp điện, hãy đảm bảo đấu nối đúng để tránh nổ biến tần:

* Lưu ý: Tuyệt đối không đấu nhầm nguồn điện vào các chân U, V, W. Biến tần sẽ hỏng ngay lập tức.
* Bước 1: Khôi phục mặc định nhà sản xuất (Factory Reset)
Việc này giúp xóa sạch các cài đặt cũ (nếu có) để tránh xung đột.
Tìm thông số P.998 (hoặc ALLC).
Đặt giá trị = 1.
Nhấn SET/ENTER. Biến tần sẽ reset về trạng thái ban đầu.
* Bước 2: Chọn lệnh chạy và lệnh tần số (Quan trọng nhất)
Trên biến tần Shihlin, thông số quan trọng nhất là P.79 (Operation Mode).
Trường hợp A: Chạy và chỉnh tốc độ trên bàn phím (Dễ nhất – Test máy)
Cài P.79 = 1.
Cách dùng: Nhấn RUN để chạy, xoay núm vặn/mũi tên để chỉnh tốc độ.
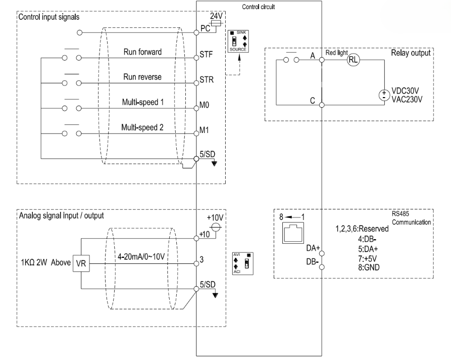
Trường hợp B: Chạy bằng công tắc ngoài + Chỉnh tốc độ bằng chiết áp ngoài (Dùng trong tủ điện)
Cài P.79 = 2.
Đấu nối:
Lệnh chạy: Đấu công tắc vào chân STF (chạy thuận) và SD.
Chiết áp: Đấu 3 chân chiết áp vào 10 – 3 – 5 (Chân giữa vào số 3).

* Bước 3: Cài đặt thông số động cơ và thời gian
Điều chỉnh các thông số này để phù hợp với tải thực tế:
| Mã số (P.) | Tên thông số | Ý nghĩa | Giá trị gợi ý |
| P.1 | Max Frequency | Tần số tối đa | 50Hz hoặc 60Hz |
| P.2 | Min Frequency | Tần số tối thiểu | 0Hz |
| P.7 | Acceleration Time | Thời gian tăng tốc (0Hz -> Max) | 5.0s – 10.0s (Tùy tải nặng nhẹ) |
| P.8 | Deceleration Time | Thời gian giảm tốc (Max -> 0Hz) | 5.0s – 10.0s |
| P.9 | Electronic Thermal | Bảo vệ quá tải động cơ | Đặt bằng dòng định mức trên mác động cơ (Ampe) |
* Bước 4: Chạy thử
| Mã lỗi (Màn hình) | Tên lỗi | Nguyên nhân phổ biến | Cách kiểm tra & Khắc phục |
| OC0 / OC1 / OC2 |
Over Current (Quá dòng) |
– Thời gian tăng tốc quá ngắn. – Motor bị kẹt, bó cơ khí. – Ngắn mạch pha đầu ra (chạm dây). – Công suất biến tần nhỏ hơn tải. |
– Tăng thời gian tăng tốc (P.7). – Kiểm tra lại trục động cơ xem có kẹt không. – Đo cách điện dây động lực (U, V, W). – Chọn biến tần công suất lớn hơn nếu tải quá nặng. |
| OV1 / OV2 / OV3 |
Over Voltage (Quá áp) |
– Thời gian giảm tốc quá ngắn (Phổ biến nhất). – Điện áp nguồn cấp đầu vào quá cao. – Tải có quán tính lớn (như quạt ly tâm, mâm quay). |
– Tăng thời gian giảm tốc (P.8). – Lắp thêm Điện trở xả nếu cần dừng nhanh. – Kiểm tra lại điện áp lưới đầu vào. |
| THT |
Quá nhiệt IGBT |
Module IGBT quá nhiệt; cài 01-03 sai; điện áp vào thiếu; đấu dây motor sai | Kiểm tra đúng công suất biến tần/motor; giảm tải; kiểm tra kiểu đấu sao/tam giác; kiểm tra dây motor; kiểm tra 06-00 và 01-03 |
| THN | Quá nhiệt motor | Rơ le nhiệt điện tử tác động do motor quá tải hoặc cài đặt chưa đúng |
Kiểm tra công suất biến tần/motor; giảm tải; kiểm tra dây motor; kiểm tra 06-00 và 01-03 |
| OHT |
Quá nhiệt ngoài |
Rơ le nhiệt ngoài tác động |
Kiểm tra rơ le nhiệt có phù hợp motor; giảm tải; kiểm tra tín hiệu IO ngoài có rơi/mất không |
| PIDE | PID Error |
– Lỗi phản hồi PID (thường gặp khi chạy điều áp nước). – Đứt dây cảm biến áp suất hoặc cảm biến hỏng. |
– Kiểm tra dây đấu cảm biến. – Kiểm tra thông số cài đặt PID (nhóm P.170 trở đi). |
Để minh chứng hiệu quả thực tế, cùng xem qua một số dự án mà Tự động hóa toàn cầu đã triển khai thành công, từ tủ điều khiển bơm, tủ điều khiển quạt cho đến hệ thống băng tải nhà máy giấy. Những dự án này cho thấy biến tần Shihlin không chỉ đáng tin cậy mà còn linh hoạt trong nhiều ứng dụng.
* Biến tần SHIHLIN cho tủ điều khiển bơm:

* Biến tần SHIHLIN cho tủ điều khiển quạt:

* Biến tần SHIHLIN cho hệ thống băng tải nhà máy giấy:

Một sản phẩm tốt cần đi cùng một chính sách hậu mãi đủ mạnh để khách hàng yên tâm sử dụng. Với Shihlin, lợi thế không chỉ nằm ở thiết bị mà còn nằm ở cách Tự Động Hóa Toàn Cầu đồng hành cùng khách hàng sau bán hàng.
Doanh nghiệp được hưởng các chính sách dịch vụ vượt trội nổi bật như:

Đặc biệt nhân dịp kỷ niệm 10 năm thành lập, Tự Động Hóa Toàn Cầu triển khai chương trình ƯU ĐÃI ĐẶC BIỆT THÁNG 4, áp dụng cho toàn bộ các dòng sản phẩm biến tần Shihlin:
TẶNG PHIẾU MUA HÀNG THEO GIÁ TRỊ ĐƠN
* Áp dụng cho toàn bộ sản phẩm của công ty
* Phiếu mua hàng có thể quy đổi sang tiền mặt
– Đơn trên 50 triệu: 1.000.000đ
– Đơn trên 20 triệu: 500.000đ
– Đơn trên 10 triệu: 200.000đ
– Đơn từ 5 triệu: 100.000đ
Thời gian áp dụng: 02/04 – 30/04
Liên hệ ngay với chúng tôi để nhận bảng giá chiết khấu hấp dẫn và trải nghiệm sự khác biệt từ Shihlin!
Quý khách vui lòng Click Zalo liên hệ báo giá, đội ngũ Kinh Doanh của chúng tôi sẽ gửi bảng giá biến tần Shihlin cùng dịch vụ hậu mãi và mức chiết khấu tốt nhất cho từng quý khách hàng.
1. Biến tần Shihlin dùng để làm gì?
Dùng để điều khiển tốc độ động cơ, khởi động mềm, dừng êm và tiết kiệm điện năng.
2. Biến tần Shihlin phù hợp với những ứng dụng nào?
Phù hợp cho bơm nước, quạt, băng tải, máy trộn, máy đùn và nhiều máy công nghiệp khác.
3. Làm sao chọn đúng công suất biến tần cho động cơ?
Cần dựa vào điện áp nguồn, công suất motor, dòng định mức, loại tải và điều kiện làm việc thực tế.
4. Biến tần Shihlin có những chế độ điều khiển nào?
Tùy dòng máy, thường có điều khiển V/F, vector, điều khiển qua keypad, terminal hoặc truyền thông.
5. Có thể điều khiển biến tần bằng PLC hoặc tín hiệu ngoài không?
Có. Nhiều dòng hỗ trợ terminal điều khiển, tín hiệu analog và truyền thông RS485/Modbus.
6. Tại sao biến tần báo lỗi quá dòng?
Thường do tải nặng, tăng tốc quá nhanh, dây motor chạm chập hoặc thông số cài đặt chưa phù hợp.
7. Tại sao biến tần báo lỗi quá áp?
Thường do điện áp nguồn cao, giảm tốc quá nhanh hoặc năng lượng hồi từ motor về biến tần.
8. Tại sao biến tần bị nóng hoặc báo lỗi nhiệt?
Do quạt làm mát kém, tủ điện thông gió không tốt, nhiệt độ môi trường cao hoặc tải vượt định mức.
9. Biến tần có cần nối đất không?
Có. Nối đất là yêu cầu bắt buộc để đảm bảo an toàn và giảm nhiễu cho hệ thống.
10. Khi biến tần bị lỗi thì nên kiểm tra thế nào?
Nên kiểm tra mã lỗi, nguồn cấp, dây motor, tải, quạt làm mát và các thông số cài đặt trước khi reset chạy lại.