Đăng ký tài khoản
Bạn chưa có tài khoản hãy nhấn vào nút đăng ký.
Biến tần Shihlin SL3 là dòng biến tần xuất xứ Đài Loan, công nghệ Mitsubishi Nhật Bản, giá tốt nhất phân khúc trung (Delta, LS, Shihlin).
Dòng biến tần Shihlin SL3 Mini công suất nhỏ, giá thành kinh tế, phù hợp cho các ứng dụng cơ bản
– Chế độ điều khiển: V/F
– Điện áp vào: 1 pha 220vac / 3 pha 380vac
– Công suất: 0.4KW~2.2KW
Cam kết Hàng chính hãng
Luôn tốt nhất thị trường
Kỹ sư Bách Khoa hỗ trợ
Freeship cho đơn >4tr
Biến tần Shihlin SL3 xuất xứ từ Đài Loan, được sản xuất bởi tập đoàn Shihlin Electric. Đây là dòng sản phẩm sở hữu nền tảng công nghệ và tiêu chuẩn chất lượng được chuyển giao trực tiếp từ tập đoàn Mitsubishi Nhật Bản.
Ra đời từ năm 1955, Shihlin Electric là tập đoàn sản xuất thiết bị công nghiệp lâu đời và uy tín nhất tại Đài Loan. Vào năm 2018, Shihlin Electric đã ghi dấu ấn mạnh mẽ khi trở thành tập đoàn công nghiệp đầu tiên tại khu vực đạt mốc giá trị 1 tỷ USD, minh chứng cho chất lượng và sự tin tưởng của khách hàng.
Điểm làm nên vị thế của Shihlin chính là mối quan hệ đối tác chiến lược chặt chẽ với Tập đoàn Mitsubishi (Nhật Bản). Shihlin không chỉ là nhà sản xuất linh kiện cho Mitsubishi mà còn được hãng này chuyển giao công nghệ cốt lõi để sản xuất biến tần, PLC, màn hình HMI. Nhờ đó, các sản phẩm của Shihlin luôn được giới chuyên môn đánh giá có chất lượng tốt, độ bền cao tương đương với Mitsubishi nhưng lại có mức giá kinh tế hơn rất nhiều.

Biến tần Shihlin SL3 được định vị là dòng biến tần Vector thế hệ mới, thiết kế chuyên biệt để tối ưu hóa hiệu suất điều khiển động cơ và chi phí đầu tư cho doanh nghiệp.
* Dòng sản phẩm này sở hữu nhiều đặc điểm cốt lõi nổi bật:

* Bảng thông số kỹ thuật nổi bật của biến tần Shihlin SL3
| Đặc tính kỹ thuật | Chi tiết thông số |
| Dải công suất đa dạng | • Loại 1 Pha 220V: Từ 0.4kW đến 2.2kW.
• Loại 3 Pha 380V: Từ 0.4kW đến 2.2kW. |
| Tần số đầu ra | Đạt mức 0 ~ 599Hz (lý tưởng cho motor Spindle máy điêu khắc gỗ). |
| Khả năng chịu tải nặng | Chịu tải 150% trong 60 giây và lên tới 200% trong 1 giây. |
| Công nghệ điều khiển | General Flux Vector Control (Mô-men xoắn 150% tại tần số cực thấp 3Hz). |
| Tích hợp phần cứng | Sẵn cổng RS-485 (Modbus RTU), bộ lọc nhiễu EMI và biến trở điều chỉnh tốc độ. |
* Ứng dụng:

Xem thêm bảng giá biến tần SHIHLIN Đài Loan chi tiết: Tại đây
>>>> NHẬN BẢNG GIÁ CHIẾT KHẤU VÀ NHIỀU ƯU ĐÃI LIÊN HỆ:
KỸ SƯ KINH DOANH TÁ: 0981.839.845 – ZALO
III. Hướng dẫn cài đặt biến tần Shihlin SL3
* Sơ đồ đấu nối biến tần vào 3 pha 380VAC ra 3 pha 380VAC
Đầu vào 3 pha 380V cấp vào các chân R, S, T hoặc L1, L2, L3 của biến tần; 3 pha đầu ra của biến tần U, V, W nối với động cơ. Biến tần có 2 chân PE để nối đất thiết bị.
* Sơ đồ đấu nối biến tần vào 1 pha 220VAC ra 3 pha VAC
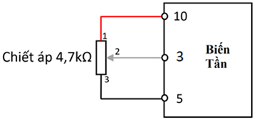
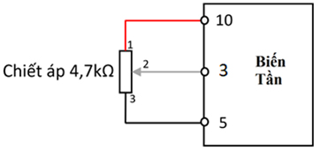
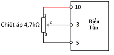
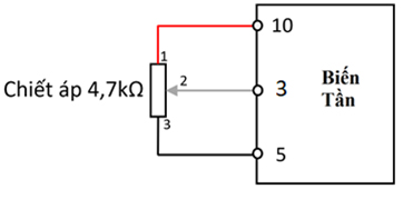
Ví dụ như để cài đặt biến tần chạy dừng bằng chuyển mạch ngoài, thay đổi tốc độ bằng chiết áp ngoài, chúng ta sẽ cài XX-YY bằng 2 theo các bước sau:
(XX là số thứ tự Group tham số; YY là số thứ tự tham số trong Group XX)
* Bước 1:
Khi màn hình hiển thị đang ở trạng thái mặc định là chế độ Monitor, ấn phím MODE 3 lần cho tới khi hiển thị “ZZ-TT ” (với ZZ-TT là tham số trước đó đã cài đặt, mặc định là tham số 00-00).
* Bước 2 :
Sử dụng nút mũi tên lên/xuống để thay đổi giá trị đến tham số mong muốn. Ấn giữ nút lên/xuống để số nhảy nhanh hơn. Ví dụ ta di chuyển đến tham số muốn cài đặt là XX-YY.
* Bước 3:
Nhấn phím SET 1 lần để vào tham số mà bạn muốn cài đặt. Khi đó màn hình sẽ hiển thị giá trị hiện tại của tham số đó.
* Bước 4:
Dùng nút mũi tên lên/xuống để chỉnh lại giá trị theo. Giả sử muốn chỉnh lại tham số XX-YY = 2. Ta ấn mũi tên tăng đến số 2.
* Bước 5:
Sau khi thay đổi xong giá trị tham số, NHẤN GIỮ PHÍM SET KHOẢNG 1S để lưu lại giá trị. Khi đó, màn hình sẽ bắt đầu nhấp nháy giữa tham số đang cài và giá trị mới của tham số (trong ví dụ này thì nó sẽ nhấp nháy giữa XX-YY và 2).
* Bước 6:
Nhấn phím SET 1 lần, màn hình sẽ ngừng nhấp nháy. Khi đó ta dùng phím mũi tên/xuống để chuyển sang các tham số khác và thực hiện thay đổi như ở trên. Nếu không muốn thay đổi tham số nào khác nữa thì nhấn phím MODE 3 lần cho tới khi quay trở lại màn hiển thị Monitor.
* Xem thêm:
* Lưu ý: Biến tần chỉ có thể Reset thông số khi đang ở chế độ PU – sử dụng bàn phím và chiết áp có sẵn (đèn PU trên màn hình đang sáng) nếu như đèn PU đang không sáng hoặc đang nhấp nháy, để Reset thông số biến tần các bạn cần cài đặt 00-16 = 1 trước.
Sau khi cài 00-16 = 1 đèn PU sáng, ta tiếp tục như sau :
Ấn nút Run/Stop trên bàn phím để chạy hoặc dừng.
Xoay núm trên biến tần để thay đổi tần số




Dù được trang bị đầy đủ tính năng bảo vệ toàn diện, quá trình vận hành đôi khi vẫn báo lỗi. Dưới đây là bảng mã lỗi thường gặp và cách xử lý:
| Mã lỗi | Tên lỗi | Nguyên nhân và cách xử lý |
| OC | Quá dòng (Over Current) | Tải nặng quá mức, motor bị kẹt cơ khí.
Cách xử lý: Kiểm tra cơ cấu truyền động, tăng thời gian tăng tốc P.7. |
| OV | Quá áp (Over Voltage) | Do thời gian giảm tốc quá ngắn khiến năng lượng dội về lớn.
Cách xử lý: Tăng thời gian giảm tốc P.8 hoặc lắp điện trở xả. |
| THN/OL | Quá tải (Over Load) | Động cơ chạy rốn tải trong thời gian dài.
Cách xử lý: Giảm bớt tải, kiểm tra cơ khí, cài lại P.9 đúng với dòng định mức motor. |
| OH | Quá nhiệt (Overheat) | Môi trường xưởng quá nóng (>40°C) hoặc quạt tản nhiệt bị hỏng/kẹt.
Cách xử lý: Vệ sinh khe tản nhiệt, thay quạt làm mát. |
| Lu / Lv | Thấp áp (Low Voltage) | Nguồn điện cấp bị sụt áp, mất pha hoặc lỏng ốc.
Cách xử lý: Đo lại điện áp nguồn tổng, siết chặt các cầu đấu R, S, T. |
| Sc | Ngắn mạch (Short Circuit) | Chạm chập các dây cáp motor hoặc hỏng module IGBT bên trong.
Cách xử lý: Tháo dây motor ra đo chạm chập. Nếu tháo ra vẫn lỗi là hỏng phần cứng. |
| PIDE | PID Error | Lỗi phản hồi PID (thường gặp khi chạy điều áp nước) hoặc đứt dây cảm biến áp suất hoặc cảm biến hỏng.
Cách xử lý: Kiểm tra dây đấu cảm biến và kiểm tra thông số cài đặt PID (nhóm P.170 trở đi). |
* Một số lưu ý quan trọng cho anh em kỹ thuật
Lỗi “Ảo”: Đôi khi nhiễu điện từ có thể gây báo lỗi sai. Hãy thử kiểm tra tiếp địa (PE) xem đã đấu chắc chắn chưa.
Cách Reset lỗi: Khi màn hình hiện lỗi, nhấn nút STOP/RESET để xóa lỗi. Lưu ý: Nếu Reset xong, chạy lại mà vẫn báo lỗi ngay lập tức thì TUYỆT ĐỐI KHÔNG cố Reset và chạy tiếp nhiều lần. Việc này có thể gây nổ IGBT. Hãy tìm nguyên nhân trước.
Xem lịch sử lỗi: Biến tần Shihlin thường lưu lại 4-8 mã lỗi gần nhất. Bạn có thể vào nhóm thông số theo dõi (Monitoring) để xem lại lịch sử
Một sản phẩm tốt cần đi cùng một chính sách hậu mãi đủ mạnh để khách hàng yên tâm sử dụng. Với Shihlin, lợi thế không chỉ nằm ở thiết bị mà còn nằm ở cách Tự Động Hóa Toàn Cầu đồng hành cùng khách hàng sau bán hàng.
Doanh nghiệp được hưởng các chính sách dịch vụ vượt trội nổi bật như:

Quý khách vui lòng Click Zalo liên hệ báo giá, đội ngũ Kinh Doanh của chúng tôi sẽ gửi bảng giá biến tần Shihlin cùng dịch vụ hậu mãi và mức chiết khấu tốt nhất cho từng quý khách hàng.