Đăng ký tài khoản
Bạn chưa có tài khoản hãy nhấn vào nút đăng ký.
Biến tần Shihlin SA3 là dòng biến tần cao cấp và có dải công suất lớn chuyên dụng cho cẩu trục, máy nghiền, máy kéo, các ứng dụng có tải thay đổi đổi đột ngột, yêu cầu tính năng điều khiển cao cấp
– Chế độ điều khiển: V/F, Vector vòng hở, Vector vòng kín, Momen
– Điện áp vào: 3 pha 380vac
– Công suất: 3.7KW~315KW
Tự Động Hóa Toàn Cầu tự hào là nhà phân phối độc quyền Biến Tần Shihlin – nguồn gốc Đài Loan, công nghệ Mitsubishi Nhật Bản, giá tốt nhất phân khúc trung (Delta, LS, Shihlin).
Cam kết Hàng chính hãng
Luôn tốt nhất thị trường
Kỹ sư Bách Khoa hỗ trợ
Freeship cho đơn >4tr
Biến tần Shihlin SA3 là dòng biến tần cao cấp đến từ Shihlin Electric (Đài Loan), được phát triển dựa trên nền tảng công nghệ của Mitsubishi Electric. Sản phẩm thuộc phân khúc biến tần công nghiệp hiệu suất cao, hỗ trợ cả tải thường và tải nặng, phù hợp cho nhiều hệ thống sản xuất như bơm, quạt, băng tải và máy móc tự động hóa.
Với hơn 70 năm phát triển, Shihlin Electric là tập đoàn sản xuất công nghiệp lâu đời nhất tại Đài Loan. Đây là một trong những tập đoàn hàng đầu trong lĩnh vực sản xuất công nghiệp và thiết bị điện – tự động hóa tại Đài Loan.

Theo thống kê cho thấy: “Năm 2018, Shihlin Electric đã trở thành tập đoàn công nghiệp đầu tiên tại Đài Loan đạt mốc giá trị 1 tỷ USD” – đây là minh chứng cho chất lượng sản phẩm, sự thành công vượt trội và sự tin tưởng của khách hàng với tập đoàn Shihlin.
Ngoài ra, Shihlin Electric có mối quan hệ đối tác chặt chẽ với Tập đoàn Mitsubishi và là nhà sản xuất linh kiện cung cấp cho Mitsubishi. Ngược lại, Mitsubishi chuyển giao công nghệ sản xuất một số thiết bị như Biến tần, PLC, HMI cho Shihlin. Điều này làm cho sản phẩm của cả hai tập đoàn có sự tương đồng nhất định. Bởi vậy, biến tần Shihlin cũng được đánh giá là sản phẩm có chất lượng tốt tương đương với Mitsubishi.
Biến tần Shihlin SA3 là giải pháp hoàn hảo cho các ứng dụng tải từ thường đến tải cực nặng nhờ sở hữu các đặc điểm thiết kế và công nghệ nổi bật:

* Bảng thông số kỹ thuật nổi bật của biến tần Shihlin SA3
| Đặc tính kỹ thuật | Chi tiết thông số |
| Dải công suất | 3.7kW đến 315kW. (3 pha 380V). |
| Tần số đầu ra | Tối đa lên tới 650Hz. |
| Khả năng quá tải | 150% trong 60 giây, 200% trong 3 giây. |
| Mô-men khởi động | 150% tại 0.3Hz (SVC) / 180% tại 0Hz (FOC+PG). |
| Tín hiệu Analog | Hỗ trợ tín hiệu điều khiển analog dạng 5V ,10V hay 4~20mA. |
| Tính năng bảo vệ | Mất pha ngõ ra/vào, ngắn mạch ngõ ra, chạm đất, bảo vệ điện áp thấp, quá nhiệt động cơ (PTC). |
* Ứng dụng đa dạng trong công nghiệp
Biến tần SA3 được thiết kế với hai cấp công suất chuyên biệt cho tải thường và tải nặng:

Xem đầy đủ bảng giá biến tần Shihlin: Tại đây
>>>> NHẬN BẢNG GIÁ CHIẾT KHẤU VÀ NHIỀU ƯU ĐÃI LIÊN HỆ:
KỸ SƯ KINH DOANH: 0981.839.845 – ZALO
* Sơ đồ đấu nối biến tần vào 3 pha 380VAC ra 3 pha 380VAC

Đầu vào 3 pha 380V cấp vào các chân R, S, T hoặc L1, L2, L3 của biến tần; 3 pha đầu ra của biến tần U, V, W nối với động cơ. Biến tần có 2 chân PE để nối đất thiết bị.
* Sơ đồ đấu nối biến tần vào 1 pha 220VAC ra 3 pha 220VAC

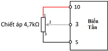
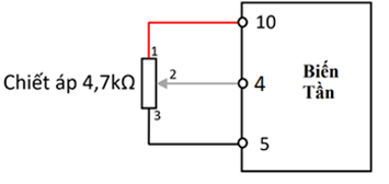
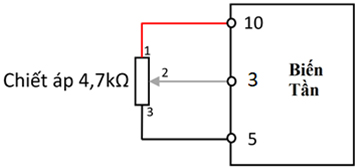
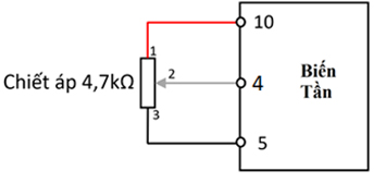
*Ví dụ: Để cài đặt biến tần chạy dừng bằng chuyển mạch ngoài, thay đổi tốc độ bằng chiết áp ngoài, chúng ta sẽ cài XX-YY bằng 2 theo các bước sau:
( XX là số thứ tự Group tham số ; YY là số thứ tự tham số trong Group XX)
* Bước 1:
Khi màn hình hiển thị đang ở trạng thái mặc định là chế độ Monitor, ấn phím MODE 3 lần cho tới khi hiển thị “ZZ-TT ” ( với ZZ-TT là tham số trước đó đã cài đặt, mặc định là tham số 00-00 )
* Bước 2:
Sử dụng nút mũi tên để thay đổi giá trị đến tham số mong muốn hoặc xoay núm trên bàn phím . Ấn giữ nút lên/xuống để số nhảy nhanh hơn. Ví dụ ta di chuyển đến tham số muốn cài đặt là XX-YY
* Bước 3:
Nhấn phím “READ” để vào tham số mà bạn muốn cài đặt. Khi đó màn hình sẽ hiển thị giá trị hiện tại của tham số đó.
* Bước 4:
Dùng nút mũi tên hoặc núm xoay để chỉnh lại giá trị theo. Giả sử muốn chỉnh lại tham số XX-YY = 2 . Ta ấn mũi tên tăng đến số 2.
* Bước 5:
Sau khi thay đổi xong giá trị tham số, nhấn nút “WRITE” để lưu lại giá trị. Khi đó, màn hình sẽ bắt đầu nhấp nháy giữa tham số đang cài và giá trị mới của tham số (trong ví dụ này thì nó sẽ nhấp nháy giữa XX-YY và 2)
* Bước 6:
Nhấn phím “READ” hoặc “ESC”, màn hình sẽ ngừng nhấp nháy. Khi đó ta dùng phím mũi tên/xuống hoặc núm xoay để chuyển sang các tham số khác và thực hiện thay đổi như ở trên. Nếu không muốn thay đổi tham số nào khác nữa thì nhấn phím MODE cho tới khi quay trở lại màn hiển thị Monitor.
Lưu ý: biến tần chỉ có thể Reset thông số khi đang ở chế độ PU – sử dụng bàn phím và chiết áp có sẵn (đèn PU trên màn hình đang sáng) nếu như đèn PU đang không sáng hoặc đang nhấp nháy, để Reset thông số biến tần các bạn cần cài đặt 00-16 = 1 trước.
Sau khi cài 00-16 = 1 đèn PU sáng, ta tiếp tục như sau :
Ấn nút REV để chạy ngược, ấn FWD để chạy thuận, ấn STOP để dừng động cơ
Tần số được cài đặt bằng núm xoay trên biến tần

STF nối với SD thì chạy thuận, STR nối với SD thì chạy ngược




STF nối với SD thì chạy thuận, STR nối với SD thì chạy ngược
.



Dù được trang bị đầy đủ tính năng bảo vệ toàn diện, quá trình vận hành đôi khi vẫn báo lỗi. Dưới đây là bảng mã lỗi thường gặp và cách xử lý:
| Mã lỗi | Tên lỗi | Nguyên nhân và cách xử lý |
| OC | Quá dòng (Over Current) | Tải nặng quá mức, motor bị kẹt cơ khí.
Cách xử lý: Kiểm tra cơ cấu truyền động, tăng thời gian tăng tốc P.7. |
| OV | Quá áp (Over Voltage) | Do thời gian giảm tốc quá ngắn khiến năng lượng dội về lớn.
Cách xử lý: Tăng thời gian giảm tốc P.8 hoặc lắp điện trở xả. |
| THN/OL | Quá tải (Over Load) | Động cơ hoạt động quá tải trong thời gian dài.
Cách xử lý: Giảm bớt tải, kiểm tra cơ khí, cài lại P.9 đúng với dòng định mức motor. |
| OH | Quá nhiệt (Over Heat) | Môi trường xưởng quá nóng (>40°C) hoặc quạt tản nhiệt bị hỏng/kẹt bụi.
Cách xử lý: Vệ sinh khe tản nhiệt, thay quạt làm mát. |
| Lu / Lv | Thấp áp (Low Voltage) | Nguồn điện cấp bị sụt áp, mất pha hoặc lỏng ốc.
Cách xử lý: Đo lại điện áp nguồn tổng, siết chặt các cầu đấu R, S, T. |
| Sc | Ngắn mạch (Short Circuit) | Chạm chập các dây cáp motor hoặc hỏng module IGBT bên trong.
Cách xử lý: Tháo dây motor ra đo chạm chập. Nếu tháo ra vẫn lỗi là hỏng phần cứng. |
Một sản phẩm tốt cần đi cùng một chính sách hậu mãi đủ mạnh để khách hàng yên tâm sử dụng. Với Shihlin, lợi thế không chỉ nằm ở thiết bị mà còn nằm ở cách Tự Động Hóa Toàn Cầu đồng hành cùng khách hàng sau bán hàng.
Doanh nghiệp được hưởng các chính sách dịch vụ vượt trội nổi bật như:

Quý khách vui lòng Click Zalo liên hệ báo giá, đội ngũ Kinh Doanh của chúng tôi sẽ gửi bảng giá biến tần Shihlin cùng dịch vụ hậu mãi và mức chiết khấu tốt nhất cho từng quý khách hàng.