Hướng dẫn sử dụng biến tần KAMAN
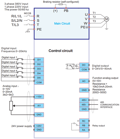
- Sơ đồ đấu dây của biến tần

- Hướng dẫn thao tác cài đặt biến tần


Ví dụ cài đặt: Quý khách muốn Reset biến tần, điều chỉnh vào thông số F00.10 = 1 (Thông số Reset biến tần về mặc định)
- Bước 1: Nhấn để truy cập vào phần cài đặt tham số, màn hình hiển thị F00
- Bước 2: Nhấn để truy cập vào nhóm thông số F00, khi đó màn hình hiển thị F00.00
- Bước 3: Nhấn để tăng giá trị thông số cài đặt lên thành F00.10
- Bước 4: Nhấn để truy cập vào thông số F00.10, màn hình sẽ hiển thị giá trị hiện tại của thông số F00.10 là 0 (giá trị mặc định của F00.10 là 0)
- Bước 5: Nhấn để tăng giá trị lên 1 và nhấn
- Reset biến tần thành công.
Cách cài đặt các ứng dụng phổ biến khi sử dụng biến tần KAMAN
- Thông số cơ bản của biến tần KAMAN
- Các chế độ chạy: công tắc ngoài – chiết áp ngoài, công tắc ngoài – chiết áp trên mặt biến tần…
- Hướng dẫn cài đặt cấp nguồn lên chạy lập tức
- Hướng dẫn cài đặt biến tần chạy điện áp thấp
- Hướng dẫn cài đặt biến tần chạy đa cấp tốc độ
- Hướng dẫn cài đặt biến tần chạy tần số cao
- Chế độ dùng nút nhấn nhả để bật/tắt biến tần điều khiển động cơ (Chế độ 2 dây và 3 dây)
- Hướng dẫn cài đặt biến tần chạy đóng mở phanh theo tần số mong muốn
- Chức năng/ứng dụng chân Relay của biến tần
- Hướng dẫn cài đặt và lắp đặt điện trở xả
- Hướng dẫn điều khiển tần số biến tần bằng tín hiệu analog 0-10V hoặc 4-20mA
- Hướng dẫn ứng dụng chân chức năng Di để lựa chọn kiểu thay đổi tần số biến tần
- Chuyển điện áp đầu ra 380V thành 220V cho biến tần KAMAN
- Biến tần điều khiển động cơ ở chế độ Vector
- Hướng dẫn Auto-tuning động cơ
- Biến tần điều khiển động cơ chế độ PID
- Biến tần điều khiển động cơ chế độ Torque
- Hướng dẫn giảm tiếng ồn động cơ khi dùng biến tần KAMAN
- Hướng dẫn truyền thông RS485 biến tần KAMAN với PLC Xinje
- Bảng mã lỗi biến tần KAMAN
Liên hệ ngay

Zalo Miền Bắc
