HƯỚNG DẪN CÀI ĐẶT BIẾN TẦN KM20 CHẠY NHIỀU CẤP TỐC ĐỘ
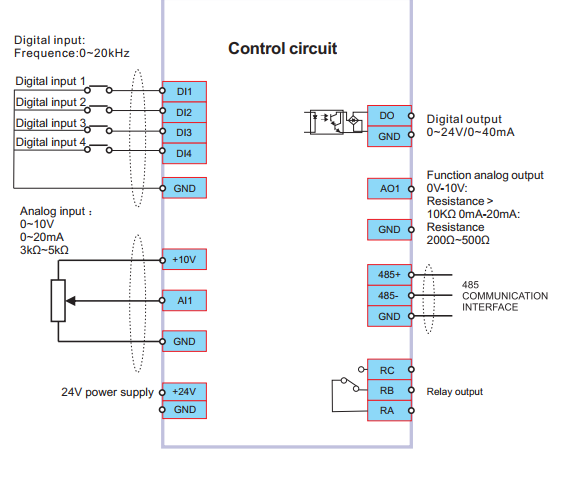
- Sơ đồ đấu nối mạch điều khiển

– F01.00 = 6 Cài đặt chế độ chạy nhiều cấp tốc độ.
- 00 = 1 Cài đặt chế độ chạy dừng bằng nút nhấn/chuyển mạch ngoài.
- Cài đặt các chân chức năng DI = 19, 20, 21 hoặc 22 tùy theo người dùng sử dụng chân DI để kích cho từng cấp tốc độ.

F11.00: Chức năng chân DI1
F11.01: Chức năng chân DI2
F11.02: Chức năng chân DI3
F11.03: Chức năng chân DI4
- Cài đặt tần số cho các cấp tốc độ (có thể cài tối đa 16 cấp tốc độ)

Ta sẽ sử dụng các chân chức năng Multi-step speed terminal 1,2,3,4 để điều khiển các cấp tốc độ tương ứng


- Ví dụ
Cài đặt biến tần chạy 2 cấp tốc độ. Cấp độ 1 kích DI1 biến tần chạy ở tần số 15Hz, cấp độ 2 kích DI1 và DI2 biến tần chạy ở tần số 60Hz. Ta cài đặt thông số như sau
- Chế độ chạy dừng bằng chuyển mạch ngoài F02.00 = 1
- Thời gian tăng tốc F03.00
- Thời gian giảm tốc F03.01
- Tần số lớn nhất F01.07 = 60
- Tần số giới hạn trên F01.09 = 60
- Chế độ chạy nhiều cấp tốc độ F01.00 = 6
- Cài đặt chân chức năng DI1 F11.00 = 1
- Cài đặt chân chức năng DI2 F11.01 = 19
- Cài đặt tần số cấp tốc độ 1: F21.00 = 15
- Cài đặt tần số cấp tốc độ 2: F21.03 = 60
Liên hệ ngay

Zalo Miền Bắc
