F00.10 = 1 Reset biến tần về mặc định
Chú ý
- Khi reset biến tần, các thông số cài đặt của nhóm động cơ không thay đổi
- Nên khai báo các thông số của động cơ như công suất, tần số, tốc độ vòng/phút, điện áp, dòng điện để biến tần điều khiển động cơ được tốt nhất
F02.00: LỰA CHỌN KÊNH ĐIỀU KHIỂN CHẠY/DỪNG/ĐẢO CHIỀU QUAY:
=0: Trên bàn phím
Ấn RUN để chạy, Ấn STOP để dừng
=1: điều khiển chạy dừng bằng nút nhấn/chuyển mạch ngoài
Dùng chuyển mạch hoặc nút nhấn giữ trạng thái ( không thay đổi trạng thái sau khi ấn) để điều khiển (chế độ 2 dây) thì sơ đồ đấu nối như sau:

Miêu tả: DI1 nối với COM thì chạy thuận, DI2 nối với COM thì chạy ngược
=3: Chạy bằng truyền thông RS485
Liên hệ công ty Toàn Cầu để được trợ giúp nếu dùng
F01.00: LỰA CHỌN KÊNH TĂNG GIẢM TẦN SỐ – TỐC ĐỘ ĐỘNG CƠ
=0: Tăng giảm tần số = phím lên – xuống trên bàn phím
=1: Tăng giảm tần số bằng chiết áp có sẵn trên bàn phím
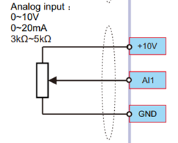
=2: Điều khiển bằng tín hiệu điện áp 0-10VDC ( chân AI1)
Sử dụng chiết áp (2K Ohm,5K Ohm, 10K Ohm) thì đấu nối lần lượt vào các chân 10V, AI1, GND

Sử dụng PLC hoặc mạch xuất tín hiệu Analog 0-10V thì đấu nối vào chân AI1, GND
=6 : Điều khiển tần số theo cấp tốc độ ( liên hệ công ty để được hướng dẫn cụ thể)
=8 : Điều khiển tần số theo PID ( liên hệ công ty để được hướng dẫn cụ thể)
=9: Điều khiển bằng giao tiếp truyền thông RS485 (liên hệ công ty để được hướng dẫn cụ thể)
F03.00: CÀI ĐẶT THỜI GIAN TĂNG TỐC (đơn vị: 0.1giây)
Cài đặt từ 1-10s giây tùy theo từng ứng dụng.
Chú ý: Đối với những tải cần momen khởi động lớn ngay từ đầu thì cài thời gian tăng tốc nhỏ để biến tần sớm xuất ra điện áp lớn nhất, tạo ra momen lớn nhất để thắng momen cản khi khởi động, thời gian cài khi đó khoảng 0.5-2s tùy ứng dụng
F03.01: CÀI ĐẶT THỜI GIAN GIẢM TỐC (đơn vị: 0.1giây)
Cài đặt từ 10-20s. Đối với những ứng dụng cần dừng nhanh thì cài thời gian giảm tốc nhỏ khoảng 0.1-2s.
Chú ý: Khi dừng nhanh hoặc những ứng dụng chạy dừng đảo chiều liên tục thì phải lắp thêm điện trở xả cho biến tần để bảo vệ biến tần, thời gian dừng càng dài sẽ càng tốt cho biến tần (tham khảo dientroxa.com)
F01.09: CÀI ĐẶT TẦN SỐ GIỚI HẠN TRÊN
Mặc định là 50 Hz
F01.07: CÀI ĐẶT TẦN SỐ LỚN NHẤT
Mặc định = 50hz, không cần cài đặt nếu là động cơ thông thường. Trường hợp đặc biệt sử dụng động cơ chạy tần số cao VD như động cơ Spindle máy CNC….thì liên hệ công ty để được hướng dẫn cài đặt.
Chú ý: Cài tần số chạy trên biến tần lớn hơn tần số định mức của động cơ nhiều sẽ gây nóng và cháy động cơ. Muốn nâng tần số max lên trên 50Hz thì quý khách hàng cần nâng tần số giới hạn trên F01.09 lên trước.
F04.07: TĂNG MOMEN CHO ĐỘNG CƠ
Giá trị từ 0.0 – 30.0 %
Điều chỉnh khi cần chạy tần số thấp nhưng momen không đủ.
F12.03 : CHỨC NĂNG THÔNG DỤNG CHÂN RELAY
=1 : Relay sẽ đóng khi biến tần chạy
=2 : Relay sẽ đóng khi động cơ chạy thuận
=3 : Relay sẽ đóng khi động cơ chạy nghịch
=4 : Relay sẽ đóng khi động cơ chạy Jog
=5 : Relay sẽ đóng khi tần số động cơ về 0
=7 : Relay sẽ đóng khi có lỗi
NHÓM THÔNG SỐ CƠ BẢN CỦA ĐỘNG CƠ
F05.01: công suất động cơ (Kw)
F05.02: điện áp động cơ (V)
F05.03: dòng điện động cơ (A)
F05.04: tần số động cơ (Hz)
F05.05: tốc độ động cơ (Rpm)

Zalo Miền Bắc
