Hướng dẫn cài đặt biến tần LS iP5A chi tiết từ đấu dây đến cài đặt cơ bản. Tài liệu kỹ thuật chuẩn xác giúp kỹ sư vận hành ổn định hệ thống bơm quạt. Xem ngay!
Giới thiệu
Trong các hệ thống HVAC, cấp thoát nước hay xử lý môi trường hiện nay, dòng biến tần Starvert iP5A của LS (Hàn Quốc) được xem là “tượng đài” nhờ khả năng vận hành bền bỉ và các tính năng chuyên dụng cho tải bơm và quạt. Tuy nhiên, việc nắm vững quy trình cài đặt biến tần LS iP5A không chỉ dừng lại ở việc làm cho motor quay, mà còn phải đảm bảo hệ thống hoạt động tiết kiệm năng lượng, bảo vệ động cơ và tránh các sự cố như búa nước hay quá tải.
Bài viết này sẽ cung cấp cho bạn một quy trình kỹ thuật “thực chiến”, đi từ sơ đồ đấu nối phần cứng đến việc tinh chỉnh các tham số cơ bản, giúp bạn làm chủ thiết bị này một cách nhanh chóng và chính xác nhất.
Tổng quan về dòng biến tần chuyên dụng LS iP5A
LS iP5A là dòng biến tần được thiết kế tối ưu hóa cho các ứng dụng tải momen biến thiên (Variable Torque) như quạt hút, quạt đẩy và hệ thống bơm ly tâm. Điểm mạnh của dòng này nằm ở khả năng chịu quá tải 110% trong 1 phút, tích hợp sẵn chức năng điều khiển đa bơm (Multi-motor control) và thuật toán PID kép.
Dải công suất của iP5A rất rộng, từ 5.5kW đến 450kW, đáp ứng hầu hết các nhu cầu công nghiệp. Trước khi tiến hành cài đặt biến tần LS iP5A, kỹ thuật viên cần xác định rõ model, điện áp đầu vào (3 pha 220V hay 3 pha 380V) để tránh những sai sót nghiêm trọng về phần cứng ngay từ bước đầu.
Sơ đồ đấu dây biến tần LS iP5A chuẩn kỹ thuật
Một trong những nguyên tắc “vàng” của kỹ sư tự động hóa là: Đấu nối đúng trước khi cấp nguồn. Sai sót ở bước này có thể dẫn đến nổ IGBT hoặc hỏng bo mạch điều khiển.
1. Đấu nối mạch động lực
Bạn cần phân biệt rõ ràng hai nhóm chân quan trọng:
- R, S, T: Chân cấp nguồn đầu vào (Input). Tuyệt đối không nhầm lẫn.
- U, V, W: Chân đấu ra động cơ (Output).
- G (Ground): Chân tiếp địa. Đây là chân bắt buộc phải đấu để triệt tiêu nhiễu và đảm bảo an toàn cho người vận hành, đặc biệt trong môi trường ẩm ướt của trạm bơm.
Lưu ý quan trọng: Tuyệt đối không đấu nguồn lưới vào các chân U, V, W. Nếu cấp điện sai vào ngõ ra, biến tần sẽ bị hư hỏng hoàn toàn ngay lập tức. Ngoài ra, không lắp tụ bù cos phi trực tiếp vào đầu ra của biến tần, vì sóng hài bậc cao từ biến tần sẽ làm nóng và nổ tụ.
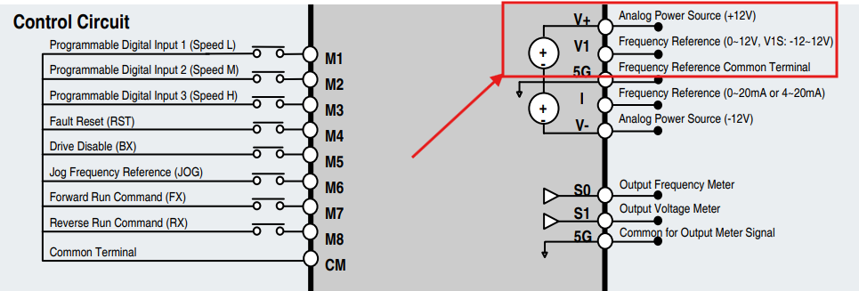
2. Đấu nối mạch điều khiển
Để cài đặt biến tần LS iP5A hoạt động theo mong muốn, bạn cần đấu nối các chân tín hiệu cơ bản sau:
- CM: Chân chung (Common) cho các tín hiệu số.
- M1, M2…M8: Các chân kích hoạt tín hiệu đầu vào (Digital Input). Mặc định M7 thường là chạy thuận (FX), M8 là chạy nghịch (RX).
- V+, V1, CM: Chân đấu biến trở ngoài để chỉnh tốc độ.
- V+: Nguồn 12V.
- V1: Ngõ vào analog 0-12V.
- CM: Chân 0V của tín hiệu analog.
- I : Ngõ vào dòng điện 4-20mA, thường dùng cho cảm biến áp suất trong ứng dụng điều khiển PID ổn định áp suất đường ống.
Thao tác trên bàn phím (Keypad) và nhóm thông số chính
Màn hình hiển thị của iP5A được chia thành các nhóm rõ ràng. Để di chuyển giữa các nhóm, bạn sử dụng phím mũi tên Trái/Phải. Để thay đổi giá trị, dùng phím Lên/Xuống và nút ENT để lưu.
Cấu trúc menu của LS iP5A bao gồm:
- Drive Group (DRV): Các thông số vận hành cơ bản nhất.
- Function Group 1 (FU1): Các chức năng cơ bản như tần số max, dòng điện.
- Function Group 2 (FU2): Các chức năng nâng cao về motor, chế độ bảo vệ.
- I/O Group (I/O): Cài đặt các ngõ vào/ra đa chức năng.
Các bước cài đặt biến tần LS iP5A cơ bản
Dưới đây là trình tự cài đặt tiêu chuẩn cho một ứng dụng chạy dừng bằng công tắc ngoài và chỉnh tốc độ bằng biến trở.
Bước 1: Khôi phục cài đặt gốc
Trước khi cài đặt mới, nên đưa biến tần về mặc định để xóa bỏ các cài đặt cũ (nếu là biến tần cũ hoặc chuyển đổi mục đích sử dụng).
- Vào nhóm FU2, tìm hàm 93.
- Đặt giá trị bằng 1 (All Parameter Clear).
- Nhấn ENT, màn hình sẽ nhấp nháy, đợi quá trình reset hoàn tất.
Bước 2: Cài đặt lệnh chạy và lệnh tần số (Drive Group)
Tại nhóm DRV, bạn cần quan tâm các mã sau:
- Drv (Drive Mode): Chọn lệnh chạy – DRV_03
- Chọn 0: Chạy bằng bàn phím – Nút Run/Stop trên màn hình.
- Chọn 1: Chạy bằng công tắc ngoài – Kích chân M7/M8 với CM.
- Chọn 3: Chạy qua truyền thông RS485 (Modbus).
-
- Khuyến nghị: Với tủ điện công nghiệp, thường chọn 1.
- Frq (Frequency Mode): Chọn nguồn đặt tần số – DRV_04
- Chọn 0: Chỉnh bằng phím trên màn hình.
- Chọn 2: Dùng biến trở ngoài (0-12V) đấu vào chân V1.
-
- Chọn 8: Dùng truyền thông RS485 (qua PLC)
- Acc (Acceleration Time): Thời gian tăng tốc – DRV_01
- Với tải bơm/quạt, quán tính lớn, bạn nên đặt thời gian này dài hơn, khoảng 10s – 30s tùy công suất. Đặt quá ngắn sẽ gây lỗi quá dòng (Over Current) khi khởi động.
- dEc (Deceleration Time): Thời gian giảm tốc – DRV_02
-
- Tương tự, đặt khoảng 20s – 60s. Nếu dừng quá nhanh, năng lượng phản hồi từ cánh quạt/bơm sẽ gây lỗi quá áp (Over Voltage).
Bước 3: Cài đặt thông số động cơ (Motor Parameters)
Việc nhập đúng thông số motor giúp biến tần tính toán dòng điện và bảo vệ chính xác hơn. Bạn cần xem nhãn trên động cơ để nhập vào nhóm FU2:
- FU2-40 (Motor Type): Công suất động cơ (kW).
- FU2-41 (Number of Poles): Số cực động cơ (thường là 4 cực cho motor 1450rpm, 2 cực cho 2900rpm).
- FU2-43 (Rated Current): Dòng điện định mức của động cơ (A). Biến tần sẽ dựa vào đây để báo lỗi quá tải.
Các lỗi thường gặp và cách khắc phục khi vận hành
Trong quá trình sử dụng, dù đã cài đặt biến tần LS iP5A chuẩn xác, bạn vẫn có thể gặp một số mã lỗi. Hiểu rõ ý nghĩa của chúng giúp bạn xử lý sự cố nhanh chóng:
- Over Current 1: Lỗi quá dòng.
- Nguyên nhân: Motor bị kẹt cơ khí, thời gian tăng tốc quá ngắn, hoặc chạm chập dây pha đầu ra.
- Khắc phục: Kiểm tra quay tay motor xem có nhẹ không, tăng thời gian Acc, kiểm tra cách điện dây dẫn.
- Over Voltage: Lỗi quá áp DC Bus.
- Nguyên nhân: Thời gian giảm tốc quá ngắn, tải có quán tính lớn kéo motor thành máy phát.
- Khắc phục: Tăng thời gian dEc, hoặc lắp thêm điện trở xả (dù dòng iP5A ít khi dùng trở xả do đặc thù tải bơm quạt).
- Low Voltage: Lỗi thấp áp.
- Nguyên nhân: Điện lưới đầu vào bị sụt áp, mất pha đầu vào, hoặc contactor trong biến tần hỏng.
- Khắc phục: Kiểm tra điện áp R, S, T.
- Over Load: Lỗi quá tải động cơ.
- Nguyên nhân: Motor hoạt động quá dòng định mức trong thời gian dài.
- Khắc phục: Kiểm tra tải, kiểm tra cài đặt dòng định mức FU2-43, giảm tải hoặc thay motor/biến tần công suất lớn hơn.
Tài liệu kỹ thuật
Kết luận và Lời khuyên từ chuyên gia
Dòng biến tần LS iP5A là một thiết bị mạnh mẽ và tin cậy nếu được cấu hình đúng cách. Việc cài đặt biến tần LS iP5A đòi hỏi sự tỉ mỉ từ khâu đấu nối, nhập thông số động cơ cho đến việc cài đặt lệnh chạy, lệnh tần số. Một hệ thống được cài đặt tốt không chỉ hoạt động êm ái, kéo dài tuổi thọ thiết bị cơ khí mà còn giúp doanh nghiệp tiết kiệm từ 20-40% chi phí điện năng.
Tuy nhiên, tài liệu kỹ thuật chỉ là bước khởi đầu. Để thực sự làm chủ công nghệ và xử lý được các tình huống phát sinh thực tế tại nhà máy, việc được đào tạo bài bản và thực hành trực tiếp trên thiết bị là vô cùng cần thiết.
Bạn muốn làm chủ hoàn toàn kỹ thuật cài đặt biến tần LS và các dòng biến tần phổ biến khác?
Hằng năm, Tự Động Hóa Toàn Cầu sẽ tổ chức các khóa học hướng dẫn cài đặt biến tần hoàn toàn MIỄN PHÍ dành cho khách hàng và các kỹ sư đam mê kỹ thuật.
👉Theo dõi ngay các kênh social của Tự động hóa toàn cầu để tham gia khóa học sớm nhất ( lưu ý: số lượng học viên có hạn! )
Chúng tôi luôn sẵn sàng hỗ trợ kỹ thuật 24/7 cho hệ thống của bạn.







Zalo Miền Bắc
