Hướng dẫn cài đặt biến tần LS H100 chi tiết từ A-Z. Tìm hiểu sơ đồ đấu dây, tham số cơ bản và nâng cao cho ứng dụng bơm quạt, cách khắc phục lỗi thường gặp.
Giới thiệu
Trong các hệ thống HVAC (Heating, Ventilation, and Air Conditioning) và xử lý nước hiện đại, việc điều khiển động cơ bơm và quạt đóng vai trò then chốt trong việc tiết kiệm năng lượng. Biến tần LS H100, dòng sản phẩm chuyên dụng của LS Electric, được thiết kế tối ưu cho các ứng dụng này với khả năng vận hành êm ái và tích hợp sẵn nhiều tính năng thông minh. Tuy nhiên, để thiết bị hoạt động hiệu quả và bền bỉ, kỹ thuật viên cần nắm vững quy trình cài đặt biến tần LS H100 một cách bài bản.
Bài viết này sẽ cung cấp một hướng dẫn kỹ thuật chuyên sâu, giúp bạn từ việc đấu nối phần cứng đến thiết lập các tham số vận hành quan trọng, đảm bảo hệ thống hoạt động ổn định ngay từ lần khởi động đầu tiên.
Tổng quan về biến tần LS H100 và Bàn phím điều khiển
Trước khi đi sâu vào các tham số, chúng ta cần hiểu rõ cấu trúc phần cứng và giao diện người dùng của thiết bị. Dòng H100 được thiết kế khác biệt so với các dòng phổ thông như IG5A hay IS7, đặc biệt là ở khu vực bàn phím (Keypad) nhằm phục vụ đặc thù cho ứng dụng bơm và quạt.
Đặc điểm nổi bật của dòng LS H100
LS H100 hỗ trợ dải công suất rộng từ 0.75kW đến 500kW, phù hợp cho cả hệ thống điện 1 pha 220V và 3 pha 380V. Điểm mạnh của dòng này là tích hợp sẵn bộ lọc EMC (đối với một số dải công suất), cuộn kháng DC giúp giảm sóng hài và bảo vệ động cơ tốt hơn. Ngoài ra, tính năng “Soft Fill” và điều khiển đa bơm là những vũ khí lợi hại cho các kỹ sư hệ thống nước.
Làm quen với bàn phím (Keypad) H100
Bàn phím của H100 được thiết kế thân thiện với các phím chức năng riêng biệt:
- Phím MODE: Chuyển đổi giữa các nhóm thông số.
- Phím PROG/ENT: Nhấn để vào cài đặt hoặc lưu giá trị.
- Phím ESC: Thoát hoặc quay lại menu trước đó.
- Phím AUTO/HAND: Đây là phím đặc trưng của dòng H100. Chế độ HAND dùng để chạy bằng tay (thường dùng khi test máy hoặc bảo trì), chế độ AUTO dùng để chạy tự động theo tín hiệu cảm biến hoặc PLC.
- Màn hình LCD: Hiển thị đa thông tin, bao gồm tần số, dòng điện, điện áp và trạng thái lỗi.
Việc hiểu rõ chức năng các phím sẽ giúp quá trình cài đặt biến tần LS H100 diễn ra nhanh chóng, tránh thao tác sai dẫn đến khóa phím hoặc nhập liệu nhầm.
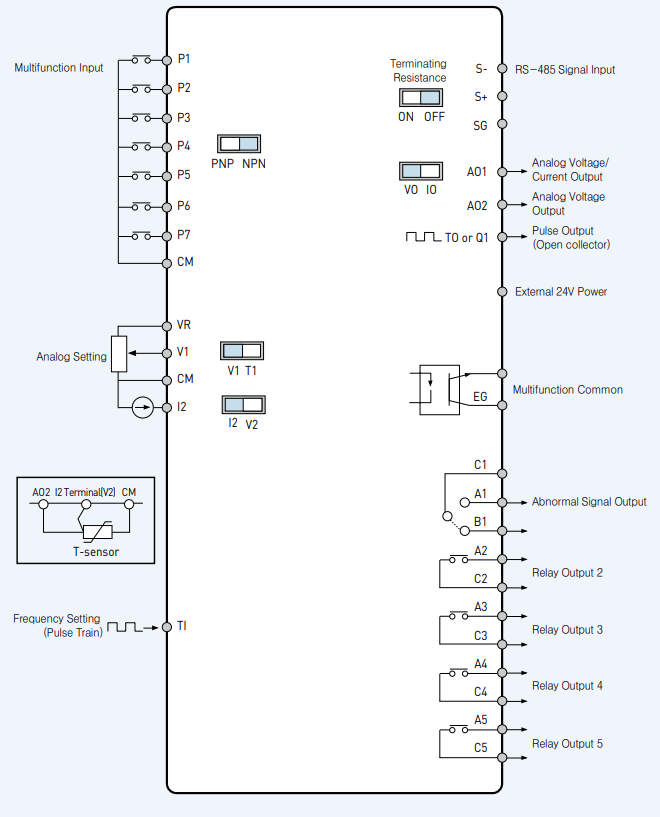
Sơ đồ đấu dây biến tần LS H100 chuẩn kỹ thuật
Một hệ thống tự động hóa ổn định bắt đầu từ việc đấu nối chính xác. Sai sót trong phần động lực có thể dẫn đến nổ IGBT ngay khi cấp nguồn, trong khi sai sót phần điều khiển sẽ khiến biến tần không nhận lệnh chạy.
Đấu nối mạch động lực
Mạch động lực chịu dòng tải lớn, cần tuân thủ nghiêm ngặt về kích cỡ dây và lực siết ốc:
- Ngõ vào (Input): Kết nối nguồn điện lưới vào 3 chân R, S, T. Tuyệt đối không được cấp nguồn vào các chân U, V, W vì sẽ gây hỏng tụ và công suất. Nếu dùng nguồn 1 pha, đấu vào R và T.
- Ngõ ra (Output): Kết nối động cơ vào 3 chân U, V, W. Cần kiểm tra kỹ cách đấu dây của động cơ (Sao hoặc Tam giác) để phù hợp với điện áp ngõ ra của biến tần.
- Tiếp địa (Ground): Chân G hoặc PE phải được nối đất để đảm bảo an toàn và triệt tiêu nhiễu.




Đấu nối mạch điều khiển (Control Circuit)
Dòng H100 cung cấp nhiều chân chức năng linh hoạt:
- Chân P1 đến P7: Các chân đầu vào số (Digital Input). Mặc định P1 là chạy thuận (FX), P2 là chạy nghịch (RX). Có thể cấu hình lại chức năng cho các chân này (ví dụ: Reset lỗi, chạy đa cấp tốc độ).
- Chân CM: Chân chung (Common) cho tín hiệu số. Lưu ý H100 hỗ trợ cả kiểu đấu NPN và PNP thông qua switch gạt trên bo mạch. Tại Việt Nam, kiểu đấu NPN (kích âm) là phổ biến nhất.
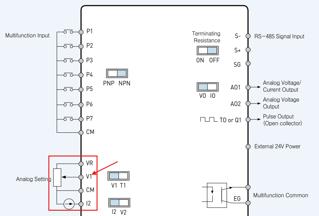
- Chân VR, V1, I2: Dùng cho tín hiệu Analog. VR là nguồn 10V nội bộ, V1 nhận tín hiệu 0-10V (từ biến trở hoặc PLC), I2 nhận tín hiệu 4-20mA (từ cảm biến áp suất).
Lưu ý: Khi sử dụng biến trở ngoài, hãy đấu 3 chân của biến trở lần lượt vào VR (chân 3), V1 (chân 2 – chân giữa), và CM (chân 1).
Các bước cài đặt thông số cơ bản
Sau khi kiểm tra đấu nối an toàn, cấp nguồn cho biến tần và tiến hành cài đặt biến tần LS H100 theo trình tự logic dưới đây. Việc tuân thủ trình tự giúp bạn dễ dàng kiểm soát và xử lý nếu có sự cố.
Bước 1: Trả về mặc định nhà sản xuất
Đây là bước bắt buộc đối với biến tần cũ hoặc khi bạn muốn cài đặt lại từ đầu để tránh xung đột với các thông số rác.
- Vào nhóm PAR -> Tìm tham số dr.93 (Parameter Initialization).
- Chọn giá trị 1 để reset toàn bộ. Nhấn ENT và đợi biến tần xử lý xong.
Bước 2: Nhập thông số động cơ
Để biến tần bảo vệ động cơ chính xác và điều khiển vector hiệu quả, cần nhập đúng thông số trên nhãn động cơ.
- dr.14 (Motor Capacity): Công suất động cơ (kW).
- dr.18 (Base Freq): Tần số cơ bản (thường là 60Hz).
- dr.19 (Start Freq): Tần số bắt đầu (thường để 0.5Hz).
- dr.20 (Max Freq): Tần số tối đa (thường là 60Hz tùy ứng dụng).
- bA.11 (Pole Number): Số cực động cơ (Ví dụ: 1450rpm tương ứng 4 cực).
- bA.13 (Rated Current): Dòng điện định mức (A). Đây là tham số quan trọng nhất để tính toán bảo vệ quá tải.
Bước 3: Cài đặt lệnh chạy và lệnh tần số
Xác định cách thức bạn muốn điều khiển biến tần: qua bàn phím, qua cầu đấu (terminal) hay qua truyền thông.
- drv.06 (Cmd Source): Lệnh chạy (Start/Stop).
- 0: Keypad (Phím Run/Stop trên màn hình).
- 1: Fx/Rx-1 (Chạy bằng công tắc ngoài nối vào terminal).
- 2: Fx/Rx-2.
- 3: Int 485 (Truyền thông Modbus).
- drv.07 (Freq Ref Src): Lệnh tần số.
- 0: Keypad-1 (Nhấn phím lên xuống để thay đổi).
- 2: V1 (Biến trở ngoài hoặc tín hiệu 0-10V).
-
- 5: I2 (Tín hiệu dòng 4-20mA).
Bước 4: Cài đặt thời gian tăng tốc và giảm tốc
Đối với bơm và quạt, quán tính tải thường lớn. Cài đặt thời gian quá ngắn sẽ gây lỗi quá dòng (Over Current) hoặc quá áp (Over Voltage) khi dừng.
- drv.03 (Acc Time): Thời gian tăng tốc. Với bơm nước, nên để khoảng 10s – 20s để tránh hiện tượng búa nước.
- drv.04 (Dec Time): Thời gian giảm tốc. Nên để 15s – 30s. Nếu bơm dừng và có van một chiều đóng mạnh, cần tăng thời gian này lên.
Bảng mã lỗi biến tần LS H100 thường gặp và cách xử lý
Trong quá trình vận hành, việc gặp sự cố là điều khó tránh khỏi. Dưới đây là các mã lỗi phổ biến khi cài đặt biến tần LS H100 và hướng giải quyết thực tế:
| Tên lỗi | Nguyên nhân | Cách khắc phục |
| Over Current (Quá dòng) | Động cơ bị kẹt cơ khí, ngắn mạch pha, thời gian tăng tốc quá ngắn. | Kiểm tra tải động cơ, kiểm tra cách điện dây dẫn, tăng thời gian dr.03. |
| Over Voltage (Quá áp) | Thời gian giảm tốc quá ngắn, tải có quán tính lớn, điện áp nguồn quá cao. | Tăng thời gian giảm tốc dr.04, lắp thêm điện trở xả (nếu cần), kiểm tra nguồn vào. |
| Low Voltage (Thấp áp) | Nguồn đầu vào bị sụt áp, mất pha, contactor lỏng. | Kiểm tra điện áp nguồn R, S, T, siết lại các ốc vít. |
| Over Load (Quá tải) | Động cơ hoạt động quá dòng định mức trong thời gian dài. | Giảm tải, kiểm tra lại việc chọn công suất biến tần và động cơ, chỉnh lại thông số dr.13 và bA.13. |
| Ground TRip (Chạm đất) | Dây động cơ bị chạm vỏ hoặc rò rỉ điện. | Kiểm tra cách điện của motor và dây dẫn bằng Mega Ohm (lưu ý ngắt kết nối biến tần trước khi đo). |
Lưu ý: Khi biến tần báo lỗi, hãy nhấn phím RESET (hoặc kích chân Digital Input được gán chức năng RST) để xóa lỗi sau khi đã khắc phục nguyên nhân.
Các lưu ý quan trọng khi vận hành và bảo dưỡng
Để hệ thống hoạt động bền bỉ 5-10 năm, ngoài việc cài đặt biến tần LS H100 đúng, việc bảo dưỡng cũng quan trọng không kém:
- Nhiệt độ môi trường: Đảm bảo tủ điện thông thoáng, nhiệt độ không quá 40-50 độ C. LS H100 thường lắp đặt dạng Side-by-Side (sát nhau) được nhưng cần quạt hút tủ điện đủ mạnh.
- Vệ sinh định kỳ: Bụi bẩn bám vào quạt làm mát và tản nhiệt là nguyên nhân hàng đầu gây chết công suất. Hãy dùng khí nén thổi bụi định kỳ 3-6 tháng/lần.
- Kiểm tra siết ốc: Sau một thời gian vận hành, các mối nối điện có thể bị lỏng do rung động hoặc giãn nở nhiệt. Hãy kiểm tra và siết lại các terminal động lực định kỳ.
- Chống ẩm: Đối với các trạm bơm nước thải hoặc môi trường độ ẩm cao, cần có biện pháp sấy tủ điện để tránh hơi nước ngưng tụ làm hỏng bo mạch điều khiển.
Tài liệu kỹ thuật
Kết luận
Việc cài đặt biến tần LS H100 không quá phức tạp nếu bạn nắm vững quy trình và hiểu rõ bản chất của từng tham số. Dòng biến tần này là sự lựa chọn tối ưu cho các giải pháp bơm điều áp, quạt thông gió nhờ tính năng PID mạnh mẽ và khả năng tiết kiệm năng lượng vượt trội.
Hy vọng với hướng dẫn chi tiết trên, bạn đã có thể tự tin làm chủ thiết bị này, giúp hệ thống vận hành trơn tru và hiệu quả. Tuy nhiên, thực tế bao giờ cũng có phần khác so với lý thuyết. Hiểu được điều đó, hằng năm công ty Tự động hóa toàn cầu đều tổ chức chương trình dạy biến tần miễn phí nhằm hỗ trợ cộng đồng anh em kỹ thuật nâng cao tay nghề.
Hãy đăng ký ngay khóa học “Thực hành cài đặt biến tần MIỄN PHÍ do Công ty Tự Động Hóa Toàn Cầu tổ chức.
Khi tham gia khóa học, bạn sẽ nhận được
- Hướng dẫn đấu nối và cài đặt trên mô hình thực tế.
- Hướng dẫn xử lý các vấn đề khó nhằn bởi các chuyên gia hơn 10 năm kinh nghiệm.
- Trợ giá thiết bị thực hành.
- Tham gia cộng động kỹ thuật – nơi anh em chia sẻ kinh nghiệm trong lĩnh vực tự động hóa
Đừng bỏ lỡ cơ hội nâng cao tay nghề này! Theo dõi ngay các kênh social của Tự động hóa toàn cầu để tham gia khóa học sớm nhất ( số lượng học viên có hạn! )





Zalo Miền Bắc
