Hướng dẫn cài đặt biến tần INVT GD27 chuẩn kỹ thuật. Chi tiết quy trình đấu nối, thiết lập thông số vận hành và cách khắc phục lỗi giúp hệ thống ổn định. Xem ngay!
Giới thiệu
Trong xu thế tự động hóa công nghiệp hiện đại, việc tối ưu hóa không gian tủ điện và nâng cao hiệu suất vận hành là những ưu tiên hàng đầu của các kỹ sư. Hiểu được nhu cầu đó, INVT đã cho ra đời dòng biến tần thông minh GD27 – một giải pháp đột phá với cấu trúc nhỏ gọn nhưng sở hữu sức mạnh điều khiển vượt trội. Được thiết kế theo phong cách “Booktype” (dạng sách), GD27 không chỉ tiết kiệm diện tích lắp đặt mà còn mang lại sự linh hoạt tối đa nhờ khả năng hỗ trợ cả động cơ không đồng bộ (AM) và động cơ đồng bộ (SM).
Tuy nhiên, để khai thác hết tiềm năng của một thiết bị công nghệ cao, việc cài đặt biến tần INVT GD27 đúng quy trình kỹ thuật là yếu tố then chốt. Việc thiết lập thông số chính xác không chỉ giúp hệ thống vận hành ổn định, tăng tuổi thọ động cơ mà còn giúp tối ưu hóa điện năng tiêu thụ trong các ứng dụng như máy chế biến gỗ, ngành dệt may, thực phẩm, in ấn hay các hệ thống vận chuyển hậu cần.
Xem ngay bài viết để biết cách cài đặt biến tần và có cơ hội tham gia khóa học biến tần miễn phí!
1. Chuẩn bị trước khi cài đặt biến tần INVT GD27
Trước khi cấp nguồn, cần kiểm tra kỹ lưỡng sẽ giúp bạn tránh được các sự cố cháy nổ hoặc hư hỏng thiết bị:
Kiểm tra nhãn động cơ
Sau khi có các thông số định mức của động cơ, tiến hành ghi chú lại để nhập các thông số đó vào trong biến tần ở bước sau:
- Công suất (kW): P
- Điện áp (V) : U
- Dòng điện (A): I
- Tần số (Hz): f
- Tốc độ (vòng/phút): n
Sơ đồ đấu nối mạch lực
Nguồn vào cấp vào chân R, S, T, các chân U, V, W sẽ nối vào động cơ. Lưu ý: Không được đấu nhầm nguồn vào chân U, V, W vì sẽ gây nổ công suất.

Sơ đồ ngỏ terminal:
Trong đó:
- R/L, S, T/N: ngỏ vào AC, R/S/T – ngỏ vào 3 pha, L/N – ngỏ vào 2 pha.
- U,V,W: ngỏ ra 3 pha của biến tần, cấp điện cho động cơ.
- PB, (+): Dùng để đấu điện trở hãm ngoài.
- (+), (–): Cực dương / âm của DC Bus, dùng khi đấu song song biến tần.
- ⏚: Là chân tiếp địa an toàn của biến tần
Các bước đấu nối
Bước 1:Nối dây tiếp địa màu vàng – xanh của cáp nguồn đầu vào vào cọc tiếp địa của biến tần (VFD), sau đó đấu cáp nguồn 3 pha vào các đầu R, S, T và siết chặt các đầu nối.
Bước 2: Nối dây tiếp địa màu vàng – xanh của cáp động cơ vào đầu nối PE của biến tần, sau đó đấu cáp động cơ 3 pha vào các đầu U, V, W và siết chặt các đầu nối.
Bước 3: Nối các thiết bị tùy chọn như điện trở hãm (kèm theo cáp kết nối) vào các vị trí đầu nối được chỉ định trên biến tần.
Bước 4: Cố định cơ khí toàn bộ các cáp bên ngoài biến tần (nếu điều kiện lắp đặt cho phép) để đảm bảo chắc chắn và an toàn.
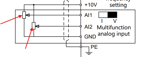
Sơ đồ mạch điều khiển
Nếu sử dụng nút nhấn ngoài hoặc biến trở, hãy đấu nối vào các chân S1, S2, S3, S4, COM và chân AI1, AI2, +10V, GND.
2. Cài đặt về thông số mặc định
Để loại bỏ các cài đặt cũ từ những lần vận hành trước, bạn nên đưa biến tần về trạng thái xuất xưởng:
- Truy cập mã: P00.18
- Giá trị cài đặt: 1 (Khôi phục cài đặt gốc).
- Lưu ý: Sau khi Reset, các thông số bạn đã cài trước đó sẽ biến mất hoàn toàn.
3. Nhập thông số động cơ & thực hiện Auto-tuning
Đây là bước quan trọng nhất đối với dòng GD27 để tối ưu hóa khả năng điều khiển vector.
Bước 1: Nhập thông số tại nhóm P02:
- P02.01: Công suất định mức (kW).
- P02.02: Tần số định mức (Hz).
- P02.03: Tốc độ định mức (Vòng/phút).
- P02.04: Điện áp định mức (V).
- P02.05: Dòng điện định mức (A).
Bước 2: Auto-tuning (Dò thông số tự động):
- P00.15 = 1: Tuning tĩnh (Dùng khi không thể tháo tải khỏi động cơ).
- P00.15 = 2: Tuning động (Khuyên dùng – yêu cầu tháo tải để động cơ quay tự do, độ chính xác cao nhất).
- Sau khi nhấn RUN, biến tần sẽ tự đo các thông số nội trở động cơ để điều khiển mượt mà nhất.
4. Cài đặt các thông số vận hành cơ bản
Sau khi động cơ đã được “nhận diện”, bạn cần cài đặt cách thức điều khiển:
Lệnh chạy (Run Command): P00.01
- 0: Chạy bằng bàn phím.
- 1: Chạy bằng terminal (công tắc ngoài). Tín hiệu thường dùng là S1 hoặc S2 kết nối với COM.
Nguồn đặt tần số (Frequency Source): P00.06
- 0: Chỉnh bằng bàn phím.
- 2: Chỉnh bằng biến trở ngoài (AI1 hoặc AI2).
Cài đặt giới hạn tần số:
- P00.03: Tần số ngỏ ra lớn nhất(MAX). Thông số này được sử dụng để đặt tần số ngõ ra lớn nhất của biến tần. Giá trị này phải lớn hơn hoặc bằng tần số định mức của motor.
- P00.04: Giới hạn trên của tần số chạy. Giá trị tần số này có thể nhỏ hơn hoặc bằng tần số Max. Dải cài đặt: P0.05~P0.03.
- P00.05: Giới hạn dưới của tần số chạy. Giá trị tần số này có thể nhỏ hơn tần số giới hạn trên. Dải cài đặt: 0.00Hz~P0.04.
Thời gian tăng/giảm tốc:
- P00.11: Thời gian tăng tốc (s). Đây là thời gian để biến tần tăng tốc từ 0 Hz lên tần số MAX (P00.03)
- P00.12: Thời gian giảm tốc (s). Đây là thời gian để biến tần giảm tốc từ tần số MAX (P00.03) về 0 Hz
5. Bảng mã lỗi thường gặp và cách xử lý nhanh
| Mã lỗi | Ý nghĩa | Cách xử lý nhanh |
| E4/E5/E6 | Quá dòng | Kiểm tra tải, tăng thời gian tăng tốc, kiểm tra chạm chập. |
| E7/E8/E9 | Quá điện áp | Kiểm tra điện áp nguồn hoặc lắp thêm điện trở xả. |
| E10 | Thấp áp | Kiểm tra nguồn điện cấp vào có bị sụt áp không. |
| E11/E12 | Quá tải | Kiểm tra cơ cấu máy có bị kẹt hoặc động cơ quá nhỏ so với tải. |
Xem thêm các mã lỗi tại đây
Tài liệu kỹ thuật
Kết luận
Việc cài đặt đúng kỹ thuật ngay từ đầu cho dòng biến tần cao cấp như INVT GD27 không chỉ giúp hệ thống vận hành ổn định, đạt hiệu suất tối đa mà còn là yếu tố tiên quyết để bảo vệ động cơ và kéo dài tuổi thọ cho thiết bị. Hy vọng với quy trình 5 bước “Nhanh và Chính xác” mà Tự động hóa toàn cầu vừa chia sẻ, bạn đã có thể tự tin làm chủ và đưa thiết bị vào hoạt động một cách hiệu quả nhất.
Tuy nhiên, thế giới tự động hóa còn rất nhiều kiến thức chuyên sâu về tối ưu hóa thuật toán và tích hợp hệ thống phức tạp. Để hỗ trợ anh em kỹ thuật, hằng năm, công ty Tự động hóa toàn cầu đều tổ chức các khóa học miễn phí dạy cài đặt biến tần các hãng phổ biến .
🎁 QUÀ TẶNG ĐẶC BIỆT TỪ TỰ ĐỘNG HÓA TOÀN CẦU
Những hướng dẫn trên giúp bạn vận hành GD27 ở mức cơ bản. Tuy nhiên, để làm chủ các ứng dụng phức tạp hơn như PID, truyền thông Modbus/Profinet, đồng bộ tốc độ nhiều động cơ, hay xử lý các hệ thống tự động hóa chuyên sâu…
Để hỗ trợ anh em kỹ thuật, công ty Tự động hóa toàn cầu hằng năm đều tổ chức các khóa học miễn phí dạy cài đặt biến tần của các hãng biến tần phổ biến trên thế giới.
Khi tham gia khóa học sẽ được:
- Thực hành trực tiếp trên thiết bị thực tế, nhận tài liệu độc quyền và sự hỗ trợ nhiệt tình từ đội ngũ chuyên gia.
- Được trợ giá cho các thiết bị thực hành.
- Chi phí: Hoàn toàn ” free “, không tốn thêm một chút chi phí phát sinh nào.
👉Theo dõi các kênh truyền thông của công ty để nắm bắt thông tin và có thể đăng kí tham gia khóa học sớm nhất ( số lượng người đăng kí có hạn! )
- Website: tudonghoatoancau.com
- Fanpage facebook: Facebook – Congtytudonghoatoancau
- Youtube: Youtube – @TuDongHoaToanCau
Giải pháp biến tần Shihlin – Dịch vụ vượt trội
Một sản phẩm tốt cần đi cùng một chính sách hậu mãi đủ mạnh để khách hàng yên tâm sử dụng. Biến tần Shihlin, lợi thế không chỉ nằm ở thiết bị mà còn nằm ở cách Tự Động Hóa Toàn Cầu đồng hành cùng khách hàng sau bán hàng.
Doanh nghiệp được hưởng các chính sách dịch vụ vượt trội nổi bật như:
-
- Bảo hành toàn diện lên tới 3 năm, hỗ trợ khách hàng yên tâm hơn trong quá trình vận hành.
- Miễn phí lắp đặt trong bán kính 60km, giảm áp lực chi phí triển khai ban đầu.
- Đào tạo kỹ thuật 1-1 miễn phí, giúp đội ngũ vận hành làm chủ thiết bị nhanh hơn.
- Hỗ trợ kỹ thuật tận tâm, phù hợp với doanh nghiệp cần xử lý nhanh, hạn chế thời gian dừng máy.

Liên hệ ngay với chúng tôi để nhận bảng giá chiết khấu hấp dẫn và trải nghiệm sự khác biệt từ Shihlin!
Quý khách vui lòng Click Zalo liên hệ báo giá, đội ngũ Kinh Doanh của chúng tôi sẽ gửi bảng giá biến tần Shihlin cùng dịch vụ hậu mãi và mức chiết khấu tốt nhất cho từng quý khách hàng.









Zalo Miền Bắc
