Tổng hợp tài liệu biến tần Omron: Catalog, Manual tiếng Việt 3G3MX2, 3G3JX, bảng mã lỗi. Hướng dẫn cài đặt Modbus & Giải pháp thay thế tối ưu chi phí.
Giới thiệu
Trong hệ sinh thái tự động hóa công nghiệp, Omron là một “gã khổng lồ” thực sự với thế mạnh tuyệt đối về Cảm biến, PLC và Relay. Tuy nhiên, ở mảng Biến tần, câu chuyện lại mang nhiều màu sắc thú vị mà chỉ những người làm nghề lâu năm mới thấu hiểu.
Thực tế, đa số các dòng biến tần Omron phổ biến tại Việt Nam (như 3G3JX, 3G3MX2, 3G3RX) đều có “họ hàng” rất gần với biến tần Hitachi, trong khi các dòng cũ hơn (như 3G3JV, 3G3MV) lại mang gen của Yaskawa. Điều này tạo nên sự bền bỉ, tính ổn định “nồi đồng cối đá” đặc trưng của Nhật Bản, nhưng cũng đồng nghĩa với mức giá luôn nằm ở phân khúc cao cấp nhất.
Bài viết này của Tự Động Hóa Toàn Cầu không chỉ cung cấp Catalog hay Manual đơn thuần. Chúng tôi sẽ đi sâu phân tích kỹ thuật, hướng dẫn cài đặt chuyên sâu và “bắt bệnh” các lỗi thường gặp của biến tần Omron để bạn làm chủ thiết bị này.
I. Tổng quan các dòng biến tần Omron thông dụng
Việc nhận diện đúng mã sản phẩm là bước đầu tiên để tìm kiếm tài liệu và linh kiện sửa chữa chính xác.
1. Dòng 3G3MX2 – “Vua” biến tần đa năng
Đây là dòng sản phẩm thành công nhất của Omron, tương đương với dòng WJ200 của Hitachi.
- Dải công suất: 0.1kW – 15kW.
- Đặc điểm: Điều khiển Vector dòng hở (Sensorless Vector), momen khởi động 200% ở 0.5Hz. Tích hợp sẵn chức năng Safety (STO) và khả năng lập trình Drive Programming (giống PLC đơn giản).
- Ứng dụng: Máy đóng gói, máy dệt, thang nâng hàng, băng tải tốc độ cao.
2. Dòng 3G3JX – Giải pháp nhỏ gọn, tiết kiệm
Dòng biến tần cơ bản, thiết kế nhỏ gọn, tương đương với Hitachi NE-S1.
- Dải công suất: 0.2kW – 7.5kW.
- Đặc điểm: Tích hợp bộ lọc nhiễu sóng vô tuyến (RFI Filter), chức năng tiết kiệm năng lượng tự động, giao diện đơn giản.
- Ứng dụng: Quạt thông gió, bơm nước nhỏ, cửa tự động.
3. Dòng 3G3RX / 3G3RX2 – Dòng tải nặng công nghiệp
Dòng biến tần hiệu suất cao cho các ứng dụng đòi hỏi momen xoắn lớn và độ chính xác cao.
- Dải công suất: Lên tới 132kW (và cao hơn).
- Đặc điểm: Điều khiển Vector vòng kín (Closed Loop), Momen xoắn cực đại ở 0Hz, hỗ trợ nhiều chuẩn truyền thông (EtherCAT, CompoNet).
- Ứng dụng: Cẩu trục, máy ép nhựa, máy đùn, máy cuốn dây.
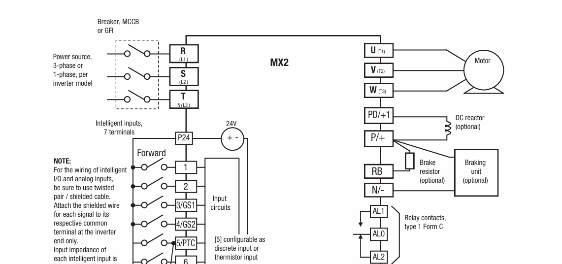
II. Hướng dẫn đấu nối & Cài đặt Biến tần Omron (Dòng 3G3MX2)
Biến tần Omron có cấu trúc tham số chia thành các nhóm: d, F, A, b, C.
1. Sơ đồ đấu nối & Lưu ý về Sink/Source
Một điểm cực kỳ quan trọng trên biến tần Omron mà các thợ mới thường bỏ qua là Switch gạt chọn chế độ Sink/Source (PLC logic).
- Đấu nối động lực:
- Nguồn vào: R/L1, S/L2, T/L3.
- Động cơ: U/T1, V/T2, W/T3.
- Điện trở xả: Đấu vào chân P/+ và RB. (Lưu ý: Phải tháo thanh nối ngắn mạch giữa P/+ và +1 nếu dùng cuộn kháng DC, nhưng với điện trở xả thì giữ nguyên hoặc kiểm tra kỹ manual từng đời).
- Đấu nối điều khiển (Logic Sink – phổ biến ở VN):
- Đảm bảo Switch gạt trên biến tần đang ở vị trí SINK (hoặc SR).
- Chân chung tín hiệu: chân P24.
- Lệnh chạy thuận: Đấu công tắc giữa chân 1 và P24.
- Lệnh chạy nghịch: Đấu công tắc giữa 2 và P24.
- Biến trở: Chân H (10V), O (Input), L (GND/0V).
2. Cài đặt các thông số cơ bản
Sử dụng phím Mode để chuyển đổi giữa các nhóm hàm.
| Chức năng | Mã tham số | Giá trị | Giải thích chi tiết |
| Reset mặc định | b084 | 02 | Khôi phục thông số gốc (Initialize). Sau khi chọn 02, cần vào b180 chọn 01 để thực thi. |
| Nguồn lệnh tần số | A001 | 02: Biến trở trên mặt
01: Terminal (Biến trở ngoài) 00: Digital Operator (Phím) |
Quy định cách chỉnh tốc độ nhanh/chậm. |
| Nguồn lệnh chạy | A002 | 01: Terminal (Công tắc ngoài)
02: Phím RUN trên mặt |
Quy định cách kích hoạt chạy/dừng. |
| Tần số cơ sở | A003 | 50.0 (Hz) | Tần số định mức ghi trên tem động cơ. |
| Tần số Max | A004 | 50.0 – 60.0 (Hz) | Giới hạn tốc độ tối đa cho phép. |
| Thời gian Tăng tốc | F002 | 10.00 (s) | Thời gian từ 0Hz lên A004. |
| Thời gian Giảm tốc | F003 | 10.00 (s) | Thời gian từ A004 về 0Hz. |
| Dòng định mức | b012 | Nhập số (A) | Cài đặt dòng bảo vệ quá tải. |
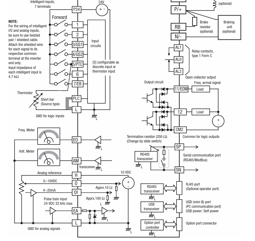
3. Hướng dẫn cài đặt Truyền thông Modbus (RS485)
Biến tần Omron thường được kết nối với PLC Omron (CP1E, CP1H…) qua chuẩn Modbus RTU. Đây là cách cài đặt chuẩn:
- Đấu nối: Chân SP và SN trên biến tần đấu vào chân A+ và B- của PLC. Nhớ gạt Switch điện trở đầu cuối (Terminator) nếu biến tần nằm cuối mạng.
- Cài đặt tham số truyền thông (Nhóm C):
- C071 (Tốc độ Baud): 04 (9600 bps) – Phải trùng với PLC.
- C072 (Địa chỉ trạm): 1 .
- C074 (Parity): 00 (No parity) hoặc 01 (Even).
- C075 (Stop bit): 1.
- Thay đổi quyền điều khiển:
- Set A001 = 03 (Tần số qua Modbus).
- Set A002 = 03 (Lệnh chạy qua Modbus).
TÀI LIỆU KỸ THUẬT (DOWNLOAD):
| Dòng sản phẩm | 3G3MX2 | 3G3JX | 3G3RX |
| Catalogue | Download | Download | Download |
| Manual | Download | Download | Download |
| Hướng dẫn Tiếng Việt | Đang update… | Download | Đang update |
III. Bảng mã lỗi Biến tần Omron & Quy trình xử lý sự cố
Omron (giống Hitachi) sử dụng mã lỗi dạng Exx. Dưới đây là bảng phân tích chi tiết các lỗi “khó chịu” nhất và cách xử lý triệt để.
| Mã lỗi | Tên lỗi | Nguyên nhân sâu xa | Giải pháp khắc phục |
| E01 – E04 | Quá dòng (Over Current) | – Ngắn mạch pha-pha hoặc pha-đất.
– IGBT bị hỏng (chết công suất). – Tải bị kẹt cứng đột ngột. |
– Tháo dây motor, đo nguội IGBT (đo Diode) xem có chết không.
– Quay tay motor kiểm tra ổ bi. – Nếu không tải vẫn báo E01 -> Hỏng Mainboard/Công suất. |
| E05 | Quá tải (Overload Protection) | – Motor hoạt động quá dòng định mức trong thời gian dài (theo đường cong nhiệt). | – Kiểm tra tải cơ khí.
– Tăng thông số thời gian tăng tốc F002. – Cài lại thông số dòng motor b012. |
| E07 | Quá áp (Over Voltage) | – Điện áp lưới > 440V (với loại 3 pha).
– Motor biến thành máy phát khi bị tải kéo (thang máy đi xuống, quạt quay theo đà). |
– Kiểm tra điện áp đầu vào.
– Lắp thêm Điện trở xả (Braking Resistor). – Tăng thời gian giảm tốc F003. |
| E14 | Chạm đất (Ground Fault) | – Dây dẫn hoặc cuộn dây motor bị rò điện ra vỏ.
– Độ ẩm môi trường quá cao làm giảm cách điện. |
– Dùng đồng hồ Megomet kiểm tra cách điện dây và motor.
– Sấy khô motor nếu bị ẩm. |
| E30 | Lỗi Driver | – Mạch bảo vệ quá dòng tức thời phát hiện bất thường từ IGBT. | – Thường do nhiễu nặng hoặc hỏng IGBT. Kiểm tra tiếp địa và dây chống nhiễu. |
Mẹo kỹ thuật: Khi biến tần Omron báo lỗi, bạn có thể xem lịch sử lỗi chi tiết (dòng điện, điện áp, tần số tại thời điểm xảy ra lỗi) trong nhóm hàm d081 đến d086. Điều này cực kỳ hữu ích để chẩn đoán nguyên nhân.
IV. Tại sao Biến tần Omron đắt nhưng vẫn được dùng?
Không thể phủ nhận Omron là dòng biến tần có giá thành rất cao, thường gấp 2-3 lần các dòng biến tần Trung Quốc và cao hơn cả một số dòng Hàn Quốc. Vậy tại sao các nhà máy vẫn dùng?
- Độ tin cậy tuyệt đối: Linh kiện bên trong Omron được tuyển chọn cực kỳ khắt khe (Tụ Nhật, IGBT Infineon/Mitsubishi loại 1). Chúng có thể hoạt động 10 năm liên tục trong môi trường khắc nghiệt mà không “hắt hơi sổ mũi”.
- Hệ sinh thái đồng bộ: Khi nhà máy đã dùng PLC Omron, màn hình HMI Omron, việc dùng thêm biến tần Omron giúp việc kết nối và lập trình trở nên “Plug & Play”, giảm thiểu rủi ro xung đột truyền thông.
- Tính năng an toàn: Các dòng như MX2 tích hợp sẵn chuẩn an toàn ISO 13849-1, đáp ứng các tiêu chuẩn xuất khẩu máy sang Châu Âu/Mỹ.
TUY NHIÊN…
Đối với các ứng dụng nâng cấp, thay thế lẻ hoặc các dự án chế tạo máy cần cạnh tranh về giá tại thị trường Việt Nam, việc sử dụng Omron là một gánh nặng chi phí cực lớn.
- Thời gian đặt hàng của Omron hiện nay khá lâu (8-12 tuần cho các mã hiếm).
- Chi phí sửa chữa khi hết bảo hành rất cao.
V. Giải pháp thay thế: Tối ưu chi phí mà không hy sinh chất lượng
Nếu bạn đang tìm một dòng biến tần có thể thay thế Omron với tiêu chí: “Chất lượng 9/10 nhưng giá chỉ 5/10”, hãy cân nhắc Biến tần Shihlin.
Đây không phải là lời quảng cáo sáo rỗng, mà là sự so sánh kỹ thuật dựa trên thực tế:
So sánh trực diện vs OMRON
- Khả năng vận hành: Shihlin sử dụng công nghệ Vector Control tiên tiến, cho momen khởi động và độ êm ái tương đương 95% so với Omron 3G3MX2 trong các ứng dụng bơm, quạt, băng tải thông thường.
- Độ bền linh kiện: Shihlin cũng sử dụng IGBT của Infineon (Đức) – cùng nhà cung cấp linh kiện bán dẫn với các hãng lớn. Bo mạch được phủ keo chống ẩm dày, thích hợp khí hậu nóng ẩm Việt Nam.
- Tính sẵn có: Trong khi chờ Omron nhập khẩu mất 2 tháng,Shihlin luôn có sẵn tại kho Tự Động Hóa Toàn Cầu với dải công suất đầy đủ.
- Chính sách bảo hành: Omron bảo hành 12 tháng theo tiêu chuẩn hãng.Shihlin được chúng tôi bảo hành 36 tháng (3 năm) – Một lời cam kết thép về chất lượng.
Gói “Dịch vụ vượt trội” độc quyền từ GAC tại thị trường Việt Nam:
-
Bảo hành toàn diện lên đến 3 năm:
Cam kết bảo hành cho toàn bộ lỗi kỹ thuật phát sinh, đảm bảo doanh nghiệp vận hành ổn định và yên tâm trong suốt vòng đời thiết bị. -
Miễn phí lắp đặt trong phạm vi 60 km:
Đội ngũ kỹ sư giàu kinh nghiệm triển khai nhanh chóng, hỗ trợ kịp thời và sẵn sàng đồng hành 24/7 khi khách hàng cần. -
Đào tạo kỹ thuật 1–1 hoàn toàn miễn phí:
Hướng dẫn trực tiếp trên thiết bị thực tế, giúp kỹ thuật viên nắm chắc công nghệ, khai thác tối đa hiệu suất và hạn chế rủi ro vận hành.


Xem thêm: Các dòng sản phẩm biến tần Shihlin – tại đây
Với hơn 70 năm xây dựng và phát triển thương hiệu, cùng khả năng thay thế tương thích linh hoạt các dòng biến tần phổ biến như Mitsubishi, LS, Delta và Omron,.. Shihlin không chỉ đơn thuần là giải pháp điều khiển tốc độ động cơ, mà còn là lựa chọn chiến lược giúp doanh nghiệp tối ưu chi phí đầu tư, nâng cao hiệu suất vận hành và đảm bảo tính ổn định, bền vững cho toàn bộ hệ thống sản xuất.
Quý khách vui lòng liên hệ Công ty Cổ phần Tự động hóa Toàn Cầu (GAC) để nhận bảng giá ưu đãi cùng nhiều chương trình quà tặng hấp dẫn từ thương hiệu Shihlin.
Ngay khi tiếp nhận yêu cầu báo giá, đội ngũ Kinh doanh GAC sẽ nhanh chóng cung cấp bảng giá biến tần Shihlin chi tiết, đi kèm chính sách hậu mãi rõ ràng và mức chiết khấu tối ưu, phù hợp với từng quy mô doanh nghiệp và nhu cầu ứng dụng thực tế.







Zalo Miền Bắc