Tài liệu biến tần Lenze đầy đủ nhất 2026: Catalog, Manual, hướng dẫn cài đặt và bảng mã lỗi chi tiết. Phân tích ưu nhược điểm và giải pháp thay thế tối ưu chi phí cho nhà máy.
1. Giới thiệu chung về Biến tần Lenze – Đỉnh cao công nghệ Đức
Trong ngành công nghiệp tự động hóa, khi nhắc đến độ chính xác và khả năng điều khiển chuyển động (Motion Control) phức tạp, biến tần Lenze luôn là cái tên được các kỹ sư thiết kế máy ưu tiên hàng đầu. Xuất xứ từ Đức, Lenze nổi tiếng với các giải pháp Drive-based Automation, cung cấp khả năng đồng bộ tốc độ, điều khiển lực căng (Torque control) và định vị vị trí cực kỳ chính xác.
Tuy nhiên, với đặc thù là dòng thiết bị cao cấp Châu Âu, việc tìm kiếm tài liệu kỹ thuật tiếng Việt (Catalog, Manual) chi tiết cho biến tần Lenze thường gặp nhiều khó khăn. Đa phần tài liệu đều là tiếng Anh chuyên ngành sâu, gây trở ngại cho đội ngũ bảo trì tại các nhà máy Việt Nam khi gặp sự cố dừng máy.
Bài viết này được biên soạn dựa trên kinh nghiệm thực chiến hơn 10 năm xử lý các lỗi biến tần tại thị trường Việt Nam. Chúng tôi sẽ cung cấp cho bạn cái nhìn tổng quan, hướng dẫn cài đặt dòng phổ biến nhất, tra cứu mã lỗi và đặc biệt là phân tích tính thực tế khi sử dụng thiết bị này trong môi trường sản xuất hiện nay.
2. Tổng quan các dòng biến tần Lenze thông dụng trên thị trường
Lenze sở hữu hệ sinh thái sản phẩm rất rộng, từ biến tần cơ bản đến các bộ Servo Drive phức tạp. Dưới đây là các dòng biến tần Lenze phổ biến nhất mà bạn thường gặp trong các dây chuyền dệt may, bao bì, và in ấn.
2.1. Lenze i500 Series (i510, i550) – Thế hệ biến tần mới
Đây là dòng biến tần hiện đại nhất của Lenze, được thiết kế theo dạng module (gồm Power Unit và Control Unit).
- Dải công suất: 0.25 kW đến 132 kW.
- Đặc điểm: Thiết kế cực kỳ nhỏ gọn (Compact), hỗ trợ đa dạng chuẩn truyền thông như EtherCAT, PROFINET, CANopen, Modbus.
- Ứng dụng: Băng tải, máy bơm, quạt, máy cuốn dây. Dòng i550 có khả năng chịu quá tải tốt và tích hợp sẵn chức năng an toàn.
2.2. Lenze 8400 Series (BaseLine, StateLine, HighLine, TopLine)
Trước khi dòng i500 ra đời, 8400 Series là “xương sống” của Lenze.
- Phân cấp:
- BaseLine: Cho ứng dụng cơ bản, băng tải đơn giản.
- StateLine: Có thêm tính năng quản lý phanh, dùng cho nâng hạ nhẹ.
- HighLine & TopLine: Tích hợp khả năng định vị và đồng bộ trục.
- Ưu điểm: Độ bền cao, hoạt động ổn định trong môi trường khắc nghiệt.
2.3. Lenze 8200 Vector & 9300 Servo Inverter (Dòng Legacy)
Mặc dù đã ngưng sản xuất (Discontinued) hoặc chuyển sang chế độ hạn chế, nhưng số lượng máy móc cũ nhập khẩu về Việt Nam sử dụng dòng này vẫn rất lớn.
- 8200 Vector: Nổi tiếng với khả năng lắp ghép dạng module, dễ dàng thay đổi card truyền thông.
- 9300 Vector: Dòng lai giữa biến tần và Servo, chuyên trị các bài toán cam điện tử, dao cắt bay, đồng bộ tốc độ chính xác cao.
3. Hướng dẫn Đấu nối & Cài đặt Biến tần Lenze (Dòng i550 phổ biến nhất)
Việc cài đặt biến tần Lenze có thể thực hiện qua Keypad (bàn phím rời) hoặc phần mềm Lenze EASY Starter trên máy tính. Dưới đây là hướng dẫn kỹ thuật cho dòng i550 – dòng đang dần thay thế các thế hệ cũ.
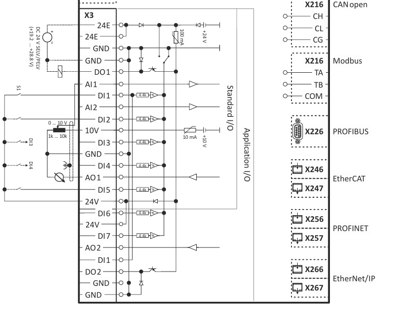
3.1. Sơ đồ đấu nối động lực và điều khiển
Để đảm bảo an toàn và chống nhiễu, bạn cần tuân thủ nghiêm ngặt sơ đồ sau:
- Phần động lực (Power Terminal):
- L1, L2, L3: Cấp nguồn vào 3 pha 380V (hoặc L/N cho dòng 1 pha 220V). Lưu ý tuyệt đối không cấp nhầm nguồn 380V vào biến tần 220V, sẽ gây nổ tụ và IGBT ngay lập tức.
- U, V, W: Đấu ra động cơ.
- PE (Tiếp địa): Bắt buộc phải đấu tiếp địa để triệt tiêu dòng rò và bảo vệ bo mạch điều khiển khỏi nhiễu tần số cao.
- Rb1, Rb2: Chân đấu điện trở xả (Braking Resistor). Cần thiết cho các ứng dụng có quán tính lớn hoặc chu kỳ dừng nhanh.

- Phần điều khiển (Control Terminal – X3):
- DI1 (Start/Stop): Chân kích chạy/dừng (Enable).
- DI2 – DI5: Các chân đa chức năng (Reset lỗi, chạy Jog, đảo chiều).
- AI1/AI2: Chân nhận tín hiệu Analog (0-10V hoặc 4-20mA) để điều chỉnh tốc độ.
- GND: Chân chung cho tín hiệu điều khiển (0V).
Mẹo kỹ thuật: Đối với biến tần Lenze, cáp điều khiển nên sử dụng loại cáp có bọc chống nhiễu (Shielded cable) và chỉ nối đất một đầu của lớp bọc để tránh hiện tượng vòng lặp nhiễu (Ground loop).
3.2. Quy trình cài đặt thông số cơ bản
Sử dụng Keypad hoặc Module WLAN để cài đặt. Dưới đây là các nhóm tham số quan trọng cần thiết lập để máy chạy:
- Bước 1: Reset về mặc định nhà sản xuất (Factory Reset)
- Vào tham số PAR700/001, chọn giá trị 1. Đợi màn hình hiển thị “RDY” (Ready).
- Bước 2: Cài đặt thông số động cơ (Motor Data)
- PAR 320/007: Điện áp định mức động cơ (V) – Xem trên nhãn động cơ.
- PAR 320/005: Tần số định mức (Hz) – Thường là 50Hz.
- PAR 323: Dòng điện định mức (A).
- PAR 320/004: Tốc độ định mức (RPM).
- Lưu ý: Sau khi nhập xong, nên thực hiện chức năng Motor Identification (Dò thông số động cơ) ở tham số PAR 327/04 để biến tần tự động đo điện trở dây quấn, giúp điều khiển chính xác hơn.
- Bước 3: Cài đặt chế độ điều khiển (Control Mode)
- PAR 300: Chọn chế độ điều khiển.
- 6: V/f control (Dùng cho bơm, quạt, băng tải thường).
- 4: Vector control sensorless (Dùng cho tải nặng, cần momen khởi động lớn).
- PAR 300: Chọn chế độ điều khiển.
- Bước 4: Cài đặt lệnh chạy và tần số
- PAR 200 (Control source): Chọn nguồn lệnh chạy (Terminal/Keypad).
- PAR 201/001 (Frequency source): Chọn nguồn đặt tốc độ (AI1, AI2, Keypad…).
- Bước 5: Thời gian tăng/giảm tốc
- PAR 220: Thời gian tăng tốc (Acceleration time).
- PAR 221: Thời gian giảm tốc (Deceleration time).
3.3.TÀI LIỆU KỸ THUẬT (DOWNLOAD)
| Dòng sản phẩm | i550 | 8400 | 8200 |
| Catalogue | Download | Download | Download |
| Manual | Download | Download | Download |
| Hướng dẫn Tiếng Việt | Đang update… | Đang update… | Đang update… |
4. Bảng mã lỗi Biến tần Lenze & Quy trình xử lý sự cố
Biến tần Lenze có hệ thống chẩn đoán lỗi rất chi tiết. Dưới đây là bảng mã lỗi thường gặp trên các dòng 8400 và i500, cùng hướng xử lý thực tế.
| Mã Lỗi (Hiển thị) | Tên Lỗi | Nguyên nhân có thể | Hướng dẫn khắc phục |
| Motor shorted | Short Circuit (Ngắn mạch) | Chập pha đầu ra, chạm vỏ động cơ, hỏng cáp motor. | Kiểm tra cách điện động cơ (Megger). Kiểm tra dây cáp. Nếu tháo motor ra vẫn báo, IGBT đã hỏng. |
| DC Bus OV | Quá áp DC Bus | Điện áp nguồn vào quá cao, hoặc động cơ bị tải kéo (thang máy đi xuống) sinh ra điện áp ngược. | Kiểm tra điện áp lưới. Tăng thời gian giảm tốc. Lắp thêm điện trở xả. |
| DC Bus UV | Thấp áp | Mất pha đầu vào, sụt áp lưới điện, hỏng mạch khởi động mềm (Contactor bypass). | Đo điện áp 3 pha đầu vào. Kiểm tra cầu chì. |
| Heatsink fan | Quá nhiệt Heatsink | Quạt làm mát hỏng, bụi bẩn bám nhiều, nhiệt độ môi trường quá cao. | Vệ sinh biến tần, thay quạt làm mát, kiểm tra thông gió tủ điện. |
| Comm. faulty. | Communication Error | Lỗi truyền thông (CAN, EtherCAT). | Kiểm tra cáp mạng, kiểm tra địa chỉ (Node ID) và tốc độ Baud rate. Kiểm tra điện trở đầu cuối (Terminating Resistor). |
| Motor overload | Quá tải động cơ | Động cơ bị kẹt cơ khí, chọn biến tần công suất nhỏ hơn tải thực tế. | Kiểm tra phần cơ khí (hộp số, băng tải). Kiểm tra dòng điện lúc chạy. |
Quy trình kiểm tra nhanh khi gặp sự cố:
- Quan sát: Màn hình báo lỗi gì? Đèn trạng thái (LED) màu đỏ hay xanh nhấp nháy?
- Đo nguội: Ngắt nguồn, dùng đồng hồ vạn năng đo Diode và IGBT (Chân R, S, T với P, N và U, V, W với P, N).
- Kiểm tra ngoại vi: Đo điện áp nguồn, kiểm tra tín hiệu dây điều khiển xem có bị lỏng hoặc đứt ngầm không.
5. Tại sao Biến tần Lenze tốt nhưng chưa chắc đã phù hợp với bạn?
Không thể phủ nhận biến tần Lenze là một thiết bị tuyệt vời về mặt công nghệ. Tuy nhiên, dưới góc độ của một người quản lý kỹ thuật hoặc chủ doanh nghiệp tại Việt Nam, bạn cần cân nhắc những yếu tố sau trước khi quyết định đầu tư mới hoặc thay thế:
5.1. Nhược điểm về Chi phí và Thời gian
- Giá thành rất cao: So với các dòng biến tần Nhật Bản hay Đài Loan cùng phân khúc, giá của Lenze thường cao hơn từ 30-50%.
- Thời gian đặt hàng lâu: Hàng không phải lúc nào cũng có sẵn. Nếu nhà máy của bạn dừng hoạt động và cần biến tần thay thế ngay, việc chờ nhập hàng 4-8 tuần là điều không thể chấp nhận được.
- Phụ kiện đắt đỏ: Cáp kết nối, giắc cắm, bàn phím (Keypad) thường phải mua riêng và giá không hề rẻ.
5.2. Phức tạp trong vận hành
Lenze được thiết kế cho các kỹ sư chuyên nghiệp. Phần mềm Engineer hay Easy Starter rất mạnh nhưng giao diện phức tạp, đòi hỏi người dùng phải có kiến thức sâu. Việc cài đặt nhanh (Quick setup) khó khăn hơn so với các dòng biến tần châu Á.
5.3. Định hướng giải pháp thay thế: Biến tần Shihlin (Công nghệ Mitsubishi)
Nếu bạn đang tìm kiếm một giải pháp thay thế cho Lenze với tiêu chí: Bền bỉ tương đương – Giá thành tốt hơn – Dễ sử dụng – Luôn có sẵn hàng, thì Biến tần Shihlin là lựa chọn số 1 hiện nay.
Tại sao tôi khuyên dùng Shihlin để thay thế cho biến tần Lenze?
- Gốc gác công nghệ: Shihlin là tập đoàn Đài Loan liên doanh và tiếp nhận công nghệ trực tiếp từ Nhật Bản( Khi Mitsubishi Electric là tập cổ đông lớn nhất của Shihlin với tỷ lệ sở hữu 21,16% ). Phần cứng và linh kiện công suất cực kỳ bền bỉ.
- Dải sản phẩm tương thích:
- Shihlin SC3/SS2: Thay thế hoàn hảo cho Lenze i510/8200 ở các ứng dụng tải nhẹ, băng tải, đóng gói.
- Shihlin SE3: Dòng tải nặng, điều khiển vòng kín, thay thế cho Lenze 8400 StateLine/HighLine cho các ứng dụng nâng hạ, máy ép, máy đùn.
- Shihlin SA3: Dòng cao cấp thay thế cho các ứng dụng cần độ chính xác cao.
- Lợi thế cạnh tranh:
- Giá thành chỉ bằng khoảng 40-50% so với Lenze.
- Giao diện tiếng Anh thân thiện, cấu trúc tham số giống hệt Mitsubishi, cực kỳ dễ cài đặt.
- Hàng luôn có sẵn tại kho Tự Động Hóa Toàn Cầu với công suất lên tới 200kW.
6. Kết luận và Lời khuyên chuyên gia
Biến tần Lenze là lựa chọn tốt cho các hệ thống đồng bộ nhập khẩu nguyên chiếc từ Châu Âu. Tuy nhiên, trong quá trình bảo trì, sửa chữa hoặc nâng cấp máy móc tại Việt Nam, việc phụ thuộc vào một dòng thiết bị khó mua và đắt đỏ là một rủi ro lớn cho sản xuất.
Việc nắm rõ quy trình cài đặt và bảng mã lỗi của Lenze giúp bạn chủ động xử lý sự cố. Nhưng hãy luôn chuẩn bị cho mình một phương án “Back-up” hiệu quả. Chuyển đổi sang Biến tần Shihlin không chỉ giúp doanh nghiệp tiết kiệm hàng trăm triệu đồng chi phí vật tư mỗi năm mà còn đảm bảo tiến độ sản xuất nhờ nguồn hàng dồi dào trong nước.
Gói “Dịch vụ vượt trội” độc quyền từ GAC tại thị trường Việt Nam:
- Bảo hành toàn diện lên đến 3 năm:
Bảo đảm xử lý mọi sự cố kỹ thuật phát sinh trong suốt thời gian bảo hành, giúp doanh nghiệp an tâm vận hành hệ thống ổn định và bền bỉ theo thời gian. - Miễn phí lắp đặt trong bán kính 60 km:
Đội ngũ kỹ sư chuyên môn cao triển khai nhanh gọn, hỗ trợ kịp thời tại hiện trường và luôn sẵn sàng hỗ trợ 24/7 khi khách hàng cần. - Đào tạo kỹ thuật 1–1 hoàn toàn miễn phí:
Hướng dẫn trực tiếp trên thiết bị thực tế, giúp kỹ thuật viên hiểu rõ nguyên lý, làm chủ công nghệ, khai thác tối đa hiệu suất và giảm thiểu rủi ro trong quá trình vận hành.


Xem thêm: Các dòng sản phẩm biến tần Shihlin – tại đây
Với hơn 70 năm xây dựng và phát triển, Shihlin đã khẳng định uy tín của một thương hiệu hàng đầu, đồng thời sở hữu khả năng thay thế tương thích linh hoạt cho nhiều dòng biến tần phổ biến trên thị trường như Mitsubishi, LS, Delta hay Omron. Không chỉ đơn thuần là thiết bị điều khiển tốc độ động cơ, biến tần Shihlin còn đóng vai trò như một giải pháp đầu tư chiến lược, giúp doanh nghiệp tối ưu chi phí, nâng cao hiệu suất vận hành và duy trì sự ổn định, bền vững cho toàn bộ hệ thống sản xuất.
Quý khách hàng vui lòng liên hệ Công ty Cổ phần Tự động hóa Toàn Cầu (GAC) để nhận báo giá ưu đãi cùng các chương trình khuyến mãi và quà tặng hấp dẫn từ thương hiệu Shihlin.
Ngay khi tiếp nhận thông tin, đội ngũ kinh doanh GAC sẽ nhanh chóng gửi bảng giá biến tần Shihlin chi tiết, đi kèm chính sách hậu mãi rõ ràng và mức chiết khấu cạnh tranh, được thiết kế linh hoạt theo từng quy mô doanh nghiệp và nhu cầu ứng dụng thực tế.
- Hotline Zalo: 0961.320.333






Zalo Miền Bắc
