Tổng hợp tài liệu biến tần Eaton (Moeller) M-Max, DC1, DA1 mới nhất 2026. Hướng dẫn cài đặt, tra cứu mã lỗi & phân tích nhược điểm. Giải pháp thay thế bằng biến tần Shihlin tối ưu chi phí.
1. Giới thiệu chung: Di sản Moeller và Thương hiệu Eaton
Trong giới kỹ thuật điện – tự động hóa, cái tên Eaton (sau khi mua lại thương hiệu huyền thoại Moeller của Đức) luôn được gắn liền với sự bền bỉ và tiêu chuẩn an toàn khắt khe của Châu Âu/Mỹ.
Biến tần Eaton thường xuất hiện rất nhiều trong các hệ thống HVAC (điều hòa không khí, thông gió), các máy đóng gói nhập khẩu từ Châu Âu hoặc các hệ thống bơm điều áp tòa nhà. Với thiết kế nhỏ gọn, khả năng chịu nhiệt tốt, Eaton đã từng là lựa chọn hàng đầu của các nhà chế tạo máy (OEM).
Tuy nhiên, bước sang năm 2026, khi chuỗi cung ứng toàn cầu có nhiều biến động, việc duy trì sử dụng biến tần Eaton tại thị trường Việt Nam đang gặp nhiều trở ngại lớn về chi phí và thời gian giao hàng.
Bài viết này sẽ cung cấp kiến thức kỹ thuật cốt lõi để bạn vận hành, xử lý lỗi biến tần Eaton hiện có. Đồng thời, tôi sẽ chỉ ra lý do tại sao các kỹ sư bảo trì đang có xu hướng chuyển đổi sang biến tần Shihlin để giải quyết bài toán “có hàng ngay” và “giá rẻ”.
2. Tổng quan các dòng biến tần Eaton thông dụng tại Việt Nam
Để tra cứu tài liệu chính xác, bạn cần xác định đúng model biến tần mình đang sử dụng. Dưới đây là 3 dòng phổ biến nhất:
2.1. Dòng Eaton M-Max (MMX)
Đây là dòng biến tần Compact đa năng kinh điển của Eaton (thừa hưởng thiết kế từ Moeller).
- Đặc điểm: Dễ sử dụng, tích hợp bộ lọc EMC, board mạch được phủ lớp bảo vệ (Conformal Coating).
- Ứng dụng: Băng tải, máy bơm, quạt.
2.2. Dòng Eaton DC1
Dòng biến tần vi cơ (Micro Drive) thế hệ mới, thay thế cho các dòng cũ.
- Đặc điểm: Kích thước cực kỳ nhỏ gọn, lắp đặt được sát nhau để tiết kiệm diện tích tủ điện.
- Điểm hạn chế: Công suất thường nhỏ (dưới 22kW), các terminal đấu nối khá nhỏ gây khó khăn khi thao tác.
2.3. Dòng Eaton DA1
Dòng biến tần hiệu suất cao (Advanced Machinery Drive).
- Đặc điểm: Hỗ trợ điều khiển Vector, Torque, tích hợp sẵn PLC logic cơ bản và hỗ trợ nhiều chuẩn truyền thông (CANopen, Modbus).
- Ứng dụng: Cần trục, máy ép, thang hàng.
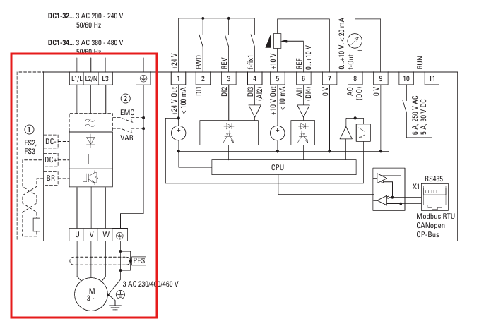
3. Hướng dẫn đấu nối & Cài đặt Biến tần Eaton (Dòng M-Max/DC1)
Dưới đây là hướng dẫn kỹ thuật thực chiến cho dòng M-Max và DC1 – hai dòng bạn sẽ gặp nhiều nhất khi đi bảo trì.
3.1. Sơ đồ đấu nối
Mạch Động Lực:
- L1/L, L2/N, L3: Cấp nguồn đầu vào. Lưu ý: Dòng Eaton 1 pha 220V rất phổ biến, cần nhìn kỹ nhãn để tránh cấp nhầm 380V sẽ nổ tụ ngay lập tức.
- U, V, W: Xuất ra động cơ.
- DC+, DC- / BR: Chân đấu điện trở xả (Brake Resistor). Lưu ý: Một số model DC1 cỡ nhỏ không tích hợp sẵn bộ hãm (Brake Unit), cần kiểm tra kỹ trước khi đấu trở.
Mạch Điều Khiển (Control Terminal):
Eaton mặc định sử dụng logic kích dương (Source/PNP) – tức là lấy nguồn +24V kích vào chân Input.
- Chân 1 (+24V): Nguồn ra 24VDC nội bộ.
- Chân 2 (DI1): Lệnh chạy thuận (FWD).
- Chân 3 (DI2): Lệnh đảo chiều (REV) hoặc Reset lỗi.
- Chân 4 (DI3): Tốc độ đa cấp hoặc Jog.
- Chân 5 (+10V), 6 (AI1), 7 (0V): Đấu biến trở điều chỉnh tốc độ.
3.2. Quy trình cài đặt thông số nhanh
Nhóm thông số của Eaton thường ký hiệu là P-xx.
Bước 1: Reset về mặc định (Factory Reset)
- Nút nút lên và nút xuống, sau đó giữ nút stop trong 2s, khí đó thông số của biến tần sẽ được resest về mặc định. Màn hình sẽ hiển thị P-dEF
Bước 2: Cài đặt thông số động cơ (Motor Data)
- P-07: Điện áp định mức Motor (V).
- P-08: Dòng điện định mức (A). Bắt buộc nhập chính xác để bảo vệ quá tải.
- P-09: Tần số định mức Motor (Hz).
- P-10: Tốc độ vòng quay (RPM).
Bước 3: Lệnh điều khiển (Control Place)
- P-12 :
- 0: I/O Terminal (Chạy bằng công tắc ngoài – Mặc định).
- 1: Keypad (Chạy bằng bàn phím).
- 3: Fieldbus (Truyền thông).
Bước 4: Lệnh tần số (Frequency Ref)
- P-15:
- 0: Analog Input 1 (Biến trở ngoài).
- 1: Potentiometer (Biến trở trên mặt biến tần – nếu có).
Bước 5: Thời gian tăng/giảm tốc
- P1-03: Thời gian tăng tốc (Accel Time).
- P1-04: Thời gian giảm tốc (Decel Time).
3.3.TÀI LIỆU KỸ THUẬT (DOWNLOAD)
| Dòng sản phẩm | M-Max | DC1 | DA1 |
| Catalogue | Download | Download | Download |
| Manual | Download | Download | Download |
| Hướng dẫn Tiếng Việt | Đang update… | Đang update… | Đang update… |
4. Bảng mã lỗi Biến tần Eaton & Cách xử lý sự cố
Dưới đây là các lỗi thường gặp:
| Mã Lỗi | Tên Lỗi | Nguyên Nhân & Cách Khắc Phục |
| O.VOLT | Overvoltage (Quá áp) | Điện áp đầu vào quá cao hoặc động cơ trả điện về khi dừng gấp. -> Kiểm tra nguồn, lắp thêm điện trở xả, tăng thời gian giảm tốc P1.8. |
| V.VOLT | Undervoltage (Thấp áp) | Mất pha đầu vào, lỏng dây nguồn, contactor cấp nguồn bị muội tiếp điểm. |
| O-T | Motor Overtemp | Quá nhiệt động cơ. -> Kiểm tra quạt làm mát motor, kiểm tra motor có bị kẹt tải không. |
| O-L | Over Current (Quá dòng) | Kiểm tra ngắn mạch motor hoặc cáp dẫn. |
| OL-B | Ground Fault | Chạm đất. -> Cách điện motor bị hỏng hoặc dây dẫn bị rách vỏ chạm vỏ máy. Dùng Megger để kiểm tra. |
5. Tại sao nên CÂN NHẮC KỸ trước khi mua mới Biến tần Eaton?
Dù chất lượng tốt, nhưng ở góc độ người làm kỹ thuật và mua hàng tại Việt Nam, biến tần Eaton đang bộc lộ những nhược điểm lớn khiến nhiều nhà máy phải đau đầu:
5.1. Nỗi đau về thời gian chờ hàng
Eaton không có nhà máy sản xuất đại trà tại Đông Nam Á như một số hãng khác. Hầu hết hàng phải nhập từ Châu Âu hoặc kho tổng khu vực.
- Thực tế: Nếu bạn cần một con biến tần 15kW để thay thế máy đang hỏng, việc chờ đợi 6-8 tuần nhập hàng là điều không thể chấp nhận được trong sản xuất công nghiệp.
5.2. Chi phí sửa chữa và giá thành cao
Giá biến tần Eaton thường cao hơn 30-40% so với mặt bằng chung các dòng biến tần Châu Á. Linh kiện thay thế (IGBT, Mainboard) rất đắt và hiếm, nhiều khi hỏng là phải bỏ mua mới.
5.3. Kén chọn về cài đặt
Giao diện cài đặt của Eaton dòng PowerXL tuy hiện đại nhưng khá rắc rối cho người mới. Tài liệu tiếng Việt khan hiếm, chủ yếu là tiếng Anh chuyên ngành, gây khó khăn cho thợ vận hành.
6. Biến tần Shihlin: Giải pháp thay thế hoàn hảo – Công nghệ Mitsubishi
Tại sao các kỹ sư tại Tự Động Hóa Toàn Cầu luôn tư vấn khách hàng chuyển từ Eaton sang Shihlin khi máy gặp sự cố?
Câu trả lời nằm ở bài toán: Hiệu quả kinh tế và Tính sẵn sàng.
6.1. Shihlin – Chất lượng Nhật, Giá Việt Nam
Shihlin là tập đoàn Đài Loan có mối quan hệ chiến lược lâu đời với Mitsubishi Electric(cổ đông lớn nhất của Shihlin).
- Biến tần Shihlin sử dụng chung nền tảng công nghệ, linh kiện công suất với Mitsubishi.
- Độ bền “nồi đồng cối đá” không thua kém gì Eaton, hoạt động tốt trong môi trường bụi bẩn, nhiệt độ cao.
6.2. Ưu điểm vượt trội khi thay thế Eaton bằng Shihlin
- Hàng luôn có sẵn: Chúng tôi kho sẵn các dòng từ 0.4kW đến 160kW. Hỏng là có thay ngay, không phải chờ nhập khẩu.
- Giá rẻ bất ngờ: Bạn có thể tiết kiệm đến 40-50% chi phí so với việc mua mới một bộ biến tần Eaton cùng công suất.
- Dễ dàng cài đặt: Giao diện trực quan, dễ hiểu. Chúng tôi có tài liệu hướng dẫn tiếng Việt chi tiết.
- Kích thước tương đồng: Các dòng Shihlin SC3, SS2 có kích thước nhỏ gọn, dễ dàng lắp vừa vào vị trí cũ của Eaton M-Max hay DC1 mà không cần sửa tủ điện quá nhiều.
6.3. Gói “Dịch vụ vượt trội” độc quyền từ GAC tại thị trường Việt Nam:
- Bảo hành toàn diện lên đến 3 năm:
Bảo đảm xử lý mọi sự cố kỹ thuật phát sinh trong suốt thời gian bảo hành, giúp doanh nghiệp an tâm vận hành hệ thống ổn định và bền bỉ theo thời gian. - Miễn phí lắp đặt trong bán kính 60 km:
Đội ngũ kỹ sư chuyên môn cao triển khai nhanh gọn, hỗ trợ kịp thời tại hiện trường và luôn sẵn sàng hỗ trợ 24/7 khi khách hàng cần. - Đào tạo kỹ thuật 1–1 hoàn toàn miễn phí:
Hướng dẫn trực tiếp trên thiết bị thực tế, giúp kỹ thuật viên hiểu rõ nguyên lý, làm chủ công nghệ, khai thác tối đa hiệu suất và giảm thiểu rủi ro trong quá trình vận hành.


Xem thêm: Các dòng sản phẩm biến tần Shihlin – tại đây
Với hơn 70 năm xây dựng và phát triển, Shihlin đã khẳng định uy tín của một thương hiệu hàng đầu, đồng thời sở hữu khả năng thay thế tương thích linh hoạt cho nhiều dòng biến tần phổ biến trên thị trường như Mitsubishi, LS, Delta hay Omron. Không chỉ đơn thuần là thiết bị điều khiển tốc độ động cơ, biến tần Shihlin còn đóng vai trò như một giải pháp đầu tư chiến lược, giúp doanh nghiệp tối ưu chi phí, nâng cao hiệu suất vận hành và duy trì sự ổn định, bền vững cho toàn bộ hệ thống sản xuất.
Quý khách hàng vui lòng liên hệ Công ty Cổ phần Tự động hóa Toàn Cầu (GAC) để nhận báo giá ưu đãi cùng các chương trình khuyến mãi và quà tặng hấp dẫn từ thương hiệu Shihlin.
Ngay khi tiếp nhận thông tin, đội ngũ kinh doanh GAC sẽ nhanh chóng gửi bảng giá biến tần Shihlin chi tiết, đi kèm chính sách hậu mãi rõ ràng và mức chiết khấu cạnh tranh, được thiết kế linh hoạt theo từng quy mô doanh nghiệp và nhu cầu ứng dụng thực tế.
- Hotline Zalo Kinh doanh 1: 0981 839 845
- Hotline Zalo Kinh doanh 2: 0981855800







Zalo Miền Bắc
