GD350 là dòng biến tần cao cấp nhất của INVT, được trang bị công nghệ điều khiển vector tiên tiến, mang lại khả năng đáp ứng linh hoạt cho nhiều yêu cầu điều khiển với hiệu suất vượt trội. Thiết bị đáp ứng tiêu chuẩn của nền sản xuất hiện đại trong thời đại công nghiệp 4.0, cho phép người dùng theo dõi và vận hành hệ thống từ xa với độ chính xác và tính an toàn cao.
Thông số kỹ thuật cơ bản
| Hạng mục | Thông số |
| Điện áp cung cấp | 3 pha 380V ~ 440V AC, 50/60Hz |
| Dòng vào định mức | 128A |
| Dòng ra định mức | 115A |
| Công suất | 55kW (70HP) |
| Nhiệt độ hoạt động | -10°C đến +50°C (giảm công suất khi >40°C) |
| Khả năng chịu quá tải | 200% trong 1s; 150% trong 60s; 180% trong 10s |
| Kích thước | 282 × 560 × 258 mm |
| Trọng lượng | 29 kg |
Hướng dẫn đọc mã
Đặc điểm nổi bật
- Biến tần hiệu suất cao, thông minh, tích hợp nhiều chức năng đáp ứng đa dạng ứng dụng công nghiệp.
- Khả năng mở rộng linh hoạt với các thẻ PG, PLC, I/O và thẻ giao tiếp.
- Hỗ trợ nhiều module tùy chọn như Ethernet, CANopen, Profibus DP, Bluetooth, Profinet.
- Thiết kế tùy chỉnh, hỗ trợ kết nối không dây, cho phép giám sát và vận hành từ xa.
- Tích hợp sẵn bộ lọc EMC chuẩn C3 hoặc tùy chọn C2 theo tiêu chuẩn IEC 61800-3.
Tiêu chuẩn – Chứng nhận
- Đáp ứng tiêu chuẩn an toàn EN 61800-5-1:2007 và tiêu chuẩn EMC 2004/108/EC.
- Bộ lọc đạt chuẩn IEC 61800-3 (C3 hoặc C2).
- Thương hiệu INVT, xuất xứ Trung Quốc.
Ứng dụng
- Điều khiển tốc độ và mô-men cho các loại máy móc công nghiệp.
- Phù hợp cho máy in, máy đóng gói, dây cuộn, máy cắt, máy dệt và nhiều thiết bị tự động hóa khác.
Kích thước biến tần
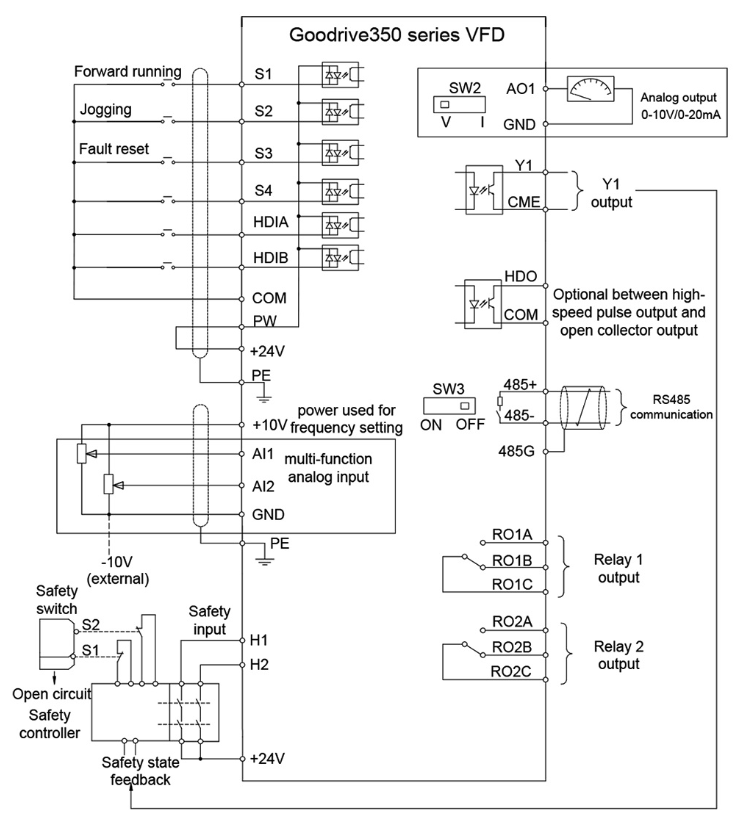
Sơ đồ kết nối biến tần
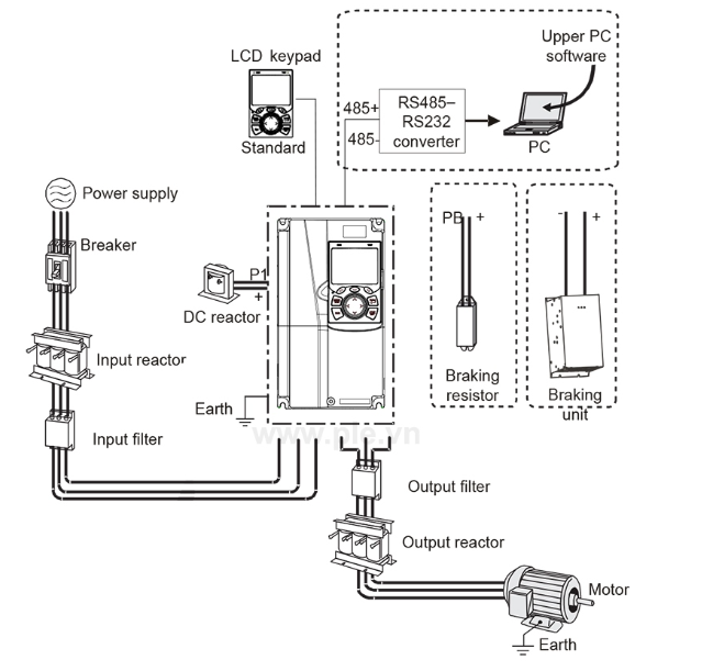
Kết nối thiết bị với biến tần
Tài liệu kỹ thuật:
Tài liệu catalog biến tần INVT GD350 bản tiếng việt: Download
Tài liệu manual biến tần INVT GD350 bản tiếng anh: Download






Zalo Miền Bắc
