Dòng GD200A là biến tần INVT vector hiệu suất cao đa năng, được định vị như thế hệ biến tần đa dụng mới. Sản phẩm sử dụng hệ thống điều khiển DSP và công nghệ điều khiển vector V/F, mang lại hiệu suất điều khiển động cơ vượt trội cùng nhiều chức năng bảo vệ. Biến tần được sử dụng rộng rãi trong máy nén khí, máy ép nhựa, ngành dầu khí, ngành than, ứng dụng HVAC, quạt – bơm và các loại tải truyền động tiêu chuẩn khác.
Thông số kỹ thuật chi tiết
| Model | GD200A-1R5G-4 |
| Series | GD200A |
| Công suất | 1.5 kW |
| Điện áp ngõ vào | 3 pha 380 V |
| Điện áp ngõ ra | 3 pha 380 V |
| Tần số ra | 0.1-400Hz |
| Momen khởi động | 150%, 0.5Hz, (SVC) |
| Khả năng chịu quá tải | 60s với 150% dòng định mức 10s với 180% dòng định mức 1s với 200% dòng định mức |
| Tích hợp sẵn | Keypad Bộ điều khiển thắng (Breaking Unit) Cổng truyền thông RS-485 Bộ lọc EMC |
| Kiểu điều khiển | V/F (SVPWM) |
| Số cổng I/O | 18 |
| Nhiệt độ môi trường | -10 … 50 °C (ở 40 °C công suất sẽ giảm) |
| Tích hợp quạt làm mát | Có |
| Hệ thống bảo vệ nâng cao | 30 chức năng bảo vệ |
| Cấp bảo vệ | Bộ lọc EMC tích hợp IP 20 (C3) |
| Dòng điện ngõ vào | 5A |
| Dòng điện ngõ ra | 3.7A |
| Khối lượng | 1.9 kg |
Cách lựa chọn biến tần INVT GD200A Series:
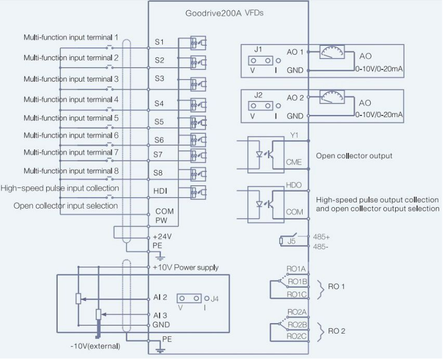
Sơ đồ đấu dây mạch điều khiển biến tần INVT GD200A Series:
Kích thước lắp đặt biến tần
Tài liệu kỹ thuật:
Tài liệu manual biến tần INVT GD200A bản tiếng việt series: Download
Tài liệu catalog biến tần INVT GD200A bản tiếng anh: Download





Zalo Miền Bắc
