Biến tần Shihlin là thiết bị quan trọng giúp điều khiển tốc độ động cơ, tiết kiệm năng lượng và nâng cao hiệu suất trong nhiều lĩnh vực sản xuất. Tuy nhiên, để khai thác tối đa công dụng, người dùng cần nắm rõ cách cài đặt và vận hành đúng chuẩn. Bài viết dưới đây sẽ cung cấp hướng dẫn sử dụng biến tần Shihlin, từ bước lắp đặt, cài đặt thông số đến các lưu ý an toàn.
Hướng Dẫn Sử Dụng Biến Tần Shihlin Series
-
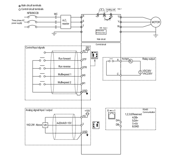
Hướng dẫn sử dụng biến tần Shihlin SC3 series
Sơ đồ đấu dây

Hướng dẫn thao tác
![]() |
Ví dụ: Cần thay đổi giá trị thông số [00-02]= [ 3 ] (Reset tham số về mặc định) chúng ta thao tác như sau:
– Cấp nguồn cho biến tần, Nhấn “MODE” để vào trang cài đặt thông số, màn hình biến tần hiển thị [00-00] =>Xoay biến trở để thay đổi đến thông số [00-02] => Nhấn “SET” để vào nhóm thông số [00-02], màn hình hiển thị giá trị [ 0 ] => Xoay biến trở để thay đổi đến giá trị [ 3 ] => Nhấn giữ “SET” để vào đặt giá trị cho thông số [00-02] => Biến tần hiển thị “ALLC” => Lúc này các tham số của biến tần đã được reset về mặc định. => Nhấn “MODE” 3 lần để thoát chế độ cài đặt và trở về màn hình giám sát.
|
Xem thêm: Cài đặt biến tần Shihlin SC3 & Hướng dẫn đấu nối dây
-
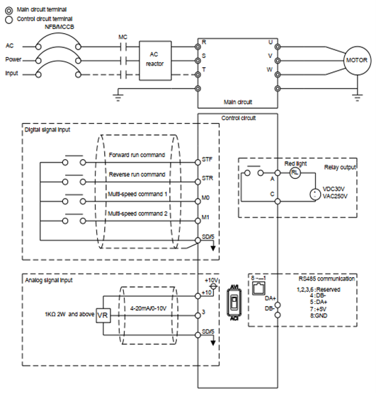
Hướng dẫn sử dụng biến tần Shihlin SL3 series
Sơ đồ đấu dây

Hướng dẫn thao tác
|
|
Ví dụ: Cần thay đổi giá trị thông số [00-02]= [ 3 ] (Reset tham số về mặc định) chúng ta thao tác như sau:
– Cấp nguồn cho biến tần, Nhấn “MODE” để vào trang cài đặt thông số, màn hình biến tần hiển thị [00-00] =>Xoay biến trở để thay đổi đến thông số [00-02] => Nhấn “SET” để vào nhóm thông số [00-02], màn hình hiển thị giá trị [ 0 ] => Xoay biến trở để thay đổi đến giá trị [ 3 ] => Nhấn giữ “SET” để vào đặt giá trị cho thông số [00-02] => Biến tần hiển thị “ALLC” => Lúc này các tham số của biến tần đã được reset về mặc định. => Nhấn “MODE” 3 lần để thoát chế độ cài đặt và trở về màn hình giám sát.
|
-
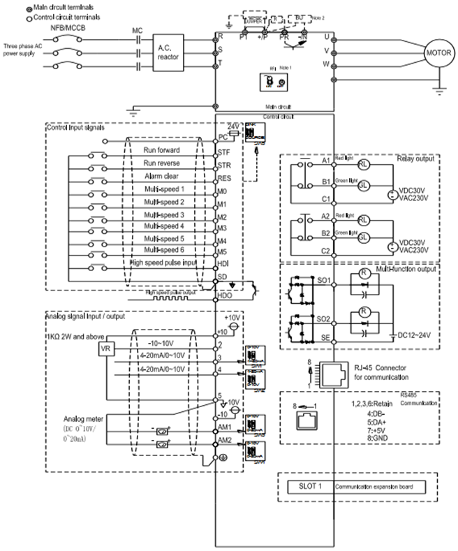
Hướng dẫn sử dụng biến tần Shihlin SF3 Series
Sơ đồ đấu dây

Hướng dẫn thao tác
![]() |
Ví dụ: Cần thay đổi giá trị thông số [00-02]= [ 3 ] (Reset tham số về mặc định) chúng ta thao tác như sau:
– Cấp nguồn cho biến tần, Nhấn “MODE” để vào trang cài đặt thông số, màn hình biến tần hiển thị [00-00] =>Dùng phím lên xuống để thay đổi đến thông số [00-02] => Nhấn “READ” để vào nhóm thông số [00-02], màn hình hiển thị giá trị [ 0 ] => Nhấn phím lên để thay đổi đến giá trị [ 3 ] => Nhấn giữ “WRITE” để vào đặt giá trị cho thông số [00-02] => Biến tần hiển thị “END” => Lúc này các tham số của biến tần đã được reset về mặc định. => Nhấn “MODE” 3 lần để thoát chế độ cài đặt và trở về màn hình giám sát.
|
Cách cài đặt các ứng dụng phổ biến khi sử dụng biến tần SHIHLIN
- Thông số cơ bản của biến tần SHIHLIN
- Các chế độ chạy: công tắc ngoài – chiết áp ngoài, công tắc ngoài – chiết áp trên mặt biến tần…
- Hướng dẫn cài đặt cấp nguồn biến tần chạy lập tức
- Hướng dẫn cài đặt biến tần chạy điện áp thấp
- Hướng dẫn cài đặt biến tần chạy đa cấp tốc độ
- Hướng dẫn cài đặt biến tần chạy tần số cao
- Hướng dẫn cài đặt dùng nút nhấn nhả để bật/tắt biến tần điều khiển động cơ
- Hướng dẫn cài đặt biến tần chạy đóng mở phanh theo tần số mong muốn
- Chức năng/ứng dụng chân Relay của biến tần
- Hướng dẫn cài đặt và lắp đặt điện trở xả
- Hướng dẫn điều khiển tần số biến tần bằng tín hiệu analog 0-10V hoặc 4-20mA
- Hướng dẫn ứng dụng chân chức năng Di để chuyển đổi chế độ điều khiển tần số biến tần
- Hướng dẫn cài đặt giới hạn điện áp đầu ra cho biến tần
- Biến tần điều khiển động cơ chế độ Vector
- Hướng dẫn Auto-tuning động cơ
- Biến tần điều khiển động cơ chế độ PID
- Biến tần điều khiển động cơ chế độ Torque
- Hướng dẫn giảm tiếng ồn động cơ khi dùng biến tần SHIHLIN
- Hướng dẫn truyền thông RS485 biến tần SHIHLIN với PLC Xinje
- Bảng mã lỗi biến tần SHIHLIN




Zalo Miền Bắc
