Biến tần Shihlin có thông số kĩ thuật rõ ràng giúp người dùng cài đặt dễ dàng qua các nút nhấn điều khiển. Ngoài ra dải công suất rộng cho phép bạn luôn có lựa chọn phù hợp nhất cho từng ứng dụng.
Trong bài viết này, Công ty CP Tự động hóa Toàn Cầu sẽ hướng dẫn các bạn đấu nối và cài đặt cơ bản cho biến tần Shihlin SF3
1.Sơ đồ đấu nối động lực cho biến tần SHIHLIN SF3
SƠ ĐỒ ĐẤU NỐI BIẾN TẦN VÀO 3 PHA 380VAC RA 3 PHA 380VAC
SƠ ĐỒ ĐẤU NỐI BIẾN TẦN VÀO 1 PHA 220VAC RA 3 PHA 220VAC

Đầu vào 3 pha 380V cấp vào các chân R, S, T hoặc L1, L2, L3 của biến tần; 3 pha đầu ra của biến tần U, V, W nối với động cơ. Biến tần có 2 chân PE để nối đất thiết bị.
SƠ ĐỒ ĐẤU NỐI BIẾN TẦN VÀO 1 PHA 220VAC RA 3 PHA 220VAC

- Hướng dẫn thao tác cài đặt tham số biến tần
- Ví dụ như để cài đặt biến tần chạy dừng bằng chuyển mạch ngoài, thay đổi tốc độ bằng chiết áp ngoài, chúng ta sẽ cài XX-YY bằng 2 theo các bước sau:
( XX là số thứ tự Group tham số ; YY là số thứ tự tham số trong Group XX)
- Bước 1: Khi màn hình hiển thị đang ở trạng thái mặc định là chế độ Monitor, ấn phím MODE 3 lần cho tới khi hiển thị “ZZ-TT ” ( với ZZ-TT là tham số trước đó đã cài đặt, mặc định là tham số 00-00 )
- Bước 2: Sử dụng nút mũi tên để thay đổi giá trị đến tham số mong muốn hoặc xoay núm trên bàn phím . Ấn giữ nút lên/xuống để số nhảy nhanh hơn. Ví dụ ta di chuyển đến tham số muốn cài đặt là XX-YY
- Bước 3: Nhấn phím “READ” để vào tham số mà bạn muốn cài đặt. Khi đó màn hình sẽ hiển thị giá trị hiện tại của tham số đó.
- Bước 4: Dùng nút mũi tên hoặc núm xoay để chỉnh lại giá trị theo. Giả sử muốn chỉnh lại tham số XX-YY = 2 . Ta ấn mũi tên tăng đến số 2.
- Bước 5: Sau khi thay đổi xong giá trị tham số, nhấn nút “WRITE” để lưu lại giá trị. Khi đó, màn hình sẽ bắt đầu nhấp nháy giữa tham số đang cài và giá trị mới của tham số (trong ví dụ này thì nó sẽ nhấp nháy giữa XX-YY và 2)
- Bước 6: Nhấn phím “READ” hoặc “ESC”, màn hình sẽ ngừng nhấp nháy. Khi đó ta dùng phím mũi tên/xuống hoặc núm xoay để chuyển sang các tham số khác và thực hiện thay đổi như ở trên. Nếu không muốn thay đổi tham số nào khác nữa thì nhấn phím MODE cho tới khi quay trở lại màn hiển thị Monitor.
- Reset thông số biến tần
Lưu ý: biến tần chỉ có thể Reset thông số khi đang ở chế độ PU – sử dụng bàn phím và chiết áp có sẵn (đèn PU trên màn hình đang sáng) nếu như đèn PU đang không sáng hoặc đang nhấp nháy, để Reset thông số biến tần các bạn cần cài đặt 00-16 = 1 trước.
Sau khi cài 00-16 = 1 đèn PU sáng, ta tiếp tục như sau :
– Cài tham số 00-02 = 3. Ấn phím “WRITE” để lưu cài đặt và xuất hiện chữ “ALLC” sau đó “End” là đã Reset mặc định biến tần thành công.
– Như vậy là biến tần đã được khôi phục tham số về mặc định, bấm phím MODE vài lần để trở về màn hình chính.
- Cài đặt tần số giới hạn cho biến tần Shihlin
– Chọn kiểu tần số nguồn sử dụng 50Hz : Tham số 00-24 = 1
– Cài đặt tần số giới hạn 1 : Tham số 01-00 = 50Hz
– Cài đặt tần số giới hạn 2 : Tham số 01-02 = 50Hz
- Các chế độ chạy dừng – tăng giảm tốc và cách đấu nối
5.1 Chạy dừng bằng bàn phím biến tần, thay đổi tốc độ bằng chiết áp có sẵn trên biến tần
– Tham số 00-16 = 1
Ấn nút REV để chạy ngược, ấn FWD để chạy thuận, ấn STOP để dừng động cơ
Tần số được cài đặt bằng núm xoay trên biến tần
5.2 Chạy dừng bằng nút chuyển mạch ngoài, thay đổi tốc độ bằng chiết áp ngoài
– Tham số 00-16 = 2
– Cách đấu nối cho công tắc chuyển mạch ngoài: 1 đầu công tắc nối với chân STF để chạy thuận hoặc STR để chạy ngược, đầu còn lại của công tắc nối với chân chung SD.

Miêu tả: STF nối với SD thì chạy thuận, STR nối với SD thì chạy ngược
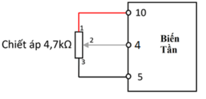
– Cách đấu nối cho chiết áp ngoài (chân 2) : nối chân số 2 của chiết áp vào chân số 2 trên mạch điều khiển biến tần. 2 chân còn lại của chiết áp nối với chân số 10 và số 5. Nếu như giá trị của chiết áp bị ngược chiều thì chỉ cần đảo hai chân 10 và 5.

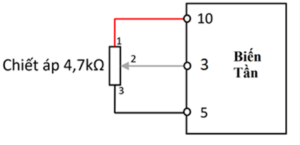
– Cách đấu nối cho chiết áp ngoài ( chân 3) : nối chân số 3 của chiết áp vào chân số 3 trên mạch điều khiển biến tần. Hai chân còn lại của chiết áp nối với chân số 10 và số 5. Nếu như giá trị của chiết áp bị ngược chiều thì chỉ cần đảo hai chân 10 và 5.

– Cách đấu nối cho chiết áp ngoài (chân 4) : nối chân số 4 của chiết áp vào chân số 4 trên mạch điều khiển biến tần. Hai chân còn lại của chiết áp nối với chân số 10 và số 5. Nếu như giá trị của chiết áp bị ngược chiều thì chỉ cần đảo hai chân 10 và 5.

5.3 Chạy dừng bằng nút chuyển mạch ngoài, thay đổi tốc độ bằng chiết áp có sẵn trên biến tần
– Tham số 00-16 = 4
– Xoay núm trên biến tần để thay đổi tần số
– Cách đấu nối cho công tắc chuyển mạch ngoài :

Miêu tả: STF nối với SD thì chạy thuận, STR nối với SD thì chạy ngược
5.4 Chạy dừng bằng bàn phím biến tần, thay đổi tốc độ bằng chiết áp ngoài
– Tham số 00-16 = 5
– Ấn nút REV để chạy ngược, ấn FWD để chạy thuận, ấn STOP để dừng động cơ
– Cách đấu nối cho chiết áp ngoài (chân 2) : nối chân số 2 của chiết áp vào chân số 2 trên mạch điều khiển biến tần. 2 chân còn lại của chiết áp nối với chân số 10 và số 5. Nếu như giá trị của chiết áp bị ngược chiều thì chỉ cần đảo hai chân 10 và 5.

– Cách đấu nối cho chiết áp ngoài ( chân 3) : nối chân số 3 của chiết áp vào chân số 3 trên mạch điều khiển biến tần. Hai chân còn lại của chiết áp nối với chân số 10 và số 5. Nếu như giá trị của chiết áp bị ngược chiều thì chỉ cần đảo hai chân 10 và 5.

– Cách đấu nối cho chiết áp ngoài (chân 4) : nối chân số 4 của chiết áp vào chân số 4 trên mạch điều khiển biến tần. Hai chân còn lại của chiết áp nối với chân số 10 và số 5. Nếu như giá trị của chiết áp bị ngược chiều thì chỉ cần đảo hai chân 10 và 5.

- Cài đặt thời gian tăng tốc giảm tốc cho biến tần
| Thông số | Ý nghĩa | Mặc định (theo công suất) |
| 01-06 | Thời gian tăng tốc | 20 giây |
| 01-07 | Thời gian giảm tốc | 10/30 giây |
- Đơn vị: giây
Trong bài viết này, chúng tôi đã hướng dẫn quý khách hàng cài đặt và đấu nối cho biến tần Shihlin SF3 trong các trường hợp thông dụng. Nếu quý khách hàng có thắc mắc hoặc cần hỗ trợ, hãy liên hệ với Công ty CP Tự động hóa Toàn Cầu để được tư vấn và giải đáp tốt nhất.

Zalo Miền Bắc
