Hướng dẫn cài đặt biến tần INVT GD200A: nhập thông số động cơ, chọn chế độ điều khiển, thiết lập kênh chạy/dừng, cấu hình tần số và bù mô-men để vận hành ổn định, hiệu suất cao.
Giới thiệu
Biến tần INVT GD200A là dòng biến tần đa năng, được ứng dụng rộng rãi trong các hệ thống điều khiển động cơ không đồng bộ ba pha trong công nghiệp như bơm, quạt, băng tải, máy nén và nhiều thiết bị truyền động khác. Để đảm bảo biến tần hoạt động ổn định, tạo đúng mô-men, duy trì đúng dòng điện định mức của động cơ và đạt hiệu suất cao trong suốt quá trình vận hành, việc cài đặt các thông số ban đầu cần được thực hiện theo đúng trình tự kỹ thuật, tuân thủ khuyến cáo của nhà sản xuất và phù hợp với đặc tính tải thực tế.
Bài viết này hướng dẫn cài đặt biến tần INVT GD200A từ A–Z, bám sát tài liệu kỹ thuật, trình bày theo logic chuẩn: nhập thông số động cơ → chọn chế độ điều khiển → thiết lập kênh điều khiển → cài đặt tần số, tăng/giảm tốc → giới hạn và bù mô-men.
1. Nhập thông số động cơ và chế độ điều khiển
1.1. Nhập thông số định mức động cơ (Nhóm P02)
Cần nhập đầy đủ thông số theo nhãn động cơ để biến tần nhận diện chính xác tải:
- P02.01 – Công suất định mức động cơ (kW)
- P02.02 – Tần số định mức (Hz)
- P02.03 – Tốc độ quay định mức (rpm)
- P02.04 – Điện áp định mức (V)
- P02.05 – Dòng điện định mức (A)
Các thông số này ảnh hưởng trực tiếp đến khả năng điều khiển mô-men, giới hạn dòng và chức năng bảo vệ động cơ.
1.2. Cài đặt chế độ điều khiển (P00.00)
- P00.00 = 1 – Điều khiển Vector Sensorless
- Áp dụng cho các ứng dụng yêu cầu mô-men lớn, độ chính xác cao
- P00.00 = 2 – Điều khiển V/F
- Áp dụng cho quạt, bơm và tải có đặc tính mô-men thay đổi
Việc lựa chọn đúng chế độ điều khiển giúp tối ưu hiệu suất và độ ổn định của hệ thống.
1.3. Tự động dò thông số động cơ – Autotuning (P00.15)
Sau khi nhập xong nhóm P02, nên thực hiện autotuning:
- P00.15 = 1 – Dò động (động cơ quay)
- P00.15 = 2 – Dò tĩnh (động cơ đứng yên)
Autotuning giúp biến tần tính toán chính xác mô hình động cơ, đặc biệt quan trọng khi sử dụng chế độ Vector Sensorless – SVC.
2. Thiết lập lệnh Chạy – Dừng – Đảo chiều (P00.01)
Biến tần GD200A hỗ trợ nhiều kênh lệnh điều khiển. Cần chọn một kênh điều khiển chính.
2.1. Điều khiển bằng bàn phím (Keypad)
- P00.01 = 0
- Nút RUN: chạy
- Nút STOP/RST: dừng
2.2. Điều khiển bằng nút nhấn ngoài (Terminal)
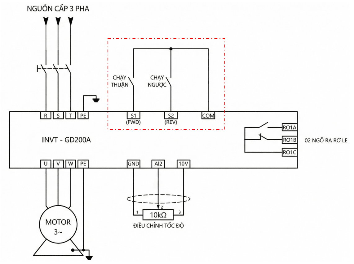
Chế độ 2 dây
- P00.01 = 1 – Điều khiển bằng Terminal
- P05.13 = 0 – Chế độ 2 dây
- P05.01 = 1 – Gán chân S1 làm lệnh chạy thuận (FWD)
- P05.02 = 2 – Gán chân S2 làm lệnh chạy ngược (REV)
Sơ đồ đấu dây:
Logic vận hành:
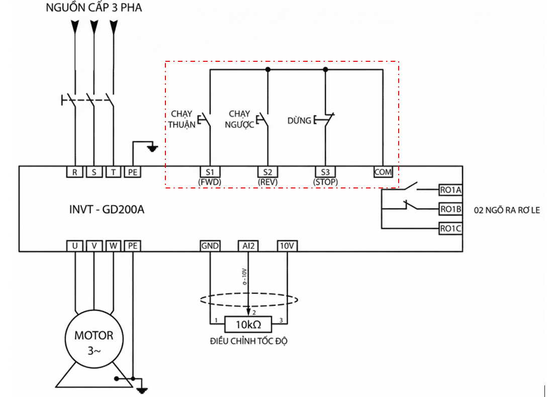
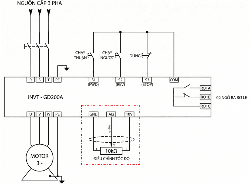
Chế độ 3 dây
- P00.01 = 1 – Điều khiển bằng Terminal
- P05.13 = 3 – Chọn chế 3 dây
- P05.01 = 1 – Gán chân S1 làm lệnh chạy thuận (FWD)
- P05.02 = 2 – Gán chân S2 làm lệnh chạy ngược (REV)
- P05.03 = 3 – Gán chân S3 làm chân dừng (SIn/STOP)
Sơ đồ đấu dây:
Logic vận hành:
2.3. Điều khiển qua truyền thông (Communication)
- P00.01 = 2
- P00.02 = 0 – Modbus RTU
Lệnh điều khiển tại thanh ghi 2000H:
- 0001H – Chạy thuận
- 0002H – Chạy ngược
- 0005H – Dừng
Chi tiết về cài đặt truyền thông biến tần sẽ được giảng dạy tại khóa học miễn phí về cài đặt biến tần của Công ty Cổ phần Tự Động Hóa Toàn Cầu
3. Cài đặt tần số và thời gian tăng/giảm tốc
3.1. Lựa chọn kênh đặt tần số (P00.06)
- P00.06 = 0 – Cài đặt tần số bằng phím mũi tên trên Keypad
- P00.06 = 2 – Cài đặt tần số bằng biến trở ngoài (AI2)
- P00.06 = 8 – Cài đặt tần số bằng truyền thông Modbus (ghi thanh ghi 2001H)
Chi tiết về cài đặt truyền thông biến tần sẽ được giảng dạy tại khóa học miễn phí về cài đặt biến tần của Công ty Cổ phần Tự Động Hóa Toàn Cầu
3.2. Cài đặt chân tăng/giảm tần số
- P05.04 = 10 – Tăng tần số (UP)
- P05.05 = 11 – Giảm tần số (DOWN)
Khi nối chân S4 vào COM thì tần số tăng, nối chân S5 vào COM thì tần số giảm, áp dụng với kênh đặt tần số là keypad.
3.3. Thời gian tăng tốc và giảm tốc
- P00.11 – Thời gian tăng tốc (s)
- P00.12 – Thời gian giảm tốc (s)
Các thông số này là thời gian tăng giảm tốc từ 0 đến Fmax và ngược lại, ảnh hưởng trực tiếp đến dòng khởi động và độ ổn định cơ khí của hệ thống.
4. Giới hạn tần số và bù mô-men
4.1. Giới hạn tần số đầu ra
- P00.03 – Tần số đầu ra tối đa (Hz)
- P00.04 – Giới hạn trên tần số chạy (Hz)
- P00.05 – Giới hạn dưới tần số chạy (Hz)
4.2. Bù mô-men khởi động (Torque Boost – Chế độ điều khiển V/F)
Áp dụng khi sử dụng chế độ V/F để cải thiện mô-men ở tần số thấp:
- P04.01 – Tỷ lệ bù mô-men (0.1%–10.0%)
- 0.0%: tự động bù
- P04.02 – Tần số cắt bù mô-men (% tần số định mức)
5. Các thông số hệ thống khác
- P00.18 = 1 – Khôi phục cài đặt gốc biến tần
- P00.18 = 2 – Xóa lịch sử lỗi
- P00.18 = 3 – Khóa bàn phím
Kết luận
Việc cài đặt biến tần INVT GD200A cần tuân thủ đúng trình tự kỹ thuật: nhập thông số động cơ, lựa chọn chế độ điều khiển, thiết lập kênh chạy/dừng, cấu hình tần số và thời gian tăng/giảm tốc, sau đó thiết lập giới hạn và bù mô-men. Khi được cấu hình chính xác, biến tần sẽ vận hành ổn định, bảo vệ tốt động cơ và đáp ứng đầy đủ yêu cầu điều khiển trong các hệ thống công nghiệp.
Trong thực tế sản xuất, cài đặt đúng tham số biến tần, chọn chế độ điều khiển phù hợp và xử lý sự cố kịp thời là yếu tố then chốt giúp hệ thống hoạt động bền bỉ và an toàn. Nếu bạn muốn trang bị kiến thức bài bản về cài đặt và vận hành biến tần của nhiều hãng phổ biến trên thị trường, bạn có thể tham gia khóa học miễn phí do Công ty Cổ phần Tự Động Hóa Toàn Cầu tổ chức.
Khóa học được biên soạn dựa trên tài liệu kỹ thuật chính hãng kết hợp với kinh nghiệm triển khai thực tế tại nhà máy. Học viên sẽ được hướng dẫn từ cơ bản đến nâng cao: thiết lập tham số, chạy/dừng – đảo chiều, lựa chọn kênh điều khiển, cài đặt tăng/giảm tốc, giới hạn tần số, … cũng như phương pháp xử lý các lỗi thường gặp.
👉 Khóa học phù hợp dành cho:
✔️ Kỹ sư, kỹ thuật viên bảo trì
✔️ Người mới tìm hiểu về biến tần
✔️ Doanh nghiệp cần đào tạo đội ngũ vận hành
👉 Đăng ký ngay để tham gia khóa học miễn phí và nhận đầy đủ tài liệu đào tạo.
Công ty Cổ phần Tự Động Hóa Toàn Cầu cam kết đồng hành và hỗ trợ kỹ thuật trước – trong – sau khóa học, giúp bạn áp dụng hiệu quả vào thực tế sản xuất.
Giải pháp biến tần Shihlin – Dịch vụ vượt trội
Một sản phẩm tốt cần đi cùng một chính sách hậu mãi đủ mạnh để khách hàng yên tâm sử dụng. Biến tần Shihlin, lợi thế không chỉ nằm ở thiết bị mà còn nằm ở cách Tự Động Hóa Toàn Cầu đồng hành cùng khách hàng sau bán hàng.
Doanh nghiệp được hưởng các chính sách dịch vụ vượt trội nổi bật như:
-
- Bảo hành toàn diện lên tới 3 năm, hỗ trợ khách hàng yên tâm hơn trong quá trình vận hành.
- Miễn phí lắp đặt trong bán kính 60km, giảm áp lực chi phí triển khai ban đầu.
- Đào tạo kỹ thuật 1-1 miễn phí, giúp đội ngũ vận hành làm chủ thiết bị nhanh hơn.
- Hỗ trợ kỹ thuật tận tâm, phù hợp với doanh nghiệp cần xử lý nhanh, hạn chế thời gian dừng máy.

Liên hệ ngay với chúng tôi để nhận bảng giá chiết khấu hấp dẫn và trải nghiệm sự khác biệt từ Shihlin!
Quý khách vui lòng Click Zalo liên hệ báo giá, đội ngũ Kinh Doanh của chúng tôi sẽ gửi bảng giá biến tần Shihlin cùng dịch vụ hậu mãi và mức chiết khấu tốt nhất cho từng quý khách hàng.










Zalo Miền Bắc
