Hướng dẫn cài đặt biến tần INVT GD10 dễ hiểu từ cơ bản đến nâng cao. Giúp bạn thiết lập đúng tham số, vận hành ổn định cho quạt, bơm, băng tải nhỏ.
Giới thiệu
Biến tần INVT Goodrive10 (GD10) là dòng biến tần mini kinh tế, được thiết kế nhỏ gọn chuyên dụng cho các ứng dụng công suất thấp (từ 0.2kW đến 2.2kW). Với khả năng lắp đặt linh hoạt (gắn tường hoặc thanh ray) và sử dụng chế độ điều khiển SVPWM, GD10 là giải pháp tối ưu cho các máy đóng gói, máy chế biến thực phẩm, băng tải nhỏ và máy ly tâm.
Bài viết này sẽ hướng dẫn bạn cài đặt biến tần INVT GD10 một cách chi tiết, từ đấu nối, nhập thông số động cơ, thiết lập lệnh chạy dừng đến xử lý các lỗi thường gặp, đảm bảo hệ thống vận hành an toàn và hiệu quả.
1. Đấu nối và An toàn
Trước khi thao tác, hãy đảm bảo an toàn điện. Sau khi ngắt nguồn, cần đợi ít nhất 5 phút cho đến khi đèn báo nguồn tắt hẳn để tụ điện xả hết điện áp dư.
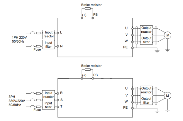
1.1. Đấu nối mạch động lực
- Nguồn cấp (Input): Kết nối nguồn điện vào các chân R, S, T (đối với 3 pha) hoặc L, N (đối với 1 pha).
- Động cơ (Output): Kết nối dây động cơ vào các chân U, V, W.
- Tiếp địa: Đấu dây tiếp địa vào chân PE.
- Lưu ý: Tuyệt đối không nối nguồn điện xoay chiều (AC) vào các chân đầu ra U, V, W, nếu không sẽ gây hỏng biến tần.
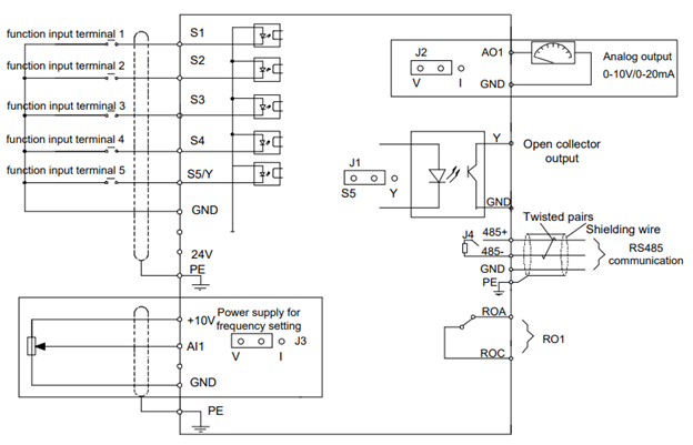
1.2. Mạch điều khiển
- Biến trở trên bàn phím: Được tích hợp sẵn và tương ứng với ngõ vào AI1.
- Biến trở ngoài/Analog: Đấu vào chân AI2 (có thể chọn dòng 0-20mA hoặc áp 0-10V qua jumper).
- Nút nhấn ngoài: Đấu vào các chân từ S1 đến S5 và chân chung GND.
2. Cài đặt thông số cơ bản
2.1. Nhập thông số động cơ (Nhóm P02)
Để biến tần bảo vệ động cơ chính xác (như quá tải, quá nhiệt), bạn cần nhập các thông số ghi trên nhãn động cơ vào nhóm P02:
- P02.01: Công suất định mức động cơ (kW).
- P02.02: Tần số định mức (Hz).
- P02.03: Tốc độ quay định mức (rpm).
- P02.04: Điện áp định mức (V).
- P02.05: Dòng điện định mức (A).
2.2. Chọn chế độ điều khiển (P00.00)
Dòng GD10 sử dụng chế độ điều khiển SVPWM, phù hợp cho tải bơm, quạt hoặc các ứng dụng không yêu cầu độ chính xác quá cao.
- P00.00 = 2: Chế độ điều khiển SVPWM (Space Vector PWM) – mặc định
2.3. Lệnh chạy và dừng (P00.01)
Xác định cách bạn muốn khởi động biến tần:
- P00.01 = 0: Điều khiển bằng bàn phím (nút RUN và STOP/RST).
- P00.01 = 1: Điều khiển bằng nút nhấn ngoài (Terminal).
- P00.01 = 2: Điều khiển qua truyền thông Modbus.
2.4. Lệnh đặt tần số (P00.06)
Xác định cách bạn muốn thay đổi tốc độ:
- P00.06 = 0: Cài đặt bằng phím mũi tên Lên/Xuống trên bàn phím (thay đổi giá trị P00.10).
- P00.06 = 1: Sử dụng biến trở vặn có sẵn trên bàn phím (tương ứng Analog AI1).
- P00.06 = 2: Sử dụng tín hiệu Analog ngoài (AI2).
- P00.06 = 8: Cài đặt qua truyền thông Modbus.
2.5. Thời gian Tăng tốc và Giảm tốc
Điều chỉnh thời gian khởi động và dừng máy để tránh sốc cơ khí hoặc lỗi quá dòng/quá áp:
- P00.11: Thời gian tăng tốc (s).
- P00.12: Thời gian giảm tốc (s).
3. Hướng dẫn chạy bằng Terminal (Nút nhấn ngoài)
Để chạy thuận/nghịch bằng công tắc chuyển mạch hoặc nút nhấn (chế độ 2 dây), bạn cần cấu hình lại chân S2 (vì mặc định S2 là chạy Nhấp – Jogging).
Bước 1: Cài đặt lệnh chạy bằng Terminal
- P00.01 = 1.
Bước 2: Cấu hình chức năng chân đầu vào
- P05.13 = 0: Chọn chế độ điều khiển 2 dây (2-wire control 1).
- P05.01 = 1: Chân S1 là chạy thuận (FWD) (Mặc định).
- P05.02 = 2: Chân S2 là chạy ngược (REV). Lưu ý: Mặc định P05.02 = 4 (Jogging), cần đổi thành 2 để chạy ngược.
Bước 3: Đấu nối vận hành
- Kích hoạt S1 (nối với COM): Biến tần chạy thuận.
- Kích hoạt S2 (nối với COM): Biến tần chạy ngược.
- Ngắt kết nối cả S1 và S2: Biến tần giảm tốc dừng.
4. Các lỗi thường gặp và cách xử lý
Khi biến tần gặp sự cố, đèn TRIP trên bàn phím sẽ sáng và màn hình hiển thị mã lỗi.
- OC1 / OC2 / OC3 (Quá dòng): Thường do tăng tốc quá nhanh hoặc kẹt tải.
- Khắc phục: Tăng thời gian tăng tốc (P00.11), kiểm tra ngắn mạch đầu ra hoặc kẹt cơ khí .
- OV1 / OV2 / OV3 (Quá áp): Thường do thời gian giảm tốc quá ngắn hoặc điện áp đầu vào cao bất thường.
- Khắc phục: Tăng thời gian giảm tốc (P00.12), kiểm tra điện áp nguồn .
- UV (Thấp áp): Điện áp DC bus quá thấp.
- Khắc phục: Kiểm tra nguồn cấp đầu vào.
- OL1 (Quá tải động cơ): Động cơ hoạt động quá tải trong thời gian dài.
- Khắc phục: Kiểm tra tải, kiểm tra cài đặt dòng định mức động cơ (P02.05) .
5. Khôi phục cài đặt gốc
Nếu muốn xóa toàn bộ cài đặt cũ để làm lại từ đầu:
- P00.18 = 1: Khôi phục về mặc định nhà sản xuất.
Kết luận
Biến tần INVT GD10 tuy nhỏ gọn nhưng vẫn đáp ứng đầy đủ các tính năng cơ bản cho các ứng dụng công nghiệp nhẹ. Việc nắm vững quy trình cài đặt từ đấu nối an toàn, nhập thông số động cơ đến cấu hình điều khiển sẽ giúp bạn khai thác tối đa hiệu suất thiết bị và giảm thiểu rủi ro hư hỏng.
Trong thực tế sản xuất, việc hiểu rõ tài liệu kỹ thuật và xử lý lỗi nhanh chóng là kỹ năng quan trọng. Nếu bạn muốn được đào tạo bài bản về cách đấu nối, cài đặt và lập trình biến tần trên các mô hình thực tế, hãy tham khảo khóa học chuyên sâu dưới đây.
Công ty Cổ phần Tự Động Hóa Toàn Cầu thường xuyên tổ chức các khóa học miễn phí và chuyên sâu về cài đặt biến tần, PLC và HMI. Khóa học được xây dựng dựa trên tài liệu chính hãng và kinh nghiệm thực chiến, giúp bạn tự tin làm chủ thiết bị.
👉 Khóa học này dành cho:
✔️ Kỹ sư, nhân viên bảo trì điện.
✔️ Sinh viên, người mới bắt đầu tìm hiểu về tự động hóa.
✔️ Doanh nghiệp muốn nâng cao tay nghề cho đội ngũ kỹ thuật.
👉 Đăng ký ngay để nhận tài liệu và lịch học mới nhất từ Tự Động Hóa Toàn Cầu. Chúng tôi cam kết hỗ trợ kỹ thuật tận tình để bạn áp dụng kiến thức vào công việc một cách hiệu quả nhất.
Tự động hóa Toàn Cầu – Trao thiết bị – Tạo giá trị – Vững niềm tin
Theo dõi GAC ngay để biết thêm thông tin và tham gia các khóa học:
- Website: https://tudonghoatoancau.com
Giải pháp biến tần Shihlin – Dịch vụ vượt trội
Một sản phẩm tốt cần đi cùng một chính sách hậu mãi đủ mạnh để khách hàng yên tâm sử dụng. Biến tần Shihlin, lợi thế không chỉ nằm ở thiết bị mà còn nằm ở cách Tự Động Hóa Toàn Cầu đồng hành cùng khách hàng sau bán hàng.
Doanh nghiệp được hưởng các chính sách dịch vụ vượt trội nổi bật như:
-
- Bảo hành toàn diện lên tới 3 năm, hỗ trợ khách hàng yên tâm hơn trong quá trình vận hành.
- Miễn phí lắp đặt trong bán kính 60km, giảm áp lực chi phí triển khai ban đầu.
- Đào tạo kỹ thuật 1-1 miễn phí, giúp đội ngũ vận hành làm chủ thiết bị nhanh hơn.
- Hỗ trợ kỹ thuật tận tâm, phù hợp với doanh nghiệp cần xử lý nhanh, hạn chế thời gian dừng máy.

Liên hệ ngay với chúng tôi để nhận bảng giá chiết khấu hấp dẫn và trải nghiệm sự khác biệt từ Shihlin!
Quý khách vui lòng Click Zalo liên hệ báo giá, đội ngũ Kinh Doanh của chúng tôi sẽ gửi bảng giá biến tần Shihlin cùng dịch vụ hậu mãi và mức chiết khấu tốt nhất cho từng quý khách hàng.










Zalo Miền Bắc
