Đặc điểm của hộp số PLF
- Vận hành êm ái
Bánh răng nghiêng được sử dụng để đạt được hoạt động trơn tru và yên tĩnh. - Độ cứng và mô-men xoắn cao
Việc sử dụng vòng bi bi tích hợp giúp cải thiện đáng kể độ cứng và mô-men xoắn. - Phương pháp lắp mặt bích và đầu nối
Có thể lắp đặt trên bất kỳ động cơ nào trên thế giới. - Không rò rỉ mỡ bôi trơn
Sử dụng loại mỡ có độ nhớt cao, khó tách lớp, giúp ngăn ngừa hiệu quả hiện tượng rò rỉ mỡ. - Bảo trì thuận tiện
Không cần thay mỡ trong suốt vòng đời sản phẩm, giúp việc lắp đặt trở nên thuận tiện hơn.
Thông số kỹ thuật hộp giảm tốc PLF-080-15-S2-P1
Thông số cơ bản
Mô-men xoắn định mức (Rated Output Torque, T₂N): 105Nm
Thông số hiệu suất
| Mã sản phẩm | Thông số | Mô tả |
| PLF-080-15-S2-P1 | Mô-men xoắn cực đại T₂NOT (Max. Output Torque) | 315Nm
|
| Tốc độ đầu vào định mức n₁N (Rated Input Speed) | 3000 vòng/phút
|
|
| Tốc độ đầu vào tối đa n₁max (Max. Input Speed) | 5000 vòng/phút | |
| Độ rơ chính xác (Precision Backlash P1) | ≤8 arcmin
|
|
| Độ rơ tiêu chuẩn (Standard Backlash P2) | ≤10 arcmin
|
|
| Độ cứng xoắn (Torsional Rigidity) | 12 Nm/arcmin | |
| Tải hướng tâm cực đại (Max. Radial Force F₂r) | 1300N | |
| Tải hướng trục cực đại (Max. Axial Force F₂a) | 660N | |
| Tuổi thọ sử dụng (Service Life) | 20,000 giờ | |
| Hiệu suất (Efficiency) | ≥ 94% |
Các thông số khác
- Khối lượng (Weight): 3.2 kg
- Nhiệt độ làm việc (Operating Temperature): -25℃ ~ +90℃
- Bôi trơn (Lubrication): Mỡ bôi trơn tổng hợp
- Cấp bảo vệ (Protection Class):IP65
- Vị trí lắp đặt (Mounting Position): Bất kỳ hướng nào
- Độ ồn (Noise Level, n = 3000 rpm, không tải): ≤ 65 dB(A)
Mô-men quán tính của hộp giảm tốc (Reducer Rotary Inertia): 0.44 kg.cm²
Ghi chú:
- Tỷ số truyền (i = N_in / N_out)
- Khi tốc độ đầu ra = 100 vòng/phút, momen quán tính tác động tại vị trí tâm trục đầu ra.
- Vận hành liên tục, tuổi thọ sử dụng = 10.000 giờ.
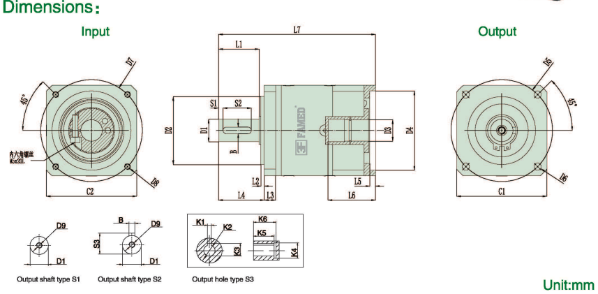
Kích thước:
Ghi chú 1: Kích thước trong ( ) là kích thước tùy chọn, ngoài ( ) là kích thước tiêu chuẩn.
Ghi chú 2: Kích thước và chiều dài trục đầu ra của hộp giảm tốc có thể được tùy chỉnh theo yêu cầu của khách hàng.
Ghi chú 3: Kích thước đầu vào có thể thay đổi tùy theo động cơ servo hoặc động cơ bước của từng thương hiệu.
Hướng dẫn đọc mã:
BẢNG GIÁ HỘP SỐ SERVO GAC – CHẤT NHƯNG RẺ
>>>>>>>> Xem thêm: BẢNG GIÁ HỘP SỐ SERVO GAC – CHẤT NHƯNG RẺ













Zalo Miền Bắc
