Đặc điểm của hộp số PFR
- Tiết kiệm không gian Hộp số thẳng sử dụng bánh răng côn xoắn, giúp việc lắp đặt động cơ có thể đạt được uốn cong 90 độ, dễ dàng hơn và tiết kiệm không gian lắp đặt.
- Độ cứng cao, mô-men xoắn lớn Sử dụng bạc đạn kim liền vỏ, giúp cải thiện đáng kể độ cứng và mô-men xoắn.
- Kết nối đa dạng – nhiều cách lắp trục Có thể lắp đặt trên bất kỳ động cơ nào trên thế giới.
- Không rò rỉ dầu mỡ Sử dụng mỡ bôi trơn có độ nhớt cao, khó tách rời, giúp ngăn ngừa rò rỉ dầu mỡ.
- Bảo trì thuận tiện Không cần thay dầu mỡ trong suốt vòng đời sản phẩm, lắp đặt dễ dàng hơn
Thông số kỹ thuật hộp giảm tốc PFR-080-10-S2-P1
Thông số cơ bản
Mô-men xoắn định mức (Rated Output Torque, T₂N): 56Nm
Thông số hiệu suất
| Mã sản phẩm | Thông số | Mô tả |
| PFR-080-10-S2-P1 | Mô-men xoắn cực đại T₂NOT (Max. Output Torque) | 168Nm
|
| Tốc độ đầu vào định mức n₁N (Rated Input Speed) | 3000 vòng/phút
|
|
| Tốc độ đầu vào tối đa n₁max (Max. Input Speed) | 5000 vòng/phút | |
| Độ rơ chính xác (Precision Backlash P1) | ≤10 arcmin
|
|
| Độ rơ tiêu chuẩn (Standard Backlash P2) | ≤12 arcmin
|
|
| Độ cứng xoắn (Torsional Rigidity) | 12 Nm/arcmin | |
| Tải hướng tâm cực đại (Max. Radial Force F₂r) | 1300N | |
| Tải hướng trục cực đại (Max. Axial Force F₂a) | 660N | |
| Tuổi thọ sử dụng (Service Life) | 20,000 giờ | |
| Hiệu suất (Efficiency) | ≥ 97% |
Các thông số khác
- Khối lượng (Weight): 2.1 kg
- Nhiệt độ làm việc (Operating Temperature): -25℃ ~ +90℃
- Bôi trơn (Lubrication): Mỡ bôi trơn tổng hợp
- Cấp bảo vệ (Protection Class):IP65
- Vị trí lắp đặt (Mounting Position): Bất kỳ hướng nào
- Độ ồn (Noise Level, n = 3000 rpm, không tải): ≤ 65 dB(A)
Mô-men quán tính của hộp giảm tốc (Reducer Rotary Inertia): 0.45kg·cm²
Ghi chú:
- Mô-men xoắn tăng tốc cực đại: 100.8Nm
- Khi tốc độ đầu ra là 100 vòng/phút, mô-men quán tính tác dụng tại vị trí tâm trục đầu ra.
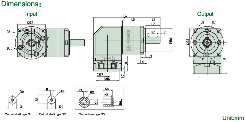
Kích thước:
Ghi chú 1: Kích thước trong ( ) là kích thước tùy chọn, ngoài ( ) là kích thước tiêu chuẩn.
Ghi chú 2: Kích thước và chiều dài trục đầu ra của hộp giảm tốc có thể được tùy chỉnh theo yêu cầu của khách hàng.
Ghi chú 3: Kích thước đầu vào có thể thay đổi tùy theo động cơ servo hoặc động cơ bước của từng thương hiệu.
Hướng dẫn đọc mã
BẢNG GIÁ HỘP SỐ SERVO GAC – CHẤT NHƯNG RẺ
>>>>>>>> Xem thêm: BẢNG GIÁ HỘP SỐ SERVO GAC – CHẤT NHƯNG RẺ











Zalo Miền Bắc
