Đặc điểm của hộp số EVB
- Vận hành êm ái
Bánh răng nghiêng được sử dụng để đạt được sự vận hành mượt mà và yên tĩnh.
- Độ chính xác cao
Độ rơ nhỏ hơn 3 arcmin và định vị chính xác.
- Độ cứng và mô-men xoắn cao
Việc sử dụng vòng bi cầu nguyên khối giúp cải thiện đáng kể độ cứng và mô-men xoắn.
- Đa dạng phương thức mặt bích và đầu nối
Có thể lắp đặt trên bất kỳ loại động cơ nào trên thế giới.
- Không rò rỉ mỡ
Việc sử dụng mỡ có độ nhớt cao, khó tách rời, giúp ngăn ngừa hiệu quả hiện tượng rò rỉ mỡ.
- Bảo trì thuận tiện
Không cần thay mỡ trong suốt vòng đời sản phẩm, việc lắp đặt cũng tiện lợi hơn.
Hướng dẫn đọc mã:
Thông số kỹ thuật hộp giảm tốc EVB-115-10-S2-P1:
Thông số cơ bản:
| Mã sản phẩm | Thông số | Mô tả |
| EVB-115-10-S2-P1 | Mô-men xoắn định mức (Rated Output Torque, T₂N) | 330Nm
|
| Mô-men xoắn cực đại T₂NOT (Max. Output Torque) | 990Nm
|
|
| Tốc độ đầu vào định mức n₁N (Rated Input Speed) | 3000 vòng/phút
|
|
| Tốc độ đầu vào tối đa n₁max (Max. Input Speed) | 5500 vòng/phút | |
| Độ rơ siêu chính xác (High Precision Backlash P0) | ≤2 arcmin | |
| Độ rơ chính xác (Precision Backlash P1) | ≤4 arcmin
|
|
| Độ rơ tiêu chuẩn (Standard Backlash P2) | ≤6 arcmin
|
|
| Độ cứng xoắn (Torsional Rigidity) | 25 Nm/arcmin | |
| Tải hướng tâm cực đại (Max. Radial Force F₂r) | 6750N | |
| Tải hướng trục cực đại (Max. Axial Force F₂a) | 3300N | |
| Tuổi thọ sử dụng (Service Life) | 21,000 giờ | |
| Hiệu suất (Efficiency) | ≥ 93% |
Thông số khác:
- Khối lượng (Weight): 13 kg
- Nhiệt độ làm việc (Operating Temperature): -15℃ ~ +90℃
- Bôi trơn (Lubrication): Mỡ bôi trơn tổng hợp
- Cấp bảo vệ (Protection Class):IP65
- Vị trí lắp đặt (Mounting Position): Bất kỳ hướng nào
- Độ ồn (Noise Level, n = 3000 rpm, không tải): ≤ 68 dB(A)
Mô-men quán tính của hộp giảm tốc (Reducer Rotary Inertia): 6.84kg·cm²
Ghi chú:
- Mô-men xoắn tăng tốc cực đại T2B = 60% của T2N0T.
- Khi tốc độ đầu ra là 100 vòng/phút (rpm), quán tính tác động lên vị trí tâm của trục ra.
- Các tỷ số truyền lớn 3 cấp không có trong bảng trên. Có thiết kế kéo dài và mở rộng trục, vui lòng liên hệ nhân viên kinh doanh nếu bạn cần.
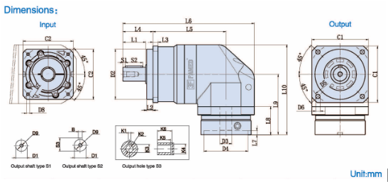
Kích thước:
Ghi chú 1: Kích thước trong ( ) là kích thước tùy chọn, ngoài ( ) là kích thước tiêu chuẩn.
Ghi chú 2: Kích thước và chiều dài trục đầu ra của hộp giảm tốc có thể được tùy chỉnh theo yêu cầu của khách hàng.
Ghi chú 3: Kích thước đầu vào có thể thay đổi tùy theo động cơ servo hoặc động cơ bước của từng thương hiệu.
BẢNG GIÁ HỘP SỐ SERVO GAC – CHẤT NHƯNG RẺ
>>>>>>>> Xem thêm: BẢNG GIÁ HỘP SỐ SERVO GAC – CHẤT NHƯNG RẺ













Zalo Miền Bắc
