Thông số kỹ thuật của Servo Motor HG-SR152J :
- Công suất động cơ : 1.5kW
- Điện áp định mức : 200VAC
- Dòng điện định mức : 9.4 A
- Momen định mức : 7.2 Nm
- Momen tới hạn : 21.5 Nm
- Quán tính trục : 16.0 [10^(-4) kgm2]
- Tốc độ định mức : 2000 rmp
- Tốc độ tối đa : 3000 rmp
- Không có phanh
- Độ phân giải encoder : 22 bit
- Đạt tiêu chuẩn IP65
Hướng dẫn đọc mã Servo Motor :

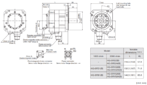
Kích thước Servo Motor HG-SR152J :

Tài liệu – Phần mềm :


Zalo Miền Bắc
