Thông số kỹ thuật của Servo Motor HG-KN73 :
- Công suất động cơ : 750W
- Điện áp định mức : 200VAC
- Dòng điện định mức : 4.8 A
- Momen định mức : 2.4 Nm
- Momen tới hạn : 7.2 Nm
- Quán tính trục : 1.28 [10^(-4) kgm2]
- Tốc độ định mức : 3000 rmp
- Tốc độ tối đa : 5000 rmp
- Không có phanh
- Độ phân giải encoder : 17 bit
- Đạt tiêu chuẩn IP65
Hướng dẫn đọc mã Servo Motor :

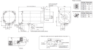
Kích thước Servo Motor HG-KN73 :

Tài liệu – Phần mềm :


Zalo Miền Bắc