Hướng dẫn cài đặt biến tần Shihlin SL3 chi tiết: an toàn, đấu nối, tham số, bảng lỗi, ví dụ thực tế và truyền thông RS-485 cho kỹ sư và thợ điện.
Giới thiệu
Cài đặt biến tần Shihlin SL3 là công việc bắt buộc phải thực hiện đúng trình tự kỹ thuật để đảm bảo hệ thống truyền động hoạt động ổn định, an toàn và đúng yêu cầu công nghệ. Biến tần Shihlin SL3 là dòng biến tần nhỏ gọn, sử dụng phương pháp điều khiển V/f, phù hợp cho các ứng dụng tải nhẹ và trung bình như băng tải, quạt, bơm, máy đóng gói.
Bài viết này trình bày toàn bộ quy trình cài đặt biến tần Shihlin SL3 từ chuẩn bị an toàn, đấu nối, cài đặt tham số, bảng tham số thông dụng, bảng mã lỗi, ví dụ thực tế và truyền thông RS-485. Nội dung được biên soạn để sử dụng trực tiếp ngoài hiện trường và trong đào tạo nội bộ cho kỹ sư, thợ điện và người vận hành.
1. Chức năng, chuẩn bị và an toàn
Biến tần Shihlin SL3 điều khiển động cơ bằng phương pháp V/f, đáp ứng tốt các hệ thống không yêu cầu điều khiển vector. Trước khi tiến hành cài đặt biến tần Shihlin SL3, bắt buộc tuân thủ các yêu cầu an toàn sau.
Chuẩn bị và an toàn điện
- Cảnh báo điện giật:
Không mở nắp hoặc chạm vào các đầu cực khi nguồn đang bật. Sau khi tắt nguồn, phải đợi tối thiểu 10 phút, kiểm tra đèn báo đã tắt hoàn toàn và đo điện áp dư bằng đồng hồ trước khi thao tác để tránh điện giật do tụ điện còn tích điện. - Tiếp địa:
Phải nối đất cho biến tần tại chân tiếp địa (ký hiệu nối đất) để đảm bảo an toàn và giảm nhiễu điện từ. - Môi trường lắp đặt:
Lắp đặt trong nhà, nhiệt độ từ -10°C đến +40°C (không đóng băng), độ ẩm dưới 90%RH (không ngưng tụ). - Nguồn điện:
Không được nối nguồn AC R/L1, S/L2, T/L3 vào các chân đầu ra động cơ U/T1, V/T2, W/T3. Đấu sai sẽ gây hỏng biến tần.
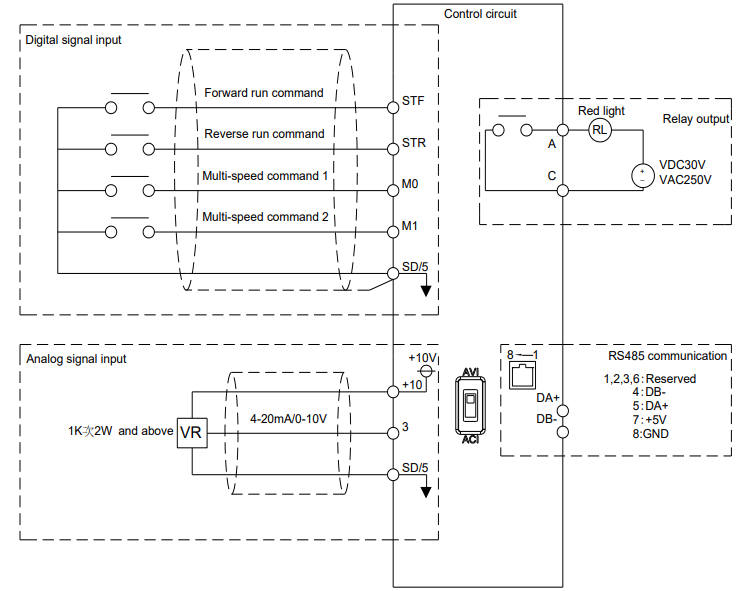
2. Sơ đồ đấu nối mạch động lực và điều khiển
Đấu nối đúng chuẩn là điều kiện tiên quyết để cài đặt biến tần Shihlin SL3 thành công và vận hành ổn định.
2.1. Mạch động lực (Main Circuit)
- R/L1, S/L2, T/L3: Nguồn điện lưới xoay chiều vào (1 pha hoặc 3 pha tùy mã).
- U/T1, V/T2, W/T3: Đầu ra cấp cho động cơ 3 pha.
- Chân tiếp địa: Nối đất an toàn.
2.2. Mạch điều khiển (Control Circuit – I/O)
- STF: Tín hiệu chạy thuận.
- STR: Tín hiệu chạy nghịch.
- M0, M1: Ngõ vào đa chức năng (mặc định M0: RL – tốc độ thấp, M1: RM – tốc độ trung bình).
- SD: Chân chung cho tín hiệu đầu vào số.
- 10: Nguồn +10VDC cấp cho biến trở ngoài.
- 3: Ngõ vào Analog (0–10V hoặc 4–20mA, chọn bằng công tắc AVI/ACI).
- 5: GND tín hiệu Analog.
- A, C: Ngõ ra rơ-le báo lỗi hoặc đa chức năng (A-C thường hở).
3. Cách cài đặt tham số và chọn phương pháp điều khiển
3.1. Cài đặt tham số bằng Keypad
Biến tần SL3 sử dụng bàn phím tích hợp để thao tác khi cài đặt biến tần Shihlin SL3.
- Nhấn MODE đến khi hiển thị P. hoặc 00-00
- Nhấn SET để vào tham số
- Dùng UP/DOWN thay đổi giá trị
- Giữ SET khoảng 0.5s để lưu (màn hình nhấp nháy)
3.2. Chọn phương pháp điều khiển và ứng dụng tải
- Chế độ điều khiển động cơ (00-21 / P.300):
◦ P.300 = 0 (Mặc định): Điều khiển V/f cho động cơ không đồng bộ. - Loại tải – V/f Pattern (01-12 / P.14):
◦ P.14 = 0: Tải mô-men không đổi (băng tải, máy đóng gói).
◦ P.14 = 1: Tải mô-men biến thiên (quạt, bơm).
◦ P.14 = 2 | 3: Tải nâng hạ.
4. Nhập thông số động cơ
Dòng SL3 không hỗ trợ Auto-tuning quay, vì vậy khi cài đặt biến tần Shihlin SL3, cần nhập tay đầy đủ thông số từ nhãn động cơ.
- 05-01 (P.302): Công suất định mức động cơ (kW).
- 05-02 (P.303): Số cực động cơ.
- 05-03 (P.304): Điện áp định mức động cơ (V).
- 05-04 (P.305): Tần số định mức động cơ (Hz).
- 05-05 (P.306): Dòng điện định mức động cơ (A).
- 05-06 (P.307): Tốc độ định mức động cơ (RPM).
5. Thiết lập vận hành, giới hạn và tăng giảm tốc
5.1. Chế độ vận hành (00-16 / P.79)
- P.79 = 1: Chạy/dừng và đặt tần số bằng Keypad.
- P.79 = 2: Chạy/dừng bằng Terminal, đặt tần số bằng Analog.
- P.79 = 4: Combined Mode 1 – chạy/dừng bằng Terminal, chỉnh tần số bằng Keypad.
5.2. Giới hạn và thời gian tăng giảm tốc
- 01-00 (P.1): Tần số tối đa.
- 01-01 (P.2): Tần số tối thiểu.
- 01-06 (P.7): Thời gian tăng tốc.
- 01-07 (P.8): Thời gian giảm tốc.
6. Tổng hợp tham số cài đặt thông dụng của biến tần Shihlin SL3
| P. | Group | Tên tham số | Chức năng | Mặc định |
| P.0 | 01-10 | Torque boost | Bù mô-men khởi động | 6%/4% |
| P.1 | 01-00 | Maximum frequency | Tần số tối đa | 120Hz |
| P.2 | 01-01 | Minimum frequency | Tần số tối thiểu | 0Hz |
| P.3 | 01-03 | Base frequency | Tần số cơ sở | 50/60Hz |
| P.7 | 01-06 | Acceleration time | Thời gian tăng tốc | 5.0s |
| P.8 | 01-07 | Deceleration time | Thời gian giảm tốc | 5.0s |
| P.9 | 06-00 | Electronic thermal relay | Bảo vệ nhiệt | 0.00A |
| P.14 | 01-12 | Load pattern | Chọn loại tải | 0 |
| P.79 | 00-16 | Operation mode | Chế độ vận hành | 0 |
| P.72 | 00-11 | Carrier frequency | Tần số sóng mang | 5kHz |
| P.80 | 03-03 | M0 input | Gán chân M0 | 2 |
| P.83 | 03-00 | STF input | Chạy thuận | 0 |
| P.84 | 03-01 | STR input | Chạy nghịch | 1 |
| P.161 | 00-07 | Display select | Hiển thị | 0 |
| P.302 | 05-01 | Motor power | Công suất motor | 0.00 |
| P.305 | 05-04 | Motor frequency | Tần số motor | 50/60 |
| P.306 | 05-05 | Motor current | Dòng motor | — |
| P.17 | 02-20 | Analog type | 3-5 signal | 1 |
| P.998 | 00-02 | Reset | Reset tất cả | 0 |
| P.77 | 00-03 | Write protect | Khóa ghi | 0 |
7. Tổng hợp các lỗi thường gặp của biến tần Shihlin SL3
| Mã lỗi | Tên lỗi | Nguyên nhân | Khắc phục |
| OC1 | Over-current Acc | Quá dòng tăng tốc | Tăng P.7 |
| OC2 | Over-current Steady | Quá dòng ổn định | Giảm tải |
| OC3 | Over-current Dec | Quá dòng giảm tốc | Tăng P.8 |
| OV1 | Over-voltage Acc | Quá áp tăng tốc | Kiểm tra nguồn |
| OV2 | Over-voltage Steady | Quá áp | Kiểm tra tải |
| OV3 | Over-voltage Dec | Quá áp giảm tốc | Tăng P.8 |
| THN | Motor overheat | Quá tải nhiệt | Chỉnh P.9 |
| THT | IGBT overheat | Quá nhiệt biến tần | Vệ sinh quạt |
| OHT | External heat | Nhiệt ngoài | Kiểm tra cảm biến |
| OL2 | Torque overload | Quá tải mô-men | Giảm tải |
| IPF | Input phase loss | Mất pha | Kiểm tra nguồn |
| AErr | Analog error | Mất tín hiệu 3-5 | Kiểm tra dây |
| GF | Ground fault | Chạm đất | Kiểm tra cách điện |
| SC | Short circuit | Ngắn mạch | Kiểm tra động cơ |
| CPU | CPU error | Lỗi CPU | Kiểm tra nhiễu |
6. Ví dụ thực tế
Chạy dừng 2 dây, đặt tần số bằng bàn phím
Yêu cầu:
Dùng 2 nút nhấn giữ (công tắc xoay) đấu vào chân STF (Chạy thuận) và STR (Chạy nghịch) để điều khiển. Tần số cài đặt trực tiếp trên bàn phím (núm xoay).
Sơ đồ đấu nối logic:
• Công tắc K0: Một đầu vào SD, một đầu vào STF.
• Công tắc K1: Một đầu vào SD, một đầu vào STR.
Trình tự thao tác và cài đặt:
- Cấp nguồn:
Bật CB, màn hình hiện tần số hoặc chế độ mặc định. - Reset mặc định (Khuyên dùng):
◦ Nhấn MODE tới 00-02 (hoặc P.998), nhấn SET.
◦ Chỉnh lên giá trị 1 (Reset all), nhấn giữ SET đến khi màn hình nhấp nháy. - Cài chế độ điều khiển:
◦ Vào 01-12 (P.14) set = 0 (V/f tải thường). - Cài thông số động cơ:
◦ Vào 05-01 (P.302) nhập công suất (kW).
◦ Vào 05-05 (P.306) nhập dòng định mức (A). - Cài giới hạn và thời gian:
◦ 01-00 (P.1) = 50.00 (Max Hz).
◦ 01-06 (P.7) = 3.0s (Tăng tốc).
◦ 01-07 (P.8) = 3.0s (Giảm tốc). - Cài chế độ vận hành (Quan trọng):
◦ Vào 00-16 (P.79).
◦ Set giá trị = 4 (Combined Mode 1).
◦ Giải thích: Chế độ này quy định tần số chỉnh trên Keypad, lệnh chạy nhận từ Terminal ngoài. - Vận hành:
◦ Xoay núm Dial trên bàn phím đến tần số mong muốn (ví dụ 40.00 Hz), nhấn SET để lưu (nếu cần).
◦ Đóng công tắc STF: Động cơ chạy thuận, tăng tốc lên 40Hz.
◦ Ngắt công tắc STF: Động cơ giảm tốc dừng.
◦ Đóng công tắc STR: Động cơ chạy nghịch lên 40Hz.
Kết luận
Qua toàn bộ nội dung trên, có thể thấy cài đặt biến tần Shihlin SL3 không chỉ dừng lại ở việc đấu dây hay nhập vài tham số cơ bản, mà là một quy trình kỹ thuật hoàn chỉnh: từ an toàn điện, đấu nối mạch động lực – điều khiển, lựa chọn chế độ V/f, nhập thông số động cơ, thiết lập tăng giảm tốc, vận hành thực tế, xử lý lỗi cho đến truyền thông RS-485. Việc cài đặt đúng ngay từ đầu giúp hệ thống hoạt động ổn định, giảm lỗi OC, OV, THN, kéo dài tuổi thọ động cơ và biến tần, đồng thời hạn chế thời gian dừng máy ngoài hiện trường.
Trong bối cảnh đó, Công ty Cổ phần Tự động hóa Toàn Cầu được đánh giá là nhà phân phối biến tần Shihlin hàng đầu, không chỉ cung cấp sản phẩm chính hãng mà còn đồng hành sâu về mặt kỹ thuật cho khách hàng. Toàn Cầu phân phối đầy đủ các dòng biến tần Shihlin, trong đó có Shihlin SL3, với chính sách rõ ràng về nguồn gốc, bảo hành và hỗ trợ kỹ thuật, phù hợp cho cả nhà máy sản xuất, xưởng cơ khí, hệ thống băng tải, quạt – bơm công nghiệp và các dự án tự động hóa.
Điểm khác biệt quan trọng là Toàn Cầu tổ chức khóa học cài đặt biến tần Shihlin SL3 hoàn toàn miễn phí, tập trung đúng vào kỹ năng thực tế ngoài hiện trường. Tham gia khóa học, học viên sẽ được đào tạo:
- Hiểu đúng nguyên lý điều khiển V/f của biến tần Shihlin
- Thực hành cài đặt biến tần Shihlin SL3 từ reset mặc định, nhập thông số động cơ đến tối ưu tăng giảm tốc
- Đấu nối và vận hành các chế độ phổ biến: Keypad, Terminal, Combined Mode
- Phân tích và xử lý các lỗi thường gặp như OC, OV, THN, GF, SC
- Làm quen với truyền thông RS-485 Modbus RTU, đọc/ghi tham số và điều khiển từ PLC
Khóa học phù hợp cho kỹ sư tự động hóa, thợ điện công nghiệp, người vận hành, sinh viên ngành điện – điều khiển muốn nắm chắc kỹ năng cài đặt biến tần Shihlin SL3 một cách bài bản, đúng chuẩn kỹ thuật, áp dụng được ngay vào công việc thực tế.
👉 Liên hệ Công ty Cổ phần Tự động hóa Toàn Cầu ngay hôm nay để:
- Nhận tư vấn lựa chọn biến tần Shihlin phù hợp ứng dụng
- Được hỗ trợ kỹ thuật trong quá trình cài đặt biến tần Shihlin SL3
- Đăng ký khóa học cài đặt biến tần Shihlin SL3 miễn phí và nâng cao năng lực chuyên môn một cách bền vững
Tự động hóa Toàn Cầu – Trao thiết bị – Tạo giá trị – Vững niềm tin
- Website: https://tudonghoatoancau.com









Zalo Miền Bắc
