Hướng dẫn cài đặt biến tần Mitsubishi E500 chi tiết theo tài liệu kỹ thuật, trình tự rõ ràng, tham số chính xác, phù hợp kỹ sư và thợ điện.
Giới thiệu
Cài đặt biến tần Mitsubishi E500 đúng kỹ thuật là yêu cầu bắt buộc để đảm bảo động cơ vận hành ổn định, an toàn và đạt hiệu suất thiết kế. Dòng FR-E500 bao gồm các model FR-E520, FR-E540, FR-E520S, FR-E510W, được Mitsubishi Electric phát triển cho các ứng dụng điều khiển tốc độ động cơ không đồng bộ ba pha, tập trung vào độ bền, khả năng tiết kiệm năng lượng và cấu hình linh hoạt.
Bài viết này tập trung 100% vào nội dung kỹ thuật được cung cấp bởi nhà sản xuất, trình bày theo chuẩn tài liệu hiện trường. Toàn bộ tham số, lệnh và trình tự cài đặt đều bám sát tài liệu kỹ thuật, giúp kỹ sư, thợ điện và người vận hành có thể triển khai cài đặt biến tần Mitsubishi E500 ngay từ lần đầu, hạn chế lỗi và rút ngắn thời gian commissioning.
1. Giới thiệu chức năng và chuẩn bị an toàn
Biến tần Mitsubishi FR-E500 có chức năng chính là điều khiển tốc độ động cơ không đồng bộ ba pha thông qua điều chỉnh tần số và điện áp đầu ra. Thiết bị phù hợp cho các ứng dụng bơm, quạt, băng tải, máy móc công nghiệp cơ bản, với khả năng làm việc ổn định trong dải điều kiện môi trường tiêu chuẩn.
Điều kiện môi trường làm việc
- Nhiệt độ môi trường: -10°C đến +50°C (không đóng băng).
- Độ ẩm: < 90%RH, không ngưng tụ.
- Môi trường lắp đặt không có bụi dẫn điện, dầu, khí ăn mòn.
Cảnh báo an toàn trước khi cấp nguồn
- Đảm bảo nắp trước biến tần đã được lắp chắc chắn trước khi bật nguồn.
- Không chạm vào các đầu cực khi nguồn đang cấp hoặc ngay sau khi tắt nguồn.
- Sau khi ngắt nguồn, phải chờ ít nhất 10 phút và kiểm tra điện áp dư trên tụ DC bằng đồng hồ đo.
- Biến tần bắt buộc phải được nối đất (Earth) đúng quy định để tránh nguy cơ điện giật.
Các yêu cầu trên là điều kiện bắt buộc trước khi tiến hành cài đặt biến tần Mitsubishi E500 trong thực tế.
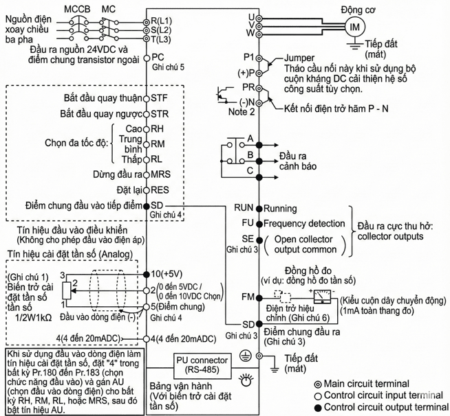
2. Sơ đồ đấu nối mạch động lực và điều khiển
Việc đấu nối đúng sơ đồ là nền tảng để quá trình cài đặt biến tần Mitsubishi E500 diễn ra an toàn và chính xác.
2.1. Mạch động lực (Main Circuit)
- R, S, T (hoặc L1, L2, L3): Nguồn AC đầu vào (1 pha hoặc 3 pha tùy model).
- U, V, W: Ngõ ra nối với động cơ 3 pha.
- Earth (Ground): Chân tiếp địa.
2.2. Mạch điều khiển (Control Circuit)
- STF: Lệnh chạy thuận.
- STR: Lệnh chạy nghịch.
- SD: Chân chung (Common) cho ngõ vào số dạng Sink.
- 10: Nguồn +5VDC cho biến trở ngoài.
- 2: Ngõ vào Analog điện áp 0–5V / 0–10V đặt tần số.
- 5: Chân chung Analog.
- RUN: Ngõ ra báo trạng thái chạy (Open collector).
- A, B, C: Tiếp điểm rơ-le báo lỗi.
3. Phím chức năng và chọn phương pháp điều khiển
Toàn bộ thao tác được thực hiện bằng bàn phím vận hành (PU).
Phím chức năng sử dụng
- MODE: Chuyển chế độ giám sát/cài đặt.
- SET: Xác nhận và lưu giá trị.
- UP / DOWN: Tăng hoặc giảm giá trị.
Chọn phương pháp điều khiển bằng Pr.80
- Pr.80 = 9999 (Mặc định): Điều khiển V/f.
Ứng dụng cho bơm, quạt, băng tải nhẹ hoặc khi một biến tần điều khiển nhiều động cơ. - Pr.80 = Công suất động cơ (kW): Điều khiển Vector từ thông (Sensorless Vector).
Ứng dụng cho tải nặng, băng tải, máy ép, yêu cầu mô-men khởi động cao.
Điều kiện: chỉ dùng cho 1 động cơ, chiều dài cáp < 30m.
4. Nhập thông số động cơ và Auto-tuning
Phần này chỉ áp dụng khi Pr.80 ≠ 9999.
Trình tự Auto-tuning Offline
Bước 1: Chọn chế độ Vector
- Pr.80 = Công suất động cơ
Bước 2: Kích hoạt Auto-tuning
- Pr.96 = 1
Bước 3: Nhập thông số động cơ
- Pr.9 = Dòng định mức động cơ (A)
- Pr.83 = Điện áp định mức (V)
- Pr.84 = Tần số định mức (Hz)
- Pr.71 = xx (xx là loại động cơ tra theo bảng dưới)
|
Giá trị cài đặt (xx)
|
Đặc tính
|
Loại động cơ áp dụng
|
Ghi chú
|
|---|---|---|---|
|
0, 100
|
Đặc tính nhiệt cho động cơ tiêu chuẩn
|
Động cơ tiêu chuẩn (Standard motor)
|
Cài đặt mặc định (0).
|
|
1, 101
|
Đặc tính nhiệt cho động cơ mô-men không đổi
|
Động cơ mô-men không đổi (Mitsubishi constant-torque motor)
|
Dùng cho động cơ chuyên dụng chạy tần số thấp không bị nóng.
|
|
3, 103
|
Động cơ tiêu chuẩn
|
Động cơ tiêu chuẩn
|
Chọn khi thực hiện Offline Auto-tuning.
|
|
13, 113
|
Động cơ mô-men không đổi
|
Động cơ mô-men không đổi
|
Chọn khi thực hiện Offline Auto-tuning.
|
|
23, 123
|
Động cơ tiêu chuẩn Mitsubishi SF-JR 4P
|
Động cơ Mitsubishi SF-JR 4 cực (Công suất 1.5kW hoặc nhỏ hơn)
|
Chọn khi thực hiện Offline Auto-tuning.
|
|
5, 105
|
Động cơ tiêu chuẩn (Đấu Sao – Star)
|
Động cơ tiêu chuẩn (Đấu dây kiểu Sao)
|
Cho phép nhập trực tiếp hằng số động cơ (dùng trong chế độ Vector).
|
|
15, 115
|
Động cơ mô-men không đổi (Đấu Sao – Star)
|
Động cơ mô-men không đổi (Đấu dây kiểu Sao)
|
Cho phép nhập trực tiếp hằng số động cơ.
|
|
6, 106
|
Động cơ tiêu chuẩn (Đấu Tam giác – Delta)
|
Động cơ tiêu chuẩn (Đấu dây kiểu Tam giác)
|
Cho phép nhập trực tiếp hằng số động cơ.
|
|
16, 116
|
Động cơ mô-men không đổi (Đấu Tam giác – Delta)
|
Động cơ mô-men không đổi (Đấu dây kiểu Tam giác)
|
Cho phép nhập trực tiếp hằng số động cơ.
|
Bước 4: Thực hiện Auto-tuning
- Nhấn RUN hoặc kích hoạt STF/STR
- Thời gian đo khoảng 10 giây
- Hoàn tất khi màn hình hiển thị “3” hoặc TUNE COMPLETION
- Nhấn STOP/RESET để kết thúc
5. Thiết lập vận hành cơ bản và tham số chính
5.1. Chế độ vận hành và đặt tần số (Pr.79)
- Chế độ hoạt động (Operation mode – Pr.79):
◦ Pr.79 = 1: Chạy/Dừng và đặt tần số bằng bàn phím (PU).
◦ Pr.79 = 2: Chạy/Dừng bằng STF/STR, đặt tần số bằng Analog.
◦ Pr.79 = 3: Chạy/Dừng bằng STF/STR, đặt tần số bằng bàn phím.
5.2. Giới hạn và thời gian tăng giảm tốc
- Giới hạn tần số:
◦ Pr.1: Tần số tối đa (mặc định 120Hz).
◦ Pr.2: Tần số tối thiểu (mặc định 0Hz).
- Thời gian tăng/giảm tốc:
◦ Pr.7: Thời gian tăng tốc (0 → tần số tham chiếu).
◦ Pr.8: Thời gian giảm tốc.
◦ Pr.20: Tần số tham chiếu cho Acc/Dec (mặc định 60Hz).
6. Bảng tham số cài đặt thông dụng Mitsubishi E500
| Mã | Tên tham số | Mặc định | Giải thích / Dải cài đặt |
| Pr. 0 | Torque boost | 6% (4%) | Tăng mô-men xoắn ở tốc độ thấp (0–30%) |
| Pr. 1 | Max frequency | 120 Hz | Giới hạn tần số tối đa (0–120 Hz) |
| Pr. 2 | Min frequency | 0 Hz | Giới hạn tần số tối thiểu (0–120 Hz) |
| Pr. 3 | Base frequency | 60 Hz | Tần số cơ sở của động cơ (0–400 Hz) |
| Pr. 7 | Acceleration time | 5 s / 10 s | Thời gian tăng tốc (0–3600 s) |
| Pr. 8 | Deceleration time | 5 s / 10 s | Thời gian giảm tốc (0–3600 s) |
| Pr. 9 | Electronic thermal O/L | Rated In | Bảo vệ quá tải nhiệt (A), đặt bằng dòng định mức motor |
| Pr. 13 | Starting frequency | 0.5 Hz | Tần số bắt đầu chạy (0–60 Hz) |
| Pr. 19 | Base freq voltage | 9999 | Điện áp cơ sở, 9999 = bằng điện áp nguồn |
| Pr. 20 | Acc/Dec ref freq | 60 Hz | Tần số tham chiếu cho thời gian tăng/giảm tốc |
| Pr. 22 | Stall prevention level | 150% | Mức dòng điện giới hạn chống kẹt (0–200%) |
| Pr. 30 | Regenerative function | 0 | 0: Dùng điện trở hãm thường; 1: Điện trở công suất lớn |
| Pr. 71 | Applied motor | 0 | 0: Động cơ chuẩn; 1: Động cơ mô-men không đổi |
| Pr. 72 | PWM frequency | 1 | Tần số sóng mang (0–15 ↔ 0.7–14.5 kHz) |
| Pr. 75 | Reset selection | 14 | Chọn chế độ Reset và chức năng nút STOP trên PU |
| Pr. 77 | Parameter write disable | 0 | 0: Cho phép ghi khi dừng; 2: Cho phép ghi khi chạy |
| Pr. 79 | Operation mode | 1 | 1: PU; 2: External; 3/4: Combined |
| Pr. 80 | Motor capacity | 9999 | Công suất motor; 9999: V/f; Khác: Vector |
| Pr. 146 | Freq setting command | 0 | 0: Biến trở bàn phím; 1: Phím số Digital; 9999: Auto |
| Pr. 180 | RL terminal function | 0 | Chọn chức năng chân RL (0: Low speed) |
7. Bảng các mã lỗi của biến tần Mitsubishi E500
| Mã lỗi | Tên lỗi | Nguyên nhân | Khắc phục |
| E.OC1 | Overcurrent during acc | Tăng tốc quá nhanh, ngắn mạch đầu ra | Tăng thời gian Pr.7, kiểm tra dây motor |
| E.OC2 | Overcurrent steady spd | Tải thay đổi đột ngột | Kiểm tra tải, giữ tải ổn định |
| E.OC3 | Overcurrent during dec | Giảm tốc quá nhanh, hãm quá gấp | Tăng thời gian Pr.8 |
| E.OV1 | Regenerative OV acc | Tăng tốc quá chậm (với tải nâng hạ) | Giảm thời gian tăng tốc |
| E.OV2 | Regenerative OV steady | Tải thay đổi đột ngột, năng lượng hồi tiếp | Dùng điện trở hãm hoặc bộ hãm |
| E.OV3 | Regenerative OV dec | Giảm tốc quá nhanh, năng lượng hồi tiếp lớn | Tăng Pr.8, dùng điện trở hãm |
| E.THM | Motor overload | Motor quá tải, làm mát kém | Giảm tải, kiểm tra quạt motor |
| E.THT | Inverter overload | Dòng >150% định mức, quá tải biến tần | Giảm tải |
| E.FIN | Fin overheat | Tản nhiệt quá nóng, quạt hỏng | Vệ sinh tản nhiệt, thay quạt, giảm nhiệt độ môi trường |
| E.GF | Ground fault | Chạm đất phía đầu ra (motor/dây) | Kiểm tra dây dẫn và motor có chạm vỏ |
| E.OHT | External thermal relay | Rơ-le nhiệt ngoài tác động (chân OH) | Kiểm tra motor quá nhiệt, giảm tải |
| E.OLT | Stall prevention stop | Motor bị kẹt, tải quá nặng | Giảm tải |
| E.OPT | Option alarm | Lỗi card mở rộng hoặc truyền thông | Kiểm tra cáp kết nối, jack cắm |
| E.PE | Parameter error | Lỗi bộ nhớ tham số (EEPROM) | Reset lại, nếu không được thì liên hệ nhà cung cấp |
| E.PUE | PU disconnection | Mất kết nối bàn phím (PU) | Cắm lại bàn phím chắc chắn |
8. Ví dụ thực tế: Chạy dừng 2 dây, đặt tần số bằng bàn phím
Yêu cầu hệ thống
- Chạy/Dừng bằng công tắc ngoài qua STF/STR
- Đặt tần số bằng phím UP/DOWN
Sơ đồ đấu nối điều khiển
Trình tự cài đặt
Bước 1: Chọn chế độ V/f
- Pr.80 = 9999
Bước 2: Nhập dòng động cơ
- Pr.9 = Dòng định mức motor
Bước 3: Giới hạn tần số
- Pr.1 = 50Hz hoặc 60Hz
Bước 4: Chọn chế độ kết hợp
- Pr.79 = 3
Bước 5: Chọn phương pháp nhập tần số
- Pr.146 = 1
Sau khi hoàn tất, dùng UP/DOWN chọn tần số, nhấn SET, kích STF/STR để chạy.
9. Truyền thông RS485
Biến tần hỗ trợ RS-485 qua cổng PU (RJ45).
- Tham số cơ bản:
◦ Pr.117: Station number
◦ Pr.118: Baud rate
◦ Pr.119: Stop bit / Data length
◦ Pr.120: Parity
◦ Pr.79: Phải đặt 0, 2 hoặc 6 khi điều khiển qua mạng
Chi tiết về truyền thông biến tần Mitsubishi sẽ có trong khóa học của Tự Động Hóa Toàn Cầu
10. Reset biến tần
- Reset lỗi:
◦ Nhấn STOP/RESET
◦ Kích RES–SD > 0.1s
◦ Tắt và bật lại nguồn - Reset mặc định (All Clear):
◦ Pr.79 = 1
◦ Vào Help Mode → AC.CL → SET
Kết luận
Việc cài đặt biến tần Mitsubishi E500 đúng trình tự, đúng tham số theo manual không chỉ giúp hệ thống vận hành ổn định ngay từ lần đầu mà còn hạn chế tối đa các lỗi phát sinh trong quá trình sử dụng như quá dòng, quá áp, kẹt tải hay lỗi tham số chồng chéo. Khi được cấu hình đúng, biến tần sẽ khai thác tối đa hiệu suất động cơ, giảm hao mòn cơ khí và kéo dài tuổi thọ thiết bị trong môi trường công nghiệp thực tế. Toàn bộ nội dung hướng dẫn trong bài viết này được xây dựng theo đúng tài liệu kỹ thuật, phù hợp sử dụng cho đào tạo nội bộ, hướng dẫn thợ điện mới và triển khai cài đặt ngoài hiện trường.
Nhằm hỗ trợ kỹ sư và đơn vị sản xuất áp dụng hiệu quả biến tần Mitsubishi vào thực tế, Công ty Cổ phần Tự Động Hóa Toàn Cầu hiện đang phân phối biến tần Mitsubishi chính hãng, đầy đủ chứng từ, đồng thời cung cấp dịch vụ hỗ trợ kỹ thuật sau bán hàng, tài liệu hướng dẫn tiếng Việt và tư vấn cài đặt theo từng ứng dụng cụ thể như bơm, quạt, băng tải, máy ép, hệ thống nâng hạ.
Bên cạnh đó, công ty tổ chức khóa học cài đặt biến tần Mitsubishi chuyên sâu, tập trung vào thực hành thực tế, giúp học viên nắm vững cách:
- Đọc và hiểu manual Mitsubishi một cách hệ thống
- Cài đặt tham số đúng trình tự, đúng logic kỹ thuật
- Phân tích nguyên nhân lỗi và xử lý sự cố thường gặp
- Triển khai đấu nối, chạy thử và tối ưu biến tần ngoài hiện trường
Khóa học phù hợp cho kỹ sư tự động hóa, thợ điện công nghiệp, nhân viên bảo trì nhà máy và sinh viên ngành điện – tự động hóa muốn nâng cao kỹ năng thực tế, rút ngắn thời gian làm việc và tránh các sai sót phổ biến khi cài đặt biến tần.
👉 Liên hệ Công ty Cổ phần Tự Động Hóa Toàn Cầu để được tư vấn kỹ thuật chi tiết, lựa chọn biến tần Mitsubishi phù hợp và đăng ký khóa học cài đặt biến tần Mitsubishi sát với nhu cầu thực tế của bạn và doanh nghiệp.
Tự động hóa Toàn Cầu – Trao thiết bị – Tạo giá trị – Vững niềm tin
- Website: https://tudonghoatoancau.com








Zalo Miền Bắc
