Hướng dẫn cách cài đặt biến tần Shihlin SE3 chi tiết từ đấu nối, reset mặc định đến cài đặt chạy ngoài. Bài viết chuyên sâu từ Tự Động Hóa Toàn Cầu. Xem ngay!
Giới thiệu
Biến tần Shihlin SE3 hiện nay đang là dòng sản phẩm “quốc dân” trong phân khúc biến tần giá rẻ nhưng hiệu năng cao tại thị trường Việt Nam. Với thiết kế nhỏ gọn, khả năng chịu tải tốt và tích hợp nhiều tính năng điều khiển động cơ servo cơ bản, SE3 thường xuyên xuất hiện trong các dây chuyền băng tải, máy đóng gói, máy dán nhãn và các hệ thống quạt công nghiệp.
Tuy nhiên, với những anh em kỹ thuật mới vào nghề hoặc sinh viên mới tiếp cận thực tế, việc cầm trên tay một thiết bị mới và tìm cách cài đặt biến tần shihlin se3 sao cho chạy ổn định, không báo lỗi là một thử thách không nhỏ. Tài liệu hãng thường viết bằng tiếng Anh và khá khô khan.
Bài viết này, dựa trên kinh nghiệm thực chiến hơn 10 năm trong ngành tự động hóa, sẽ hướng dẫn bạn từng bước làm chủ thiết bị này, từ đấu nối phần cứng đến cài đặt các thông số mềm một cách dễ hiểu nhất.
Tổng quan về biến tần Shihlin SE3 và lý do nên sử dụng
Trước khi đi vào phần cài đặt chi tiết, chúng ta cần hiểu rõ “vũ khí” mình đang sử dụng. Shihlin SE3 Series là dòng biến tần hiệu suất cao, được nâng cấp từ các dòng SS2 huyền thoại trước đó.
Điểm mạnh của dòng này nằm ở khả năng điều khiển vector vòng hở (Sensorless Vector Control) cực kỳ ấn tượng, cho phép momen khởi động lớn ngay cả ở tần số thấp (0.5Hz đạt 150% momen). Điều này giải quyết triệt để bài toán “đề pa” yếu thường gặp ở các dòng biến tần giá rẻ khác.
Về cấu trúc phần cứng, SE3 tích hợp sẵn bộ lọc nhiễu RFI, giúp giảm thiểu tác động nhiễu lên các thiết bị điều khiển xung quanh như PLC hay HMI. Đặc biệt, biến tần này hỗ trợ điều khiển tốc độ cao lên đến 1500Hz, phù hợp cho các ứng dụng trục chính máy CNC hoặc máy mài tốc độ cao.
Việc nắm vững thông số kỹ thuật không chỉ giúp bạn chọn đúng dải công suất mà còn là tiền đề để thực hiện cách cài đặt biến tần shihlin se3 chính xác, tránh trường hợp cài đặt sai thông số motor gây nóng hoặc cháy động cơ.
Quy tắc an toàn và đấu nối phần cứng chuẩn kỹ thuật
Một nguyên tắc bất di bất dịch trong nghề tự động hóa: “Đấu nối đúng trước khi cấp nguồn”. Việc đấu sai dây động lực có thể dẫn đến nổ IGBT ngay lập tức, gây thiệt hại lớn về tài sản.
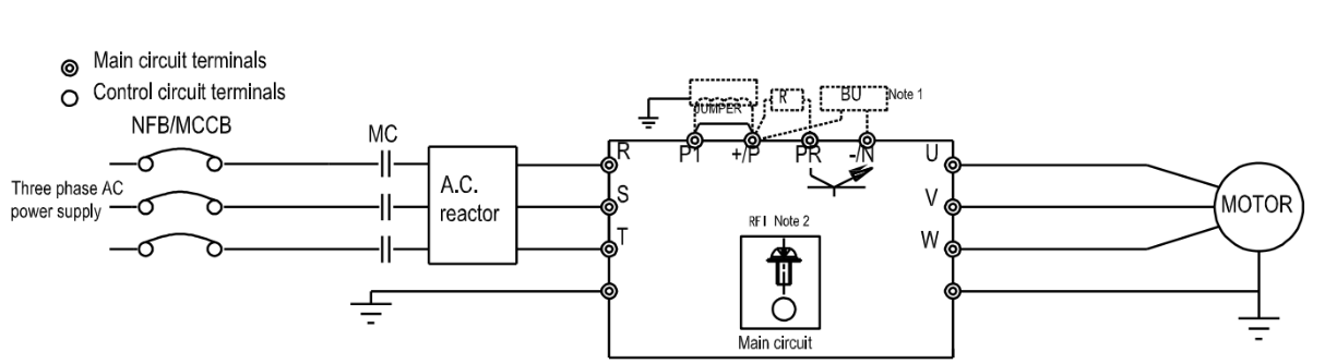
Sơ đồ đấu nối mạch động lực
Đối với biến tần Shihlin SE3, các chân động lực được ký hiệu rất rõ ràng, nhưng bạn cần lưu ý kỹ điện áp đầu vào:
- Nguồn vào (Input): Đấu vào các chân R/L1, S/L2, T/L3.
- Với dòng SE3-021 (1 pha 220V): Đấu nguồn vào R và T (hoặc L1 và L3 tùy model cụ thể, cần xem tem nhãn bên hông).
- Với dòng SE3-043 (3 pha 380V): Đấu đủ 3 pha vào R, S, T.
- Ngõ ra động cơ (Output): Đấu vào các chân U, V, W. Tuyệt đối không được đấu nhầm nguồn vào các chân này.
- Tiếp địa (Ground): Chân E hoặc ký hiệu tiếp địa. Bắt buộc phải đấu để chống nhiễu và an toàn điện cho người vận hành.
Đấu nối mạch điều khiển
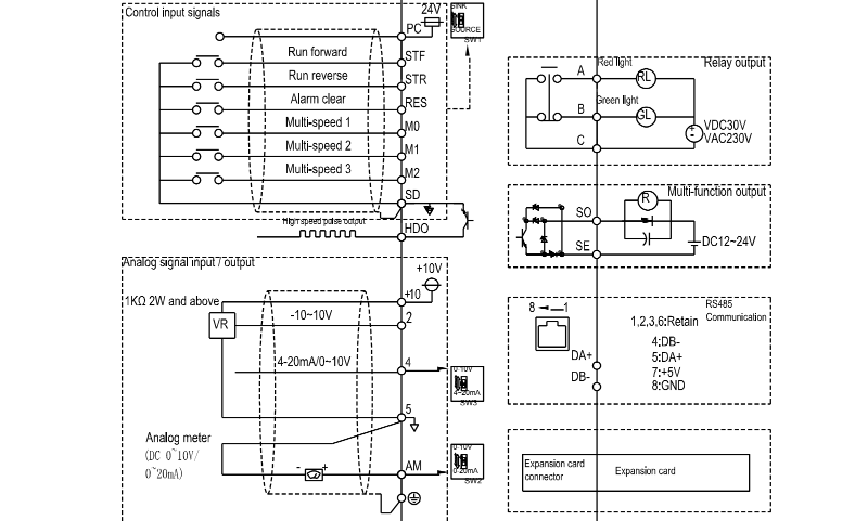
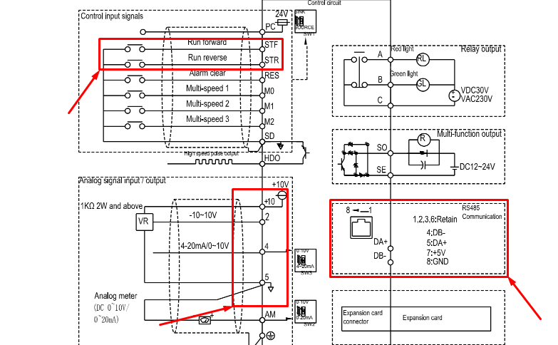
Để điều khiển biến tần chạy/dừng hoặc thay đổi tốc độ, chúng ta cần thao tác trên hàng kẹp terminal màu xanh (hoặc đen) nhỏ hơn:
- Kích chạy (Digital Input): Thường sử dụng chân STF (Chạy thuận) và SD (Chân chung – Common). Khi chập STF với SD, biến tần sẽ chạy thuận. Tương tự, STR là chạy nghịch.
- Điều chỉnh tần số (Analog Input): Sử dụng chiết áp (biến trở) 3 chân.
- Chân giữa chiết áp vào chân 2.
- Hai chân bìa vào chân 10 (+10V) và chân 5 (GND).
- Lưu ý gạt switch gạt (nếu có) sang chế độ V (Voltage) nếu dùng áp 0-10V.
Hướng dẫn sử dụng bàn phím trên Shihlin SE3
Biến tần Shihlin SE3 sở hữu một thiết kế bàn phím rất trực quan với núm xoay (Dial) đa năng. Đây là điểm cộng lớn giúp thao tác cài đặt nhanh hơn so với việc bấm nút Lên/Xuống truyền thống.
Trên màn hình hiển thị sẽ có các phím chức năng chính:
- MODE: Dùng để chuyển đổi giữa các chế độ hiển thị (Tần số, Dòng điện, Điện áp) và chế độ cài đặt tham số (Parameter).
- SET: Dùng để xác nhận giá trị cài đặt hoặc truy cập vào tham số.
- RUN/STOP: Chạy và dừng biến tần ở chế độ điều khiển trên bàn phím (PU Mode).
- Núm xoay: Xoay trái/phải để tăng giảm giá trị hoặc thay đổi số thứ tự tham số (P.0, P.1,…).
Để thực hiện cách cài đặt biến tần shihlin se3 thành công, bạn phải làm quen với thao tác: Nhấn MODE để hiện P.xxx -> Xoay núm tìm tham số -> Nhấn SET để vào -> Xoay núm chỉnh trị số -> Nhấn SET để lưu (màn hình nhấp nháy báo hiệu đã lưu).
Quy trình Reset biến tần về mặc định nhà sản xuất
Trước khi cài đặt một biến tần cũ hoặc khi bạn đã cài quá nhiều thông số mà hệ thống hoạt động không theo ý muốn, giải pháp tốt nhất là Reset về mặc định.
Đối với dòng SE3, thông số dùng để reset là P.998.
- Bước 1: Cấp nguồn cho biến tần.
- Bước 2: Nhấn MODE cho đến khi màn hình hiện P.0.
- Bước 3: Xoay núm vặn ngược chiều kim đồng hồ để tìm P.998.
- Bước 4: Nhấn SET, màn hình hiển thị giá trị hiện tại (thường là 0).
- Bước 5: Xoay núm vặn để thay đổi giá trị thành 1 (Reset tất cả tham số về mặc định 60Hz – hệ số thường dùng ở Việt Nam/Châu Á).
- Bước 6: Nhấn SET. Màn hình nhấp nháy và trở về trạng thái ban đầu.
Lưu ý: Sau khi reset, tất cả các cài đặt trước đó về motor hay chế độ chạy đều sẽ mất. Hãy chắc chắn bạn đã sao lưu thông số cũ nếu cần thiết.
Các nhóm thông số kỹ thuật cốt lõi cần cài đặt
Đây là phần quan trọng nhất của bài viết cách cài đặt biến tần shihlin se3. Để biến tần hoạt động theo ý muốn, bạn cần can thiệp vào các nhóm thông số sau. Tôi sẽ chia nhỏ thành từng mục để bạn dễ theo dõi.
1. Cài đặt lệnh chạy và lệnh tần số
Thông số P.79 (Operation Mode) quyết định việc bạn điều khiển biến tần bằng bàn phím hay bằng công tắc ngoài/biến trở.
- P.79 = 0: Chế độ mặc định. Có thể chuyển đổi linh hoạt nhưng ít dùng trong công nghiệp vì dễ gây nhầm lẫn.
- P.79 = 1: Chế độ PU. Chạy/Dừng bằng nút RUN/STOP trên màn hình, chỉnh tần số bằng núm vặn. Dùng để test máy.
- P.79 = 2: Chế độ External. Chạy/Dừng bằng công tắc ngoài (nối chân STF-SD), chỉnh tần số bằng biến trở ngoài (nối chân 2-5-10) hoặc tín hiệu Analog từ PLC. Đây là chế độ phổ biến nhất.
- P.79 = 3: Chế độ kết hợp (Communication). Thường dùng khi điều khiển qua mạng truyền thông RS485.
- P.79 = 4: Chạy/Dừng bằng công tắc ngoài, nhưng chỉnh tần số bằng bàn phím.
Ví dụ thực tế: Bạn muốn làm tủ điện cho băng tải, có nút nhấn chạy dừng và núm vặn tốc độ trên mặt tủ. Bạn cần đấu nối STF-SD vào nút nhấn, biến trở vào chân 2-5-10, sau đó cài P.79 = 2.
2. Cài đặt thời gian tăng tốc và giảm tốc
Thời gian tăng tốc (Acceleration Time) và giảm tốc (Deceleration Time) ảnh hưởng trực tiếp đến độ bền cơ khí và sự êm ái của hệ thống.
- P.7 (Thời gian tăng tốc): Thời gian để biến tần tăng từ 0Hz lên tần số Max.
- Mặc định: 5.0 giây hoặc 10.0 giây (tùy công suất).
- Ứng dụng: Với tải quán tính lớn (như quạt ly tâm, mâm xoay), cần tăng P.7 lên 20-30s để tránh lỗi quá dòng (OC) khi khởi động.
- P.8 (Thời gian giảm tốc): Thời gian để giảm từ tần số Max về 0Hz.
- Ứng dụng: Nếu cài quá ngắn, biến tần sẽ báo lỗi quá áp (OV) do năng lượng hồi về từ động cơ. Nếu cần dừng nhanh, bạn phải lắp thêm điện trở xả và cài đặt thêm thông số xả.
3. Cài đặt thông số động cơ
Để chế độ điều khiển Vector hoạt động hiệu quả, biến tần cần “hiểu” động cơ nó đang điều khiển.
- P.302: Công suất định mức động cơ (kW).
- P.303: Số cực động cơ (Poles). (Thường là 4 cực cho tốc độ 1450 rpm).
- P.304: Điện áp định mức động cơ (V) (Ví dụ: 220V hoặc 380V).
- P.305: Tần số định mức động cơ (Hz) (Thường là 50Hz).
- P.306: Dòng định mức động cơ (A). (Xem trên nhãn động cơ).
Sau khi nhập các thông số này, bạn có thể kích hoạt chế độ Auto-tuning (Dò thông số tự động) để biến tần tự đo nội trở và điện cảm của cuộn dây, giúp điều khiển chính xác hơn.
Xử lý các lỗi thường gặp khi vận hành biến tần Shihlin SE3
Dù bạn đã nắm vững cách cài đặt biến tần shihlin se3, nhưng trong quá trình vận hành thực tế, sự cố là điều khó tránh khỏi. Dưới đây là 3 mã lỗi phổ biến nhất và cách khắc phục:
Lỗi OC (Over Current – Quá dòng)
Lỗi này xuất hiện khi dòng điện đầu ra vượt quá ngưỡng chịu đựng của biến tần (thường là 200% dòng định mức).
- Nguyên nhân: Kẹt tải cơ khí, thời gian tăng tốc (P.7) quá ngắn, hoặc chạm chập pha đầu ra.
- Khắc phục: Kiểm tra lại cơ khí xem có bị kẹt không. Tăng thời gian P.7 lên. Dùng đồng hồ đo cách điện (Megger) kiểm tra motor.
Lỗi OV (Over Voltage – Quá áp)
Thường xảy ra khi giảm tốc hoặc khi tải có quán tính lớn kéo motor chạy nhanh hơn tốc độ đồng bộ.
- Nguyên nhân: Thời gian giảm tốc (P.8) quá ngắn.
- Khắc phục: Tăng P.8 lên. Nếu bắt buộc phải dừng nhanh, hãy lắp thêm điện trở xả vào chân P và PR.
Lỗi OL (Over Load – Quá tải)
Đây là tính năng bảo vệ nhiệt điện tử cho động cơ.
- Nguyên nhân: Động cơ hoạt động quá tải trong thời gian dài (ví dụ dòng định mức 10A nhưng chạy 12A liên tục).
- Khắc phục: Giảm tải, kiểm tra lại tỷ số truyền hộp số giảm tốc, hoặc nâng công suất biến tần và động cơ nếu hệ thống thiết kế thiếu tải.
Mẹo nâng cao: Cài đặt điều khiển đa cấp tốc độ
Trong nhiều ứng dụng như máy giặt công nghiệp hay máy khuấy trộn, chúng ta cần motor chạy ở nhiều tốc độ khác nhau tùy theo chu trình. Shihlin SE3 hỗ trợ tính năng này rất tốt qua các chân M0,M1,M2.
- Cài đặt P.4 (Tốc độ 1 – High), P.5 (Tốc độ 2 – Middle), P.6 (Tốc độ 3 – Low).
- Đấu nối các công tắc ngoài vào chân M0, M1, M2 và chân SD.
- Khi kích chân M0-SD, biến tần chạy tần số P.4. Kích M1-SD chạy tần số P.5.
- Bạn có thể kết hợp các chân (VD: kích cả M2 và M1) để tạo ra tới 7 cấp tốc độ hoặc thậm chí 15 cấp tốc độ (tham khảo thêm thông số P.80 đến P.86).
Tính năng này giúp bạn tiết kiệm chi phí mua PLC nếu hệ thống chỉ cần thay đổi tốc độ đơn giản theo quy trình.
Tài liệu kỹ thuật
Lời kết
Việc làm chủ cách cài đặt biến tần shihlin se3 không chỉ giúp bạn tự tin hơn trong công việc bảo trì, lắp đặt mà còn tối ưu hóa được hiệu suất hoạt động của máy móc. Dòng biến tần SE3 là một thiết bị mạnh mẽ, bền bỉ nếu được cấu hình đúng cách. Hy vọng bài viết này đã cung cấp cho bạn cái nhìn tổng quan và các bước thực hành cụ thể nhất.
Tuy nhiên, trong một bài viết giới hạn, tôi khó có thể truyền tải hết các tình huống thực tế phức tạp như: điều khiển lực căng (Torque control), chạy PID ổn định áp suất hay kết nối truyền thông Modbus RS485 với HMI/PLC. Những kỹ năng này đòi hỏi sự hướng dẫn trực quan và thực hành trên thiết bị thật.
Để hỗ trợ cộng đồng kỹ thuật Việt Nam nâng cao tay nghề, Công ty Tự Động Hóa Toàn Cầu đang tổ chức chương trình đào tạo đặc biệt.
Bạn muốn làm chủ hoàn toàn biến tần Shihlin và các thiết bị tự động hóa?
👉 Đăng ký ngay: Khóa học hướng dẫn cài đặt biến tần miễn phí do Công ty Tự Động Hóa Toàn Cầu tổ chức.
Chúng tôi sẽ hướng dẫn bạn trực tiếp trên các mô hình thực tế, đảm bảo bạn có thể tự tin đấu nối và cài đặt ngay sau khóa học. Khi tham gia khoá học, bạn sẽ được gia nhập cộng đồng kỹ thuât, hưởng trợ giá khi mua thiết bị thực hành, học đến đâu thực hành trực tiếp trên thiết bị thực đến đó.
Thông tin khoá học sẽ được cập nhật trên kênh social của Tự động hoá toàn cầu:
Hãy liên hệ ngay để được tư vấn giải pháp tối ưu nhất cho nhà máy của bạn!







Zalo Miền Bắc
