Hướng dẫn chi tiết cách cài đặt biến tần Delta CP2000 cho ứng dụng bơm quạt. Tối ưu hiệu suất, tiết kiệm điện và đảm bảo an toàn.
Giới thiệu
Trong các hệ thống HVAC, xử lý nước thải hay cấp nước tòa nhà, việc tối ưu hóa năng lượng là bài toán sống còn. Biến tần Delta CP2000 sinh ra để giải quyết vấn đề này với các thuật toán điều khiển vector thông minh dành riêng cho tải bơm và quạt. Tuy nhiên, sở hữu một thiết bị tốt là chưa đủ. Việc nắm vững cách cài đặt biến tần Delta CP2000 mới là yếu tố then chốt giúp hệ thống vận hành êm ái, bền bỉ và tiết kiệm điện năng tối đa.
Bài viết này sẽ hướng dẫn bạn quy trình cài đặt từ phần cứng đến các tham số phần mềm, dựa trên kinh nghiệm thực chiến hơn 10 năm trong ngành tự động hóa của chúng tôi.
Tổng quan về dòng biến tần Delta CP2000
Trước khi đi vào chi tiết cài đặt, kỹ thuật viên cần hiểu rõ đặc tính của thiết bị mình đang thao tác. Delta CP2000 là dòng biến tần Sensorless Vector Control, được thiết kế đặc biệt cho các ứng dụng có mô-men xoắn thay đổi như quạt gió và máy bơm.
Điểm mạnh của dòng này nằm ở khả năng tích hợp sẵn PLC với bộ nhớ lên đến 10.000 bước lệnh, tích hợp điều khiển PID thông minh và hỗ trợ chuẩn truyền thông BACnet dùng trong quản lý tòa nhà BMS. Dải công suất rộng từ 0.75kW đến 400kW giúp nó đáp ứng hầu hết các nhu cầu công nghiệp.
Việc hiểu đúng bản chất tải “Variable Torque” của CP2000 sẽ giúp bạn tránh được sai lầm phổ biến là chọn nhầm chế độ tải nặng gây lãng phí công suất hoặc cài đặt sai thông số bảo vệ động cơ.
Kiểm tra và đấu nối phần cứng an toàn
Bước đầu tiên và quan trọng nhất trong cách cài đặt biến tần Delta CP2000 là đảm bảo phần cứng được đấu nối chính xác. Sai sót ở bước này có thể dẫn đến nổ IGBT hoặc hỏng bo mạch điều khiển ngay khi cấp nguồn.
Đấu nối mạch động lực
Đối với mạch động lực, bạn cần tuân thủ nguyên tắc R-S-T là nguồn vào và U-V-W là ngõ ra động cơ. Tuyệt đối không được cấp nguồn lưới vào các chân U, V, W.
- Nguồn cấp (R/L1, S/L2, T/L3): Kết nối qua Aptomat (MCCB) và Contactor (MC) để bảo vệ quá tải và đóng cắt nguồn. Nếu dùng nguồn 1 pha, hãy đấu vào R và S (tùy model hỗ trợ).
- Ngõ ra động cơ (U/T1, V/T2, W/T3): Kết nối trực tiếp đến động cơ 3 pha. Lưu ý kiểm tra cách điện của động cơ trước khi đấu nối.
- Tiếp địa (PE): Bắt buộc phải nối đất cho cả biến tần và động cơ để triệt tiêu dòng rò, đảm bảo an toàn cho người vận hành và giảm nhiễu cho các thiết bị điều khiển khác như PLC hay HMI.
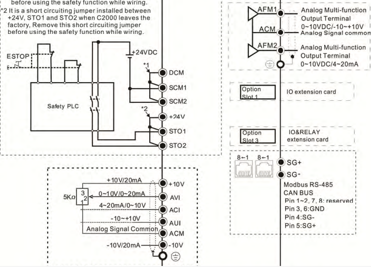
Đấu nối mạch điều khiển
Mạch điều khiển quyết định phương thức vận hành của biến tần. Trên dòng CP2000, các chân tín hiệu được bố trí dạng terminal rời rất thuận tiện.
- Chân kích chạy (Digital Input): Thường sử dụng chân FWD (Chạy thuận) và REV (Chạy nghịch) kết hợp với chân DCM (Common). Đây là chế độ điều khiển 2 dây hoặc 3 dây tùy chọn.
- Chân điều chỉnh tần số (Analog Input): Nếu dùng biến trở ngoài hoặc tín hiệu 0-10V từ cảm biến áp suất, bạn sẽ đấu vào chân AVI và ACM. Nếu dùng tín hiệu dòng 4-20mA, hãy sử dụng chân ACI.
Thao tác trên bàn phím (Keypad) và Reset mặc định
Sau khi cấp nguồn, màn hình LCD của CP2000 sẽ sáng lên. Dòng này trang bị màn hình hiển thị đa dòng, cho phép theo dõi cùng lúc tần số, dòng điện và điện áp.
Để đảm bảo quá trình cài đặt không bị xung đột với các thông số cũ (đặc biệt là với biến tần cũ hoặc mua lại), thao tác bắt buộc là trả biến tần về mặc định nhà sản xuất.
Quy trình Reset biến tần Delta CP2000:
- Nhấn phím MENU để vào nhóm thông số.
- Tìm đến nhóm 00-xx (System Parameters).
- Chọn thông số 00-02 (Parameter Reset).
- Đặt giá trị bằng 9 (Reset về mặc định cho hệ 50Hz) hoặc 10 (cho hệ 60Hz).
- Nhấn ENTER. Màn hình sẽ nhấp nháy và trở về trạng thái ban đầu.
Việc reset giúp xóa bỏ các thiết lập sai lệch như gán sai chức năng Input/Output hay các giới hạn tần số không mong muốn, tạo ra một “trang giấy trắng” để bạn bắt đầu thiết lập đúng chuẩn.
Cài đặt thông số động cơ và Auto-tuning
Để thuật toán Vector Control hoạt động chính xác, biến tần cần “hiểu” được động cơ mà nó đang điều khiển. Đây là bước mà nhiều kỹ thuật viên thường bỏ qua, dẫn đến việc biến tần báo lỗi quá dòng (OC) hoặc motor bị rung khi chạy ở tần số thấp.
Trong cách cài đặt biến tần Delta CP2000, bạn cần nhập chính xác các thông số ghi trên nhãn (nameplate) động cơ:.
- 01-01: Tần số ngỏ ra Max.
- 01-02: Điện áp ngỏ ra Max (Ví dụ: 50Hz).
- 05-02: Công suất định mức(KW).
- 05-03: Tốc độ định mức(rpm).
Thực hiện Auto-tuning (Dò thông số tự động):
Sau khi nhập xong, hãy vào thông số 05-00.
- Chọn 1: Rolling auto-tuning (Dò động, cần tháo tải khỏi trục động cơ).
- Chọn 2: Static auto-tuning (Dò tĩnh, dùng khi không thể tháo tải).
Sau khi chọn, nhấn phím RUN trên màn hình. Biến tần sẽ bơm dòng điện vào cuộn dây để đo điện trở và điện cảm. Quá trình kết thúc khi màn hình ngừng nhấp nháy.
Cài đặt lệnh chạy và lệnh tần số
Đây là phần cốt lõi quyết định biến tần sẽ hoạt động như thế nào. Bạn cần xác định hai yếu tố: Biến tần nhận lệnh chạy từ đâu? Và nhận lệnh thay đổi tốc độ từ đâu?
Chúng ta sẽ thao tác trong nhóm 00-xx:
Lệnh điều khiển chạy – Pr.00-21
Thông số này quy định cách bạn khởi động biến tần:
- Giá trị 0: Điều khiển bằng bàn phím (Phím RUN/STOP trên Keypad). Dùng để test máy.
- Giá trị 1: Chạy bằng công tắc ngoài (Terminal Block). Đấu nối chân FWD/REV với DCM. Đây là chế độ phổ biến nhất trong công nghiệp.
- Giá trị 2: Chạy qua truyền thông RS485 (Modbus). Dùng khi kết nối với PLC hoặc HMI.
Lệnh đặt tần số – Pr.00-20
Thông số này quy định cách bạn thay đổi tốc độ động cơ:
- Giá trị 0: Thay đổi bằng phím lên/xuống trên bàn phím.
- Giá trị 1: Sử dụng tín hiệu Analog ngoài qua chân AVI, ACI. Thường dùng biến trở.
- Giá trị 2: Truyền thông RS485.
Ví dụ: Nếu bạn muốn lắp tủ điện có nút nhấn chạy dừng và núm vặn chỉnh tốc độ bên ngoài cánh tủ, bạn sẽ cài Pr.00-21 = 1 và Pr.00-20 = 1.
Cài đặt thời gian tăng tốc và giảm tốc
Đối với các ứng dụng bơm quạt, việc cài đặt thời gian tăng/giảm tốc hợp lý giúp tránh hiện tượng “búa nước” (trong đường ống bơm) hoặc quá áp buồng khí (đối với quạt).
- Pr.01-12 (Thời gian tăng tốc – Acceleration Time): Thời gian để biến tần tăng từ 0Hz lên tần số cực đại. Với bơm nước công suất lớn (ví dụ 37kW), nên cài khoảng 20s – 40s để khởi động mềm mại.
- 01-13 (Thời gian giảm tốc – Deceleration Time): Thời gian để dừng hẳn. Nếu cài quá ngắn, biến tần sẽ báo lỗi quá áp (OV) do quán tính của cánh quạt trả năng lượng về tụ DC. Nên cài dài hơn thời gian tăng tốc một chút, khoảng 30s – 60s.
Lưu ý: Dòng CP2000 có hỗ trợ đường cong tăng tốc dạng chữ S (S-Curve). Kích hoạt chức năng này sẽ giúp quá trình khởi động và dừng cực kỳ êm ái, bảo vệ hệ thống cơ khí và đường ống.
Các lỗi thường gặp và cách khắc phục
Trong quá trình thực hiện cách cài đặt biến tần Delta CP2000, bạn có thể gặp một số mã lỗi sau. Đừng lo lắng, hãy kiểm tra theo hướng dẫn:
- LvA, Lvd, Lvn, LvS (Low Voltage): Thấp áp. Kiểm tra lại điện áp nguồn vào hoặc pha bị mất. Thường xảy ra khi dây nguồn lỏng.
- ovA, ovd, ovn, ovS (Over Voltage): Quá áp. Thường xảy ra khi giảm tốc quá nhanh. Hãy tăng thời gian giảm tốc (Pr.01-13) lên.
- ocA, ocd, ocn (Over Current): Quá dòng. Có thể do kẹt cơ khí, ngắn mạch motor hoặc cài sai thông số motor. Hãy kiểm tra lại phần cơ khí và thông số nhóm 01-xx.
- OH (Over Heat): Quá nhiệt. Kiểm tra quạt tản nhiệt của biến tần có quay không hoặc tủ điện có quá kín không.
Tài liệu kỹ thuật
Kết luận
Việc nắm vững cách cài đặt biến tần Delta CP2000 không chỉ giúp bạn làm chủ thiết bị mà còn mang lại hiệu quả kinh tế to lớn cho doanh nghiệp thông qua việc tiết kiệm năng lượng và kéo dài tuổi thọ động cơ. Từ việc đấu nối an toàn, reset hệ thống, cài đặt thông số cơ bản đến ứng dụng PID nâng cao, mỗi bước đều cần sự tỉ mỉ và chính xác.
Chúng tôi hiểu rằng, lý thuyết đôi khi khác xa thực tế. Có những tình huống tại công trường mà sách vở không đề cập tới. Đó là lý do chúng tôi muốn đồng hành cùng bạn sâu hơn nữa.
Bạn muốn làm chủ hoàn toàn kỹ thuật cài đặt biến tần? Công ty Tự động hóa Toàn Cầu trân trọng mời bạn tham gia:
KHÓA HỌC HƯỚNG DẪN CÀI ĐẶT BIẾN TẦN MIỄN PHÍ
Đây là cơ hội tuyệt vời để bạn được hướng dẫn trực tiếp trên các mô hình thực tế, giải đáp mọi thắc mắc về đấu nối, cài đặt và xử lý lỗi chuyên sâu.
Theo dõi các kênh social của Tự động hoá toàn cầu để đăng kí khoá học sớm nhất ( số lượng học viên có hạn! )
Hãy để chúng tôi giúp bạn trở thành chuyên gia trong lĩnh vực điều khiển truyền động!








Zalo Miền Bắc
