Tổng hợp tài liệu biến tần Panasonic: Catalog, hướng dẫn cài đặt, bảng mã lỗi chi tiết. Giải pháp tối ưu chi phí từ chuyên gia 10 năm kinh nghiệm.
Giới thiệu
Tại thị trường tự động hóa Việt Nam, biến tần Panasonic luôn được đánh giá cao nhờ “gen” chất lượng Nhật Bản: nhỏ gọn, tinh xảo và độ bền cơ khí tốt. Chúng thường xuất hiện trong các dây chuyền đóng gói, băng tải thực phẩm hoặc các máy móc nhập khẩu nguyên chiếc từ Nhật (máy bãi hoặc máy mới).
Tuy nhiên, với tư cách là kỹ thuật viên lâu năm, tôi nhận thấy người dùng Việt Nam thường gặp khó khăn khi tìm kiếm tài liệu hướng dẫn tiếng Việt chuẩn, đặc biệt là với các dòng đời cũ đã ngưng sản xuất hoặc các dòng mới có giao diện cài đặt khác biệt. Bên cạnh đó, mức giá thay thế linh kiện chính hãng khá cao cũng là một rào cản lớn.
Bài viết này của Tự Động Hóa Toàn Cầu sẽ là cuốn cẩm nang kỹ thuật toàn diện cung cấp cho bạn: Catalog, Manual hướng dẫn cài đặt, bảng mã lỗi chi tiết và các giải pháp thực tế nhất cho biến tần Panasonic.
I. Các dòng biến tần Panasonic phổ biến tại Việt Nam
Để thuận tiện cho việc tra cứu, sửa chữa và thay thế, chúng tôi phân loại các dòng biến tần Panasonic thường gặp nhất trong các nhà máy hiện nay.
1. Dòng VF-200 Series – Dòng Compact hiện đại
Đây là dòng biến tần phổ biến nhất hiện nay của Panasonic ở phân khúc công suất nhỏ.
- Dải công suất: 0.2kW đến 15kW (chủ yếu là 0.2kW – 3.7kW).
- Đặc điểm: Kích thước siêu nhỏ gọn, tích hợp sẵn bộ lọc nhiễu EMI, khả năng chịu quá tải 150% trong 60s.
- Ứng dụng: Băng tải, máy đóng gói, cửa tự động, máy chế biến gỗ nhỏ.
2. Dòng VF-0 / VF-8Z Series – Các dòng Legacy (Đời cũ)
Nếu bạn làm việc với máy bãi Nhật hoặc các dây chuyền cũ, bạn sẽ gặp dòng này rất nhiều.
- Đặc điểm: Thiết kế to hơn dòng đời mới, giao diện phím bấm và màn hình LED 7 đoạn cổ điển.
- Tình trạng: Hầu hết đã ngưng sản xuất, việc tìm hàng thay thế mới 100% rất khó, chủ yếu là sửa chữa hoặc mua hàng tháo máy.
Bảng tóm tắt thông số kỹ thuật:
| Đặc điểm kỹ thuật | Dòng VF-200 (Hiện đại) | Dòng VF-0 (Cũ) |
| Điện áp vào | 1 Pha 220V / 3 Pha 380V | 1 Pha 200V / 3 Pha 200V (Chuẩn Nhật) |
| Chế độ điều khiển | V/F, Vector vòng hở | V/F Control |
| Tần số max | 400Hz | 400Hz |
| Truyền thông | RS485 Modbus (Tùy model) | Không hoặc giao thức riêng |
| Mức độ bảo vệ | IP20 | IP20 |
II. Hướng dẫn cài đặt biến tần Panasonic
Việc cài đặt biến tần Panasonic đòi hỏi sự chính xác cao vì các ký hiệu tham số của hãng này thường khác biệt so với các dòng biến tần Trung Quốc hay Châu Âu phổ biến. Dưới đây là hướng dẫn dựa trên kinh nghiệm thực chiến của tôi.
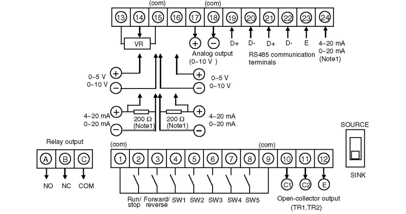
1. Sơ đồ đấu nối động lực và điều khiển
Trước khi cấp nguồn, hãy đảm bảo bạn đấu nối đúng theo nguyên tắc an toàn sau:
- Chân Nguồn (Power Input):
- Ký hiệu: L1, L2, L3 (hoặc R, S, T tùy đời).
- Lưu ý: Tuyệt đối không đấu nhầm nguồn 380V vào biến tần loại 220V, điều này sẽ làm nổ tụ và IGBT ngay lập tức.
- Chân Động Cơ (Output):
- Ký hiệu: U, V, W.
- Lưu ý: Không lắp tụ bù hoặc công tắc tơ ở đầu ra biến tần.


- Chân Điều Khiển (Control Terminal):
- Công tắc chạy ngoài: Đấu giữa chân 1 (Common) và chân 2 (Chạy thuận), 8 (Chạy nghịch) Lưu ý: Kiểm tra kỹ sơ đồ nắp che, Panasonic thường dùng chân số thay vì ký hiệu chữ cái.
- Biến trở ngoài: Chân số 15 (0V/GND), chân số 14 (Tín hiệu AI), chân số 13 (+10V).
2. Các thông số cài đặt quan trọng (Quick Setup)
Để máy chạy được ngay, bạn chỉ cần quan tâm đến nhóm thông số cơ bản sau. Trên bàn phím VF-200, nhấn MODE để vào menu cài đặt.
| Chức năng | Mã tham số (VF-200) | Giá trị cài đặt | Ý nghĩa |
| Khôi phục mặc định | P151 | 2 | Reset về thông số nhà sản xuất (Xóa lỗi cài đặt cũ) |
| Lệnh chạy (Run Cmd) | P003 | 0: Bàn phím (Op panel)
2: Công tắc ngoài (Terminal) |
Chọn cách kích hoạt biến tần chạy/dừng |
| Lệnh tần số (Freq Cmd) | P004 | 0: Núm xoay trên biến tần
2: Tín hiệu Analog (Biến trở) 1: Phím Lên/Xuống |
Chọn cách điều chỉnh tốc độ nhanh/chậm |
| Thời gian tăng tốc | P001 | 5.0 – 10.0 (giây) | Thời gian để đạt tốc độ tối đa |
| Thời gian giảm tốc | P002 | 5.0 – 10.0 (giây) | Thời gian để dừng hẳn |
| Tần số Max | P008 | 50.00 hoặc 60.00 (Hz) | Giới hạn tần số hoạt động |
3. Mẹo cài đặt nâng cao để tăng độ bền
Dựa trên kinh nghiệm hơn 10 năm trong nghề, tôi khuyên bạn nên tinh chỉnh thêm các thông số sau để bảo vệ hệ thống:
- Chế độ dừng tự do (Coast to Stop): Nếu tải có quán tính lớn (như quạt, mâm quay), hãy cài đặt chế độ dừng tự do thay vì dừng theo thời gian giảm tốc để tránh lỗi quá áp (OU).
- Tần số sóng mang (Carrier Frequency): Nếu motor bị rít hoặc quá ồn, hãy tăng nhẹ thông số tần số sóng mang, nhưng đừng tăng quá cao để tránh nóng biến tần.
TÀI LIỆU KỸ THUẬT (DOWNLOAD):
| Dòng sản phẩm | VF-0/VF-8Z | VF-200 |
| Catalogue | Đang update.. | Download |
| Manual | Download | Download |
| Hướng dẫn Tiếng Việt | Đang update.. | Đang update.. |
III. Bảng mã lỗi Biến tần Panasonic & Cách khắc phục
Trong quá trình vận hành, biến tần Panasonic có hệ thống báo lỗi rất nhạy. Dưới đây là bảng tra cứu các mã lỗi thường gặp nhất và hướng xử lý nhanh.
| Mã lỗi (Hiển thị) | Tên lỗi | Nguyên nhân phổ biến | Giải pháp khắc phục |
| OC1 / OC2 / OC3 | Quá dòng (Over Current) | – Ngắn mạch pha đầu ra (U,V,W).
– Motor bị kẹt, bó bi. – Thời gian tăng tốc quá ngắn. |
– Tháo dây motor, đo cách điện.
– Quay tay trục motor xem có kẹt không. – Tăng thời gian tăng tốc (P01). |
| OU1 / OU2 / OU3 | Quá áp (Over Voltage) | – Điện áp nguồn vào quá cao.
– Tải quán tính lớn trả ngược điện về khi giảm tốc. |
– Kiểm tra điện áp lưới.
– Tăng thời gian giảm tốc (P02). – Lắp thêm điện trở xả nếu cần. |
| LU / LV | Thấp áp (Low Voltage) | – Nguồn đầu vào bị sụt áp, mất pha.
– Công tắc tơ bypass bên trong bị hỏng. |
– Kiểm tra dây nguồn, cầu chì, CB.
– Nếu nguồn đủ mà vẫn báo, board nguồn có vấn đề -> Liên hệ sửa chữa. |
| OH / OH1 | Quá nhiệt (Over Heat) | – Quạt tản nhiệt chết hoặc kẹt bụi.
– Môi trường quá nóng (>40°C). |
– Vệ sinh quạt gió, khe tản nhiệt.
– Lắp quạt hút cho tủ điện. |
| OL | Quá tải (Over Load) | – Motor hoạt động quá công suất.
– Cài đặt dòng bảo vệ (P26) quá thấp. |
– Giảm tải cơ khí.
– Kiểm tra thông số dòng điện cài đặt. – Nâng cấp biến tần công suất lớn hơn. |
| Err / CPU | Lỗi phần cứng/CPU | – Nhiễu nặng hoặc hỏng board điều khiển. | – Thử Reset (P00). Nếu không hết, cần gửi về trung tâm bảo hành. |
Lưu ý quan trọng: Khi gặp lỗi OC (Quá dòng), tuyệt đối không được Reset và chạy lại ngay liên tục. Việc này có thể khiến IGBT (linh kiện công suất) bị nổ tung, gây hư hỏng nặng không thể sửa chữa. Hãy ngắt điện và kiểm tra kỹ phần động cơ trước.
IV. Nhược điểm của biến tần Panasonic & Giải pháp thay thế
Dù là thương hiệu lớn, nhưng trong mảng biến tần công nghiệp tại Việt Nam, Panasonic bộc lộ một số nhược điểm khiến nhiều nhà máy và đơn vị chế tạo máy (OEM) phải cân nhắc:
- Giá thành cao: Chi phí đầu tư ban đầu lớn, không phù hợp với các dự án cần tối ưu ngân sách cạnh tranh.
- Khó kiếm linh kiện thay thế: Nhiều dòng đời cũ (VF0, VF-7E) đã ngừng sản xuất, khi hỏng hóc rất khó tìm linh kiện sửa chữa, buộc phải thay mới cả hệ thống gây tốn kém.
- Giao diện kén người dùng: Cách ký hiệu thông số kỹ thuật hơi khác biệt so với chuẩn chung, gây khó khăn cho thợ mới tiếp cận.
Vậy đâu là giải pháp thay thế hoàn hảo?
Nếu bạn cần một thiết bị có chất lượng công nghiệp tương đương, độ bền cao nhưng giá thành tốt hơn nhiều, hãy cân nhắc Biến tần Shihlin.

Tại sao Shihlin là sự lựa chọn của các kỹ sư hiện nay?
Chất lượng chuẩn Nhật – Chi phí tối ưu từ Đài Loan
Shihlin là thương hiệu Đài Loan với hơn 70 năm phát triển (thành lập từ năm 1955), mang đến trải nghiệm hiệu suất tương đương Mitsubishi Electric nhưng với mức đầu tư tiết kiệm hơn đáng kể.
Nền tảng công nghệ đồng bộ
Sản phẩm ứng dụng công nghệ Mitsubishi – tập đoàn hiện là cổ đông lớn nhất với tỷ lệ sở hữu 21,16%. Các giải pháp điều khiển vector, bảo vệ quá tải và truyền thông công nghiệp được phát triển dựa trên tiêu chuẩn kỹ thuật của Mitsubishi, đảm bảo độ ổn định và tin cậy cao trong vận hành.
Hỗ trợ kỹ thuật và hậu mãi chuyên sâu
GAC cung cấp dịch vụ tư vấn thay thế tương đương nhanh chóng từ các dòng Mitsubishi FR-D700, FR-E700 sang biến tần Shihlin, cam kết đúng chuẩn kỹ thuật và không làm gián đoạn hệ thống.
Gói “Dịch vụ vượt trội” độc quyền từ GAC tại thị trường Việt Nam
Nhằm tối ưu lợi ích cho doanh nghiệp, GAC triển khai gói dịch vụ toàn diện, bao gồm:
- Bảo hành lên đến 3 năm: Cam kết bảo hành toàn bộ lỗi phát sinh trong quá trình sử dụng, giúp khách hàng an tâm tuyệt đối.
- Miễn phí lắp đặt trong phạm vi 60 km: Đội ngũ kỹ sư giàu kinh nghiệm, hỗ trợ nhanh chóng và linh hoạt.
- Đào tạo kỹ thuật 1:1 miễn phí: Hướng dẫn trực tiếp, giúp kỹ thuật viên nắm vững công nghệ và khai thác tối đa hiệu quả thiết bị.


Xem thêm: Các dòng sản phẩm biến tần Shihlin – tại đây
Với nền tảng thương hiệu hơn 70 năm cùng khả năng thay thế linh hoạt các dòng biến tần phổ biến như Mitsubishi, LS, Delta và Schneider, biến tần Shihlin không đơn thuần là giải pháp điều khiển tốc độ động cơ. Đây còn là lựa chọn chiến lược giúp doanh nghiệp tối ưu chi phí đầu tư, nâng cao hiệu quả vận hành và đảm bảo tính bền vững cho toàn bộ dây chuyền sản xuất.
Liên hệ ngay với chúng tôi để nhận bảng giá chiết khấu hấp dẫn và nhận nhiều phần quà đến từ nhãn hàng Shihlin!
Quý khách vui lòng Click Zalo liên hệ báo giá, đội ngũ Kinh Doanh của chúng tôi sẽ gửi bảng giá biến tần Shihlin cùng dịch vụ hậu mãi và mức chiết khấu tốt nhất cho từng quý khách hàng.





Zalo Miền Bắc