Tổng hợp tài liệu biến tần Hitachi: Catalog, Manual hướng dẫn cài đặt tiếng Việt, bảng mã lỗi chi tiết. Giải pháp kỹ thuật tối ưu, mới nhất 2026.
Giới thiệu
Trong giới tự động hóa công nghiệp, biến tần Hitachi (Hitachi Inverter) từ lâu đã được xem là “tượng đài” về chất lượng và độ bền bỉ đậm chất Nhật Bản. Tại Việt Nam, chúng ta dễ dàng bắt gặp các dòng biến tần này trong các hệ thống thang máy, cẩu trục, máy nén khí hoặc các dây chuyền sản xuất nhập khẩu nguyên chiếc.
Tuy nhiên, “tiền nào của nấy”, chi phí đầu tư và thay thế linh kiện cho biến tần Hitachi chính hãng luôn nằm ở mức cao. Hơn nữa, tài liệu kỹ thuật đi kèm thường khá dày và phức tạp, gây không ít khó khăn cho anh em kỹ thuật khi cần cài đặt nhanh hoặc xử lý sự cố gấp.
Với kinh nghiệm hơn 10 năm “chinh chiến” tại các nhà máy, bài viết này của Tự Động Hóa Toàn Cầu sẽ hệ thống hóa lại toàn bộ kiến thức cần thiết: Catalog, sơ đồ đấu nối, bảng mã lỗi và hướng dẫn cài đặt chuẩn xác nhất cho biến tần Hitachi.
I. Các dòng biến tần Hitachi phổ biến nhất hiện nay
Hitachi có dải sản phẩm rất rộng, nhưng tại thị trường Việt Nam, 3 dòng sau đây là phổ biến nhất, từ các ứng dụng tải nhẹ đến tải siêu nặng.
1. Dòng NE-S1 Series – Nhỏ gọn và Kinh tế
Đây là dòng biến tần entry-level (cơ bản) thay thế cho dòng X200 cũ.
- Dải công suất: 0.2kW – 4.0kW.
- Đặc điểm: Thiết kế cực kỳ nhỏ gọn, giao diện tối giản (chỉ có vài nút bấm và màn hình LED). Cực kỳ bền bỉ cho các ứng dụng đơn giản.
- Ứng dụng: Quạt thông gió, bơm nhỏ, cửa tự động, băng tải thực phẩm.
2. Dòng WJ200 – Đa năng hiệu suất cao
Dòng biến tần Vector không cảm biến (Sensorless Vector) rất được ưa chuộng nhờ khả năng chịu quá tải tốt.
- Dải công suất: 0.1kW – 15kW.
- Đặc điểm: Mô-men khởi động lớn (200% ở 0.5Hz), tích hợp sẵn chức năng PLC đơn giản, hỗ trợ truyền thông Modbus RTU.
- Ứng dụng: Máy dệt, máy đóng gói tốc độ cao, băng tải tải nặng.
3. Dòng SJ700 – Dòng tải nặng chuyên dụng
“Quái vật” trong phân khúc biến tần công nghiệp nặng, thay thế cho các dòng L100/SJ300 huyền thoại.
- Dải công suất: Lên tới 400kW (và cao hơn).
- Đặc điểm: Điều khiển Vector vòng kín (Closed Loop Vector), chịu quá tải cực cao, tích hợp bộ lọc nhiễu EMC cao cấp.
- Ứng dụng: Cẩu trục, thang máy, máy nghiền đá, máy ép nhựa, máy ly tâm.
II. Hướng dẫn cài đặt biến tần Hitachi
Cấu trúc tham số của Hitachi chia thành các nhóm: F (Monitor/Setting), A (Standard), b (Fine tuning), C (Terminal), H (Sensorless). Dưới đây là hướng dẫn cài đặt chuẩn cho dòng WJ200 (các dòng khác tương tự 90%).
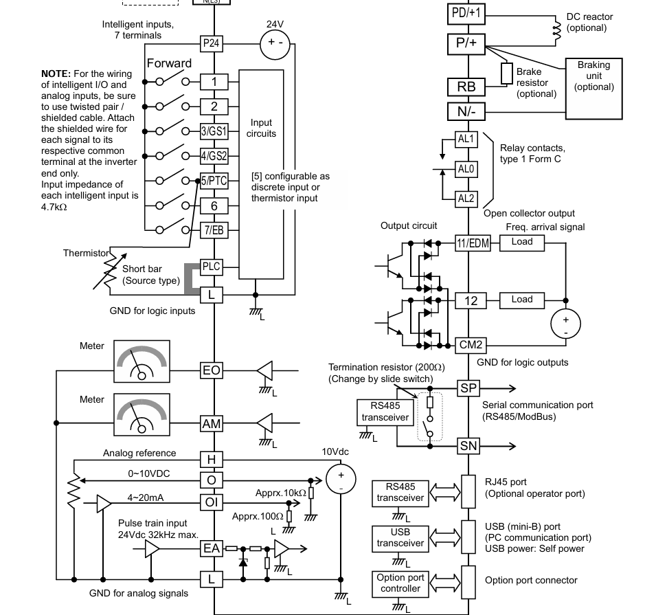
1. Sơ đồ đấu nối động lực và điều khiển
Để đảm bảo an toàn và chống nhiễu, bạn cần tuân thủ sơ đồ sau:
- Phần Động Lực:
- Nguồn vào: Chân R/L1, S/L2, T/L3 (Dùng cầu chì hoặc CB bảo vệ).
- Đầu ra Motor: Chân U/T1, V/T2, W/T3.
- Điện trở xả (nếu cần): Đấu vào chân P và RB.
- Phần Điều Khiển (Lưu ý kỹ Switch gạt Sink/Source):
- Tại Việt Nam, chúng ta thường dùng kiểu đấu Sink (Kích âm – 0V). Đảm bảo gạt Switch trên biến tần sang vị trí SINK.
- Lệnh chạy ngoài: Đấu qua công tắc vào chân số 1 (Chạy thuận).
- Biến trở ngoài: Chân H (+10V), chân O (Tín hiệu giữa), chân L (0V/GND).
2. Các thông số cài đặt “Sống còn” (Quick Start)
Sau khi cấp nguồn, nhấn phím ESC để về màn hình chính, dùng phím mũi tên để chọn nhóm hàm.
| Chức năng | Mã tham số | Giá trị cài đặt | Ý nghĩa thực tế |
| Reset mặc định | b084 | 02 | Khôi phục cài đặt gốc (Cần thiết khi lắp máy cũ) |
| Nguồn lệnh tần số | A001 | 00: Biến trở trên mặt máy
01: Chân Terminal (Biến trở ngoài) 02: Phím bấm (F001) |
Chọn cách chỉnh tốc độ nhanh/chậm |
| Nguồn lệnh chạy | A002 | 01: Chân Terminal (Công tắc ngoài)
02: Phím RUN trên mặt máy |
Chọn cách kích hoạt chạy/dừng |
| Tần số cơ sở | A003 | 50.0 (Hz) | Tần số định mức của động cơ (Xem tem motor) |
| Tần số tối đa | A004 | 50.0 – 60.0 (Hz) | Giới hạn tốc độ cao nhất |
| Thời gian tăng tốc | F002 | 10.00 (Giây) | Thời gian motor đạt tốc độ max |
| Thời gian giảm tốc | F003 | 10.00 (Giây) | Thời gian motor dừng hẳn |
| Dòng định mức | b012 | Nhập số (A) | Nhập đúng dòng điện trên tem motor để bảo vệ quá tải |
3. Mẹo xử lý kỹ thuật chuyên sâu
- Chức năng AVR (Ổn áp tự động): Mặc định Hitachi bật chức năng này (A081 = 00). Nó giúp điện áp ra motor ổn định dù điện lưới trồi sụt, rất tốt cho tuổi thọ motor.
- Khóa tham số (Software Lock): Để tránh công nhân táy máy bấm nhầm, hãy cài b031 = 01 (Chỉ cho phép sửa F001, các hàm khác chỉ xem).
TÀI LIỆU KỸ THUẬT (DOWNLOAD):
| Dòng sản phẩm | NE-S1 | WJ200 | SJ700 |
| Catalogue | Download | Download | Download |
| Manual | Download | Download | Download |
| Hướng dẫn Tiếng Việt | Đang update.. | Đang update.. | Đang update.. |
III. Bảng mã lỗi Biến tần Hitachi thường gặp & Cách khắc phục
Biến tần Hitachi báo lỗi rất chính xác nhưng mã hiển thị thường là dạng Exx. Dưới đây là bảng “giải mã” chi tiết nhất 2026.
| Mã lỗi (Code) | Tên lỗi | Nguyên nhân gốc rễ | Hướng dẫn khắc phục |
| E01, E02, E03 | Quá dòng (Over Current) | – E01: Quá dòng khi tốc độ không đổi.
– E02: Quá dòng khi giảm tốc. – E03: Quá dòng khi tăng tốc. -> Thường do ngắn mạch motor hoặc kẹt tải. |
– Kiểm tra cách điện motor (Megometer).
– Quay tay trục motor xem có nhẹ không. – Tăng thời gian tăng tốc (F002). |
| E07 | Quá áp (Over Voltage) | – Điện áp lưới tăng đột ngột.
– Tải có quán tính lớn (quạt, đà quay) trả điện về khi dừng gấp. |
– Đo điện áp nguồn.
– Tăng thời gian giảm tốc (F003). – Bắt buộc lắp điện trở xả nếu dừng gấp. |
| E05 | Quá tải động cơ (Motor Overload) | – Motor hoạt động quá sức kéo.
– Cài đặt dòng b012 sai. |
– Giảm tải cơ khí.
– Kiểm tra lại dòng định mức motor. – Chuyển sang biến tần công suất lớn hơn. |
| E09 | Thấp áp (Under Voltage) | – Nguồn điện đầu vào yếu, sụt áp.
– Mất pha đầu vào. |
– Kiểm tra CB, cầu chì, contactor cấp nguồn.
– Siết lại các ốc vít cầu đấu R, S, T. |
| E14 | Lỗi chạm đất (Ground Fault) | – Dây dẫn ra motor bị rò điện xuống vỏ/đất. | – Kiểm tra dây cáp và cuộn dây motor ngay lập tức. |
Kinh nghiệm xương máu: Lỗi E07 (Quá áp) rất hay gặp ở các máy ép nhựa hoặc ly tâm dùng biến tần Hitachi. Nhiều thợ vội vàng thay biến tần mới nhưng không hết. Nguyên nhân thực sự là chưa lắp Điện trở xả hoặc điện trở xả bị đứt. Hãy kiểm tra điện trở trước!
IV. Nhược điểm của biến tần Hitachi & Giải pháp thay thế
Không ai phủ nhận chất lượng của Hitachi, nhưng ở góc độ đầu tư hiệu quả cho doanh nghiệp Việt Nam, dòng sản phẩm này có những rào cản nhất định:
- Chi phí sở hữu cao: Giá máy mới rất đắt, đặc biệt là các dòng công suất lớn >37kW.
- Thời gian đặt hàng lâu: Với các model không thông dụng, thời gian chờ nhập hàng có thể lên tới 8-12 tuần, gây đình trệ sản xuất nghiêm trọng nếu máy hỏng bất ngờ.
- Linh kiện đắt đỏ: Chi phí thay Mainboard hoặc IGBT chính hãng đôi khi gần bằng mua một con biến tần mới của hãng khác.
Vậy giải pháp nào cân bằng giữa CHẤT LƯỢNG và CHI PHÍ?
Nếu bạn đang tìm kiếm một phương án thay thế có độ bền tương đương nhưng giá thành “dễ thở” hơn và luôn có sẵn hàng, hãy tham khảo Biến tần Shihlin

Tại sao Shihlin là sự lựa chọn hàng đầu của các kỹ sư hiện nay?
Chất lượng Nhật Bản – Chi phí tối ưu theo tiêu chuẩn Đài Loan:
Thương hiệu Đài Loan với hơn 70 năm hình thành và phát triển (từ năm 1955), mang đến hiệu suất vận hành tương đương Mitsubishi Electric nhưng với mức đầu tư kinh tế hơn đáng kể.
Nền tảng công nghệ đồng bộ từ Mitsubishi:
Ứng dụng công nghệ Mitsubishi, với Mitsubishi Electric là cổ đông lớn (21,16%). Các chức năng điều khiển vector, bảo vệ quá tải và giao tiếp truyền thông công nghiệp đều được phát triển dựa trên tiêu chuẩn kỹ thuật của Mitsubishi.
Dịch vụ hậu mãi chuyên sâu, chuẩn kỹ thuật:
GAC hỗ trợ tư vấn và thay thế tương đương từ các dòng Mitsubishi FR-D700, FR-E700 sang biến tần Shihlin nhanh chóng, chính xác, đảm bảo khả năng tương thích và an toàn vận hành.
Bên cạnh đó, GAC triển khai gói “Dịch vụ vượt trội” – giải pháp hỗ trợ toàn diện dành riêng cho doanh nghiệp tại thị trường Việt Nam:
-
Bảo hành mở rộng lên đến 3 năm: Cam kết xử lý mọi lỗi phát sinh, giúp khách hàng an tâm trong suốt vòng đời sử dụng thiết bị.
-
Miễn phí lắp đặt trong phạm vi 60 km: Đội ngũ kỹ sư giàu kinh nghiệm, hỗ trợ kỹ thuật nhanh chóng, sẵn sàng 24/7.
-
Đào tạo kỹ thuật 1–1 hoàn toàn miễn phí: Hướng dẫn trực tiếp, giúp đội ngũ kỹ thuật nắm vững công nghệ và khai thác thiết bị hiệu quả tối đa.


Xem thêm: Các dòng sản phẩm biến tần Shihlin – tại đây
Với bề dày thương hiệu hơn 70 năm cùng khả năng thay thế tương thích linh hoạt các dòng biến tần phổ biến như Mitsubishi, LS, Delta và Schneider, Shihlin không chỉ đơn thuần là giải pháp điều khiển tốc độ động cơ. Đây là lựa chọn chiến lược giúp doanh nghiệp tối ưu ngân sách đầu tư, nâng cao hiệu suất vận hành và đảm bảo sự ổn định, bền vững cho toàn bộ hệ thống sản xuất.
Hãy liên hệ ngay với Tự động hóa toàn cầu để nhận bảng giá ưu đãi cùng nhiều chương trình quà tặng hấp dẫn từ thương hiệu Shihlin.
Quý khách vui lòng liên hệ báo giá, đội ngũ Kinh doanh của chúng tôi sẽ nhanh chóng gửi đến quý khách bảng giá biến tần Shihlin chi tiết, kèm theo chính sách hậu mãi và mức chiết khấu tối ưu, phù hợp với từng nhu cầu sử dụng.







Zalo Miền Bắc
