Tổng hợp kiến thức chuyên sâu về biến tần ENC: Các dòng chủ lực (EN600, EDS800), tài liệu kỹ thuật, bảng mã lỗi và giải pháp nâng cấp hệ thống hiệu quả.
Giới thiệu
Biến tần ENC (tên đầy đủ là Shenzhen Encom Electric Technologies) là thương hiệu biến tần có mặt khá sớm tại thị trường Việt Nam. Được biết đến là một trong những dòng biến tần Trung Quốc đời đầu có mức giá “bình dân”, ENC đã từng chiếm lĩnh thị phần lớn trong các ngành công nghiệp gia công gỗ, dệt may, bao bì và máy công cụ CNC.
Các dòng sản phẩm của ENC như EDS series hay EN series nổi bật nhờ thiết kế đơn giản, dễ cài đặt và khả năng đáp ứng các nhu cầu cơ bản của dây chuyền sản xuất. Tuy nhiên, với sự vận động không ngừng của công nghệ, các yêu cầu về độ chính xác, khả năng chịu lỗi và tiết kiệm năng lượng ngày càng khắt khe hơn.
Bài viết này sẽ cung cấp cái nhìn toàn diện về kỹ thuật của biến tần ENC, từ việc cài đặt, xử lý sự cố đến việc đánh giá tính phù hợp của nó trong bối cảnh công nghiệp hiện đại năm 2026, đồng thời đưa ra giải pháp thay thế tối ưu.
I. CÁC DÒNG BIẾN TẦN ENC TIÊU BIỂU
ENC có dải sản phẩm khá rộng, tuy nhiên tại Việt Nam, kỹ sư thường xuyên tiếp xúc với 4 dòng chính sau đây:
1. Dòng EN600 (High Performance Vector)
Đây là dòng biến tần hiệu suất cao của ENC, được thiết kế để xử lý các tải nặng và yêu cầu độ chính xác cao.
- Công suất: 0.4kW – 630kW (380V).
- Đặc điểm nổi bật: Sử dụng công nghệ điều khiển Vector vòng kín (Closed Loop Vector) và vòng hở (SVC). EN600 có mô-men khởi động lớn (180% ở 0.5Hz), tích hợp sẵn PLC giản đơn và bộ điều khiển PID.
- Ứng dụng: Máy nghiền nhựa, máy đùn, máy cắt bao bì tốc độ cao, hệ thống nâng hạ.
2. Dòng EN500 (Multi-function Universal)
Dòng biến tần đa năng, phổ biến nhất của ENC nhờ sự cân bằng giữa tính năng và chi phí.
- Công suất: 0.75kW – 400kW (380V).
- Đặc điểm nổi bật: Thiết kế ống gió độc lập giúp tản nhiệt tốt hơn các đời cũ. Hỗ trợ nhiều card mở rộng và các chuẩn truyền thông Modbus. Khả năng chịu quá tải 150% trong 60s.
- Ứng dụng: Hệ thống bơm quạt (HVAC), băng tải dây chuyền, máy chế biến gỗ, máy nén khí.
3. Dòng EDS800 (Mini Inverter)
Dòng biến tần nhỏ gọn, thường thấy trong các máy móc cỡ nhỏ hoặc tủ điện có không gian hạn chế.
- Công suất: 0.2kW – 1.5kW (1 pha 220V), 0.75kW – 2.2kW (3 pha 380V).
- Đặc điểm nổi bật: Kích thước siêu nhỏ, thiết kế gắn thanh ray (Din-rail) hoặc bắt vít. Tích hợp sẵn biến trở trên mặt máy, rất tiện lợi cho việc điều chỉnh tốc độ thủ công.
- Ứng dụng: Máy đóng gói thực phẩm, máy làm nhang, băng tải mini, cửa cuốn tự động.
4. Dòng EDS2000/EDS2800 (Legacy Series)
Đây là các dòng đời cũ, hiện nay ít được sản xuất mới nhưng lượng máy tồn đọng trong các nhà máy cũ vẫn còn rất nhiều.
- Đặc điểm: Thiết kế to, cồng kềnh hơn so với các dòng EN mới. Chủ yếu điều khiển V/F, ít tính năng nâng cao.
- Ứng dụng: Máy bơm nước nông nghiệp, quạt thổi lò gạch, máy xay xát lúa gạo.
TÀI LIỆU KỸ THUẬT (DOWNLOAD)
Để vận hành chính xác, kỹ sư cần tra cứu đúng manual theo đời máy. Dưới đây là bảng tổng hợp tài liệu:
| Dòng Sản Phẩm | Manual (Hướng dẫn sử dụng) | Catalog (Thông số kỹ thuật) |
| EN600 | [Tải về – EN600 Series Manual] | [Tải về – EN600 Catalogue] |
| EN500 | [Tải về – EN500 Series Manual] | [Tải về – EN500 Catalogue] |
| EDS800 | [Tải về – EDS800 Series Manual] | [Tải về – EDS800 Catalogue] |
| EDS2000 | [Tải về – EDS2000 Series Manual] | [Tải về – EDS2000 Catalogue] |
(Lưu ý: Đối với các dòng EDS đời cũ, một số thông số có thể khác biệt so với dòng EN hiện tại).
II. HƯỚNG DẪN THIẾT LẬP CƠ BẢN
Quy trình cài đặt biến tần ENC cần tuân thủ các nguyên tắc an toàn điện và kỹ thuật điều khiển. Dưới đây là hướng dẫn cài đặt dựa trên dòng EN600/EN500 phổ biến.
1. An toàn
- Xả tụ: Sau khi ngắt nguồn, tụ điện DC bus vẫn tích điện áp cao (lên tới 600-700VDC). Cần đợi đèn “CHARGE” tắt hẳn (khoảng 5-10 phút) trước khi chạm vào các cực đấu dây.
- Môi trường: Không lắp đặt biến tần ENC ở nơi có bụi kim loại hoặc độ ẩm > 90% nếu không có tủ bảo vệ, vì lớp phủ mạch của dòng này nhạy cảm với môi trường.
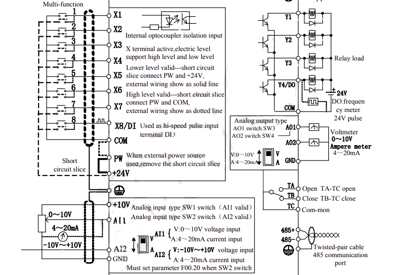
2. Đấu nối
- Mạch động lực:
- Nguồn vào: R, S, T (3 pha) hoặc L1, L2 (1 pha).
- Động cơ: U, V, W. (Lưu ý: Nếu động cơ quay ngược, chỉ cần đảo 2 trong 3 pha U-V-W).
- Điện trở xả: Đấu vào chân P(+) và PB. (Chỉ đấu khi ứng dụng cần dừng nhanh hoặc hãm tái sinh).
- Mạch điều khiển:
- Kích chạy (Run/Stop): Chân X1 (Forward), X2 (Reverse) đấu chung với COM.
- Điều chỉnh tốc độ: Chân AI1 (0-10V), AI2 (4-20mA) và GND.
- Chân X1,X2,…X8: sử dụng để điều khiển đa cấp tốc độ
3. Cài đặt thông số động cơ
Biến tần ENC cần biết thông số motor để bảo vệ quá tải và tính toán dòng từ hóa.
- F15.01: Công suất định mức (kW).
- F15.02: Điện áp định mức (V).
- F15.03: Dòng điện định mức (A) – Rất quan trọng.
- F15.04: Tần số định mức (Hz) – Thường là 50.00Hz.
- F15.05: Tốc độ quay định mức (RPM) – Ví dụ: 1460 vòng/phút.
- F15.11: Auto-tuning (Dò thông số). Chọn 1 để dò tĩnh, 2 để dò động (chạy không tải).
4. Bảng thông số vận hành
Cấu hình lệnh điều khiển là bước quyết định xem biến tần chạy bằng nút nhấn hay chạy tự động.
| Chức năng | Mã lệnh (Dòng EN) | Giá trị cài đặt | Mô tả |
| Chế độ điều khiển | F0.24 | 0: V/F; 1: Vector | Chọn 0 cho bơm/quạt; 1 cho máy ép/tải nặng. |
| Lệnh chạy (Run Cmd) | F01.00 | 0: Keypad; 1: Terminal | Chọn 1 để dùng công tắc ngoài đấu vào X1. |
| Nguồn tần số | F01.03 | 0: Keypad; 1:AI1; 2:AI2 | Chọn 1 để dùng biến trở ngoài xoay tốc độ. |
| Thời gian tăng tốc | F01.17 | Tùy chỉnh (s) | Mặc định thường là 10s hoặc 20s. |
| Thời gian giảm tốc | F01.18 | Tùy chỉnh (s) | Giảm từ từ để tránh lỗi quá áp. |
| Tần số tối đa | F01.11 | 50.00Hz / 60.00Hz | Giới hạn trên của tốc độ. |
5. Một số lỗi thường gặp và xử lý nhanh trên ENC
- Biến tần báo Ready nhưng không chạy: Kiểm tra xem chân X1 và COM đã thông mạch chưa (sử dụng đồng hồ đo chế độ thông mạch). Kiểm tra xem lệnh F0.02 đã chuyển sang Terminal chưa.
- Motor kêu rít khi chạy ở tần số thấp: Do sóng mang quá thấp hoặc quá cao. Chỉnh thông số F04.09 (Carrier Freq) lên hoặc xuống một chút để triệt tiêu tiếng ồn.
III. BẢNG MÃ LỖI BIẾN TẦN ENC
Mã lỗi của ENC thường bắt đầu bằng chữ “E”. Dưới đây là các lỗi phổ biến nhất trên dòng EN600/EN500:
| Mã lỗi | Tên lỗi | Nguyên nhân | Cách khắc phục |
| E-01 | Quá dòng tăng tốc | Ngắn mạch motor, thời gian tăng tốc quá ngắn. | Kiểm tra dây dẫn U,V,W. Tăng thời gian F0.10. |
| E-02 | Quá dòng giảm tốc | Quán tính tải lớn, thời gian giảm tốc quá gắt. | Tăng thời gian F0.11 hoặc lắp điện trở xả. |
| E-06 | Quá áp nguồn (Input) | Điện áp lưới > 440V hoặc đột biến điện áp. | Kiểm tra pha nguồn R,S,T. |
| E-08 | Thấp áp (Undervoltage) | Mất pha đầu vào, Contactor bên trong bị hỏng tiếp điểm. | Kiểm tra nguồn vào, siết lại ốc vít domino nguồn. |
| E-09 | Quá tải biến tần | Biến tần hoạt động quá công suất >150%. | Chọn biến tần lớn hơn 1 cấp công suất. |
| E-10 | Quá tải động cơ | Động cơ bị kẹt cơ khí, khô dầu mỡ. | Kiểm tra dòng điện thực tế so với nhãn motor. |
| E-17 | Quá nhiệt (Overheat) | Quạt làm mát chết, khe tản nhiệt bị bít kín bụi. | Thay quạt tản nhiệt, vệ sinh khe gió bằng khí nén. |
| E-26 | Lỗi giao tiếp | Màn hình không kết nối được với bo mạch chính. | Kiểm tra cáp nối bàn phím (Keypad). |
Quy trình xử lý: Khi gặp lỗi, nhấn nút STOP/RESET để xóa lỗi. Nếu lỗi vẫn xuất hiện ngay lập tức, tuyệt đối không cố khởi động lại mà cần đo kiểm phần cứng.
IV. HẠN CHẾ CỦA BIẾN TẦN ENC
Là một người làm kỹ thuật hơn 10 năm, tôi đã lắp đặt và sửa chữa hàng trăm biến tần ENC. Mặc dù là một giải pháp kinh tế, nhưng ENC đang bộc lộ những hạn chế rõ rệt trong môi trường công nghiệp hiện đại:
1. Linh kiện và độ bền trong môi trường khắc nghiệt
Các dòng ENC đời cũ (EDS) thường sử dụng quạt tản nhiệt bạc thau thay vì bạc đạn, dẫn đến tuổi thọ quạt thấp, dễ bị kẹt sau 1-2 năm vận hành liên tục. Khi quạt hỏng, IGBT bị quá nhiệt cục bộ dẫn đến nổ công suất. Ngoài ra, lớp phủ bảo vệ mainboard khá mỏng, dễ bị ăn mòn ở các nhà máy xi mạ, dệt nhuộm có hơi hóa chất.
2. Khó khăn trong việc tìm kiếm vật tư thay thế
Với các dòng EDS2000 hay EDS2800 đã ngưng sản xuất, việc tìm kiếm board điều khiển (Control board) hoặc bàn phím thay thế là cực kỳ khó khăn. Đặt hàng từ hãng Encom Trung Quốc thường mất 3-5 tuần, gây gián đoạn sản xuất nghiêm trọng cho nhà máy.
3. Phản hồi tác động tải
Thuật toán Vector của ENC ở các dòng phổ thông xử lý các tải dao động (như máy nghiền đá, máy ép nhựa chu kỳ ngắn) chưa thực sự mượt. Hiện tượng “sụp áp DC bus” hoặc báo lỗi E008 giả (do nhiễu) thỉnh thoảng vẫn xảy ra ở những vùng điện lưới không ổn định.
Lời khuyên: Để đảm bảo dây chuyền hoạt động liên tục (24/7), việc chuyển đổi sang một dòng biến tần mới có độ tin cậy cao hơn, thiết kế nhiệt đới hóa tốt hơn và quan trọng nhất là có sẵn linh kiện tại Việt Nam là điều cấp thiết.
V. GIẢI PHÁP THAY THẾ – BIẾN TẦN KAMAN
Nếu bạn đang mệt mỏi vì phải chờ đợi linh kiện sửa chữa ENC hoặc gặp các lỗi vặt không đáng có, Biến tần Kaman là sự thay thế hoàn hảo mà chúng tôi khuyến nghị.
Xem thêm: Các dòng sản phẩm biến tần Kaman tại đây
Tại sao nên chuyển từ ENC sang Kaman?
Biến tần Kaman được sản xuất bởi SINOVO – một trong những nhà máy tự động hóa lớn và uy tín. Kaman khắc phục được hầu hết các nhược điểm của các dòng biến tần giá rẻ thế hệ cũ:
- Thiết kế phần cứng vượt trội: Kaman sử dụng IGBT của các thương hiệu lớn (Infineon/Fuji), board mạch được phủ lớp keo dày chống ẩm và bụi dẫn điện, thích nghi tốt với khí hậu nóng ẩm tại Việt Nam.
- Khả năng chịu quá tải tốt hơn: Với thiết kế tản nhiệt tối ưu, Kaman hoạt động bền bỉ ở nhiệt độ môi trường lên tới 45-50 độ C mà không bị suy giảm hiệu suất nhanh như các dòng cũ.
- Tương thích kích thước: Kaman có kích thước lắp đặt (mounting dimensions) khá tương đồng với nhiều dòng biến tần phổ biến, giúp việc thay thế vào tủ điện cũ trở nên dễ dàng mà không cần khoan cắt nhiều.

Hệ sinh thái hỗ trợ tại Việt Nam
Khác với ENC (thường nhập qua thương mại nhỏ lẻ), Tự Động Hóa Toàn Cầu là nhà phân phối ủy quyền chính thức của Kaman. Điều này đảm bảo:
- Hàng luôn có sẵn: Kho hàng lớn tại Hà Nội và TP.HCM.
- Hàng đảm bảo chất lượng, chính hãng từ nhà sản xuất
- Hỗ trợ kỹ thuật 24/7: Đội ngũ kỹ sư am hiểu sâu về chuyển đổi hệ thống, sẵn sàng hỗ trợ đấu nối, cài đặt thay thế ENC sang Kaman nhanh chóng.

Chúng tôi sở hữu đội ngũ kỹ sư giàu kinh nghiệm, chuyên môn cao, luôn sẵn sàng hỗ trợ kỹ thuật 24/7 tại cả hai miền Bắc và Nam, đảm bảo phản hồi nhanh chóng và đồng hành kịp thời cùng khách hàng trong mọi tình huống vận hành.
Video thực tế khách hàng chia sẻ
Dưới đây là chia sẻ của khách hàng đã chuyển đổi thành công từ hệ thống cũ sang sử dụng biến tần Kaman:
VI. KHUYẾN MẠI – GIÁ BÁN TRẢI NGHIỆM
Chúng tôi hiểu rằng việc thay đổi một thương hiệu quen thuộc cần sự tin tưởng. Vì vậy, Tự Động Hóa Toàn Cầu dành tặng chương trình trải nghiệm chưa từng có:
🎯 MUA BIẾN TẦN KAMAN VỚI GIÁ TRẢI NGHIỆM CHỈ 900.000Đ (Giá niêm yết 1.500.000đ)

Khách hàng được quyền mượn thiết bị chạy thử từ 2 đến 6 tháng. Đây là khoảng thời gian đủ dài để kiểm chứng độ bền, sự ổn định và khả năng tiết kiệm điện của Kaman trong điều kiện tải thực tế của nhà máy.
Cam kết chất lượng:
- Bảo hành 24 tháng: Thời gian bảo hành gấp đôi so với các dòng biến tần thông thường.
- Đổi mới 100%: Áp dụng cho các lỗi nhà sản xuất với các dòng công suất dưới 11kW. Không sửa chữa chắp vá, đổi mới ngay để khách hàng có máy chạy.
- Tỷ lệ lỗi thực tế < 0.3%: Con số đã được kiểm chứng qua hàng ngàn dự án.
Lưu ý: Chương trình ưu đãi đặc biệt này chỉ áp dụng đến hết ngày 31/03/2026.
👉 Liên hệ ngay để nhận báo giá và tư vấn kỹ thuật chi tiết
Hotline miền Bắc – 0961.320.333
Hotline miền Nam – 0981.810.800









Zalo Miền Bắc
