Servo LS là hệ truyền động servo của LS Electric, gồm bộ điều khiển servo, động cơ servo và các thành phần phản hồi để điều khiển chính xác vị trí, tốc độ và mô-men theo nguyên lý vòng kín. Đây là giải pháp phù hợp cho máy đóng gói, máy cắt, cơ cấu cấp phôi, đồng bộ băng tải và nhiều ứng dụng tự động hóa cần đáp ứng nhanh, ổn định.
Trong thực tế, rất nhiều người tìm “servo ls” nhưng lại đang có ba nhu cầu khác nhau. Một là muốn hiểu bản chất servo LS khác gì biến tần. Hai là muốn biết LS Electric hiện có những dòng nào để dễ chọn thiết bị. Ba là cần một hướng dẫn đủ thực tế để tránh chọn sai công suất, sai loại điều khiển hoặc triển khai xong nhưng máy không đạt độ ổn định mong muốn.
Bài này sẽ đi thẳng vào những câu hỏi đó, theo góc nhìn kỹ thuật và ứng dụng, để bạn có thể dùng làm tài liệu tham khảo trước khi tư vấn, mua hàng hoặc tích hợp hệ thống.
I. Servo LS là gì?
Nói ngắn gọn, servo LS là bộ truyền động AC servo của LS Electric dùng để điều khiển chuyển động chính xác. Khác với động cơ không đồng bộ chạy biến tần, servo làm việc theo vòng kín, luôn nhận phản hồi từ encoder để hiệu chỉnh liên tục sai lệch vị trí, tốc độ và mô-men. Vì vậy, servo phù hợp với các cơ cấu cần tăng tốc nhanh, dừng đúng điểm, bám vị trí tốt và lặp lại ổn định.
Về mặt hệ sinh thái sản phẩm, LS Electric Việt Nam đang phân loại mảng Servo/Motion thành các nhóm Motion Controller, Servo Drive, Servo Motor và Integrated Servo. Trên website hãng hiện xuất hiện các dòng như L7C, L7S, L7P, PHOX, PEGA cùng bộ điều khiển chuyển động XMC. Điều này cho thấy servo LS không chỉ là một model đơn lẻ mà là một hệ giải pháp motion khá đầy đủ.
II. Cấu tạo và nguyên lý làm việc của servo LS
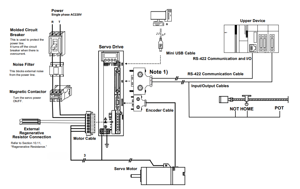
Một hệ servo LS tiêu chuẩn thường gồm ba phần chính. Phần thứ nhất là servo drive, nhận lệnh điều khiển và cấp công suất phù hợp cho động cơ. Phần thứ hai là servo motor, tạo chuyển động quay hoặc phối hợp với cơ cấu truyền động để tạo chuyển động tuyến tính. Phần thứ ba là encoder phản hồi, gửi tín hiệu thực tế về drive để đóng vòng điều khiển.
Nguyên lý làm việc của servo LS là so sánh giữa giá trị đặt và giá trị phản hồi. Nếu trục chưa tới đúng vị trí, sai tốc độ hoặc thiếu mô-men, drive sẽ tự động hiệu chỉnh ngay. Chính cơ chế này giúp servo vượt trội trong những ứng dụng mà sai số nhỏ vẫn có thể gây lỗi sản phẩm, lệch dao cắt, lệch nhãn, lệch bước cấp liệu hoặc rung cơ cấu.
Ở dòng L7C, LS Electric công bố các chức năng như dynamic braking, khả năng dùng regenerative braking mặc định hoặc lắp ngoài, hỗ trợ gain tuning, alarm history, JOG, origin search và nhiều chế độ I/O/analog để tích hợp máy. Hãng cũng nêu rõ các nhóm bảo vệ như quá dòng, quá áp, quá tải, quá nhiệt, thấp áp, lỗi encoder, lỗi bám vị trí. Đây là những tính năng rất quan trọng khi triển khai servo trong môi trường công nghiệp thực tế.
III. Hệ sản phẩm servo LS hiện nay có gì?
Nếu nhìn từ nhu cầu ứng dụng, bạn có thể chia servo LS thành 4 nhóm.
*Nhóm thứ nhất là servo drive. Đây là trung tâm điều khiển của hệ thống. Dòng L7C thường phù hợp cho nhiều ứng dụng phổ thông đến trung cấp, nơi cần hiệu quả chi phí và khả năng cài đặt tương đối linh hoạt. Trang giới thiệu của hãng cho thấy L7C hỗ trợ USB, I/O số, tín hiệu analog và có phiên bản truyền thông EtherCAT.

*Nhóm thứ hai là servo drive cao hơn hoặc mở rộng hơn về công suất, phản hồi và cấu hình. Với L7P, hãng công bố dải nguồn vào 3 pha 380 đến 480 V cho một số model, hỗ trợ nhiều kiểu phản hồi encoder như incremental, BiSS, Tamagawa, EnDat 2.2 và có các chức năng tuning, alarm history, JOG, origin search. Đây là tín hiệu cho thấy LS Electric có phương án cho những bài toán motion đòi hỏi cấu hình sâu hơn.

*Nhóm thứ ba là integrated servo, tiêu biểu như PEGA. Kiểu này thích hợp khi bạn muốn bố trí gọn, giảm dây nối giữa motor và drive, tiết kiệm không gian tủ hoặc cụm máy. Trên trang LS Electric, PEGA thể hiện hỗ trợ EtherCAT theo profile CiA 402, có STO1/STO2 và các mode như CSP, CSV, CST, PP, PV, PT, HM. Điều đó cho thấy integrated servo của LS hướng tới các bài toán mạng truyền thông và máy yêu cầu tích hợp gọn hơn.

*Nhóm thứ tư là motion controller, ví dụ XMC-E32A/E32C, dùng khi hệ thống có nhiều trục, cần đồng bộ chuyển động hoặc làm các bài toán robot, nội suy, điều khiển chính xác theo chu kỳ EtherCAT. Hãng nêu chu kỳ EtherCAT 0.5/1/2/4 ms cùng khả năng dùng chung với PLC, HMI và servo LS Electric.

IV. Servo LS phù hợp với ứng dụng nào?
Trong nhà máy, servo LS phù hợp nhất khi bài toán của bạn có một trong các yêu cầu sau: dừng đúng vị trí, tăng tốc nhanh, lặp lại nhiều chu kỳ với sai lệch nhỏ, đồng bộ nhiều trục hoặc giữ ổn định mô-men ở các pha vận hành khác nhau.
Ví dụ điển hình là máy đóng gói. Trục kéo màng, dao cắt, cấp nhãn, cụm sealing thường cần đồng bộ chặt chẽ. Nếu dùng động cơ thường kết hợp biến tần, máy vẫn chạy được nhưng khó bám góc cắt và khó giữ nhịp chuẩn khi tăng tốc. Servo LS sẽ phù hợp hơn ở các vị trí cần định vị và đáp ứng nhanh.
Trong máy cắt chiều dài, servo đặc biệt hữu ích ở bài toán kéo phôi theo chiều dài đặt trước. Với phản hồi encoder và điều khiển vòng kín, hệ thống có thể giảm sai số chiều dài và cải thiện độ lặp lại giữa các chu kỳ.
Trong máy in, dán nhãn, cấp phôi, cuốn xả đồng bộ, servo LS cho lợi thế rõ rệt ở khả năng đồng bộ tốc độ và vị trí, nhất là khi vật liệu có yêu cầu kiểm soát lực căng hoặc điểm đánh dấu.
Cần nhấn mạnh rằng không phải vị trí nào trên máy cũng cần servo. Với bơm, quạt, băng tải đơn giản hoặc tải quán tính lớn nhưng không đòi hỏi định vị, biến tần vẫn là lựa chọn hợp lý hơn. Chọn đúng chỗ dùng servo mới tạo hiệu quả đầu tư.
V. Ưu điểm và hạn chế của servo LS
*Điểm mạnh đầu tiên của servo LS là độ chính xác điều khiển. Hệ servo vốn được thiết kế để kiểm soát vị trí, tốc độ, mô-men tốt hơn động cơ thường. Với các dòng LS Electric hiện có, hệ sinh thái cũng khá rõ ràng từ servo drive, servo motor tới integrated servo và motion controller.
*Điểm mạnh thứ hai là khả năng tích hợp. Các tài liệu hãng cho thấy sản phẩm hỗ trợ nhiều giao tiếp, I/O số, analog, USB, EtherCAT và nhiều chức năng vận hành như origin search, JOG, tuning, alarm history. Điều này giúp kỹ sư tích hợp và bảo trì dễ làm việc hơn, nhất là trong giai đoạn chạy thử máy.
*Điểm mạnh thứ ba là phù hợp với hệ LS Electric tổng thể. Nếu hệ thống đang dùng PLC, HMI hoặc motion controller của LS, việc đồng bộ giải pháp sẽ thuận lợi hơn về logic hệ thống và hỗ trợ kỹ thuật.
*Tuy nhiên, servo LS cũng có những điểm cần tính trước.
- Chi phí đầu tư ban đầu thường cao hơn giải pháp biến tần cho cùng mức công suất
- Đòi hỏi người triển khai hiểu về quán tính, tăng tốc, giảm tốc, tuning và cơ khí truyền động
- Nếu chọn sai công suất hoặc chọn sai chế độ điều khiển, servo có thể vẫn chạy nhưng máy rung, nóng, báo lỗi theo dõi vị trí hoặc quá tải.
VI. Cách chọn servo LS đúng kỹ thuật
Khi chọn servo LS, đừng bắt đầu bằng mã hàng. Hãy bắt đầu từ bài toán cơ khí.
Trước hết, cần xác định rõ tải là quay hay tuyến tính, mô-men yêu cầu ở chế độ ổn định là bao nhiêu, mô-men đỉnh khi tăng tốc là bao nhiêu, tốc độ làm việc tối đa, thời gian tăng tốc giảm tốc và chu kỳ máy. Nếu có hộp số, vít me hoặc pulley, phải quy đổi toàn bộ về trục motor.
Tiếp theo, xem quán tính tải. Đây là lỗi người dùng mới hay bỏ qua nhất. Công suất đủ chưa chắc đã chạy êm. Nếu tỉ số quán tính quá lệch, servo vẫn có thể báo rung, hunting hoặc khó tuning. Với máy cắt, máy gắp, cơ cấu đảo chiều nhanh, bước này đặc biệt quan trọng.
Sau đó, xác định nguồn cấp và kiểu điều khiển. Hệ nhỏ có thể dùng dòng servo phổ thông; hệ nhiều trục, cần đồng bộ nhanh qua mạng thì nên ưu tiên phương án có EtherCAT hoặc motion controller. Trên các trang sản phẩm của LS Electric, L7C, PEGA và XMC đều cho thấy định hướng rõ về khả năng kết nối và điều khiển chuyển động trong hệ thống.
Checklist chốt cấu hình nên gồm:
- Loại tải và đặc tính chu kỳ
- Mô-men định mức và mô-men đỉnh
- Tốc độ làm việc
- Tỉ số truyền cơ khí
- Phanh hay không phanh
- Điện áp nguồn
- Cách nhận lệnh: pulse, I/O, analog hay network
- Nhu cầu STO, alarm output, origin, JOG, regenerative braking
- Không gian lắp đặt, nhiệt độ, độ ẩm, bụi dẫn điện
VII. Lưu ý triển khai servo LS trong thực tế
Kinh nghiệm thực tế cho thấy nhiều sự cố servo không đến từ bản thân thiết bị mà đến từ lắp đặt và cài đặt. Các lưu ý cơ bản nhưng rất quan trọng gồm tiếp địa đúng, cáp encoder đi tách khỏi cáp động lực, nguồn điều khiển ổn định, tủ điện đủ thông gió và bố trí điện trở xả khi chu kỳ hãm nhiều.
Trong manual L7C, LS Electric lưu ý chỉ kỹ thuật viên đủ chuyên môn mới thực hiện đấu dây; cần ngắt nguồn, chờ đủ thời gian và kiểm tra điện áp trước khi thao tác. Ở phần điều kiện môi trường, hãng cũng nêu dải nhiệt độ vận hành 0 đến 50 độ C và tránh khí ăn mòn, chất dễ cháy, bụi dẫn điện. Đây là các thông số cần tuân thủ nghiêm nếu muốn hệ servo chạy bền.
Ba lỗi thường gặp nhất khi đưa servo LS vào máy là chọn motor dư công suất nhưng thiếu mô-men đỉnh, tăng tốc quá gắt so với quán tính tải, và bỏ qua tuning sau khi thay đổi cơ khí. Ngoài ra, nhiều hệ thống chạy được ở tốc độ thấp nhưng báo lỗi khi tăng tốc cao do cáp, nối đất hoặc nhiễu phản hồi chưa xử lý tốt.
VIII. Có nên chọn servo LS hay cân nhắc phương án khác?
Nếu bạn đang dùng hệ LS Electric hoặc muốn một giải pháp motion có hệ sinh thái rõ ràng, servo LS là lựa chọn đáng cân nhắc. Nó phù hợp với các máy yêu cầu độ chính xác tốt, khả năng phản hồi nhanh và tích hợp điều khiển chuyển động bài bản.
Tuy nhiên, trong nhiều dự án tối ưu chi phí hoặc cần phương án triển khai linh hoạt hơn cho máy tiêu chuẩn, doanh nghiệp vẫn có thể tham khảo thêm servo Xinje để so sánh về ngân sách, mức độ sẵn hàng, thời gian triển khai và mức phù hợp với ứng dụng. Cách tiếp cận đúng là không chọn theo tên hãng trước, mà chọn theo yêu cầu kỹ thuật, mức đầu tư và năng lực hỗ trợ sau bán hàng.

IV. Kết luận
Servo LS là giải pháp truyền động AC servo phù hợp cho các ứng dụng cần điều khiển chính xác vị trí, tốc độ và mô-men trong nhà máy hiện đại. Điểm quan trọng nhất không nằm ở việc chọn “servo LS có tốt không”, mà là chọn đúng cấu hình, đúng kiểu điều khiển và đúng vị trí ứng dụng.
Nếu bạn đang cần tư vấn chọn servo LS cho máy đóng gói, máy cắt, cấp phôi hoặc muốn so sánh nhanh với servo Xinje để tối ưu chi phí đầu tư, hãy liên hệ Tự Động Hóa Toàn Cầu hoặc truy cập tudonghoatoancau.com để được kỹ sư hỗ trợ theo bài toán thực tế của nhà máy.
- Hotline Zalo miền Bắc: 0961.320.333
- Hotline Zalo miền Nam: 0981.810.800
- Facebook:Tự động hóa Toàn Cầu

V. Những câu hỏi thường gặp về Servo LS
1. Servo LS là gì?
Servo LS là hệ truyền động servo của LS Electric, gồm servo drive, servo motor và phản hồi encoder để điều khiển vòng kín vị trí, tốc độ, mô-men với độ chính xác cao.
2. Servo LS khác biến tần ở điểm nào?
Biến tần phù hợp cho điều khiển tốc độ động cơ thông thường. Servo LS phù hợp hơn khi cần định vị chính xác, đáp ứng nhanh, giữ mô-men tốt và đồng bộ chuyển động nhiều trục.
3. Servo LS có những dòng nào?
Theo hệ sản phẩm LS Electric Việt Nam, mảng Servo/Motion có các nhóm Servo Drive, Servo Motor, Integrated Servo và Motion Controller; các dòng thường thấy gồm L7C, L7S, L7P, PHOX, PEGA và XMC.
4. Khi nào nên dùng servo LS?
Nên dùng khi máy cần cắt đúng chiều dài, dừng đúng vị trí, đồng bộ tốc độ giữa nhiều trục, đáp ứng tăng tốc nhanh hoặc yêu cầu độ lặp lại cao.
5. Chọn servo LS theo công suất có đủ không?
Không. Ngoài công suất, cần kiểm tra mô-men định mức, mô-men đỉnh, tốc độ, quán tính tải, tỉ số truyền, chu kỳ máy và kiểu điều khiển.
6. Servo LS có phù hợp cho hệ nhiều trục không?
Có. Với hệ cần đồng bộ chuyển động qua mạng, có thể tham khảo giải pháp dùng EtherCAT và motion controller như XMC của LS Electric.








Zalo Miền Bắc
