Khi tìm hiểu về servo Kinco, nhiều người không chỉ muốn xem vài model đang bán mà cần biết rõ: thiết bị này dùng để làm gì, có phù hợp với máy của mình không và nên chọn như thế nào để tránh mua sai. Trong bài viết này, chúng ta sẽ cùng đi từ khái niệm cơ bản đến cách chọn AC servo Kinco theo ứng dụng thực tế, theo hướng dễ hiểu nhưng vẫn đúng kỹ thuật.
I. Servo Kinco là gì?
Servo Kinco là bộ giải pháp điều khiển chuyển động của thương hiệu Kinco, thường gồm driver servo, động cơ servo và encoder phản hồi. Khác với động cơ chạy “mở” thông thường, servo hoạt động theo nguyên lý điều khiển vòng kín, tức là luôn nhận phản hồi từ encoder để hiệu chỉnh liên tục.
Nói đơn giản, khi bộ điều khiển ra lệnh quay 1 vị trí, 1 tốc độ hoặc 1 mô-men nào đó, hệ servo sẽ kiểm tra xem motor đã làm đúng hay chưa. Nếu chưa đúng, nó sẽ tự điều chỉnh để bám lệnh tốt hơn. Chính vì vậy, servo phù hợp với các bài toán cần độ chính xác cao, phản hồi nhanh và vận hành mượt.
II. Khi nào nên dùng servo thay vì động cơ thường hoặc biến tần?
Đây là điểm nhiều người mới hay nhầm.
Nếu hệ thống của bạn chỉ cần motor quay đều, tăng giảm tốc đơn giản, tải không thay đổi nhiều, thì động cơ kết hợp biến tần thường là giải pháp kinh tế hơn. Nhưng nếu máy cần:
- dừng đúng vị trí
- lặp lại chính xác theo chu kỳ
- đáp ứng nhanh khi thay đổi tải
- đồng bộ nhiều trục
- điều khiển căng, kéo, cấp liệu chính xác
thì AC servo là lựa chọn phù hợp hơn.
Ví dụ thực tế, một băng tải chỉ đưa sản phẩm đi liên tục thì biến tần thường đã đủ. Nhưng băng tải cần dừng đúng từng chai, từng hộp để đóng nắp hoặc dán nhãn thì servo lại là hướng nên cân nhắc.
III. Cấu tạo và nguyên lý hoạt động của servo Kinco
1. Driver servo
Driver là bộ não điều khiển. Nó nhận lệnh từ PLC, bộ điều khiển chuyển động hoặc HMI, sau đó tính toán và cấp điện cho motor theo thuật toán điều khiển phù hợp. Trên một số dòng, Kinco có hỗ trợ EASY TUNE auto-tuning, giúp việc thiết lập độ cứng hệ thống dễ hơn trong nhiều ứng dụng phổ thông. Hãng cũng nêu các tính năng bảo vệ như quá áp, quá dòng, quá nhiệt.

2. Motor servo
Motor servo là phần tạo ra chuyển động. Theo danh mục hãng, Kinco có các dòng servo motor như SMH, SMC, SMG, được định vị theo các nhóm hiệu năng và chi phí khác nhau. Một số mô tả từ hãng nhấn mạnh các đặc điểm như low cogging torque, low temperature rise hoặc thiên về high cost-performance ratio.
3. Encoder phản hồi
Encoder giúp hệ thống biết rotor đang ở đâu, quay nhanh hay chậm, sai lệch bao nhiêu so với lệnh đặt. Đây là thành phần rất quan trọng tạo nên bản chất “servo”.

*Nguyên lý điều khiển vòng kín:
Servo hoạt động theo chu trình: nhận lệnh → motor chạy → encoder phản hồi → driver so sánh → tự hiệu chỉnh. Chu trình này diễn ra liên tục với tốc độ rất cao, giúp máy phản ứng nhanh và chính xác hơn nhiều so với các hệ điều khiển mở.
IV. Ứng dụng thực tế của servo Kinco trong công nghiệp
Servo Kinco thường phù hợp với các ứng dụng đòi hỏi chuyển động chính xác nhưng vẫn cần tối ưu chi phí đầu tư.
1. Máy đóng gói
Trong máy đóng gói, servo thường dùng cho cơ cấu kéo màng, cắt bao, cấp liệu hoặc đồng bộ theo chiều dài sản phẩm. Điểm quan trọng là chuyển động phải đúng nhịp và lặp lại ổn định.

2. Máy cắt, máy dán nhãn, máy in
Các máy này thường yêu cầu vị trí dừng chính xác, tăng giảm tốc nhanh và ít rung. Servo giúp chất lượng thành phẩm ổn định hơn.

3. Băng tải định vị và cơ cấu cấp phôi
Nếu sản phẩm phải dừng đúng vị trí để robot gắp, camera kiểm tra hoặc xy lanh thao tác, servo là lựa chọn hợp lý hơn nhiều so với chạy biến tần thông thường.
4. Cơ cấu đồng bộ nhiều trục
Một số ứng dụng cần master-slave, bám theo tốc độ hoặc vị trí giữa nhiều trục. Dòng driver hỗ trợ fieldbus hoặc đồng bộ tốt sẽ có lợi thế hơn trong nhóm ứng dụng này. Theo mô tả của Kinco, dòng JD hỗ trợ master-slave following, multi-axis synchronous và full closed loop.
V. Cách chọn servo Kinco đúng kỹ thuật
1. Chọn theo công suất và mô-men
Sai lầm phổ biến nhất là chỉ nhìn theo công suất motor cũ rồi mua lại tương đương. Thực tế, servo phải được chọn theo cả:
- tải thực tế
- quán tính tải
- mô-men tăng tốc
- chu kỳ làm việc
- cơ cấu truyền động
Một cơ cấu vít me, băng tải, dao cắt hay trục quay có cách tính khác nhau. Vì vậy, nếu chưa có dữ liệu tính toán đầy đủ, nên lấy thông tin thực tế của máy càng nhiều càng tốt trước khi chọn.
2. Chọn theo điện áp nguồn
Cần xác định hệ thống đang dùng nguồn nào, yêu cầu đồng bộ ra sao, tủ điện hiện hữu có phù hợp không. Đây là bước cơ bản nhưng nếu làm sai sẽ kéo theo hàng loạt phát sinh trong đấu nối và thay thế.
3. Chọn theo tốc độ và đáp ứng
Máy đóng gói tốc độ cao, máy dán nhãn, cơ cấu indexing nhanh sẽ có yêu cầu khác với cơ cấu chạy chậm nhưng cần lực giữ tốt. Không nên chọn chỉ vì “đủ quay”.
4. Chọn theo chế độ điều khiển
Thông thường người dùng sẽ gặp các chế độ chính:
- điều khiển vị trí
- điều khiển tốc độ
- điều khiển mô-men
Nếu ứng dụng cần cắt theo chiều dài, chia bước, bắt điểm thì thiên về vị trí. Nếu cần kéo ổn định thì thiên về tốc độ. Nếu cần kiểm soát lực căng hoặc lực siết thì phải xem xét mô-men.
5. Chọn theo chuẩn truyền thông
Đây là điểm rất quan trọng với người làm máy. Nếu hệ thống đang dùng PLC hỗ trợ xung tốc độ cao thì có thể chọn hướng điều khiển pulse. Nếu cần đồng bộ cao hơn, wiring gọn hơn, chẩn đoán thuận tiện hơn, nên xem xét các chuẩn truyền thông phù hợp. Một số nội dung từ thị trường và từ hãng cho thấy Kinco có các dòng hỗ trợ những giao tiếp như Modbus, CANopen, EtherCAT tùy dòng sản phẩm.
6. Chọn theo môi trường lắp đặt
Môi trường nóng, bụi, rung, tủ điện chật hoặc cáp đi xa đều ảnh hưởng đến độ ổn định. Đừng coi đây là yếu tố phụ. Rất nhiều lỗi vận hành thực tế không đến từ bản thân servo mà đến từ môi trường và cách lắp.
VI. Checklist 8 câu hỏi trước khi mua servo Kinco
Trước khi chốt model, bạn nên tự trả lời 8 câu hỏi này:
| Câu hỏi | Vì sao quan trọng |
| Tải là gì, chuyển động kiểu nào? | Quyết định cách chọn motor và driver |
| Cần điều khiển vị trí, tốc độ hay mô-men? | Ảnh hưởng tới phương án điều khiển |
| Chu kỳ máy chạy liên tục hay ngắt quãng? | Liên quan đến quá tải và nhiệt |
| Yêu cầu độ chính xác đến mức nào? | Giúp tránh chọn thừa hoặc thiếu |
| Nguồn điện hiện có là gì? | Tránh phát sinh khi lắp tủ |
| PLC đang dùng hỗ trợ pulse hay fieldbus? | Ảnh hưởng đến cách giao tiếp |
| Có cần phanh giữ tải không? | Quan trọng với trục đứng hoặc tải treo |
| Đơn vị cung cấp có hỗ trợ cài đặt và xử lý lỗi không? | Quyết định tốc độ đưa máy vào vận hành |
VII. Những lỗi thường gặp khi triển khai servo Kinco
Một bài SEO kỹ thuật muốn có giá trị phải nói rõ phần này.
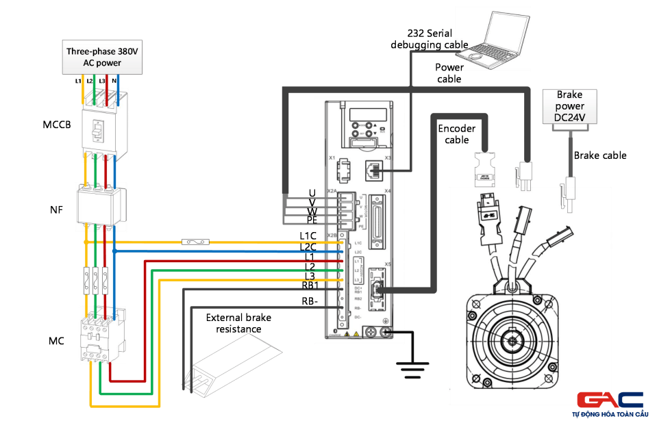
*Đấu dây sai hoặc thiếu kiểm tra trước khi cấp nguồn
Nhiều lỗi đến từ việc đấu nguồn, cáp encoder, cáp motor hoặc chân tín hiệu sai. Một bài viết thị trường về servo Kinco cũng tập trung khá mạnh vào phần đấu nối và kiểm tra nguồn, dây tín hiệu trước khi vận hành.
*Chọn sai công suất
Chọn nhỏ quá thì báo lỗi, quá tải, nóng, rung hoặc không đạt chu kỳ. Chọn lớn quá chưa chắc tốt vì có thể làm tăng chi phí và khiến tinh chỉnh khó tối ưu.
*Cài tham số chưa đúng
Servo không phải cứ cấp điện là chạy đẹp. Ngay cả khi có auto-tuning, nhiều hệ thống thực tế vẫn cần tinh chỉnh thêm sau khi gắn tải thật, đặc biệt khi cơ cấu có độ rơ, đàn hồi hoặc quán tính thay đổi.
*Nhiễu tín hiệu và tiếp địa chưa chuẩn
Các hệ thống có driver, biến tần, nguồn xung, cảm biến và cáp dài rất dễ gặp nhiễu. Nếu tiếp địa không tốt, tách tuyến cáp chưa hợp lý hoặc đấu shield chưa đúng, hệ thống có thể chạy chập chờn dù thông số cài đặt đúng.
VIII. Mua servo Kinco ở đâu để được hỗ trợ kỹ thuật tốt?
Khi mua servo, điều quan trọng không chỉ là giá. Bạn nên ưu tiên đơn vị có thể hỗ trợ các phần sau:
- tư vấn chọn model theo tải và ứng dụng
- hỗ trợ sơ đồ đấu nối
- hướng dẫn cài đặt ban đầu
- hỗ trợ xử lý lỗi trong giai đoạn chạy thử
- có hiểu biết về PLC, HMI, biến tần và tủ điện tổng thể
Với khách hàng doanh nghiệp, giá trị lớn nhất thường không nằm ở chênh lệch vài phần trăm giá mua, mà nằm ở việc máy vào chạy nhanh, ít lỗi và có người hỗ trợ đúng vấn đề.
Nếu bạn đang cần tư vấn servo Kinco cho máy mới hoặc thay thế hệ thống cũ, Tự động hoá Toàn Cầu có thể hỗ trợ theo hướng kỹ thuật thực tế: xác định nhu cầu, rà ứng dụng, đề xuất cấu hình phù hợp và đồng hành trong quá trình triển khai.

IX. Kết luận
Servo Kinco là lựa chọn đáng cân nhắc cho nhiều ứng dụng cần điều khiển chính xác vị trí, tốc độ và mô-men trong công nghiệp. Điểm mấu chốt không nằm ở việc “chọn hãng nào”, mà là chọn đúng theo tải, chế độ điều khiển, nguồn cấp, giao tiếp và cách triển khai thực tế.
Nếu chọn đúng ngay từ đầu, servo không chỉ giúp máy chạy chính xác hơn mà còn rút ngắn thời gian commissioning và giảm lỗi vận hành về sau.
Bạn đang cần chọn servo Kinco cho máy đóng gói, băng tải định vị, cơ cấu cắt hay hệ thống tự động hóa? Hãy liên hệ Tự động hoá Toàn Cầu để được hỗ trợ chọn cấu hình phù hợp và tư vấn kỹ thuật sát ứng dụng thực tế.
- Hotline Zalo miền Bắc: 0961.320.333
- Hotline Zalo miền Nam: 0981.810.800
- Website: tudonghoatoancau.com
- Facebook: Tự động hóa Toàn Cầu
X. Những câu hỏi thường gặp về Servo Kinco
1. Servo Kinco dùng cho những ứng dụng nào?
Servo Kinco thường dùng cho máy đóng gói, máy cắt, máy dán nhãn, băng tải định vị, tay gắp, cơ cấu cấp phôi và các hệ thống cần độ chính xác cao.
2. Servo Kinco khác gì so với biến tần?
Biến tần phù hợp cho bài toán điều khiển tốc độ cơ bản. Servo phù hợp hơn khi cần bám vị trí, phản hồi nhanh, lặp lại chính xác và điều khiển mô-men.
3. Servo Kinco có hỗ trợ auto-tuning không?
Theo thông tin từ trang sản phẩm chính thức của Kinco, một số dòng AC servo driver có hỗ trợ EASY TUNE auto-tuning để đơn giản hóa quá trình tinh chỉnh ban đầu.
4. Khi nào không cần dùng servo Kinco?
Nếu ứng dụng chỉ cần motor chạy liên tục, không yêu cầu định vị chính xác hoặc phản hồi động nhanh, có thể dùng động cơ kết hợp biến tần để tối ưu chi phí.
5. Mua servo Kinco cần lưu ý gì?
Nên chọn đơn vị có khả năng tư vấn kỹ thuật, hỗ trợ đấu nối, cài đặt, xử lý alarm và hiểu hệ thống tổng thể thay vì chỉ bán thiết bị.







Zalo Miền Bắc
