Trong bối cảnh nền công nghiệp sản xuất ngày càng yêu cầu khắt khe về chu kỳ hoạt động và độ chính xác ở mức micromet, việc lựa chọn hệ thống truyền động phù hợp quyết định trực tiếp đến năng lực cạnh tranh của nhà máy.
Giữa hàng loạt các tên tuổi lớn trong ngành tự động hóa, AC Servo Keyence nổi lên như một giải pháp toàn diện, kết hợp giữa khả năng vận hành mạnh mẽ và trí thông minh nhân tạo trong việc tự động tinh chỉnh. Bài viết dưới đây sẽ cung cấp cho các kỹ sư và nhà quản lý một góc nhìn chuyên sâu, từ đặc tính kỹ thuật, bảng mã lỗi cho đến kinh nghiệm triển khai thực tế hệ thống động cơ servo của thương hiệu này.
I. Động cơ AC Servo Keyence là gì? Cấu tạo và nguyên lý cơ bản
AC Servo Keyence là hệ thống truyền động và điều khiển vị trí độ chính xác cao do Keyence (Nhật Bản) sản xuất. Hệ thống hoạt động theo cơ chế điều khiển vòng kín (Closed-loop), giúp máy móc kiểm soát tuyệt đối cả 3 thông số: vị trí, tốc độ và momen xoắn.
Để hệ thống vận hành chính xác, Servo Keyence được cấu thành từ 3 bộ phận cốt lõi:
-
Động cơ Servo (Motor): Sử dụng rotor nam châm vĩnh cửu với quán tính cực thấp. Giúp động cơ tăng/giảm tốc độ từ 0 lên hàng ngàn vòng/phút chỉ trong vài mili-giây.
-
Bộ mã hóa (Encoder): Là “mắt thần” phản hồi vị trí với độ phân giải lên tới 24-bit (chia 1 vòng quay thành hơn 16 triệu xung), đưa sai số vận hành về mức micromet.
-
Bộ khuếch đại (Servo Drive): Đóng vai trò là “bộ não”. Nhận lệnh từ PLC, cấp dòng điện cho motor và liên tục xử lý tín hiệu phản hồi từ Encoder để bù trừ sai lệch theo thời gian thực.
Khi nào bắt buộc phải dùng Servo thay vì Biến tần?
Chỉ nên đầu tư Servo Keyence cho các ứng dụng đòi hỏi độ chính xác tuyệt đối: chạy/dừng liên tục tần số cao, đồng bộ nội suy nhiều trục, cắt theo chiều dài, hoặc robot gắp thả. Với các hệ thống băng tải nặng, bơm quạt chạy tốc độ cố định, sử dụng biến tần thông thường sẽ giúp tối ưu chi phí hơn rất nhiều.
II. Các dòng sản phẩm Servo Keyence phổ biến trên thị trường
Thương hiệu Keyence không dàn trải quá nhiều dòng sản phẩm như các đối thủ, mà họ tập trung nghiên cứu sâu vào một vài series chủ lực để đảm bảo tính ổn định và khả năng tương thích cao nhất với hệ sinh thái điều khiển PLC của hãng. Trên thị trường hiện nay, các kỹ sư thường xuyên tiếp xúc với hai dòng sản phẩm chính.
1. Dòng Keyence SV2 Series
SV2 Series là dòng sản phẩm thế hệ mới nhất mang tính cách mạng của Keyence trong lĩnh vực điều khiển chuyển động. Điểm nhấn lớn nhất của dòng SV2 nằm ở việc trang bị encoder có độ phân giải lên đến 24-bit. Với độ phân giải này, động cơ có thể chia một vòng quay thành hàng triệu bước nhỏ, giúp loại bỏ hoàn toàn hiện tượng rung lắc ở dải tốc độ thấp và đảm bảo độ mịn tuyệt đối khi máy móc thực hiện các biên dạng gia công phức tạp.
Bên cạnh đó, SV2 Series được tối ưu hóa phần cứng để thu gọn đáng kể kích thước bộ khuếch đại, giúp tiết kiệm không gian tủ điện, đồng thời hỗ trợ mạnh mẽ các giao thức truyền thông tốc độ cao như EtherCAT hay MECHATROLINK-III.

2. Dòng Keyence SV Series
Mặc dù là thế hệ tiền nhiệm, SV Series vẫn đang là xương sống trong rất nhiều dây chuyền sản xuất hiện tại nhờ sự bền bỉ và mức chi phí đầu tư hợp lý. Dòng sản phẩm này cung cấp dải công suất rộng từ 50W đến vài kW, phù hợp cho đa dạng các ứng dụng từ máy đóng gói, máy cắt CNC cho đến các hệ thống robot gắp thả.
Đặc trưng của dòng SV là giao diện thiết lập thân thiện, cho phép người dùng dễ dàng cấu hình các thông số cơ bản thông qua phần mềm hoặc thao tác trực tiếp trên màn hình hiển thị của drive. Hệ thống tản nhiệt của SV Series cũng được thiết kế rất tốt, đảm bảo bộ khuếch đại hoạt động liên tục trong môi trường công nghiệp khắc nghiệt mà không bị suy giảm hiệu suất.

III. Phân tích công nghệ và ưu điểm vượt trội của hệ thống Servo Keyence
Để có thể cạnh tranh sòng phẳng trong phân khúc thiết bị tự động hóa cao cấp, hệ thống Servo Keyence được trang bị hàng loạt công nghệ lõi mang tính đột phá, hỗ trợ tối đa cho người dùng trong quá trình vận hành và bảo trì.
1. Công nghệ Auto-Tuning thời gian thực
Một trong những “nỗi đau” lớn nhất của kỹ sư vận hành là việc tinh chỉnh (tuning) thông số PID cho hệ thống servo. Nếu không có kinh nghiệm, việc máy bị rung hoặc đáp ứng chậm trễ là điều rất thường xuyên xảy ra.
Nhận thức được vấn đề này, Keyence đã phát triển thuật toán Auto-Tuning thời gian thực cực kỳ thông minh.
Bộ điều khiển của hãng có khả năng tự động phân tích quán tính của tải trọng ngay trong quá trình máy đang chạy. Hệ thống sẽ liên tục tính toán và cập nhật các thông số độ lợi sao cho phù hợp nhất với sự thay đổi của môi trường cơ khí bên ngoài. Điều này giúp các kỹ sư tiết kiệm hàng giờ đồng hồ thiết lập và triệt tiêu nhanh chóng các tần số cộng hưởng gây hại cho máy móc.

2. Khả năng đồng bộ hóa qua mạng truyền thông công nghiệp
Trong các hệ thống máy móc phức tạp yêu cầu nội suy nhiều trục đồng thời (như máy in công nghiệp, hệ thống cắt laser), việc điều khiển bằng xung truyền thống bộc lộ rõ điểm yếu về độ trễ và nhiễu tín hiệu. Servo Keyence giải quyết bài toán này bằng cách tích hợp sâu các cổng truyền thông công nghiệp.
Khi được kết hợp với PLC Keyence, người dùng có thể thực hiện cấu hình, chẩn đoán lỗi và điều khiển đồng bộ hàng chục trục servo chỉ thông qua một sợi cáp mạng duy nhất. Tốc độ truyền tải dữ liệu siêu tốc giúp triệt tiêu độ trễ giữa các lệnh nội suy, đảm bảo quỹ đạo chuyển động của cơ cấu cơ khí diễn ra mượt mà và chính xác theo đúng thiết kế ban đầu.
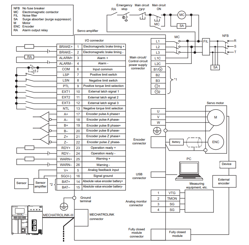
IV. Hướng dẫn kỹ thuật: Đọc mã sản phẩm và nguyên tắc đấu nối
Việc hiểu rõ cấu trúc mã sản phẩm là bước đầu tiên và quan trọng nhất để kỹ sư có thể lựa chọn đúng thiết bị thay thế khi hệ thống gặp sự cố. Thông thường, mã của Servo Keyence sẽ bao gồm các cụm ký tự thể hiện dòng sản phẩm, công suất định mức, điện áp cung cấp và các tùy chọn bổ sung như phanh từ (brake) hoặc loại truyền thông.
Khi tiến hành đấu nối thực tế, quy tắc an toàn kỹ thuật là yếu tố phải được đặt lên hàng đầu. Kỹ thuật viên cần đảm bảo nguồn cấp động lực cho bộ khuếch đại (Drive) và nguồn điều khiển được phân tách rõ ràng. Cáp động lực (U, V, W) nối từ drive ra động cơ phải được bọc chống nhiễu kỹ lưỡng, và dây nối đất (PE) phải được siết chặt với tiết diện chuẩn để phòng tránh rò rỉ dòng điện.
Đối với cáp tín hiệu encoder, tuyệt đối không được đi chung máng cáp với dây điện động lực có điện áp cao hoặc dây cấp nguồn cho biến tần, vì từ trường mạnh sinh ra có thể làm nhiễu tín hiệu xung phản hồi, dẫn đến việc servo chạy sai vị trí hoặc báo lỗi liên tục.

V. Bảng mã lỗi Servo Keyence phổ biến và quy trình khắc phục sự cố
Trong quá trình bảo trì nhà máy, việc đọc hiểu mã lỗi là kỹ năng sinh tồn của mọi kỹ sư. Dưới đây là phân tích chi tiết các tình trạng báo lỗi thường gặp nhất trên các dòng Servo Drive của Keyence và quy trình xử lý chuyên sâu:
1. Lỗi quá dòng
Hiện tượng này xảy ra khi dòng điện cấp cho động cơ vượt quá ngưỡng chịu đựng tối đa của bộ khuếch đại trong một thời gian cực ngắn. Nguyên nhân sâu xa thường không nằm ở bản thân servo mà đến từ phần cơ khí.
Kỹ thuật viên cần ngắt toàn bộ nguồn điện, tháo tải cơ khí ra khỏi trục động cơ và dùng tay quay thử để kiểm tra xem hệ thống có bị kẹt rít, hỏng bạc đạn hay kẹt ray trượt hay không. Nếu phần cơ khí hoàn toàn trơn tru, bước tiếp theo là dùng đồng hồ vạn năng kiểm tra điện trở giữa ba pha U, V, W của động cơ để loại trừ trường hợp động cơ bị chạm chập hoặc cháy cuộn dây bên trong.
2. Lỗi sai lệch vị trí vượt ngưỡng
Lỗi này báo hiệu bộ khuếch đại đã phát ra số lượng xung lệnh nhất định nhưng phản hồi từ encoder báo về không tương xứng, tạo ra độ lệch lớn hơn giới hạn cho phép. Vấn đề này thường phát sinh do thông số giới hạn sai lệch được cài đặt quá nhỏ so với đặc tính gia tốc thực tế của máy.
Để khắc phục, kỹ sư cần kiểm tra lại đường đặc tuyến tăng/giảm tốc độ trong PLC, đồng thời đánh giá lại thông số độ lợi vòng vị trí trên drive. Ngoài ra, việc cáp tín hiệu từ động cơ về drive bị lỏng jack cắm hoặc đứt ngầm cũng là thủ phạm phổ biến gây mất tín hiệu xung, dẫn đến tình trạng báo lỗi sai lệch này.
3. Lỗi quá áp hoặc thấp áp
Sự biến động của điện lưới nhà máy tác động trực tiếp đến bo mạch công suất của Servo. Lỗi thấp áp thường xảy ra vào các giờ cao điểm khi lưới điện bị sụt giảm, yêu cầu nhà máy phải trang bị hệ thống ổn áp tổng.
Ngược lại, lỗi quá áp thường xuất hiện khi động cơ giảm tốc quá nhanh với tải trọng có quán tính lớn, sinh ra năng lượng tái sinh dội ngược về bộ khuếch đại. Quy trình chuẩn để giải quyết triệt để vấn đề này là tính toán lại công suất xả của hệ thống và lắp đặt thêm điện trở xả (Brake Resistor) bên ngoài có công suất và trị số Ohm phù hợp với khuyến cáo từ tài liệu kỹ thuật của Keyence.
VI. Kinh nghiệm thực chiến: Lưu ý khi triển khai Servo Keyence tại nhà máy
Từ kinh nghiệm trực tiếp triển khai hàng chục dự án tự động hóa thực tế, việc tích hợp Servo nói chung và Keyence nói riêng đòi hỏi sự cẩn trọng từ khâu thiết kế đến lúc đóng điện.
*Thứ nhất, vấn đề chống nhiễu luôn phải được ưu tiên hàng đầu. Rất nhiều trường hợp động cơ tự động giật nhẹ hoặc trôi vị trí khi máy biến tần bên cạnh khởi động. Giải pháp bắt buộc là sử dụng lọc nhiễu ở đầu vào nguồn cấp cho servo và tuyệt đối tuân thủ nguyên tắc nối đất tại một điểm duy nhất cho toàn bộ hệ thống tủ điện.
*Thứ hai, đừng quá lạm dụng tính năng Auto-Tuning. Mặc dù thuật toán của Keyence rất thông minh, nhưng với các hệ thống cơ khí cũ, có độ rơ lắc (backlash) lớn qua thời gian dài sử dụng, việc để chế độ Auto-Tuning liên tục có thể khiến bộ khuếch đại đưa ra các thông số bù trừ sai lệch, làm máy rung động mạnh hơn. Trong những tình huống này, kỹ sư buộc phải chuyển sang chế độ tinh chỉnh thủ công (Manual Tuning), sử dụng các bộ lọc triệt tiêu tần số cộng hưởng kết hợp với kinh nghiệm lắng nghe tiếng rít của motor để tìm ra điểm cân bằng tối ưu nhất.
VII. Đơn vị cung cấp và hỗ trợ kỹ thuật Servo uy tín toàn quốc
Việc triển khai các hệ thống truyền động hiện đại không chỉ dừng lại ở khâu mua bán thiết bị vật lý, mà giá trị cốt lõi nằm ở năng lực hỗ trợ kỹ thuật phía sau. Một hệ thống Servo dù đắt tiền đến đâu, nếu được cấu hình sai thông số, lắp đặt sai nguyên lý chống nhiễu cũng sẽ trở thành một thảm họa cho dây chuyền sản xuất.
Tại Công ty Cổ phần Tự động hóa Toàn Cầu (GAC), chúng tôi không chỉ là nhà phân phối thiết bị tự động hóa mà còn định vị mình là người đồng hành kỹ thuật cùng các nhà máy. Với đội ngũ kỹ sư dạn dày kinh nghiệm thực chiến, GAC cung cấp dịch vụ toàn diện từ tư vấn lựa chọn công suất, cung cấp thiết bị chính hãng, hỗ trợ lập trình PLC – HMI, cho đến việc trực tiếp xuống công trường để tuning servo xử lý các bài toán cơ khí khó nhằn.
Sự thấu hiểu những “nỗi đau” của người làm kỹ thuật giúp GAC luôn đưa ra những giải pháp chất lượng, tối ưu chi phí và đảm bảo hệ thống máy móc của khách hàng hoạt động bền bỉ 24/7.

VIII. Kết luận
AC Servo Keyence là một minh chứng rõ nét cho sự kết hợp hoàn hảo giữa công nghệ phần cứng siêu chính xác và phần mềm điều khiển thông minh. Hiểu rõ đặc tính kỹ thuật, nắm vững các mã lỗi và áp dụng đúng các nguyên tắc lắp đặt sẽ giúp doanh nghiệp khai thác tối đa sức mạnh của hệ thống này, từ đó nâng cao năng suất và chất lượng sản phẩm đầu ra.
Nếu nhà máy của bạn đang cần nâng cấp hệ thống truyền động hoặc tìm kiếm giải pháp giải quyết sự cố tự động hóa, đừng ngần ngại liên hệ với các chuyên gia kỹ thuật thực thụ để được tư vấn lộ trình hiệu quả nhất.
Liên hệ ngay để được tư vấn chi tiết và báo giá hấp dẫn
- Hotline Zalo miền Bắc: 0961.320.333
- Hotline Zalo miền Nam: 0981.810.800
- Website: tudonghoatoancau.com
- Facebook: Tự động hóa Toàn Cầu
IX. Câu hỏi thường gặp về Servo Keyence
1. Servo Keyence sử dụng phần mềm nào để cài đặt và tinh chỉnh?
Để cấu hình và tinh chỉnh Servo Keyence, kỹ sư thường sử dụng phần mềm Keyence KV Studio hoặc phần mềm chuyên dụng hỗ trợ thiết lập Drive. Phần mềm này cho phép theo dõi đồ thị thời gian thực, chỉnh định PID và sao lưu thông số dễ dàng.
2. Làm sao để giải quyết hiện tượng động cơ Servo Keyence bị rung khi chạy ở tốc độ thấp?
Hiện tượng rung ở tốc độ thấp thường do thông số độ lợi quá cao hoặc bị ảnh hưởng bởi độ rơ cơ khí. Kỹ thuật viên cần mở phần mềm, chạy chức năng phân tích tần số cộng hưởng, kích hoạt bộ lọc Notch Filter để triệt tiêu dải tần số gây ồn, đồng thời giảm nhẹ thông số Position Loop Gain.
3. Công ty Tự động hóa Toàn Cầu (GAC) có hỗ trợ lắp đặt và lập trình Servo không?
Có. Đội ngũ kỹ sư của Công ty Cổ phần Tự động hóa Toàn Cầu (GAC) cung cấp dịch vụ kỹ thuật toàn diện trên toàn quốc. Chúng tôi trực tiếp khảo sát, tư vấn thiết bị, thiết kế bản vẽ tủ điện, lập trình phần mềm và chạy thử tại nhà máy của khách hàng.
4. Dây cáp encoder của Servo Keyence có thể tự nối dài được không?
Về nguyên tắc kỹ thuật, không nên tự ý cắt nối dây tín hiệu encoder bằng băng keo điện thông thường vì sẽ làm mất đi khả năng chống nhiễu và thay đổi trở kháng của cáp, gây ra lỗi mất vị trí. Cần sử dụng các loại cáp đúc sẵn chuẩn của hãng hoặc sử dụng cáp hàn chống nhiễu chuyên dụng có bọc lưới đồng và thao tác hàn jack cắm đạt chuẩn.




Zalo Miền Bắc