Thông Số Kỹ Thuật FX3U-1PG :
Nguồn cấp : 24VDC
Tốc độ phát xung tối đa 200kHz
Kiểu đầu ra xung : Open Collector Output
Hỗ trợ điều khiển kiểu xung-xung hoặc xung-hướng cho một trục
Chế độ điều khiển vị trí tương đối hoặc tuyệt đối
Hỗ trợ các đầu vào chức năng : nút dừng , giới hạn trên, giới hạn dưới, cảm biến Home,…
Sơ đồ nối dây đầu vào kiểu Sink :

Sơ đồ nối dây đầu vào kiểu Source :

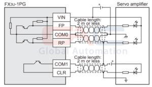
Sơ đồ nối đây đầu ra xung :

Tài liệu tham khảo :
- FX3U-1PG User’s Manual : Download
- FX3U Catalogue : Download
- FX3U Hardware Manual: Download
- FX3U Programming Manual: Download
- Software GX Developer V8.0: Download
- Software GX Developer V8.91: Download
- Software GX Simulator V7 : Download
- Software GX Work 2 + 3 Full: Download


Zalo Miền Bắc