- Thông số cài đặt chạy/dừng và tăng giảm tốc độ của biến tần Shihlin: 00-16 (p.79)
Ý nghĩa giá trị của thông số 00-16:
| 00-16 | P.79
|
Chế độ chạy
|
0:
+ PU: Lệnh chạy và chỉnh tốc dộ trên bàn phím biến tần + External: Lệnh chạy và điều khiển tốc độ bằng công tắc và biến trở ngoài. Chạy nhiều cấp tốc độ + Chạy Jog |
| 1:
+ PU: Lệnh chạy và chỉnh tốc dộ trên bàn phím biến tần + Chạy Jog |
|||
| 2:
+ External: Lệnh chạy và điều khiển tốc độ bằng công tắc và biến trở ngoài |
|||
| 3:
+ CU: Lệnh chạy và điều khiển tốc độ bằng truyền thông |
|||
| 4: Chế độ kết hợp H1
+ Lệnh chạy bằng công tắc ngoài và điều chỉnh tốc độ bằng bàn phím |
|||
| 5: Chế dộ kết hợp H2
+ Lệnh chạy bằng bàn phím và điều chỉnh tốc độ bằng biến trở ngoài + Chạy nhiều cấp tốc độ |
|||
| 6: Chế độ kết hợp H3
+ Lệnh chạy bằng công tắc ngoài, điều chỉnh tốc độ bằng truyền thông + Chạy nhiều cấp tốc độ + Chạy Jog ngoài |
|||
| 7: Chế độ kết hợp H4
+ Lệnh chạy bằng truyền thông, điều khiển tốc độ bằng biến trở ngoài + Chạy nhiều cấp tốc độ |
|||
| 8: Chế độ kết hợp H5
+ Lệnh chạy bằng công tắc ngoài, chỉnh tốc độ bằng bàn phím + Chạy nhiều cấp tốc độ + Chạy Jog ngoài |
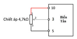
- Ví dụ: Quý khách muốn cài chế độ: Công tắc ngoài – Chiết áp ngoài
- Thông số cài đặt:
- 00-16 = 2
- Sơ đồ đấu dây:
- Công tắc ngoài:

- Chiết áp ngoài:

- Chế độ: Công tắc ngoài – Chiết áp trên mặt biến tần:
- Thông số cài đặt:
- 00-16 = 1

Zalo Miền Bắc