Trong bối cảnh nền công nghiệp sản xuất chuyển mình mạnh mẽ sang tự động hóa toàn diện, hệ thống truyền động chính xác trở thành yếu tố sống còn. Hiện nay, brushless ac servo motor đã vươn lên thành trái tim của các cỗ máy phức tạp thay thế hệ thống cũ. Với khả năng kiểm soát vị trí và momen xoắn với độ trễ cực thấp, công nghệ này định hình lại tiêu chuẩn gia công. Bài viết dưới đây sẽ đi sâu phân tích những giá trị cốt lõi của thiết bị này.
I. Tổng quan về công nghệ Brushless AC Servo Motor và cơ chế vận hành
Động cơ hiện đại đang định hình lại toàn bộ nền tảng của các hệ thống tự động hóa công nghiệp. Sự xuất hiện của công nghệ mới giúp các nhà máy tối ưu hóa quy trình sản xuất một cách triệt để. Nền tảng cốt lõi của hệ thống này dựa trên sự phối hợp nhịp nhàng giữa phần cứng cơ điện và phần mềm điều khiển.
1. Cấu trúc từ trường và triệt tiêu ma sát cơ học
Thiết kế không chổi than giúp loại bỏ hoàn toàn ma sát vật lý và hiện tượng phóng tia lửa điện khi chuyển mạch. Rotor sử dụng nam châm vĩnh cửu kết hợp cùng stator được cấp nguồn điện xoay chiều. Cấu trúc này tạo ra một hệ thống truyền động tĩnh lặng và cực kỳ ổn định.

Nhờ đó thiết bị có khả năng chịu tải liên tục trong các môi trường làm việc khắc nghiệt nhất. Sự triệt tiêu ma sát cũng là yếu tố then chốt giúp brushless ac servo motor duy trì tuổi thọ dài hạn. Doanh nghiệp sẽ tiết kiệm được khoản chi phí khổng lồ cho việc thay thế và bảo dưỡng định kỳ.
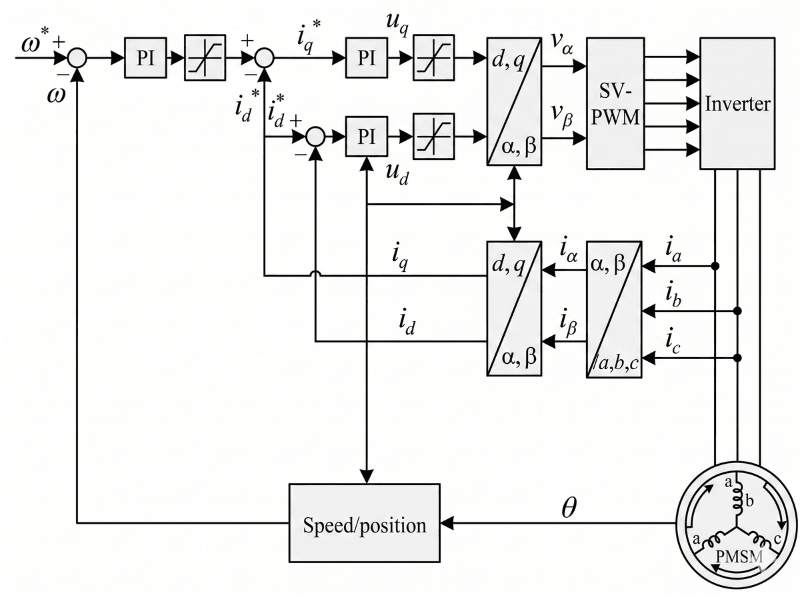
2. Vai trò cốt lõi của thuật toán điều khiển vòng kín
Sức mạnh thực sự của hệ thống truyền động nằm ở khả năng xử lý tín hiệu phản hồi liên tục từ bộ điều khiển. Hệ thống ứng dụng thuật toán điều khiển vector phức tạp như FOC (vector tựa từ thông). Điều này giúp phân tách dòng điện từ hóa và dòng điện tạo momen độc lập, do đó có thể điều khiển động cơ AC tương tự như điều khiển động cơ DC.

Nhờ thuật toán vòng kín mà động cơ luôn bám sát quỹ đạo chuyển động một cách tuyệt đối. Ngay cả khi tải trọng thay đổi đột ngột thì hệ thống vẫn vận hành trơn tru không rung lắc. Đây là minh chứng rõ nét cho sự ưu việt của hệ thống truyền động thế hệ mới trong nền công nghiệp.
II. Ứng dụng thực tế của Brushless AC Servo Motor trong máy CNC
Trung tâm gia công hiện đại luôn đòi hỏi sự khắt khe về thông số kỹ thuật và độ chính xác lặp lại. Việc ứng dụng linh hoạt hệ thống động cơ tiên tiến mang lại những cải tiến vượt bậc cho ngành cơ khí chính xác. Quá trình vận hành được tối ưu hóa giúp gia tăng năng suất rõ rệt.
1. Kiểm soát nội suy đa trục và định vị tọa độ chính xác
Quá trình phối hợp đồng thời nhiều trục tọa độ trong máy gia công đòi hỏi độ chính xác đạt mức micromet. Dòng thiết bị này đáp ứng hoàn hảo yêu cầu trên nhờ bộ mã hóa vòng quay có độ phân giải cực cao. Tín hiệu số được truyền tải liên tục giúp kiểm soát vị trí từng milimet.

Trục chính và các trục dẫn động có thể di chuyển mượt mà dưới sự chỉ huy của bộ điều khiển trung tâm. Kết quả là tạo ra những bề mặt cắt gọt tinh xảo trên các phôi liệu có hình dáng phức tạp. Việc nội suy đa trục không còn là rào cản kỹ thuật khó nhằn đối với kỹ sư.
2. Tối ưu hóa chu trình gia công và giảm thiểu dung sai
Khả năng tăng tốc và giảm tốc cực ngắn giúp hệ thống cắt giảm đáng kể thời gian chết giữa các chu trình chạy dao. Sự ổn định về momen xoắn ở dải tốc độ thấp đóng vai trò duy trì lực cắt luôn luôn đồng đều. Thiết bị sẽ triệt tiêu hoàn toàn hiện tượng rung lắc cơ học khi gia công.

Yếu tố này trực tiếp giúp nhà sản xuất giảm thiểu tối đa mức dung sai cho phép trên từng sản phẩm. Tỷ lệ phế phẩm trong quá trình sản xuất hàng loạt được kéo giảm xuống mức thấp nhất. Đó là lý do brushless ac servo motor ngày càng được tin dùng rộng rãi trong các phân xưởng cơ khí.
III. Giải pháp chuyển động tuyến tính và linh hoạt trong Robot công nghiệp
Lĩnh vực chế tạo máy tự động đang chứng kiến những bước nhảy vọt nhờ hệ truyền động cơ điện tử cực kỳ linh hoạt. Cánh tay robot giờ đây có thể mô phỏng chính xác các chuyển động vô cùng phức tạp. Năng lực đáp ứng nhanh chóng mang lại hiệu quả vượt trội cho dây chuyền sản xuất.
1. Đáp ứng động học cao tại các khớp nối không gian
Các dòng tay máy đa bậc tự do đòi hỏi sự linh hoạt và khả năng đảo chiều liên tục trong không gian hẹp. Động cơ cung cấp tỷ lệ momen trên quán tính cực tốt cho từng khớp nối cơ học. Các khớp robot có thể thực hiện nhanh gọn các thao tác gắp thả hay lắp ráp linh kiện vi mạch.

Tốc độ di chuyển có thể diễn ra chớp nhoáng nhưng hệ thống vẫn đảm bảo dừng lại đúng vị trí đích được lập trình. Hiện tượng văng trượt cơ học được loại bỏ hoàn toàn nhờ cơ chế hãm động năng ưu việt. Dòng brushless ac servo motor thực sự là lựa chọn hoàn hảo cho robot công nghiệp thông minh.
2. Đảm bảo tính an toàn và nội lực ổn định
Hệ thống robot hợp tác làm việc chung không gian với con người luôn đặt tiêu chuẩn an toàn lên hàng đầu. Động cơ được tích hợp các cảm biến lực tinh nhạy giúp nhận diện va chạm bất thường ngay lập tức. Cánh tay máy sẽ tự động kích hoạt trạng thái dừng khẩn cấp để bảo vệ người lao động.

Momen xoắn của hệ thống luôn được giữ vững vàng ngay cả khi nguồn điện cung cấp bị ngắt đột ngột. Khả năng khóa trục ở trạng thái tĩnh là yếu tố an toàn thiết yếu cho các thiết bị mang vác vật nặng. Nội lực ổn định giúp robot hoàn thành xuất sắc các nhiệm vụ đòi hỏi sức bền bỉ.
IV. Lợi thế cạnh tranh vượt trội so với các hệ truyền động thế hệ cũ
Các nhà quản lý doanh nghiệp luôn tìm kiếm các giải pháp tối ưu chi phí vận hành và nâng cao hiệu suất dây chuyền. Thế hệ động cơ điện không chổi than mang lại những giá trị kinh tế vô cùng ấn tượng. Những ưu điểm cơ học vượt trội giúp thiết bị bỏ xa các công nghệ truyền thống.

1. Hiệu suất chuyển đổi năng lượng và quản lý nhiệt độ
Việc loại bỏ cơ cấu tiếp xúc vật lý cùng thiết kế cuộn dây tối ưu mang lại hiệu quả tản nhiệt tuyệt vời. Lượng nhiệt sinh ra trong quá trình vận hành được phân tán trực tiếp và nhanh chóng qua vỏ thiết bị. Hệ thống sẽ không bị hiện tượng quá nhiệt gây suy giảm từ tính của khối nam châm.
Điều này giúp động cơ đạt hiệu suất chuyển đổi từ điện năng thành cơ năng ở mức vô cùng ấn tượng. Các nhà máy sản xuất có thể tiết kiệm một khoản chi phí năng lượng khổng lồ vào mỗi cuối năm. Hiệu quả sử dụng điện năng là bài toán kinh tế mang lại lợi thế lớn cho chủ đầu tư.
2. Kéo dài tuổi thọ thiết bị và tối giản chi phí bảo dưỡng
Thiết kế tinh gọn không chứa các bộ phận hao mòn vật lý biến hệ thống thành một cỗ máy hoạt động cực kỳ bền bỉ. Các kỹ sư bảo trì giờ đây chỉ cần tập trung kiểm tra định kỳ vòng bi và các kết nối cáp. Công tác bảo dưỡng được đơn giản hóa giúp giảm áp lực cho đội ngũ kỹ thuật.
Thời gian dừng máy đột xuất của toàn bộ dây chuyền sản xuất được kiểm soát và giảm thiểu xuống mức thấp nhất. Doanh nghiệp cắt giảm được đáng kể ngân sách dành cho việc mua sắm vật tư thay thế thường xuyên. Việc đầu tư vào brushless ac servo motor mang lại lợi ích dài hạn cực kỳ vững chắc.
V. Thách thức kỹ thuật và phương pháp khắc phục trong quá trình tích hợp
Việc đưa công nghệ tự động hóa công nghiệp vào môi trường nhà máy thực tế luôn đi kèm những rào cản kỹ thuật nhất định. Đội ngũ kỹ sư cần nắm vững các nguyên lý điện từ để xử lý triệt để các sự cố. Quá trình tích hợp bài bản sẽ đảm bảo hệ thống vận hành trơn tru nhất.

1. Xử lý nhiễu điện từ trường và tinh chỉnh tham số
Môi trường nhà máy chứa nhiều thiết bị công suất lớn rất dễ gây nhiễu loạn tín hiệu hồi tiếp của động cơ servo ac. Đội ngũ kỹ thuật cần thiết lập một hệ thống cáp nối đất chuẩn mực ngay từ khâu thi công tủ điện. Việc sử dụng cáp chống nhiễu chuyên dụng là điều kiện bắt buộc để bảo vệ dữ liệu.
Bên cạnh đó các chuyên gia phải liên tục đo đạc và tinh chỉnh bộ thông số vòng lặp tốc độ. Việc can thiệp sâu vào thuật toán điều khiển điện tử giúp đảm bảo thiết bị không bị dao động cộng hưởng. Sự ổn định tuyệt đối của đường truyền tín hiệu là chìa khóa cho mọi chuyển động mượt mà.
2. Đồng bộ hóa các giao thức truyền thông tốc độ cao
Để phát huy tối đa tốc độ đáp ứng thì bộ điều khiển cần kết nối với máy chủ trung tâm qua mạng truyền thông. Các chuẩn mạng công nghiệp thời gian thực đóng vai trò huyết mạch trong việc trao đổi khối lượng dữ liệu lớn. Hệ thống bắt buộc phải tương thích cấu hình và không bị rớt bất kỳ gói tin nào.
Việc xử lý và đồng bộ hóa thời gian trễ giữa hàng loạt các trạm thiết bị là bài toán khó cần giải quyết triệt để. Quá trình này phải được tính toán và lập trình kỹ lưỡng ngay từ khâu thiết kế phần mềm. Một hạ tầng mạng lưới ổn định sẽ mang lại sự phối hợp nhịp nhàng cho máy móc.
VI. Kết luận
Tóm lại hệ thống brushless ac servo motor đóng vai trò cốt lõi mang tính quyết định đến hiệu suất của các cỗ máy hiện đại. Khả năng điều khiển cực kỳ chính xác cùng sự bền bỉ ấn tượng biến thiết bị này thành giải pháp đầu tư tối ưu nhất. Doanh nghiệp chắc chắn sẽ gia tăng năng lực cạnh tranh mạnh mẽ khi ứng dụng công nghệ này.

Công ty Cổ phần Tự Động Hóa Toàn Cầu tự hào là đơn vị hàng đầu chuyên cung cấp thiết bị điều khiển công nghiệp uy tín. Chúng tôi phân phối chính hãng đa dạng các dòng sản phẩm chất lượng cao bao gồm biến tần, bộ điều khiển PLC và màn hình HMI,… Đặc biệt khách hàng khi mua brushless ac servo motor sẽ được tư vấn chuyên sâu cùng chính sách bảo hành dài hạn.
Ngoài ra, đội ngũ kỹ sư Bách Khoa giàu chuyên môn thực tế của chúng tôi luôn sẵn sàng hỗ trợ kỹ thuật liên tục 24/7. Chúng tôi cam kết sẽ luôn đồng hành cùng quý doanh nghiệp tháo gỡ mọi thách thức trong lĩnh vực điều khiển và tự động hóa. Hãy nhấc máy liên hệ ngay hôm nay để nhận được những tư vấn tận tâm và sản phẩm chất lượng, tối ưu ngân sách nhất.
THÔNG TIN LIÊN HỆ
- Hotline Zalo miền Bắc: 0961.320.333
- Hotline Zalo miền Nam: 0981.810.800
- Website: tudonghoatoancau.com
- Facebook: Tự động hóa Toàn Cầu
Xem thêm: So Sánh Chi Tiết AC Servo Motor vs DC Servo Motor Từ A-Z

Zalo Miền Bắc
