Động cơ servo đóng vai trò cốt lõi trong các hệ thống điều khiển chuyển động hiện đại, từ dây chuyền sản xuất tự động hóa đến cánh tay robot công nghiệp. Tuy nhiên, khi đứng trước quyết định thiết kế hoặc nâng cấp hệ thống, nhiều kỹ sư và nhà quản lý thường gặp khó khăn trong việc lựa chọn giữa hai dòng cơ bản là AC Servo Motor vs DC Servo Motor. Bài viết này sẽ phân tích sâu sắc, so sánh chi tiết từng khía cạnh kỹ thuật, hiệu suất và ứng dụng thực tế của cả hai loại động cơ, giúp bạn đưa ra quyết định đầu tư tối ưu và chính xác nhất cho dự án của mình.
I. Tổng quan về động cơ Servo trong tự động hóa
1. Khái niệm cơ bản về Servo Motor
Servo Motor là một hệ thống truyền động bao gồm động cơ, bộ điều khiển và thiết bị phản hồi. Hệ thống này hoạt động theo nguyên lý vòng kín, cho phép điều khiển chính xác vị trí, tốc độ và gia tốc của trục quay. Khác với các loại động cơ thông thường chỉ quay liên tục khi được cấp điện, động cơ servo có khả năng nhận lệnh và di chuyển đến một vị trí đích xác một cách hoàn hảo.

2. Tầm quan trọng trong hệ thống điều khiển
Trong kỷ nguyên công nghiệp hiện đại, độ chính xác và tốc độ phản hồi là hai yếu tố sống còn. Động cơ servo đáp ứng hoàn hảo cả hai tiêu chí này. Chúng được tích hợp sâu vào các hệ thống máy CNC, máy đóng gói, rô bốt công nghiệp và các dây chuyền lắp ráp thông minh. Việc lựa chọn đúng loại servo không chỉ quyết định hiệu năng hoạt động mà còn ảnh hưởng trực tiếp đến tuổi thọ của toàn bộ hệ thống cơ điện.
II. Tìm hiểu chi tiết về AC Servo Motor
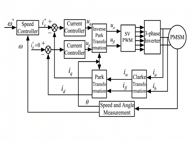
1. Cấu tạo và nguyên lý hoạt động
AC Servo Motor hoạt động dựa trên nguồn điện xoay chiều, với stator chứa các cuộn dây tạo ra từ trường quay. Tùy theo cấu tạo rotor, AC Servo được chia thành hai loại chính gồm động cơ đồng bộ nam châm vĩnh cửu (PMSM) và động cơ cảm ứng (IM), trong đó PMSM là loại được sử dụng phổ biến hơn nhờ hiệu suất cao và khả năng đáp ứng nhanh. Dòng điện xoay chiều biến thiên liên tục giúp động cơ tạo ra mô-men xoắn mạnh mẽ và ổn định.

Về cấu tạo, AC Servo Motor gồm hai dạng chính là PMSM và IM. Với PMSM, stator chứa các cuộn dây tạo từ trường quay, còn rotor là nam châm vĩnh cửu giúp tạo từ trường ổn định và cho khả năng đáp ứng nhanh, hiệu suất cao. Trong khi đó, IM có stator tương tự nhưng rotor dạng lồng sóc, hoạt động dựa trên nguyên lý cảm ứng điện từ nên không cần nam châm, giúp tăng độ bền và giảm chi phí, tuy nhiên khả năng đáp ứng và độ chính xác thường thấp hơn so với PMSM.
2. Những ưu điểm vượt trội
Điểm sáng lớn nhất của AC Servo là khả năng tản nhiệt cực tốt, cho phép chúng hoạt động ổn định ở cường độ cao trong thời gian dài mà không bị suy giảm hiệu suất. Nhờ thiết kế không chổi than, động cơ AC gần như không cần bảo trì định kỳ, triệt tiêu được hiện tượng đánh lửa điện. Ngoài ra, dòng động cơ này cung cấp dải tốc độ rộng và mô men xoắn lớn, rất lý tưởng cho các loại tải nặng.
3. Hạn chế cần lưu ý
Bên cạnh những điểm mạnh, AC Servo Motor có cấu trúc điều khiển khá phức tạp, đòi hỏi bộ điều khiển chuyên dụng có khả năng xử lý tín hiệu cao cấp. Điều này dẫn đến chi phí đầu tư ban đầu cho hệ thống AC thường cao hơn đáng kể so với các giải pháp khác.

III. Tìm hiểu chi tiết về DC Servo Motor
1. Cấu tạo và cơ chế vận hành
DC Servo Motor vận hành bằng nguồn điện một chiều. Loại phổ biến nhất trước đây sử dụng cấu trúc có chổi than và cổ góp để đảo chiều dòng điện. Tuy nhiên, công nghệ hiện đại cũng đã phát triển các dòng DC Servo không chổi than để khắc phục các nhược điểm vật lý cũ. Động cơ DC phản ứng rất nhanh với các thay đổi của điện áp cung cấp, tạo ra một hệ thống điều khiển tuyến tính và dễ đoán.

2. Điểm mạnh trong ứng dụng
Lợi thế cạnh tranh lớn nhất của DC Servo Motor chính là khả năng phản hồi cực nhanh và độ chính xác cao ở dải tốc độ thấp. Do cơ chế điều khiển điện áp một chiều đơn giản hơn, bộ điều khiển của DC Servo có kích thước nhỏ gọn và chi phí thiết kế, lắp đặt thường thấp hơn. Chúng rất phù hợp cho các thiết bị cần sự tinh chỉnh mượt mà mà không đòi hỏi công suất quá lớn.

3. Các nhược điểm cố hữu
Đối với các dòng DC Servo truyền thống có chổi than, nhược điểm lớn nhất là sự hao mòn cơ học. Chổi than cần được thay thế định kỳ, đồng thời ma sát tạo ra bụi than và tia lửa điện, khiến chúng không phù hợp với các môi trường dễ cháy nổ hoặc phòng sạch. Khả năng tản nhiệt của DC Servo cũng kém hơn AC Servo, dễ dẫn đến hiện tượng quá nhiệt nếu ép chạy quá tải liên tục.
IV. So sánh chi tiết AC Servo Motor và DC Servo Motor
1. Hiệu suất và khả năng điều tốc
Khi đặt lên bàn cân AC Servo Motor vs DC Servo Motor, hiệu suất là yếu tố then chốt. AC Servo có ưu thế tuyệt đối ở dải tốc độ cao và môi trường làm việc khắc nghiệt. Trong khi đó, DC Servo lại cung cấp khả năng điều khiển vị trí xuất sắc và mượt mà ở các vòng quay chậm. Việc đảo chiều quay của DC Servo cũng diễn ra nhanh chóng hơn nhờ quán tính rô to nhỏ.
2. Độ bền và chi phí bảo trì
Về dài hạn, AC Servo Motor chiến thắng hoàn toàn ở hạng mục độ bền. Sự vắng mặt của chổi than giúp động cơ AC vận hành bền bỉ qua nhiều năm mà ít hỏng hóc. Ngược lại, việc sử dụng DC Servo (đặc biệt là loại có chổi than) buộc người dùng phải lên lịch bảo dưỡng thường xuyên để kiểm tra cổ góp và chổi than, làm tăng chi phí vận hành ngầm.
3. Môi trường hoạt động phù hợp
Do đặc tính cấu tạo, AC Servo hoàn toàn kháng bụi, chịu được môi trường ẩm ướt và không phát sinh tia lửa điện, nên được ứng dụng rộng rãi trong mọi loại hình nhà máy. Ngược lại, DC Servo Motor truyền thống bị giới hạn môi trường sử dụng hơn, chúng hoạt động tốt nhất trong các môi trường sạch sẽ, khô ráo và có không gian tản nhiệt tốt.
V. Ứng dụng thực tế của AC và DC Servo Motor
1. Các ngành công nghiệp ưu tiên dùng AC Servo
Với mô men xoắn mạnh và độ ổn định cao, AC Servo Motor là linh hồn của các loại máy phay, máy tiện CNC gia công kim loại, máy ép nhựa cường độ cao và hệ thống robot đa trục trong các nhà máy sản xuất ô tô. Chúng đảm nhận những khâu cần sức mạnh cơ bắp nhưng vẫn phải duy trì độ chính xác ở cấp độ micromet.

2. Các trường hợp nên sử dụng DC Servo
DC Servo Motor thường tìm thấy chỗ đứng vững chắc trong các thiết bị y tế tinh vi, máy in 3D công nghiệp loại nhỏ, thiết bị đóng gói thực phẩm nhẹ hoặc các cơ cấu tay gắp robot cỡ nhỏ. Nhờ đặc tính phản ứng nhanh gọn, chúng giải quyết rất tốt các bài toán di chuyển quãng đường ngắn với tần suất dừng đỗ liên tục.

VI. Tiêu chí lựa chọn động cơ Servo tối ưu cho dự án
1. Đánh giá yêu cầu tải trọng và tốc độ
Để chọn đúng loại động cơ, kỹ sư cần xác định rõ biểu đồ di chuyển của cơ cấu cơ khí. Nếu hệ thống yêu cầu gia tốc lớn, tải trọng nặng và chạy liên tục ở tốc độ cao, AC Servo là lựa chọn bắt buộc. Nếu ứng dụng chủ yếu làm việc với tải nhẹ, cần độ mịn khi khởi động và dừng, DC Servo sẽ đem lại trải nghiệm vận hành tốt hơn.
2. Cân đối ngân sách đầu tư ban đầu và vận hành
Chi phí luôn là bài toán khó. Mặc dù DC Servo Motor mang lại lợi thế về giá thành mua sắm ban đầu và chi phí cho bộ điều khiển rẻ hơn, nhưng nếu xét trên vòng đời dự án từ vài năm trở lên, AC Servo Motor lại tiết kiệm hơn nhờ cắt giảm được hàng loạt chi phí bảo trì, sửa chữa và thời gian ngưng trệ máy móc.
VII. Kết luận chung về AC Servo Motor vs DC Servo Motor
Tổng kết lại, việc so sánh AC Servo Motor vs DC Servo Motor cho thấy mỗi dòng thiết bị đều có những thế mạnh và hạn chế riêng biệt. AC Servo Motor là giải pháp hoàn hảo cho các hệ thống công nghiệp nặng, đòi hỏi độ bền bỉ cao, ít bảo trì và hoạt động liên tục với công suất lớn. Trong khi đó, DC Servo Motor lại tỏa sáng ở những ứng dụng nhỏ gọn, cần phản hồi nhanh, mượt mà ở tốc độ thấp và tối ưu được chi phí đầu tư ban đầu. Việc hiểu rõ bản chất cốt lõi của từng loại động cơ sẽ giúp các kỹ sư tự động hóa đưa ra quyết định kỹ thuật chính xác nhất.

Công ty Cổ phần Tự Động Hóa Toàn Cầu tự hào là đơn vị cung cấp thiết bị tự động hóa uy tín hàng đầu, bao gồm biến tần, PLC, servo motor, HMI và nhiều giải pháp điều khiển công nghiệp tiên tiến.
Chúng tôi cam kết mang đến sản phẩm chính hãng, chất lượng cao cùng chính sách bảo hành minh bạch, hậu mãi dài hạn và hỗ trợ kỹ thuật 24/7 bởi đội ngũ kỹ sư giàu kinh nghiệm đến từ các trường đại học kỹ thuật hàng đầu như Bách Khoa.
Không chỉ cung cấp thiết bị, chúng tôi còn đồng hành cùng khách hàng trong quá trình tư vấn, thiết kế và tối ưu hệ thống, giúp doanh nghiệp nâng cao hiệu suất vận hành và tối ưu chi phí đầu tư.
Nếu bạn đang tìm kiếm giải pháp tối ưu giữa AC Servo Motor vs DC Servo Motor, hãy liên hệ ngay với chúng tôi để được tư vấn chi tiết và phù hợp nhất cho dự án của bạn.
THÔNG TIN LIÊN HỆ
- Hotline Zalo miền Bắc: 0961.320.333
- Hotline Zalo miền Nam: 0981.810.800
- Website: tudonghoatoancau.com
- Facebook: Tự động hóa Toàn Cầu

Zalo Miền Bắc
