Trong hệ sinh thái tòa nhà thông minh, hệ thống BMS đóng vai trò như bộ não trung tâm điều phối. Để con người có thể giao tiếp và giám sát trực quan, một thiết bị hiển thị và chuẩn truyền thông đồng nhất là yếu tố bắt buộc. HMI BACnet là giải pháp hoàn hảo giúp phá vỡ giới hạn độc quyền công nghệ giữa các thương hiệu khác nhau. Bài viết này sẽ phân tích chi tiết cách thiết bị tối ưu hóa hiệu suất vận hành toàn diện.
I. Tổng quan về giao thức BACnet và màn hình HMI trong hệ thống BMS
1. Giao thức BACnet là gì trong mạng tự động hóa?
Giao thức truyền thông BACnet là một tiêu chuẩn truyền dữ liệu chuyên biệt được thiết kế cho mạng tự động hóa. Công nghệ này hỗ trợ các thiết bị cơ điện đa thương hiệu cùng tương tác trên một nền tảng.

Chuẩn giao tiếp này giúp loại bỏ hoàn toàn sự phụ thuộc vào các công nghệ độc quyền tốn kém. Nó tạo ra một hệ thống quản lý mở và mang lại tính minh bạch cao.
2. Vai trò của màn hình HMI trong hệ thống BMS
Màn hình hiển thị đóng vai trò làm cầu nối giao tiếp trực quan giữa người vận hành và hệ thống máy móc. Thiết bị HMI BACnet thực hiện số hóa các thông số thành biểu đồ và nút bấm trực quan.

Thông qua giao diện này, người quản lý dễ dàng nắm bắt mọi trạng thái thiết bị thực tế. Việc giám sát liên tục sẽ nâng cao hiệu quả vận hành cho toàn bộ tòa nhà thông minh.
II. Cơ chế hoạt động của HMI BACnet trong kiến trúc giám sát
1. Phương thức giao tiếp giữa HMI và các bộ điều khiển DDC
Trong mạng lưới quản lý, bộ điều khiển kỹ thuật số DDC chịu trách nhiệm trực tiếp thu thập tín hiệu. Màn hình giao tiếp kết nối thẳng đến DDC để truy xuất trạng thái thiết bị theo thời gian thực.

Sử dụng dịch vụ đọc ghi dữ liệu tiêu chuẩn giúp luồng thông tin giám sát luôn liền mạch. Kỹ sư vận hành dễ dàng đưa ra lệnh điều khiển ngay lập tức khi phát hiện sự cố.
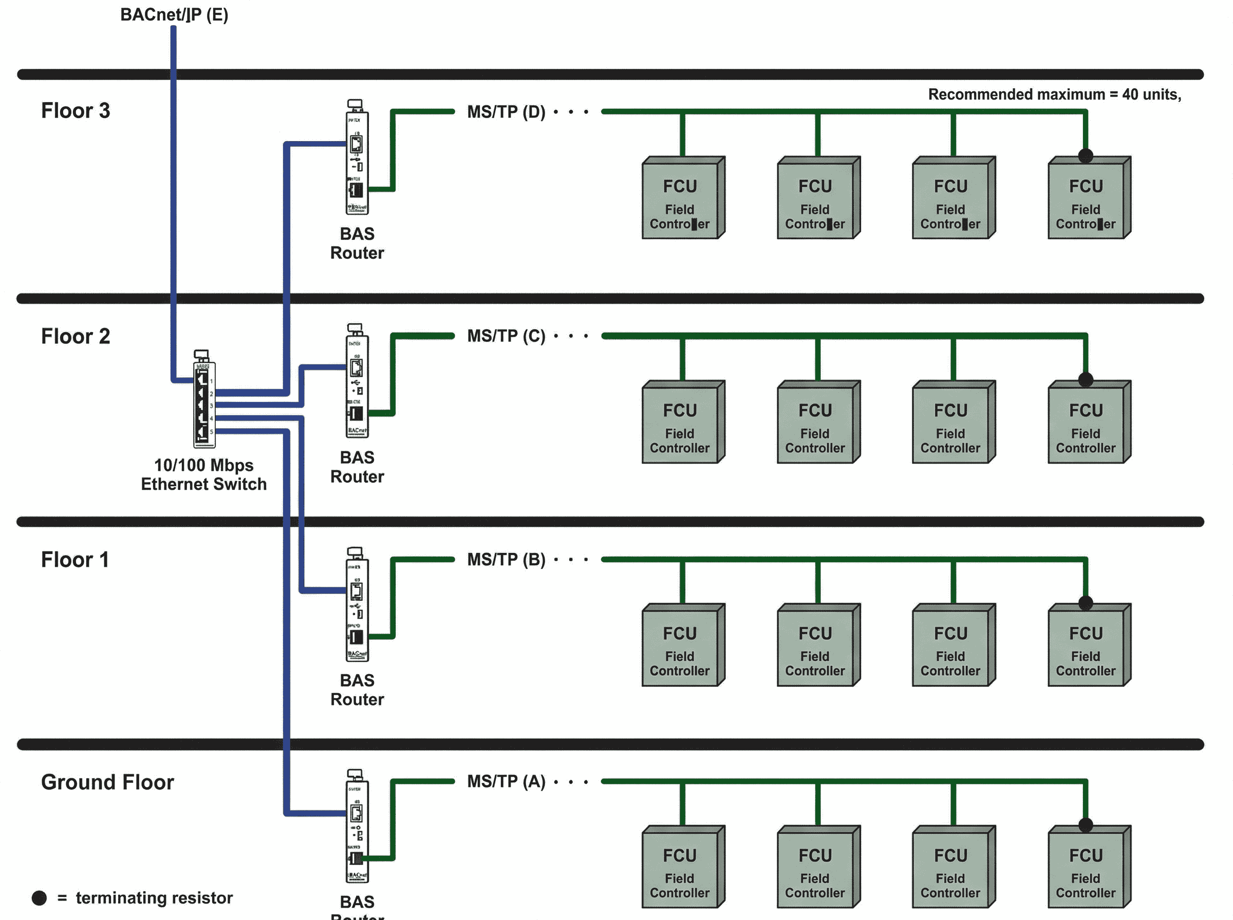
2. Khả năng tương thích qua chuẩn BACnet MS/TP và BACnet IP
Giải pháp hiển thị công nghiệp này mang lại sự linh hoạt cao khi hỗ trợ đa dạng tầng kết nối vật lý. Chuẩn kết nối nối tiếp giúp liên kết mạng thiết bị ở cấp độ trường cực kỳ tiết kiệm.

Đồng thời, chuẩn mạng IP tận dụng sức mạnh hạ tầng mạng nội bộ tốc độ cao trong tòa nhà. Khả năng này cho phép thu thập lượng dữ liệu lớn mà không bị nghẽn mạng.
III. Lợi ích thực tế khi ứng dụng giải pháp HMI BACnet
1. Tối ưu hóa chi phí đầu tư và vận hành dài hạn
Việc ứng dụng một giao thức chuẩn quốc tế giúp chủ đầu tư cắt giảm đáng kể chi phí bộ chuyển đổi. Mạng lưới thiết bị được đồng bộ hóa trơn tru, hạn chế tối đa các khoản đầu tư phát sinh.
Bên cạnh đó, công tác bảo trì chẩn đoán lỗi hệ thống cũng được đơn giản hóa tuyệt đối. Doanh nghiệp sẽ tiết kiệm được nhiều nhân lực và rút ngắn thời gian xử lý sự cố.
2. Tính linh hoạt và khả năng mở rộng hệ thống dễ dàng
Mọi quy mô công trình thực tế đều đòi hỏi hệ thống quản lý phải liên tục được mở rộng. Việc bổ sung thêm thiết bị cơ điện vào mạng giám sát hiện hữu diễn ra nhanh chóng và không gặp trở ngại.

Hệ thống có khả năng tự động nhận diện đối tượng dữ liệu mới trên mạng truyền thông. Người dùng không cần can thiệp sâu vào cấu trúc phần mềm mà vẫn đảm bảo tính đồng bộ.
3. Nâng cao hiệu suất giám sát và trải nghiệm người dùng
Các dòng màn hình hiện đại cung cấp một thư viện đồ họa vô cùng chân thực và sống động. Nhờ đó, người quản lý dễ dàng mô phỏng lại sơ đồ ống nước hay hệ thống điều hòa rất trực quan.
Cơ chế cảnh báo phân cấp trên màn hình giúp người dùng nhận diện rủi ro ngay lập tức. Tính năng thông minh này đảm bảo an toàn tối đa cho mọi hoạt động vận hành thiết bị.
IV. Các tiêu chí cốt lõi khi lựa chọn màn hình HMI BACnet

1. Chứng nhận tương thích BTL và độ tin cậy
Một thiết bị hiển thị chất lượng cao cần sở hữu chứng nhận từ các phòng thí nghiệm quốc tế uy tín. Đây là minh chứng rõ ràng nhất cho việc tuân thủ nghiêm ngặt quy tắc truyền thông dữ liệu công nghiệp.
Khi lựa chọn thiết bị chuẩn, hệ thống sẽ tránh được tối đa các xung đột tín hiệu nguy hiểm. Yếu tố này đóng vai trò sống còn khi tích hợp vào một mạng lưới quy mô lớn.
2. Cấu hình phần cứng và khả năng chịu tải công nghiệp
Môi trường lắp đặt thường nằm trong phòng điều khiển có nhiệt độ thay đổi và rất nhiều nhiễu sóng. Vì thế, người sử dụng cần ưu tiên thiết bị sở hữu vi xử lý mạnh cùng bộ nhớ lưu trữ đủ lớn.
Sản phẩm phải đạt tiêu chuẩn chống tĩnh điện và khả năng chống bụi khắt khe của ngành công nghiệp. Điều kiện phần cứng tốt giúp hệ thống hoạt động vô cùng bền bỉ.
3. Công cụ lập trình và tính linh hoạt của phần mềm đồ họa
Phần mềm thiết kế giao diện đi kèm cần đảm bảo tính thân thiện và tối ưu hóa trải nghiệm lập trình. Các tính năng tìm kiếm thiết bị tự động sẽ hỗ trợ chuyên viên kỹ thuật rất nhiều trong triển khai.
Khả năng nhập xuất biến dữ liệu hàng loạt cũng là một tính năng vượt trội cần được chú trọng. Nhà phát triển sẽ tiết kiệm đáng kể thời gian trong cả giai đoạn lập trình và chạy thử.
V. Thiết lập và tối ưu hóa hệ thống HMI BACnet
1. Cấu hình tham số mạng cơ bản cho thiết bị
Yêu cầu tiên quyết khi thiết lập là phải hoạch định không gian địa chỉ mạng khoa học và rõ ràng. Mọi thông số từ địa chỉ duy nhất đến tốc độ truyền tải bắt buộc phải được cấu hình đồng bộ thống nhất.
Màn hình điều khiển phải kết nối chính xác tuyệt đối với mạng lưới thiết bị cấp dưới. Việc thiết lập đúng chuẩn giúp toàn bộ hệ thống nhận diện nhau thành công và ổn định lâu dài.
2. Tối ưu hóa băng thông truyền tải dữ liệu
Với dự án lớn, yêu cầu cập nhật toàn bộ dữ liệu cùng lúc dễ gây ra hiện tượng nghẽn mạng. Chuyên viên vận hành bắt buộc phải phân loại và sắp xếp mức độ ưu tiên của từng luồng dữ liệu truyền tải.
Các thông số vận hành cơ bản chỉ cần được thiết lập cơ chế cập nhật theo chu kỳ. Trong khi đó, cảnh báo khẩn cấp cần ưu tiên gửi tín hiệu ngay lập tức khi phát sinh rủi ro.
VI. Xu hướng phát triển của HMI BACnet trong quản lý tòa nhà thông minh

1. Tích hợp nền tảng điện toán đám mây và vạn vật kết nối
Thiết bị trung tâm hiện nay đã vượt qua giới hạn của một màn hình theo dõi thông tin cục bộ. Chúng ngày càng được nâng cấp khả năng mã hóa và đẩy dữ liệu trực tiếp lên các máy chủ đám mây trực tuyến.
Sự chuyển dịch này giúp quản lý giám sát nhiều tòa nhà khác nhau một cách dễ dàng nhất. Mọi dữ liệu phân tán được quy tụ về một nơi để tối ưu hóa quy trình ra quyết định.
2. Ứng dụng trí tuệ nhân tạo trong phân tích dữ liệu vận hành
Lượng thông tin khổng lồ thu thập được trở thành nguồn tài nguyên quý giá cho các doanh nghiệp vận hành. Chúng được sử dụng để đào tạo các mô hình trí tuệ nhân tạo phục vụ trực tiếp cho công tác phân tích.
Công nghệ này sẽ tự động phân tích thói quen tiêu thụ năng lượng thực tế hàng ngày. Từ đó đề xuất các kịch bản điều khiển cơ điện giúp giảm chi phí mà vẫn đảm bảo sự tiện nghi.
VII. Kết luận
Tóm lại, sự kết hợp giữa thiết bị hiển thị hiện đại và giao thức chuẩn tạo ra nền tảng vững chắc. Ứng dụng giải pháp HMI BACnet giúp chủ đầu tư giải quyết hoàn toàn bài toán tương thích phần cứng. Từ đó, quy trình giám sát và tối ưu hóa tiết kiệm năng lượng được cải thiện rõ rệt.
Công ty Cổ phần Tự Động Hóa Toàn Cầu là nhà cung cấp thiết bị tự động hóa uy tín hàng đầu. Đơn vị chuyên phân phối các sản phẩm chính hãng như biến tần, PLC, động cơ Servo và màn hình HMI. Khách hàng sẽ nhận được chính sách bảo hành dài hạn và hậu mãi vô cùng chu đáo.

Khi sử dụng dịch vụ tại đây, khách hàng luôn được hỗ trợ kỹ thuật liên tục bởi đội ngũ kỹ sư Bách Khoa giàu kinh nghiệm. Mọi vướng mắc vận hành đều được giải quyết tận tâm, đảm bảo hệ thống duy trì hoạt động ổn định nhất. Hãy liên hệ ngay với chúng tôi để nhận những ưu đãi tốt nhất cho doanh nghiệp của bạn.
THÔNG TIN LIÊN HỆ
- Hotline Zalo miền Bắc: 0961.320.333
- Hotline Zalo miền Nam: 0981.810.800
- Website: tudonghoatoancau.com
- Facebook: Tự động hóa Toàn Cầu
Xem thêm: Tìm hiểu HMI Profibus trong hệ thống tự động hóa

Zalo Miền Bắc
