Biến tần SINEE – tổng hợp chi tiết các dòng A90, EM730, EM100, hướng dẫn cài đặt, bảng lỗi và phân tích hạn chế, định hướng giải pháp thay thế hiệu quả cho nhà máy.
Giới thiệu
Biến tần SINEE (Shenzhen Sine Electric) là thương hiệu chuyên cung cấp các giải pháp điều khiển động cơ và biến tần công nghiệp, được ứng dụng rộng rãi trong nhiều lĩnh vực tự động hóa. Các sản phẩm của hãng được thiết kế với kích thước nhỏ gọn, hiệu suất cao và khả năng làm việc ổn định trong môi trường khắc nghiệt, cho phép vận hành ở nhiệt độ môi trường lên tới 50°C mà không cần giảm tải.
Biến tần SINEE hỗ trợ đa dạng chế độ điều khiển, từ V/F cơ bản đến Vector vòng hở (SVC) độ chính xác cao, đáp ứng tốt các yêu cầu điều khiển tốc độ và mô-men trong công nghiệp.
Các ứng dụng phổ biến của biến tần SINEE bao gồm:
- Máy nén khí, máy bơm nước, quạt thông gió
- Máy cuốn/nhả cuộn, máy kéo dây
- Băng tải, máy ly tâm, máy ép phun
- Các máy công cụ CNC và hệ thống tự động hóa nhà máy
I. CÁC DÒNG BIẾN TẦN TIÊU BIỂU
1. Dòng biến tần A90
Dòng A90 là series biến tần phổ thông của SINEE, tập trung vào thiết kế nhỏ gọn và khả năng chịu tải tốt, phù hợp cho nhiều ứng dụng công nghiệp thông dụng.
- Công suất: Dải công suất rộng, hỗ trợ cả điện áp 1 pha 220V và 3 pha 380V. Các model trải dài từ 0.4kW đến 160kW cho tải nặng.
- Đặc điểm nổi bật:
Kích thước nhỏ gọn hàng đầu trong phân khúc.
Khả năng chịu tải cao ở tần số thấp (150% tại 1Hz với chế độ V/F).
Hoạt động ổn định ở nhiệt độ môi trường 50°C không cần giảm công suất.
Hỗ trợ cả động cơ không đồng bộ và động cơ đồng bộ. - Ứng dụng: Phù hợp cho các tải thông dụng và các hệ thống yêu cầu không gian lắp đặt hạn chế.
2. Dòng biến tần EM730 / EM730E
Dòng EM730 / EM730E được định vị cho các ứng dụng công suất lớn và yêu cầu độ tin cậy cao trong vận hành liên tục.
- Công suất: Hỗ trợ dải công suất rất rộng từ 0.75kW đến 650kW.
- Đặc điểm nổi bật:
- Độ tin cậy cao.
- Hỗ trợ V/F và Vector vòng hở (SVC).
- Dòng EM730E chuyên dụng cho động cơ đồng bộ nam châm vĩnh cửu.
- Tích hợp sẵn macro ứng dụng chuyên ngành như: cấp nước, máy nén khí, cuốn dây, giúp cài đặt nhanh chóng.
- Ứng dụng: Hệ thống bơm điều áp, máy nén khí, máy cuộn dây, máy công cụ và các ứng dụng tải nặng.
3. Dòng biến tần EM100 (Mini Inverter)
EM100 là dòng biến tần mini, hướng tới các ứng dụng công suất nhỏ với yêu cầu lắp đặt linh hoạt.
- Công suất: Từ 0.4kW đến 2.2kW (1 pha) và lên đến 22kW (3 pha).
- Đặc điểm nổi bật:
- Thiết kế Mini, nhỏ gọn.
- Giao diện trực quan, dễ sử dụng.
- Một số model tích hợp sẵn Braking Unit.
- Ứng dụng: Máy móc cỡ nhỏ, băng tải nhỏ, ứng dụng dân dụng và công nghiệp nhẹ.
TÀI LIỆU KỸ THUẬT
Dưới đây là bảng tổng hợp tài liệu hướng dẫn sử dụng (Manual) và Catalog cho các dòng biến tần SINEE phổ biến:
| Mã Sản Phẩm | Manual (Hướng dẫn sử dụng) | Catalog (Thông số kỹ thuật) |
A90 |
[Tải về – A90 User Manual] | Đang cập nhật .. |
EM730 |
[Tải về – EM730 User Manual] | Đang cập nhật .. |
EM100 |
[Tải về – EM100 User Manual] | Đang cập nhật .. |
II. HƯỚNG DẪN THIẾT LẬP CƠ BẢN
1. An toàn
- Ngắt hoàn toàn nguồn điện trước khi đấu nối. Đợi đến khi điện áp dư trong tụ điện xả hết (màn hình tắt hẳn) trước khi thao tác.
• Không lắp đặt thiết bị nếu phát hiện có nước hoặc hư hỏng linh kiện bên trong.
• Sử dụng CB (Aptomat) giữa nguồn và biến tần để bảo vệ quá dòng.
• Tiếp địa an toàn theo tiêu chuẩn để tránh nguy cơ điện giật.
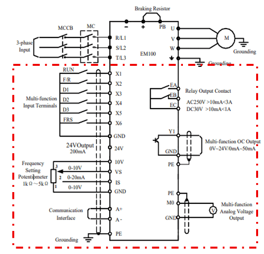
2. Đấu nối
A: Mạch động lực
◦ Nguồn vào:
Đấu nguồn AC vào các chân R, S, T (hoặc L1, L2).
⚠️ Tuyệt đối không đấu nguồn vào U, V, W để tránh nổ biến tần.
◦ Đầu ra động cơ:
Đấu 3 pha động cơ vào U, V, W.
Nếu động cơ quay ngược, đảo vị trí 2 trong 3 dây.
◦ Điện trở xả:
Đấu vào chân (+) và PB (đối với dòng hỗ trợ phanh).
B: Mạch điều khiển
◦ Sử dụng cáp xoắn đôi có bọc nhiễu, chiều dài không quá 50m.
◦ Digital Input: X1, X2… đấu với COM/GND để chạy – dừng – đa cấp tốc độ.
◦ Analog Input: AI1/AI2 và GND cho tín hiệu 0–10V / 4–20mA.
3. Cài đặt các thông số cơ bản của động cơ
Trước khi vận hành, cần cài đặt chính xác thông số động cơ theo nhãn để đảm bảo ổn định và bảo vệ (nhóm F01).
Bảng dưới đây liệt kê các thông số động cơ cơ bản cần cài đặt:
| Tên thông số | Mã thông số (Chung) | Mô tả | Lưu ý |
| Kiểu động cơ | F01.00 | 0: Không đồng bộ
1: Biến tần 2: Đồng bộ |
Chọn đúng loại motor |
| Công suất định mức | F01.01 | Cài theo kW | |
| Điện áp định mức | F01.02 | Cài theo V | |
| Dòng điện định mức | F01.03 | Cài theo A | Quan trọng |
| Tần số định mức | F01.04 | Cài theo Hz | |
| Tốc độ định mức | F01.05 | Cài theo rpm | |
| Auto-tuning | F01.34 / F01.13 | 0: Không
1: Tĩnh 2: Động |
Nên thực hiện |
4. Bảng thông số vận hành
Các thông số dưới đây thường xuyên được điều chỉnh trong quá trình sử dụng (nhóm F00).
Bảng thông số vận hành cơ bản:
| Chức năng | Mã thông số | Giá trị phổ biến | Diễn giải |
| Chế độ điều khiển | F00.01 | 0: V/F
1: Vector |
Chọn theo tải |
| Lệnh chạy/dừng | F00.02 | 0: Bàn phím
1: Terminal 2: Truyền thông |
Nguồn điều khiển |
| Lệnh đặt tần số | F00.04 | 0 / 1 / 4 | Nguồn tốc độ |
| Thời gian tăng tốc | F00.14 | Giây | 0 → max |
| Thời gian giảm tốc | F00.15 | Giây | max → 0 |
| Tần số tối đa | F00.16 | Hz | Giới hạn |
| Giới hạn trên/dưới | F00.18 / F00.19 | Hz | An toàn |
| Đảo chiều | F00.21 | 0 / 1 | Cho phép/cấm |
5. Một số lỗi thường gặp và cách khắc phục
- Không đổi được thông số:
Nguyên nhân: Đang chạy hoặc bị khóa (F12.02 ≠ 0).
Khắc phục: Dừng máy, set F12.02 = 0. - Có lệnh chạy nhưng động cơ không quay:
Nguyên nhân: Sai nguồn lệnh, tần số = 0Hz, dây lỏng.
Khắc phục: Kiểm tra F00.02, tần số, dây đấu. - Động cơ quay ngược:
Nguyên nhân: Thứ tự pha U–V–W.
Khắc phục: Đảo 2 dây hoặc cài đảo chiều bằng tham số. - Quá dòng khi khởi động:
Nguyên nhân: Tăng tốc nhanh, kẹt tải.
Khắc phục: Tăng thời gian tăng tốc, kiểm tra cơ khí.
III. BẢNG MÃ LỖI BIẾN TẦN SINEE
Dưới đây là bảng mã lỗi chung cho các dòng A90, EM730, EM100.
| Mã lỗi | Tên lỗi | Nguyên nhân | Cách khắc phục |
| E01 | Ngắn mạch | Chạm pha, IGBT hỏng | Kiểm tra dây, động cơ |
| E02 / E04 | Quá dòng | Tải nặng, tăng tốc nhanh | Tăng acc, giảm tải |
| E03 / E05 | Quá áp | Hãm nhanh, quán tính lớn | Tăng dec, lắp điện trở |
| E06 | Thấp áp | Sụt áp, mất pha | Kiểm tra nguồn |
| E07 | Mất pha vào | Nguồn không ổn định | Kiểm tra RST |
| E08 | Mất pha ra | Đứt dây motor | Siết lại U–V–W |
| E09 | Quá tải biến tần | Tải lớn | Giảm tải |
| E10 | Quá nhiệt | Quạt hỏng, bí gió | Vệ sinh |
| E13 | Quá tải motor | Bảo vệ sai | Cài lại |
| E14 | Lỗi ngoại vi | Tín hiệu lỗi ngoài | Kiểm tra DI |
QUY TRÌNH XỬ LÝ KHI BIẾN TẦN GẶP LỖI
- Ghi nhận mã lỗi: Quan sát mã lỗi trên màn hình biến tần.
- Dừng hệ thống: Ngắt lệnh chạy, đảm bảo an toàn.
- Phân tích nguyên nhân: Tra bảng mã lỗi, kiểm tra tải, nguồn và động cơ.
- Khắc phục: Siết ốc, giảm tải hoặc điều chỉnh thông số phù hợp.
- Reset lỗi: Nhấn STOP/RESET hoặc reset từ xa.
- Chạy thử: Khởi động ở tốc độ thấp, theo dõi dòng và điện áp trước khi chạy tải.
IV. HẠN CHẾ CỦA BIẾN TẦN SINEE VÀ ĐỊNH HƯỚNG GIẢI PHÁP
Mặc dù biến tần SINEE đáp ứng tốt nhiều ứng dụng phổ thông, trong quá trình triển khai thực tế, các kỹ sư cũng nhận thấy một số hạn chế tổng quát cần cân nhắc:
- Môi trường lắp đặt: Chuẩn bảo vệ thường là IP20, không phù hợp lắp ngoài trời hoặc môi trường ẩm, bụi dẫn điện nếu không có tủ bảo vệ.
- Điều khiển đa động cơ: Ở chế độ Vector, biến tần chỉ tối ưu cho một động cơ, hiệu quả giảm khi chạy song song nhiều motor.
- Khoảng cách cáp: Dây động cơ dài (>50–100m) cần cuộn kháng hoặc giảm sóng mang, làm tăng chi phí và phức tạp lắp đặt.
- Tính năng chuyên sâu: Các dòng phổ thông tập trung vào chức năng cơ bản; với bài toán motion, đồng bộ trục, closed-loop, cần giải pháp cao cấp hơn.
Định hướng lựa chọn thay thế – Biến tần Shihlin
Từ góc nhìn kỹ thuật và kinh nghiệm triển khai thực tế, việc cân nhắc chuyển sang biến tần Shihlin không chỉ dựa trên thiết bị, mà còn nằm ở giá trị dịch vụ và khả năng vận hành lâu dài.
Shihlin được phát triển trên nền tảng công nghệ Mitsubishi Electric, với triết lý thiết kế hướng đến độ ổn định, dễ bảo trì, phù hợp điều kiện nóng ẩm tại Việt Nam. Thiết bị ít phụ kiện phát sinh, dễ lưu kho, giúp kỹ sư triển khai nhanh và doanh nghiệp kiểm soát chi phí hiệu quả.

Bên cạnh đó, Công ty Cổ phần Tự động hóa Toàn Cầu (GAC) – nhà phân phối ủy quyền chính thức biến tần Shihlin tại Việt Nam – đóng vai trò then chốt trong việc đảm bảo chất lượng dịch vụ. Cách tiếp cận “Chất nhưng rẻ” của GAC tập trung vào tối ưu tổng chi phí sở hữu, thay vì chỉ nhìn vào giá mua ban đầu.
Gói dịch vụ kỹ thuật đi kèm mang lại lợi ích rõ ràng:
• Bảo hành toàn diện lên tới 3 năm
• Hỗ trợ lắp đặt miễn phí trong bán kính 60 km
• Đào tạo kỹ thuật 1–1, giúp giảm lỗi vận hành và downtime

Chính sự kết hợp giữa Shihlin – dịch vụ vượt trội và GAC – tối ưu chi phí đã tạo nên một hướng đi khác biệt:
• Không chỉ thay biến tần, mà nâng cấp giải pháp vận hành
• Không chỉ tiết kiệm đầu tư ban đầu, mà giảm chi phí dài hạn
Vì vậy, đối với các nhà máy đang tìm kiếm một giải pháp ổn định – dễ triển khai – hậu mãi mạnh, Shihlin do GAC phân phối không chỉ là phương án thay thế biến tần SINEE, mà là lựa chọn chiến lược cho phát triển bền vững.
👉 Liên hệ với chúng tôi để được tư vấn kỹ thuật, lựa chọn model Shihlin phù hợp và nhận báo giá tốt nhất từ GAC – nhà phân phối ủy quyền chính hãng.
Hotline/Zalo – 0961.320.333
Xem thêm: Biến tần Janson Controls: Hướng dẫn cài đặt, bảng mã lỗi & tài liệu kỹ thuật







Zalo Miền Bắc
