Biến tần Kinco – tổng hợp đầy đủ các dòng biến tần tiêu biểu, hướng dẫn cài đặt chi tiết, bảng mã lỗi, kinh nghiệm xử lý sự cố và lời khuyên kỹ sư giúp lựa chọn biến tần phù hợp – ổn định – tối ưu chi phí vận hành.
Giới thiệu
Kinco Automation cung cấp các giải pháp biến tần đáp ứng yêu cầu hiệu suất cao, sử dụng các phương pháp điều khiển độc đáo để đạt được mô-men xoắn lớn, độ chính xác cao và phạm vi điều chỉnh tốc độ rộng.
Các sản phẩm được thiết kế để chịu được môi trường lưới điện khắc nghiệt, bụi bẩn và độ ẩm, giúp cải thiện đáng kể độ tin cậy trong vận hành thực tế.
Biến tần Kinco được ứng dụng rộng rãi trong nhiều lĩnh vực công nghiệp như dệt may, máy công cụ, đóng gói, thực phẩm, quạt, máy bơm nước và các thiết bị sản xuất tự động hóa khác.
I. CÁC DÒNG BIẾN TẦN TIÊU BIỂU
1. Dòng CV100 (Mini Type VFD)
- Công suất: 0.2kW đến 2.2kW (1 pha 220V và 3 pha 380V).
- Đặc điểm nổi bật:
Kích thước nhỏ gọn, sử dụng phương pháp điều khiển V/F và SVC (Vector vòng hở). Tích hợp chức năng chống ngắt (anti-tripping) và khả năng thích ứng tốt với môi trường khắc nghiệt. Thiết kế EMC tối ưu giúp giảm nhiễu. - Ứng dụng:
Phù hợp cho các ứng dụng công suất nhỏ, yêu cầu điều khiển tốc độ chính xác và tiết kiệm không gian lắp đặt.
2. Dòng CV20 (Mini Type VFD)
- Công suất: 0.2kW đến 2.2kW (1 pha 100V/200V và 3 pha 400V).
- Đặc điểm nổi bật:
Thiết kế siêu nhỏ gọn, hỗ trợ lắp đặt thanh ray (DIN rail) hoặc treo tường. Sử dụng điều khiển V/F, tích hợp PLC giản đơn, hỗ trợ giao tiếp Modbus/CAN. Hiệu suất cao ≥90%. - Ứng dụng:
Các hệ thống OEM, máy đóng gói, băng tải nhỏ yêu cầu tích hợp cao và chi phí đầu tư thấp.
3. Dòng FV100 (High Performance VFD)
- Công suất: 0.75kW đến 110kW (3 pha 380V/480V).
- Đặc điểm nổi bật:
Thiết kế dạng mô-đun, hỗ trợ điều khiển V/F và Vector vòng hở (SVC) hoặc vòng kín (FVC với card PG). Mô-men khởi động cao (150% ở 0.5Hz), tích hợp sẵn bộ hãm cho các dải công suất nhỏ. - Ứng dụng:
Các tải nặng, yêu cầu độ chính xác cao như máy nâng hạ, máy ép và các ứng dụng điều khiển lực căng.
4. Dòng KC200 (General Vector VFD)
- Công suất: 0.4kW đến 560kW (1 pha 220V, 3 pha 380V/440V).
- Đặc điểm nổi bật:
Dòng biến tần vector tổng quát, hỗ trợ điều khiển cả động cơ không đồng bộ và động cơ đồng bộ nam châm vĩnh cửu. Hỗ trợ V/F, SVC và FVC. Tích hợp bàn phím LED/LCD có thể tháo rời, hỗ trợ sao chép thông số. - Ứng dụng:
Dệt may, máy công cụ, bao bì, thực phẩm, quạt, bơm và các dây chuyền tự động hóa phức tạp.
TÀI LIỆU KỸ THUẬT
Dưới đây là bảng tổng hợp tài liệu hướng dẫn sử dụng (Manual) và Catalog cho các dòng biến tần Kinco phổ biến:
| Dòng Sản Phẩm | Manual (Hướng dẫn sử dụng) | Catalog (Thông số kỹ thuật) |
CV100 |
[Tải về – CV100 User Manual] | Đang cập nhật.. |
CV20 |
[Tải về – CV20 User Manual] | Đang cập nhật.. |
FV100 |
[Tải về – FV100 User Manual] | Đang cập nhật.. |
KC200 |
[Tải về – KC200 User Manual] | Đang cập nhật.. |
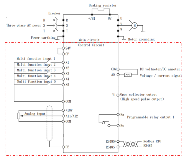
II. HƯỚNG DẪN THIẾT LẬP CƠ BẢN
1. An toàn
- Chỉ thực hiện đấu nối khi nguồn điện AC đã được ngắt và chờ ít nhất 5–10 phút để tụ điện xả hết điện (đèn báo sạc tắt hẳn).
- Kiểm tra điện áp giữa các cực mạch động lực (+) và (–) phải dưới 36VDC trước khi thao tác.
- Dây tiếp địa phải sử dụng cáp đồng có tiết diện lớn hơn 3.5mm² và điện trở nối đất nhỏ hơn 10Ω.
- Không được phép nối nguồn điện AC vào các cực đầu ra U, V, W của biến tần.
2. Đấu nối
A: Mạch động lực
◦ Nguồn vào: Kết nối nguồn điện 3 pha (R, S, T) hoặc 1 pha (L, N) vào các cực tương ứng R, S, T (hoặc L1, L2).
◦ Đầu ra động cơ: Kết nối động cơ vào các cực U, V, W.
◦ Điện trở xả: Kết nối vào cực PB và (+) hoặc B1 và B2 (tùy model, không được nối tắt các cực này).
◦ Tiếp địa: Kết nối cực PE xuống đất.
B: Mạch điều khiển
◦ Đầu vào số (DI): X1–Xn (hoặc DI1–DIn) kết nối với COM để kích hoạt tín hiệu (Start/Stop/Jog…).
◦ Đầu vào tương tự (AI): AI1/AI2 kết nối với GND để nhận tín hiệu 0–10V hoặc 4–20mA (chỉnh jumper để chọn loại tín hiệu).
◦ Đầu ra: Relay (TA/TB/TC) hoặc Transistor (Y/DO) để báo trạng thái lỗi hoặc trạng thái chạy.
3. Cài đặt các thông số cơ bản của động cơ
Trước khi cài đặt, cần nhập chính xác thông số theo nhãn động cơ để đảm bảo biến tần làm việc ổn định.
| Tên thông số | Mã cài đặt FV100/CV100 | Mã cài đặt KC200 | Mô tả |
| Công suất định mức | b0.00 | F03.02 | Nhập công suất ghi trên nhãn động cơ (kW) |
| Điện áp định mức | b0.01 | F03.03 | Nhập điện áp hoạt động của động cơ (V) |
| Dòng điện định mức | b0.02 | F03.04 | Nhập dòng điện định mức trên nhãn (A) |
| Tần số định mức | b0.03 | F03.05 | Nhập tần số định mức (Hz) |
| Tốc độ định mức | b0.05 | F03.06 | Nhập tốc độ vòng quay (RPM) |
| Tự động dò thông số | b0.11 | F03.09 | Chọn 1 (Tĩnh) hoặc 2 (Quay) |
4. Bảng thông số vận hành
Bảng dưới đây giúp kỹ thuật viên nhanh chóng cấu hình chế độ chạy cơ bản của biến tần.
| Chức năng | Mã FV100/CV100 | Mã KC200 |
Mô tả |
| Lệnh chạy | A0.04 | F01.03 | 0: Bàn phím, 1: Terminal, 2: Truyền thông |
| Lệnh tần số | A0.02 | F01.04 | 0: Bàn phím, 1: AI1, 4/5: Truyền thông |
| Thời gian tăng tốc | A0.06 | F01.23 | Thời gian tăng tốc (giây) |
| Thời gian giảm tốc | A0.07 | F01.24 | Thời gian giảm tốc (giây) |
| Tần số tối đa | A0.08 | F01.11 | Giới hạn tần số cao nhất |
| Chế độ điều khiển | A0.01 | F01.02 | 0: V/F, 1: SVC |
5. Một số lỗi thường gặp
- Biến tần không hiển thị:
Nguyên nhân: Điện áp đầu vào thấp; cầu chỉnh lưu hỏng.
Khắc phục: Kiểm tra nguồn R, S, T; kiểm tra điện áp DC bus. - Động cơ không chạy khi có lệnh:
Nguyên nhân: Đấu sai U, V, W; cài sai nguồn lệnh chạy.
Khắc phục: Kiểm tra đấu nối; reset và cài đặt lại. - Báo lỗi quá dòng khi tăng tốc:
Nguyên nhân: Thời gian tăng tốc ngắn; động cơ kẹt.
Khắc phục: Tăng thời gian tăng tốc; kiểm tra động cơ. - Báo lỗi quá áp khi giảm tốc:
Nguyên nhân: Quán tính tải lớn; giảm tốc quá nhanh.
Khắc phục: Tăng thời gian giảm tốc; lắp điện trở xả.
III. BẢNG MÃ LỖI BIẾN TẦN
Bảng mã lỗi dưới đây giúp xác định nhanh nguyên nhân và phương án xử lý.
| Mã lỗi | Tên lỗi | Nguyên nhân | Cách khắc phục |
| E001 | Quá dòng khi tăng tốc | – Thời gian tăng tốc quá ngắn- Ngắn mạch đầu ra- Thông số động cơ sai | – Tăng thời gian tăng tốc- Kiểm tra dây nối động cơ- Dò lại thông số (Auto-tune) |
| E002 | Quá dòng khi giảm tốc | – Thời gian giảm tốc quá ngắn- Tải có quán tính lớn | – Tăng thời gian giảm tốc- Lắp điện trở xả |
| E003 | Quá dòng khi chạy tốc độ hằng số | – Tải thay đổi đột ngột- Điện áp lưới thấp | – Kiểm tra tải- Kiểm tra điện áp nguồn vào |
| E004 | Quá áp khi tăng tốc | – Điện áp nguồn vào cao bất thường- Thời gian tăng tốc quá ngắn | – Kiểm tra nguồn điện- Tăng thời gian tăng tốc |
| E005 | Quá áp khi giảm tốc | – Thời gian giảm tốc quá ngắn- Năng lượng hồi tiếp từ tải lớn | – Tăng thời gian giảm tốc- Lắp bộ hãm hoặc điện trở xả |
| E006 | Quá áp khi chạy tốc độ hằng số | – Điện áp nguồn cao- Tải thay đổi đột ngột | – Kiểm tra nguồn- Lắp cuộn kháng đầu vào |
| E007 | Lỗi điện áp nguồn điều khiển | – Điện áp cấp cho mạch điều khiển bất thường | – Kiểm tra nguồn cấp- Liên hệ nhà cung cấp |
| E008 | Mất pha đầu vào | – Mất một trong các pha R, S, T | – Kiểm tra cầu chì- Kiểm tra aptomat và dây dẫn |
| E009 | Mất pha đầu ra | – Mất kết nối U, V, W tới động cơ | – Kiểm tra dây cáp ra động cơ- Kiểm tra cuộn dây động cơ |
| E010 | Bảo vệ IGBT / Ngắn mạch đất | – Ngắn mạch giữa các pha đầu ra- Chạm đất | – Kiểm tra dây đấu nối- Kiểm tra cách điện động cơ- Liên hệ dịch vụ nếu hỏng IGBT |
| E011 | Quá nhiệt tản nhiệt IGBT | – Nhiệt độ môi trường cao- Quạt hỏng- Khe gió bị tắc | – Vệ sinh khe gió- Thay quạt- Giảm nhiệt độ môi trường |
| E012 | Quá nhiệt bộ chỉnh lưu | – Quạt hỏng- Tắc nghẽn thông gió | – Vệ sinh hệ thống làm mát- Kiểm tra quạt làm mát |
| E013 | Quá tải biến tần | – Tải quá nặng- Chọn công suất biến tần nhỏ | – Giảm tải- Chọn biến tần công suất lớn hơn |
| E014 | Quá tải động cơ | – Chạy tốc độ thấp tải nặng lâu ngày- Cài đặt bảo vệ sai | – Kiểm tra tải- Dùng động cơ phù hợp- Chỉnh lại thông số bảo vệ |
| E015 | Lỗi thiết bị ngoại vi | – Tín hiệu lỗi từ thiết bị bên ngoài | – Kiểm tra thiết bị ngoại vi- Kiểm tra chân DI báo lỗi |
| E016 | Lỗi EEPROM | – Lỗi đọc/ghi bộ nhớ | – Nhấn STOP/RESET- Liên hệ nhà cung cấp nếu lặp lại |
| E017 | Lỗi truyền thông | – Hết thời gian chờ truyền thông | – Kiểm tra dây RS485- Kiểm tra Baud rate & Address |
| E018 | Contactor chưa đóng | – Contactor mạch chính hỏng- Điện áp nguồn thấp | – Kiểm tra điện áp nguồn- Thay contactor hoặc điện trở sạc |
| E019 | Lỗi mạch phát hiện dòng | – Cảm biến Hall lỗi- Mạch khuếch đại lỗi | – Liên hệ nhà cung cấp sửa chữa |
| E024 | Lỗi Auto-tuning | – Thông số động cơ sai- Quá thời gian dò | – Nhập đúng thông số nhãn động cơ- Kiểm tra dây nối |
| E026 | Mất tải (Load loss) | – Tải bị ngắt đột ngột- Tải thấp hơn mức cài đặt | – Kiểm tra dây đai- Kiểm tra khớp nối cơ khí |
| E040 | Lỗi Encoder | – Encoder hỏng- Đứt dây encoder | – Kiểm tra dây nối encoder- Kiểm tra thông số nhóm F04 |
| E060 | Lỗi động cơ đồng bộ | – Nhận diện sức phản điện động sai | – Cài đặt lại thông số động cơ- Thực hiện dò lại động cơ |
Quy trình xử lý khi biến tần gặp lỗi:
- Ghi nhận: Quan sát mã lỗi hiển thị trên màn hình LED.
- Tra cứu: Đối chiếu bảng mã lỗi.
- Kiểm tra: Ngắt nguồn và kiểm tra tải, dây dẫn, nhiệt độ.
- Khắc phục: Siết ốc, vệ sinh, giảm tải hoặc chỉnh thông số.
- Reset: Nhấn STOP/RST hoặc kích hoạt chân Reset.
- Thử nghiệm: Chạy thử ở tốc độ thấp trước khi vận hành chính thức.
IV. Hạn chế của biến tần Kinco
Qua quá trình triển khai, theo dõi vận hành và bảo trì tại nhiều nhà máy sản xuất, đội ngũ kỹ sư ghi nhận rằng các dòng biến tần Kinco dù đáp ứng tốt nhu cầu điều khiển cơ bản, vẫn tồn tại một số hạn chế mang tính hệ thống khi áp dụng trong môi trường công nghiệp thực tế.
Trước hết là cấp bảo vệ môi trường. Phần lớn các model chỉ đạt chuẩn IP20, đồng nghĩa với việc bắt buộc phải lắp đặt trong tủ điện kín. Điều này làm tăng chi phí đầu tư tủ, quạt làm mát, lọc bụi và công tác bảo trì định kỳ, đồng thời không thực sự phù hợp với các môi trường có độ ẩm cao, nhiều bụi hoặc hơi dầu – vốn rất phổ biến tại các nhà máy ở Việt Nam.
Bên cạnh đó, hiện tượng suy giảm công suất (derating) cũng là yếu tố thường bị bỏ qua trong giai đoạn lựa chọn thiết bị. Khi nhiệt độ môi trường vượt 40°C hoặc lắp đặt ở khu vực có độ cao lớn so với mực nước biển, biến tần buộc phải giảm tải để đảm bảo tuổi thọ linh kiện. Trong thực tế, điều này khiến nhiều hệ thống phải chọn biến tần công suất lớn hơn so với nhu cầu danh định, làm tăng chi phí đầu tư và tiêu hao năng lượng.
Đối với các dòng biến tần mini, phạm vi ứng dụng cũng có những giới hạn nhất định. Các dòng này phù hợp với tải nhẹ đến trung bình, nhưng chưa tối ưu cho các hệ thống cần mô-men khởi động lớn, tải nặng hoặc yêu cầu điều khiển chính xác ở dải tốc độ thấp. Nếu không tính toán kỹ, hệ thống dễ phát sinh lỗi quá dòng, quá tải hoặc dừng máy đột ngột trong quá trình vận hành.
Ngoài ra, nhiễu điện từ do sóng hài PWM phát sinh từ biến tần có thể ảnh hưởng đến PLC, cảm biến và thiết bị đo lường xung quanh nếu không có giải pháp EMC bổ sung. Việc phải lắp thêm cuộn kháng, bộ lọc hoặc cải tạo hệ thống nối đất làm tăng chi phí và độ phức tạp khi triển khai.
Vì sao nhiều nhà máy lựa chọn chuyển sang giải pháp biến tần Kaman?

Từ kinh nghiệm triển khai thực tế, chúng tôi nhận thấy rằng khi hệ thống sản xuất đã đi vào ổn định, doanh nghiệp thường không còn đặt nặng yếu tố giá đầu tư ban đầu, mà chuyển sang quan tâm nhiều hơn đến độ tin cậy dài hạn, tỷ lệ lỗi, khả năng thay thế nhanh và sự đồng hành kỹ thuật trong suốt vòng đời thiết bị. Đây chính là bối cảnh khiến nhiều nhà máy bắt đầu cân nhắc chuyển đổi sang các dòng biến tần Kaman.

Biến tần Kaman được phát triển trên nền tảng nhà máy SINOVO, với định hướng phục vụ các ứng dụng công nghiệp thực tế. Thiết kế phần cứng tập trung vào độ ổn định nhiệt, khả năng chịu tải liên tục và vận hành bền bỉ trong môi trường khắc nghiệt, thay vì chỉ tối ưu thông số trên lý thuyết. Trong các hệ thống vận hành nhiều ca, đặc biệt tại môi trường nóng, ẩm hoặc nhiều bụi, thiết bị vẫn duy trì hoạt động ổn định với tỷ lệ lỗi được ghi nhận dưới 0,3%.
Một ưu điểm nổi bật của Kaman là khả năng chịu tải và điều khiển ở dải tốc độ thấp. So với nhiều dòng biến tần mini phổ biến trên thị trường, Kaman thể hiện rõ lợi thế trong các ứng dụng cần mô-men khởi động lớn, tải nặng hoặc tải thay đổi liên tục như băng tải dài, máy trộn, máy ép hay hệ thống nâng hạ. Nhờ đó, hiện tượng quá dòng khi khởi động được hạn chế, hệ thống vận hành êm hơn và giảm đáng kể nguy cơ dừng máy đột ngột.
Vai trò của Tự Động Hóa Toàn Cầu trong hệ sinh thái Kaman tại Việt Nam

Bên cạnh chất lượng thiết bị, một yếu tố quan trọng giúp doanh nghiệp yên tâm khi chuyển sang Kaman là hệ sinh thái hỗ trợ kỹ thuật tại Việt Nam. Hiện nay, Tự Động Hóa Toàn Cầu là đơn vị phân phối độc quyền biến tần Kaman tại Việt Nam, trực tiếp chịu trách nhiệm về nguồn gốc sản phẩm, tài liệu kỹ thuật, chính sách bảo hành và hỗ trợ kỹ thuật sau bán hàng.

Với lợi thế phân phối độc quyền, Tự Động Hóa Toàn Cầu không chỉ cung cấp thiết bị, mà còn đồng hành cùng nhà máy trong suốt quá trình triển khai: từ tư vấn lựa chọn công suất phù hợp, hỗ trợ cài đặt – Auto-tuning, cho đến xử lý sự cố và chuẩn hóa giải pháp thay thế lâu dài. Trong thực tế vận hành, khả năng hỗ trợ nhanh và đúng kỹ thuật giúp giảm đáng kể thời gian downtime – yếu tố có chi phí rất lớn trong sản xuất công nghiệp.
Xét trên góc độ tổng chi phí sở hữu (TCO), khi tính đầy đủ các yếu tố như thời gian dừng máy, chi phí bảo trì, nhân sự kỹ thuật và hàng tồn kho dự phòng, giải pháp biến tần Kaman do Tự Động Hóa Toàn Cầu phân phối cho thấy lợi thế rõ ràng so với các dòng chỉ tập trung vào giá rẻ ban đầu. Đây là lựa chọn phù hợp cho các doanh nghiệp mong muốn chuẩn hóa thiết bị, nâng cao độ ổn định và xây dựng hệ thống vận hành bền vững trong trung và dài hạn.
Khách hàng nói gì về biến tần Kaman
V. KHUYẾN MẠI – GIÁ BÁN TRẢI NGHIỆM
Đừng bỏ lỡ cơ hội sở hữu Biến tần Kaman với mức giá dùng thử cực sốc 900.000Đ (giảm từ 1.500.000Đ).
Mượn chạy thử từ 2 – 6 tháng, giúp doanh nghiệp đánh giá thực tế trước khi đầu tư số lượng lớn. Với tiêu chí “Hàng giá rẻ nhưng chất lượng không rẻ”, Kaman cam kết tỷ lệ lỗi dưới 0.3%.

Tự Động Hóa Toàn Cầu cam kết đồng hành cùng sự ổn định của nhà máy với:
- Bảo hành lên tới 2 năm – gấp đôi tiêu chuẩn thông thường
- Lỗi đổi mới hoàn toàn cho các dòng dưới 11kW
- Giảm tối đa thời gian chờ sửa chữa, đảm bảo dây chuyền vận hành liên tục
Chương trình chỉ áp dụng đến hết 31/03/2026.
👉 Liên hệ ngay với chúng tôi để nhận bảng giá chiết khấu và trải nghiệm sự khác biệt từ Kaman.
Hotline miền Bắc – 0961.320.333
Hotline miền Nam – 0981.810.800
Xem thêm: Biến tần Frecon: Cài đặt, xử lý lỗi chuẩn tài liệu kỹ thuật từ hãng







Zalo Miền Bắc