Biến tần Arinco với đặc điểm nổi bật là giá rẻ nhất thị trường Việt Nam, đang được nhóm khách hàng phân khúc thấp ưa chuộng. Biến tần có nguồn gốc từ Trung Quốc (Chưa rõ đơn vị sản xuất) đáp ứng được các yêu cầu vận hành cơ bản, không yêu cầu khắt khe về tỷ lệ lỗi, tính ổn định, vận hành liên tục. Đi cùng với mức chi phí RẺ, người dùng cần cân nhắc các hệ giá trị khác ngoài giá như chất lượng sản phẩm, dịch vụ sau bán hàng, thương hiệu uy tín của nhà sản xuất và nhà phân phối, đây vốn là những khía cạnh nhận được nhiều sự quan tâm và thảo luận từ cộng đồng kỹ thuật trên các diễn đàn chuyên ngành.
Bài viết này sẽ cung cấp đầy đủ thông tin cho bạn: Catalog, Manual hướng dẫn sử dụng tiếng Việt, bảng mã lỗi và cách khắc phục của biến tần Arinco, đánh giá ưu nhược điểm của biến tần Arinco và các lựa chọn cạnh tranh.

I. Các dòng biến tần Arinco phổ biến
Để thuận tiện cho việc tra cứu và bảo trì, chúng tôi tổng hợp các dòng sản phẩm biến tần Arinco thường gặp tại các nhà máy ở Việt Nam:

| Dòng sản phẩm | Phân khúc / Ứng dụng chính | Đặc điểm nổi bật | Mô tả chi tiết |
| AM3 | Biến tần đa dụng cho bơm, quạt, HVAC, máy nén khí, băng tải, máy công cụ, dệt may | Hiệu suất cao, ổn định, dễ dùng, tiết kiệm năng lượng | AM3 và AV23 là các dòng biến tần ARINCO dành cho điều khiển động cơ và tiết kiệm năng lượng trong nhiều ứng dụng công nghiệp, nổi bật ở độ ổn định, độ bền và khả năng tối ưu vận hành. |
| AV23 |
Biến tần đa dụng, dòng mới thay thế AM3; dùng cho bơm, quạt, HVAC, máy nén khí, băng tải, máy công cụ, dệt may | Hiệu suất cao, vận hành ổn định, bảo vệ đầy đủ, hiệu năng cải tiến | |
| AV18 | Biến tần đa năng cho dệt may, nhựa, giấy, thực phẩm, HVAC, máy đóng gói, xử lý nước thải | Điều khiển chính xác, vector tiên tiến, dải công suất rộng, tiết kiệm năng lượng | AV18 và AV68 là các dòng biến tần ARINCO đáp ứng tốt nhu cầu điều khiển động cơ trong công nghiệp; AV18 thiên về tính linh hoạt, còn AV68 nổi bật ở khả năng chịu tải lớn và ứng dụng tải nặng. |
| AV68 |
Biến tần cao cấp cho HVAC, khai thác mỏ, cẩu trục, vật liệu xây dựng và các ứng dụng tải nặng | Chịu tải lớn, ổn định, bền bỉ, phù hợp môi trường khắc nghiệt |
II. Nguồn gốc biến tần Arinco
Biến tần Arinco là 1 thương hiệu Việt Nam được đặt gia công sản xuất ở Trung Quốc, chưa có thông tin chính thức về nhà máy sản xuất
III. Bảng giá biến tần Arinco mới nhất 2026

Xem đầy đủ bảng giá biến tần Arinco: TẠI ĐÂY
>>>> Liên hệ đội ngũ kỹ sư kinh doanh để giải đáp mọi thắc mắc của bạn qua:
IV. Một số ưu điểm và hạn chế của biến tần Arinco
1. Ưu điểm của biến tần Arinco
- Giá thành thấp, phù hợp với dự án coi giá là tiêu chí lựa chọn hàng đầu
- Đáp ứng được nhu cầu vận hành cơ bản ở các ứng dụng phổ thông.
- Thuộc nhóm biến tần giá rẻ nhất phù hợp với nhóm khách hàng phân khúc thấp
2. Một số hạn chế biến tần Arinco
Biến tần Arinco là lựa chọn phổ biến trong nhiều ứng dụng nhờ mức giá rẻ và khả năng đáp ứng nhu cầu điều khiển cơ bản. Tuy nhiên, để sử dụng hiệu quả và lâu dài, người dùng cũng cần lưu ý một số điểm hạn chế về mặt kỹ thuật sau:
* Chất lượng linh kiện: Một số dòng sản phẩm sử dụng linh kiện từ các nhà cung cấp chưa quá phổ biến trên thị trường. Do đó, chất lượng giữa các lô sản xuất có thể chưa thật sự đồng đều, từ đó ảnh hưởng nhất định đến độ ổn định khi thiết bị vận hành trong thời gian dài.

* Khả năng chịu tải thực tế: Trong điều kiện làm việc liên tục hoặc ứng dụng có tải nặng, khả năng chịu tải của một số model có thể chưa đạt mức tối ưu so với thông số công bố. Nguyên nhân chủ yếu đến từ việc lựa chọn linh kiện công suất ở mức tiêu chuẩn, với hệ số dự phòng chưa quá cao.
* Khả năng chống nhiễu điện từ (EMC): Hệ thống lọc nhiễu của biến tần Arinco được thiết kế ở mức cơ bản, phù hợp với các ứng dụng đơn giản. Trong môi trường có nhiều thiết bị công suất lớn hoặc tủ điện phức tạp, người dùng có thể cần bổ sung thêm các giải pháp chống nhiễu để đảm bảo tín hiệu điều khiển ổn định.

=> Trong nhóm biến tần giá rẻ trên thị trường, Arinco là lựa chọn đáng cân nhắc cho các doanh nghiệp ưu tiên chi phí đầu tư thấp nhất và ứng dụng cơ bản. Nếu cùng đặt lên bàn cân với các dòng giá rẻ khác như KOC, Arinco vẫn có lợi thế ở tính dễ tiếp cận, dễ triển khai và phù hợp hơn với những hệ thống cần giải pháp nhanh, gọn, tiết kiệm ngân sách.
V. So sánh biến tần Arinco với biến tần KOC cùng phân khúc
1. So sánh chất lượng biến tần Arinco và biến tần KOC
Biến tần ARINCO dòng AM3, AV18 và KOC dòng KOC200, KOC550 có mạch điện tử và linh kiện giống hệt nhau đến 99%
>> Xem so sánh linh kiện biến tần KOC và ARINCO: Tại đây
2. So sánh bảng giá biến tần Arinco và biến tần KOC

Qua bảng so sánh có thể thấy, ở nhiều dải công suất từ nhỏ đến lớn, giá biến tần Arinco đang mềm hơn KOC khá rõ. Trong khi đó, chất lượng, linh kiện đến thông số cơ bản về dải công suất và điện áp ứng dụng giữa hai bên đang tương đối tương đồng, nên với những khách hàng ưu tiên bài toán tối ưu chi phí đầu tư ban đầu, Arinco là phương án đáng cân nhắc hơn.
>> Xem đầy đủ bảng giá so sánh biến tần KOC và biến tần Arinco: TẠI ĐÂY
>> Xem đầy đủ bảng giá so sánh biến tần INVT – KAMAN – KOC – ARINCO: TẠI ĐÂY
>> Xem thêm bảng giá biến tần KOC mới nhất 2026: TẠI ĐÂY
VI. Các lựa chọn thay thế biến tần Arinco tối ưu giá và chất lượng
1. Biến tần Kaman – Cân đối giá và chất lượng tốt nhất thị trường
Nếu Arinco là bài toán về giá rẻ nhất, thì Kaman (Sinovo) chính là câu trả lời cho các doanh nghiệp cần điểm rơi tối ưu giữa ngân sách và sự ổn định lâu dài. Sản phẩm cân đối được 4 yếu tố: Thương hiệu – Chất lượng – Giá thành tối ưu – Dịch vụ hậu mãi.

* Thương hiệu đáng tin cậy
Tên gọi Kaman được phát triển từ cụm từ “Knowledge Acquisition Man”, có thể hiểu là người không ngừng học hỏi, tiếp thu kiến thức và liên tục cải tiến để nâng cao chất lượng.
Một trong những nền tảng quan trọng tạo nên chất lượng của biến tần Kaman là năng lực sản xuất từ đối tác Sinovo. Nhà máy Sinovo là 1 thương hiệu biến tần trung quốc rất được ưa chuộng, có thị phần lớn thứ 5 đầu TQ, và đã được phân phối nhiều nước trên thế giới ví dụ Nga, Pakittan, Irag, Iran …. Trong hàng trăm nhà sản xuất biến tần Trung Quốc thì Sinovo đại diện cho dòng sản phẩm cân đối giá và chất lượng tốt nhất thị trường, biến tần Kaman từ nhà máy Sinovo có chất lượng không thua kém biến tần INVT nhưng giá thành tốt hơn 20-30%, Sinovo không bóng bẩy, có hình ảnh và thương hiệu mạnh như INVT, Sinovo tập trung chi phí vào tối ưu chất lượng và giá thành.

Công ty cổ phần Tự Động Hóa Toàn Cầu tự hào là đơn vị phân phối biến tần KAMAN ủy quyền chính thức tại Việt Nam.
Tự Động Hóa Toàn Cầu hiện có 2 chi nhánh tại miền Bắc và miền Nam, thuận tiện cho việc hỗ trợ khách hàng trên toàn quốc. Đội ngũ gồm 15 kỹ sư tự động hóa sẵn sàng hỗ trợ kỹ thuật, đồng hành cùng khách hàng trong quá trình lắp đặt, cài đặt và xử lý sự cố.
Với hơn 10 năm kinh nghiệm trong lĩnh vực điện – tự động hóa và hơn 13.500 khách hàng trên toàn quốc, Tự Động Hóa Toàn Cầu không chỉ cung cấp sản phẩm mà còn xây dựng hệ thống hỗ trợ sau bán hàng bài bản, giúp khách hàng yên tâm hơn khi sử dụng.



* Chất lượng vận hành bền bỉ
Kaman được phát triển theo định hướng đầu tư một lần – vận hành yên tâm.
- Tỷ lệ lỗi cực thấp < 0.3%, linh kiện cao cấp có nguồn gốc từ các thương hiệu lớn.
- Sở hữu các chứng nhận như Châu Âu, ISO 9001:2015, CE
- Giảm rủi ro dừng máy và chi phí bảo trì

* Giá thành tối ưu chi phí
Kaman thuộc nhóm phân khúc tối ưu chi phí – chất lượng tương đương INVT, phù hợp với nhà máy, doanh nghiệp sản xuất, OEM và nhà thầu cơ điện.
* Dịch vụ hậu mãi
Một sản phẩm tốt cần đi cùng một chính sách hậu mãi đủ mạnh để khách hàng yên tâm sử dụng. Với Kaman, lợi thế không chỉ nằm ở thiết bị mà còn nằm ở cách Tự Động Hóa Toàn Cầu đồng hành cùng khách hàng sau bán hàng với các chính sách hỗ trợ nổi bật như:.
- Bảo hành 2 năm
- Đổi mới với các dòng dưới 11kW khi phát sinh lỗi
- Hỗ trợ đào tạo cài đặt biến tần 1 – 1
- Xử lý sự cố trong 24h

>> Xem thêm bảng giá biến tần Kaman mới nhất 2026: TẠI ĐÂY
>>Xem thêm bảng so sánh giá biến tần INVT – Kaman – KOC – Arinco mới nhất năm 2026: TẠI ĐÂY
2. Biến tần INVT – Giá cao, chất lượng tốt, thương hiệu mạnh
Nếu biến tần Arinco thường được lựa chọn vì thuộc nhóm biến tần giá rẻ nhất trên thị trường Trung Quốc, phù hợp với các bài toán cần tối ưu chi phí đầu tư ban đầu. Tuy nhiên, với những doanh nghiệp ưu tiên vận hành ổn định, giảm rủi ro dừng máy và đảm bảo hiệu quả lâu dài, việc chuyển sang biến tần INVT là một giải pháp đáng cân nhắc.

* Thương hiệu mạnh
Công ty sản xuất biến tần INVT là Shenzhen INVT Electric Co., Ltd., doanh nghiệp công nghệ của Trung Quốc, thành lập năm 2002, INVT cho biết họ có hơn 5.600 nhân sự, hơn 900 đối tác, mạng lưới phủ trên 100 quốc gia và vùng lãnh thổ, cùng hàng nghìn bằng sáng chế và chứng nhận kỹ thuật.

* Chất lương tốt – Phân khúc giá cao
- INVT thuộc nhóm biến tần chất lượng tốt, phân khúc giá cao hơn hàng phổ thông
- Chứng nhận và tiêu chuẩn như ISO 9001, ISO 14001, UL
- Giá các dòng INVT như GD20, GD200A, GD350A cũng được niêm yết ở mức cao hơn rõ rệt so với nhóm biến tần Trung Quốc (Kaman, Arinco, KOC)
- Dễ sử dụng, độ tin cậy cao, tính năng phong phú và tối ưu hiệu quả vận hành, đồng thời cung cấp cả dòng đa năng lẫn dòng chuyên dụng cho từng ngành.
>> Xem thêm bảng giá biến tần INVT mới nhất 2026: Tại đây
>>Xem thêm bảng so sánh giá biến tần INVT – Kaman – KOC – Arinco mới nhất năm 2026: TẠI ĐÂY
VII. Tài liệu Catalogue, Manual, Hướng dẫn sử dụng tiếng Việt
| Dòng sản phẩm |
Dòng Arinco AV18 |
Dòng Arinco AM3 |
| Catalogue | Download |
|
| Manual | Đang update | Đang update |
| Hướng dẫn tiếng Việt | Download | Download |
VIII. Hướng dẫn cài đặt cơ bản biến tần Arinco
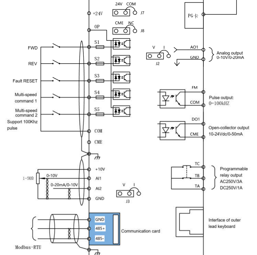
1. Sơ đồ đấu nối động lực và điều khiển
Mạch lực:
-
Cấp nguồn vào (R, S, T): Kết nối nguồn điện lưới (1 pha 220V hoặc 3 pha 380V tùy model) vào các chân R, S, T trên domino của biến tần.
-
Ngõ ra động cơ (U, V, W): Kết nối 3 pha của động cơ vào các chân U, V, W.
-
Chân tiếp địa: Bắt buộc nối đất để chống giật và hạn chế nhiễu tín hiệu.
Mạch điều khiển:
-
Đấu nối biến trở (Điều chỉnh tốc độ):
-
Chân biên 1 của biến trở nối vào chân 10V.
-
Chân giữa của biến trở nối vào chân AI1.
-
Chân biên 2 của biến trở nối vào chân GND.
-
-
Đấu nối công tắc ngoài (Lệnh chạy Thuận/Nghịch): * Sử dụng tiếp điểm thường hở (NO).
-
Chân chạy thuận (Forward): Đấu 1 đầu công tắc vào chân S1, đầu còn lại nối với chân COM.
- Chân chạy nghịch (Reverse): Đấu 1 đầu công tắc vào chân S2, đầu còn lại nối với chân COM.
-
2. Các chế độ điều khiển phổ biến
Tài liệu hướng dẫn chi tiết cách đấu nối và cài đặt cho 3 ứng dụng hay dùng nhất:
Chế độ Công tắc ngoài + Biến trở ngoài:
- Đấu dây: Chân biến trở nối vào 10V (3), AI1 (2), GND (1). Công tắc nối vào S1 và COM
- Thông số:
A0-02 = 1(Lệnh chạy ngoài),A0-03 = 2(Tần số bằng AI1),A0-10/12 = 50.00Hz(Tần số tối đa)
Chế độ Chạy 3 dây (3-wire)
- Sử dụng nút nhấn Nhả (thường hở/đóng) để điều khiển Chạy thuận/Nghịch/Dừng
- Thông số: Ngoài các thông số cơ bản, cài thêm
A4-02 = 3(S3 làm chân dừng) vàA4-11 = 3(Chế độ 3 dây)
Chế độ Đa cấp tốc độ
- Sử dụng các chân số (S1, S4, S5) để kích hoạt các cấp tốc độ định sẵn
- Thông số:
A0-03 = 6(Chế độ đa cấp), cài tốc độ tại các mã từAC-00đếnAC-02
3. Các nhóm thông số kỹ thuật quan trọng
Tài liệu cung cấp bảng mã đầy đủ để tinh chỉnh hiệu suất và độ bền của thiết bị:
| Nhóm | Chức năng chính | Thông số tiêu biểu |
| P0 | Thông số cơ bản |
|
| P1 | Thông số Motor |
Cài đặt công suất ( |
| P2/P3 | Điều khiển chuyên sâu |
|
| P4/P5 | Ngõ vào/ra số |
Cài chức năng cho chân S1-S8 ( |
| P8 | Chức năng phụ trợ |
|
| P9 | Bảo vệ và Báo lỗi |
|
| PP | Quản lý & Phục hồi |
|
4. Lưu ý kỹ thuật để tăng độ bền
Để khắc phục nhược điểm “bảo hành nhiều lần” mà bạn quan tâm, tài liệu cho phép can thiệp sâu vào các thông số bảo vệ:
- Bảo vệ mất pha: Cài đặt tại
A9-12(mất pha ngõ vào) vàA9-13(mất pha ngõ ra) giúp biến tần dừng ngay khi nguồn điện không ổn định. - Chống quá dòng/quá áp: Các mã
A9-03đếnA9-06cho phép điều chỉnh mức ngưỡng và hệ số điều chỉnh để máy không bị sốc khi tải thay đổi đột ngột. - Tự động Reset lỗi: Thông số
A9-08vàA9-11cho phép máy tự khởi động lại một số lần sau khi lỗi tạm thời xảy ra, giúp giảm thời gian dừng máy.
Khuyến nghị: Trong quá trình cài đặt, nếu điều chỉnh sai quá nhiều thông số dẫn đến máy chạy không ổn định, hãy sử dụng mã AP-01 = 1 để đưa thiết bị về trạng thái xuất xưởng trước khi cài đặt lại từ đầu.
Xem thêm: Hướng Dẫn Cài Đặt Biến Tần Arinco Chi Tiết
IX. Bảng mã lỗi và cách khắc phục biến tần Arinco
Trong quá trình sử dụng, biến tần Arinco có thể báo lỗi. Dưới đây là bảng tra cứu nhanh:
| Mã lỗi | Tên lỗi | Nguyên nhân phổ biến | Cách khắc phục |
| E02, E03, E04 |
Quá dòng (Overcurrent)
|
Thời gian tăng/giảm tốc quá ngắn; công suất biến tần nhỏ hơn motor; ngắn mạch đầu ra |
Tăng thời gian tăng/giảm tốc ( |
| E05, E06, E07 |
Quá áp (Overvoltage) |
Tải có quán tính lớn đẩy điện áp ngược về; thời gian giảm tốc quá ngắn; điện áp lưới quá cao |
Tăng thời gian giảm tốc ( |
| E09 |
Điện áp thấp (Undervoltage |
Nguồn cấp không ổn định; mất pha đầu vào; lỏng dây nguồn hoặc hỏng contactor bên trong |
Kiểm tra điện áp lưới; siết chặt các đầu cos dây nguồn đầu vào11. |
| E10, E11 |
Quá tải (Overload) |
Tải cơ khí bị kẹt; cài đặt dòng điện định mức motor ( |
Kiểm tra phần cơ khí máy; kiểm tra lại thông số dòng điện trên tem motor; điều chỉnh lại thông số tăng cường moment |
| E12, E13 |
Mất pha (Phase Loss) |
Đứt dây nguồn đầu vào hoặc dây dẫn ra motor; terminal đấu nối bị lỏng |
Kiểm tra toàn bộ đường dây điện; đo điện áp 3 pha đầu vào và đầu ra. |
| E14 |
Quá nhiệt (Overheat) |
Quạt tản nhiệt hỏng hoặc bám quá nhiều bụi; môi trường xung quanh quá nóng |
Vệ sinh quạt và cánh tản nhiệt nhôm; lắp thêm quạt thông gió cho tủ điện |
| E16 |
Lỗi truyền thông |
Đứt dây RS485; nhiễu tín hiệu hoặc sai địa chỉ/baud rate |
Kiểm tra dây chống nhiễu; kiểm tra lại các thông số nhóm PD (như |
| E23 |
Chạm vỏ (Ground Fault |
Đầu ra motor bị rò điện ra vỏ hoặc chạm đất |
Kiểm tra độ cách điện của cuộn dây motor và cáp dẫn bằng đồng hồ Megohm |
Thông tin liên hệ
Nếu quý khách đang quan tâm đến sản phẩm và chương trình khuyến mãi, vui lòng liên hệ Tự Động Hóa Toàn Cầu để được tư vấn và nhận báo giá nhanh:
CÔNG TY CỔ PHẦN TỰ ĐỘNG HÓA TOÀN CẦU
☎ Hotline miền Bắc: 0961.320.333
☎ Hotline miền Nam: 0981.810.800
Website: www.tudonghoatoancau.com
Email: toancau@tudonghoatoancau.com



Zalo Miền Bắc