Tổng hợp tài liệu biến tần Allen-Bradley PowerFlex 525, 753 mới nhất 2026. Hướng dẫn cài đặt, tra cứu bảng mã lỗi & phân tích nhược điểm. Giải pháp thay thế bằng biến tần Shihlin tối ưu chi phí.
1. Giới thiệu chung: Vị thế của Allen-Bradley và Thực trạng tại Việt Nam
Trong bản đồ tự động hóa thế giới, biến tần Allen-Bradley (thuộc tập đoàn Rockwell Automation – Mỹ) luôn được xem là “anh cả” với hệ sinh thái tích hợp mạnh mẽ. Đặc biệt trong các dây chuyền sản xuất của các tập đoàn đa quốc gia như P&G, Unilever, hay các nhà máy lắp ráp ô tô VinFast, Ford… sự hiện diện của dòng biến tần PowerFlex là bảo chứng cho tiêu chuẩn kỹ thuật G7.
Tuy nhiên, đối với các doanh nghiệp vừa và nhỏ hoặc các nhà máy cần tối ưu hóa chi phí vận hành tại Việt Nam, việc tiếp cận và duy trì hệ thống sử dụng Allen-Bradley đang gặp nhiều rào cản lớn.
Bài viết này sẽ là cuốn cẩm nang kỹ thuật toàn diện năm 2026, giúp bạn làm chủ việc cài đặt, xử lý lỗi biến tần PowerFlex. Đồng thời, tôi sẽ phân tích thẳng thắn những nhược điểm chí mạng của dòng biến tần này trong bối cảnh hiện tại, từ đó gợi ý một hướng đi mới hiệu quả hơn, tiết kiệm hơn với biến tần Shihlin.
2. Tổng quan các dòng biến tần Allen-Bradley (PowerFlex) thông dụng
Hệ sinh thái PowerFlex rất rộng, nhưng tại thị trường Việt Nam, chúng ta thường chỉ gặp 3 phân khúc chính. Việc nhận diện đúng model giúp bạn tra cứu manual chính xác hơn.
2.1. PowerFlex 520 Series (523 và 525) – Dòng Compact phổ biến nhất
Đây là dòng biến tần hạ thế dạng module bán chạy nhất của hãng.
- Dải công suất: 0.4kW – 22kW (0.5 – 30HP).
- Đặc điểm: PowerFlex 525 tích hợp sẵn cổng EtherNet/IP, hỗ trợ Safety (STO). Thiết kế dạng module tách rời phần điều khiển và phần động lực giúp dễ dàng thay thế.
- Ứng dụng: Băng tải, quạt, bơm, máy đóng gói.
2.2. PowerFlex 750 Series (753 và 755) – Dòng hiệu suất cao
Dành cho các ứng dụng hạng nặng và yêu cầu điều khiển phức tạp.
- Dải công suất: Lên tới hàng trăm kW.
- Đặc điểm: Hỗ trợ Slot mở rộng cho Encoder, I/O, và các chuẩn truyền thông khác. PowerFlex 755 còn có khả năng điều khiển Motion (Servo) qua mạng Ethernet.
- Ứng dụng: Cần trục, máy ly tâm, máy ép nhựa, hệ thống nâng hạ.
2.3. PowerFlex 4M/40/400 (Dòng Legacy – Đã cũ)
Mặc dù Rockwell Automation đang dần khai tử các dòng này để chuyển sang PowerFlex 520, nhưng lượng máy móc cũ sử dụng chúng vẫn rất lớn.
- Lưu ý kỹ thuật: Các dòng này hiện nay rất khó mua mới, linh kiện sửa chữa khan hiếm. Nếu gặp sự cố với dòng này, giải pháp tốt nhất là nâng cấp hoặc chuyển đổi hãng.
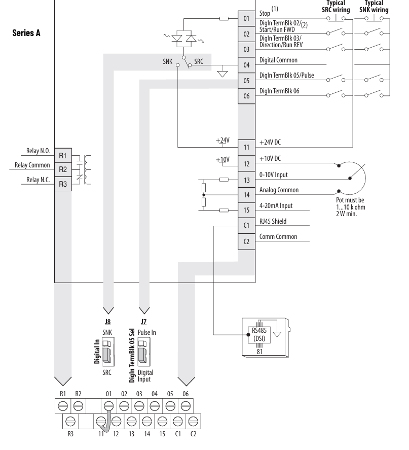
3. Hướng dẫn đấu nối & Cài đặt Biến tần Allen-Bradley (PowerFlex 525)
Phần này tôi sẽ hướng dẫn trên dòng PowerFlex 525, vì đây là model đại diện phổ biến nhất.
3.1. Sơ đồ đấu nối mạch lực và điều khiển
Khác với các dòng biến tần Châu Á, ký hiệu của Allen-Bradley có chút khác biệt, kỹ thuật viên cần chú ý để tránh đấu nhầm gây nổ IGBT.
Mạch Động Lực (Power Terminals):
- R/L1, S/L2, T/L3: Nguồn vào (Input). Lưu ý: Kiểm tra kỹ cấp điện áp 1 pha 220V hay 3 pha 380V trên nhãn (Nameplate).
- U/T1, V/T2, W/T3: Nối ra động cơ (Output).
- DC+, DC-: Kết nối DC Bus chung (Common Bus).
- BR+, BR-: Kết nối điện trở xả (Brake Resistor). Tuyệt đối không đấu nhầm điện trở vào chân DC-.
Mạch Điều Khiển (I/O Terminals):
Sử dụng chế độ Sink/Source (chọn qua Jumper J8). Mặc định thường để Source (kích dương 24V).
- Chân 01 (Stop): Thường đóng (NC). Đây là chân Safety Interlock, bắt buộc phải thông mạch với chân 11 (+24V) thì biến tần mới cho phép chạy.
- Chân 02 (Start/Run FWD): Chân chạy thuận.
- Chân 03 (Dir/Rev): Chân đảo chiều.
- Chân 12, 13, 14: Đấu biến trở (10V, Wiper, Common).
3.2. Quy trình cài đặt thông số cơ bản (Quick Start)
Giao diện PowerFlex chia thành các nhóm: b (Display), P (Basic Program), t (Terminal), C (Comms). Để máy chạy, bạn chỉ cần tập trung vào nhóm P.
Bước 1: Reset về mặc định
- Vào P053 -> Chọn 2 (Factory Reset).
Bước 2: Nhập thông số động cơ (Motor Data)
- P031: Điện áp động cơ (Ví dụ: 380V).
- P032: Tần số (50Hz hoặc 60Hz).
- P033: Dòng điện định mức (A) – Nhìn trên nhãn motor.
- P034: Dòng không tải (No load Amps) – Nếu không biết thì để mặc định.
- P041: Thời gian tăng tốc (Accel Time) – Đơn vị giây.
- P042: Thời gian giảm tốc (Decel Time).
Bước 3: Cài đặt lệnh chạy và tần số (Command Source)
- P046 (Start Source 1):
- 1: Keypad (Chạy trên bàn phím).
- 2: Terminal (Chạy bằng nút nhấn/PLC ngoài).
- 5: EtherNet/IP (Chạy qua mạng).
- P047 (Speed Reference 1):
- 1: Drive Pot (Biến trở trên mặt).
- 5: 0-10V Input.
- 15: EtherNet/IP.
Bước 4: Auto-tune (Dò thông số động cơ)
- Vào P040 -> Chọn 1 (Static Tune). Nhấn nút Start màu xanh, biến tần sẽ phát tiếng rít nhẹ để đo điện trở dây quấn.
3.3.TÀI LIỆU KỸ THUẬT (DOWNLOAD)
| Dòng sản phẩm | Power Flex 520 | Power Flex 750 | Power Flex 4M/40/400 |
| Catalogue | Download | Download | Download |
| Manual | Download | Download | Download |
| Hướng dẫn Tiếng Việt | Đang update… | Đang update… | Đang update |
4. Bảng mã lỗi Biến tần Allen-Bradley & Cách xử lý thực tế
Dưới đây là các mã lỗi (Fault Codes) thường gặp nhất. Lưu ý: Dòng F là Fault (Lỗi dừng máy).
| Mã Lỗi | Tên Lỗi | Nguyên Nhân & Cách Khắc Phục |
| F003 | Power Loss | Mất pha đầu vào hoặc điện áp DC Bus dao động quá mạnh. -> Kiểm tra nguồn điện lưới. |
| F004 | UnderVoltage | Thấp áp DC Bus. -> Kiểm tra cầu chì đầu vào, kiểm tra contactor nguồn. |
| F005 | OverVoltage | Quá áp DC Bus. Thường do thời gian giảm tốc quá ngắn hoặc tải có quán tính lớn. -> Tăng P042, lắp thêm điện trở xả. |
| F013 | Ground Fault | Chạm đất đầu ra. -> Tháo dây motor, dùng Megomet (Megger) đo cách điện cuộn dây và cáp dẫn. |
| F071 | Net Loss | Mất kết nối mạng truyền thông (Ethernet/DSI). -> Kiểm tra cáp mạng RJ45, kiểm tra PLC có bị tắt không. |
| F081 | DSI Comm Loss | Mất kết nối với màn hình rời hoặc thiết bị ngoại vi cổng DSI. |
| F114 | uC Failure | Lỗi vi xử lý. -> Đây là lỗi phần cứng nghiêm trọng trên board điều khiển. Thường phải thay biến tần mới. |
5. Tại sao bạn nên NGỪNG sử dụng Allen Bradley cho dự án mới?
Là một người làm kỹ thuật lâu năm, tôi không phủ nhận chất lượng của Allen-Bradley. Tuy nhiên, ở góc độ kinh tế và tính sẵn sàng, việc tiếp tục sử dụng Allen-Bradley tại thị trường Việt Nam năm 2026 đang bộc lộ quá nhiều nhược điểm chí mạng:
5.1. Giá thành “trên trời” (Chi phí đầu tư quá cao)
Biến tần Allen-Bradley luôn có mức giá cao gấp 2 đến 3 lần so với các dòng biến tần cùng phân khúc của Nhật Bản hay Đài Loan. Với các dự án cần tối ưu chi phí, đây là một gánh nặng tài chính không cần thiết.
5.2. Thời gian đặt hàng quá lâu
Do chính sách phân vùng và chuỗi cung ứng từ Mỹ/Mexico, việc đặt hàng một con PowerFlex 753 có thể mất từ 8 đến 16 tuần.
- Hỏi thật: Nhà máy của bạn có thể chịu đựng việc dừng máy 3 tháng để chờ linh kiện về không?
5.3. Rắc rối về phần mềm và bản quyền
Để cài đặt chuyên sâu hoặc Backup/Restore, bạn cần phần mềm Connected Components Workbench (CCW) hoặc Studio 5000. Việc cài đặt nặng nề, yêu cầu License tốn kém, và giao diện quá phức tạp cho những ứng dụng đơn giản là một rào cản lớn cho đội ngũ bảo trì tại chỗ.
5.4. Khó sửa chữa tại Việt Nam
Linh kiện thay thế của Allen-Bradley không phổ biến tại chợ trời hay các nhà cung cấp thông thường. Khi hỏng board mạch, chi phí sửa chữa thường xấp xỉ mua mới một con biến tần hãng khác.
6. Biến tần Shihlin: Giải pháp thay thế hoàn hảo – Công nghệ Mitsubishi
Nếu bạn đang tìm kiếm một giải pháp để thay thế Allen-Bradley, đáp ứng tiêu chí: “Nồi đồng cối đá” + “Giá rẻ” + “Có sẵn”, thì Biến tần Shihlin chính là câu trả lời.
Tại Tự Động Hóa Toàn Cầu, chúng tôi đã thực hiện chuyển đổi thành công cho hơn 500+ nhà máy từ Allen-Bradley sang Shihlin với phản hồi cực tốt.
Tại sao Biến tần Shihlin đánh bại Allen Bradley ở phân khúc phổ thông?
- Công nghệ Nhật Bản (Mitsubishi): Shihlin Electric là đối tác chiến lược của Mitsubishi Electric. Biến tần Shihlin sử dụng chung phần cứng công suất, IGBT và nền tảng công nghệ với Mitsubishi. Bạn mua Shihlin thực chất là mua chất lượng Nhật với giá Đài Loan.
- Giá rẻ hơn 50-60%: So với PowerFlex 525, một bộ biến tần Shihlin SC3 cùng công suất giúp bạn tiết kiệm hơn một nửa chi phí đầu tư.
- Hàng luôn có sẵn (Ready Stock): Tại kho của Tự Động Hóa Toàn Cầu, chúng tôi luôn có sẵn các dòng từ 0.75kW đến 160kW. Máy hỏng sáng -> Chiều có biến tần thay thế ngay, không phải chờ 3 tháng.
- Dễ dàng cài đặt: Giao diện thân thiện, tài liệu Tiếng Việt do chính chúng tôi biên soạn. Hỗ trợ truyền thông Modbus RS485 chuẩn, dễ dàng kết nối với mọi loại PLC (Siemens, Mitsubishi, Delta, và cả Rockwell).
Gói “Dịch vụ vượt trội” độc quyền từ GAC tại thị trường Việt Nam:
-
Bảo hành toàn diện lên đến 3 năm:
Cam kết bảo hành cho toàn bộ lỗi kỹ thuật phát sinh, đảm bảo doanh nghiệp vận hành ổn định và yên tâm trong suốt vòng đời thiết bị. -
Miễn phí lắp đặt trong phạm vi 60 km:
Đội ngũ kỹ sư giàu kinh nghiệm triển khai nhanh chóng, hỗ trợ kịp thời và sẵn sàng đồng hành 24/7 khi khách hàng cần. -
Đào tạo kỹ thuật 1–1 hoàn toàn miễn phí:
Hướng dẫn trực tiếp trên thiết bị thực tế, giúp kỹ thuật viên nắm chắc công nghệ, khai thác tối đa hiệu suất và hạn chế rủi ro vận hành.


Xem thêm: Các dòng sản phẩm biến tần Shihlin – tại đây
Với bề dày hơn 70 năm hình thành và phát triển, Shihlin khẳng định vị thế thương hiệu uy tín cùng khả năng thay thế tương thích linh hoạt cho nhiều dòng biến tần phổ biến trên thị trường như Mitsubishi, LS, Delta hay Omron. Không chỉ dừng lại ở vai trò điều khiển tốc độ động cơ, biến tần Shihlin còn là giải pháp chiến lược giúp doanh nghiệp tối ưu ngân sách đầu tư, nâng cao hiệu quả vận hành và đảm bảo sự ổn định, bền bỉ cho toàn bộ hệ thống sản xuất.
Quý khách hàng vui lòng liên hệ Công ty Cổ phần Tự động hóa Toàn Cầu (GAC) để nhận báo giá ưu đãi cùng các chương trình quà tặng hấp dẫn đến từ thương hiệu Shihlin.
Ngay sau khi tiếp nhận yêu cầu, đội ngũ kinh doanh GAC sẽ nhanh chóng gửi bảng giá biến tần Shihlin chi tiết, kèm theo chính sách hậu mãi minh bạch và mức chiết khấu cạnh tranh, được xây dựng phù hợp với từng quy mô doanh nghiệp và nhu cầu ứng dụng cụ thể.







Zalo Miền Bắc