Đăng ký tài khoản
Bạn chưa có tài khoản hãy nhấn vào nút đăng ký.
Cam kết Hàng chính hãng
Luôn tốt nhất thị trường
Kỹ sư Bách Khoa hỗ trợ
Freeship cho đơn >4tr
Biến tần Shihlin SF3 là dòng biến tần công suất lớn đến từ Shihlin Electric (Đài Loan), được thiết kế cho các hệ thống yêu cầu tải trung bình đến tải nặng. Sản phẩm nổi bật với độ bền cao, thiết kế cứng cáp, khả năng vận hành ổn định trong môi trường công nghiệp và mức giá cạnh tranh, vì vậy được nhiều đơn vị chế tạo máy và nhà máy sản xuất tin dùng.
Shihlin Electric là tập đoàn công nghiệp uy tín hàng đầu tại Đài Loan, được thành lập từ năm 1955 và chuyên sản xuất thiết bị điện – tự động hóa. Nhờ hợp tác chiến lược với Mitsubishi (Nhật Bản), Shihlin tiếp nhận công nghệ tiên tiến, từ đó tạo ra các sản phẩm có độ bền cao, vận hành ổn định và đạt tiêu chuẩn kỹ thuật quốc tế.
Dòng biến tần Shihlin SF3 là sự kế thừa và phát triển từ nền tảng công nghệ đó, được thiết kế chuyên biệt cho các hệ thống tải trung bình đến tải nặng, mang lại hiệu suất vận hành cao, độ tin cậy lớn và tối ưu chi phí cho doanh nghiệp.

So với các dòng biến tần phổ thông, Shihlin SF3 được trang bị một loạt các tính năng phần cứng và phần mềm ưu việt:

Ứng dụng thực tế: Với dải công suất lớn và độ sai số tốc độ dưới 1% (với 0-100% tải), Biến tần Shihlin SF3 được ứng dụng hoàn hảo cho các thiết bị có sự thay đổi tải đột ngột.Dòng sản phẩm này chuyên dụng và được khuyên dùng nhiều nhất cho hệ thống Bơm và Quạt (HVAC), ngoài ra còn ứng dụng rộng rãi trong các ngành chế tạo máy đóng gói, dệt sợi, máy ép nhựa, bao bì và ngành gỗ.
| Đặc tính kỹ thuật | Thông tin chi tiết của biến tần Shihlin SF3 |
| Dải công suất | Từ 3.7kW (5HP) đến 355kW (475HP) |
| Điện áp hoạt động | 3 pha 380VAC cho cả đầu vào và đầu ra |
| Phương pháp điều khiển | Hỗ trợ Soft-PWM, SVPWM, V/f, V/f + PG, đặc biệt có Sensorless Vector Control (SVC) cho khả năng điều khiển mạnh mẽ |
| Tần số ngõ ra | Tối đa 650Hz |
| Độ chính xác điều khiển | Độ đáp ứng đạt 99.99% |
| Khả năng quá tải | 120% trong 60 giây (tải nhẹ) và 150% trong 60 giây (tải nặng) |
| Moment khởi động | 150% tại 0.5Hz ở chế độ SVC |
| Loại động cơ hỗ trợ | Điều khiển được động cơ không đồng bộ (IM) và động cơ nam châm vĩnh cửu (IPM – SPM) |
Bảng giá biến tần SHIHLIN ĐÀI LOAN: Download
>>>> NHẬN BẢNG GIÁ CHIẾT KHẤU VÀ NHIỀU ƯU ĐÃI LIÊN HỆ:
KỸ SƯ KINH DOANH TÁ: 0981.839.845 – ZALO
Hướng dẫn cài đặt biến tần Shihlin SF3 theo nhóm thông số 00-00 trực quan và dễ hiểu nhất:
Đầu vào 3 pha 380V cấp vào các chân R, S, T hoặc L1, L2, L3 của biến tần; 3 pha đầu ra của biến tần U, V, W nối với động cơ. Biến tần có 2 chân PE để nối đất thiết bị.
( XX là số thứ tự Group tham số ; YY là số thứ tự tham số trong Group XX)
– Bước 1: Khi màn hình hiển thị đang ở trạng thái mặc định là chế độ Monitor, ấn phím MODE 3 lần cho tới khi hiển thị “ZZ-TT ” ( với ZZ-TT là tham số trước đó đã cài đặt, mặc định là tham số 00-00 )
– Bước 2: Sử dụng nút mũi tên để thay đổi giá trị đến tham số mong muốn hoặc xoay núm trên bàn phím . Ấn giữ nút lên/xuống để số nhảy nhanh hơn. Ví dụ ta di chuyển đến tham số muốn cài đặt là XX-YY
– Bước 3: Nhấn phím “READ” để vào tham số mà bạn muốn cài đặt. Khi đó màn hình sẽ hiển thị giá trị hiện tại của tham số đó.
– Bước 4: Dùng nút mũi tên hoặc núm xoay để chỉnh lại giá trị theo. Giả sử muốn chỉnh lại tham số XX-YY = 2 . Ta ấn mũi tên tăng đến số 2.
– Bước 5: Sau khi thay đổi xong giá trị tham số, nhấn nút “WRITE” để lưu lại giá trị. Khi đó, màn hình sẽ bắt đầu nhấp nháy giữa tham số đang cài và giá trị mới của tham số (trong ví dụ này thì nó sẽ nhấp nháy giữa XX-YY và 2)
– Bước 6: Nhấn phím “READ” hoặc “ESC”, màn hình sẽ ngừng nhấp nháy. Khi đó ta dùng phím mũi tên/xuống hoặc núm xoay để chuyển sang các tham số khác và thực hiện thay đổi như ở trên. Nếu không muốn thay đổi tham số nào khác nữa thì nhấn phím MODE cho tới khi quay trở lại màn hiển thị Monitor.
Lưu ý: biến tần chỉ có thể Reset thông số khi đang ở chế độ PU – sử dụng bàn phím và chiết áp có sẵn (đèn PU trên màn hình đang sáng) nếu như đèn PU đang không sáng hoặc đang nhấp nháy, để Reset thông số biến tần các bạn cần cài đặt 00-16 = 1 trước.
Sau khi cài 00-16 = 1 đèn PU sáng, ta tiếp tục như sau :
– Cài tham số 00-02 = 3. Ấn phím “WRITE” để lưu cài đặt và xuất hiện chữ “ALLC” sau đó “End” là đã Reset mặc định biến tần thành công.
– Như vậy là biến tần đã được khôi phục tham số về mặc định, bấm phím MODE vài lần để trở về màn hình chính.
– Chọn kiểu tần số nguồn sử dụng 50Hz : Tham số 00-24 = 1
– Cài đặt tần số giới hạn 1 : Tham số 01-00 = 50Hz
– Cài đặt tần số giới hạn 2 : Tham số 01-02 = 50Hz
– Tham số 00-16 = 1
Ấn nút REV để chạy ngược, ấn FWD để chạy thuận, ấn STOP để dừng động cơ
Tần số được cài đặt bằng núm xoay trên biến tần
– Tham số 00-16 = 2
– Cách đấu nối cho công tắc chuyển mạch ngoài: 1 đầu công tắc nối với chân STF để chạy thuận hoặc STR để chạy ngược, đầu còn lại của công tắc nối với chân chung SD.

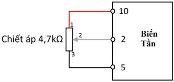
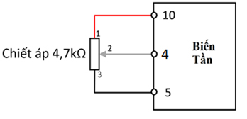
– Cách đấu nối cho chiết áp ngoài (chân 2) : nối chân số 2 của chiết áp vào chân số 2 trên mạch điều khiển biến tần. 2 chân còn lại của chiết áp nối với chân số 10 và số 5. Nếu như giá trị của chiết áp bị ngược chiều thì chỉ cần đảo hai chân 10 và 5.

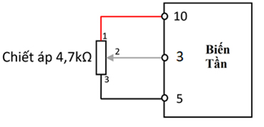
– Cách đấu nối cho chiết áp ngoài (chân 3) : nối chân số 3 của chiết áp vào chân số 3 trên mạch điều khiển biến tần. Hai chân còn lại của chiết áp nối với chân số 10 và số 5. Nếu như giá trị của chiết áp bị ngược chiều thì chỉ cần đảo hai chân 10 và 5.

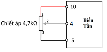
– Cách đấu nối cho chiết áp ngoài (chân 4) : nối chân số 4 của chiết áp vào chân số 4 trên mạch điều khiển biến tần. Hai chân còn lại của chiết áp nối với chân số 10 và số 5. Nếu như giá trị của chiết áp bị ngược chiều thì chỉ cần đảo hai chân 10 và 5.

– Tham số 00-16 = 4
– Xoay núm trên biến tần để thay đổi tần số
– Cách đấu nối cho công tắc chuyển mạch ngoài:

– Tham số 00-16 = 5
– Ấn nút REV để chạy ngược, ấn FWD để chạy thuận, ấn STOP để dừng động cơ
– Cách đấu nối cho chiết áp ngoài (chân 2): nối chân số 2 của chiết áp vào chân số 2 trên mạch điều khiển biến tần. 2 chân còn lại của chiết áp nối với chân số 10 và số 5. Nếu như giá trị của chiết áp bị ngược chiều thì chỉ cần đảo hai chân 10 và 5.

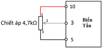
– Cách đấu nối cho chiết áp ngoài (chân 3): nối chân số 3 của chiết áp vào chân số 3 trên mạch điều khiển biến tần. Hai chân còn lại của chiết áp nối với chân số 10 và số 5. Nếu như giá trị của chiết áp bị ngược chiều thì chỉ cần đảo hai chân 10 và 5.

– Cách đấu nối cho chiết áp ngoài (chân 4): nối chân số 4 của chiết áp vào chân số 4 trên mạch điều khiển biến tần. Hai chân còn lại của chiết áp nối với chân số 10 và số 5. Nếu như giá trị của chiết áp bị ngược chiều thì chỉ cần đảo hai chân 10 và 5.

Dù được trang bị đầy đủ tính năng bảo vệ toàn diện, quá trình vận hành đôi khi vẫn báo lỗi. Dưới đây là bảng mã lỗi thường gặp và cách xử lý:
| Mã Lỗi | Tên Lỗi | Nguyên nhân và Cách xử lý |
| OC | Quá dòng (Over Current) | Tải nặng quá mức, motor bị kẹt cơ khí.
Cách xử lý: Kiểm tra cơ cấu truyền động, tăng thời gian tăng tốc P.7. |
| OV | Quá áp (Over Voltage) | Do thời gian giảm tốc quá ngắn khiến năng lượng dội về lớn.
Cách xử lý: Tăng thời gian giảm tốc P.8 hoặc lắp điện trở xả. |
| THN/OL | Quá tải (Over Load) | Động cơ hoạt động quá tải trong thời gian dài.
Cách xử lý: Giảm bớt tải, kiểm tra cơ khí, cài lại P.9 đúng với dòng định mức motor. |
| OH | Quá nhiệt (Over Heat) | Môi trường xưởng quá nóng (>40°C) hoặc quạt tản nhiệt bị hỏng/kẹt bụi.
Cách xử lý: Vệ sinh khe tản nhiệt, thay quạt làm mát. |
| Lu / Lv | Thấp áp (Low Voltage) | Nguồn điện cấp bị sụt áp, mất pha hoặc lỏng ốc.
Cách xử lý: Đo lại điện áp nguồn tổng, siết chặt các cầu đấu R, S, T. |
| Sc | Ngắn mạch (Short Circuit) | Chạm chập các dây cáp motor hoặc hỏng module IGBT bên trong.
Cách xử lý: Tháo dây motor ra đo chạm chập. Nếu tháo ra vẫn lỗi là hỏng phần cứng. |
Biến tần Shihlin SF3 là giải pháp tối ưu cho các hệ thống tải trung bình và tải nặng, giúp doanh nghiệp tiết kiệm chi phí nhưng vẫn đảm bảo hiệu suất vận hành ổn định nhờ 3 ưu điểm chính:
Liên hệ ngay với chúng tôi để nhận bảng giá chiết khấu hấp dẫn và nhận nhiều phần quà đến từ nhãn hàng Shihlin!
Quý khách vui lòng Click Zalo liên hệ báo giá, đội ngũ Kinh Doanh của chúng tôi sẽ gửi bảng giá biến tần Shihlin cùng dịch vụ hậu mãi và mức chiết khấu tốt nhất cho từng quý khách hàng.