Biến tần V&T – Giới thiệu chi tiết các dòng E5-H, V5-H, V6-H, hướng dẫn cài đặt, bảng mã lỗi, hạn chế thực tế và gợi ý giải pháp thay thế tối ưu cho nhà máy.
Giới thiệu
Shenzhen V&T Technologies Co., Ltd. là nhà sản xuất chuyên cung cấp các giải pháp điều khiển công nghiệp, nổi bật với các dòng biến tần V&T hiệu suất cao, được ứng dụng rộng rãi trong nhiều ngành sản xuất tại Việt Nam và quốc tế.
Các sản phẩm của hãng được thiết kế với dải điện áp đầu vào rộng từ DC 360V đến 720V, kết hợp khả năng phát hiện dòng điện chính xác thông qua cảm biến Hall, giúp nâng cao độ ổn định và độ tin cậy cho toàn bộ hệ thống truyền động.
Nhờ cấu trúc phần cứng và thuật toán điều khiển phù hợp cho môi trường công nghiệp nặng, biến tần V&T hiện được ứng dụng phổ biến trong các lĩnh vực:
• Máy kéo dây, in ấn, nhuộm và gốm sứ.
• Công nghiệp dầu khí, hóa chất (nhờ thiết kế nguồn điều khiển độc lập và khả năng kết nối UPS).
• Máy công cụ (trục chính máy mài, máy tiện), bơm chân không.
• Ngành dệt may (máy đánh ống) với khả năng tăng/giảm tốc lên tới 10 giờ.
• Thiết bị nâng hạ, cẩu trục, máy cán, dây chuyền sản xuất giấy.
I. CÁC DÒNG BIẾN TẦN TIÊU BIỂU
Dưới đây là các dòng biến tần V&T tiêu biểu đang được sử dụng nhiều trong thực tế sản xuất.
1. Dòng E5-H: Biến tần đa năng hiệu suất cao
Dòng E5-H là lựa chọn phổ thông cho các ứng dụng tải biến thiên và hệ thống yêu cầu cấu hình linh hoạt.
- Công suất và Phân loại:
◦ E5-H-4T…G: Dùng cho tải nặng/momen không đổi (Constant torque/heavy-load).
◦ E5-A-4T…T: Dùng cho tải nhẹ/biến thiên momen (Variable torque/light-load). - Đặc điểm nổi bật:
Sử dụng nền tảng công nghệ điều khiển V/F tăng cường (Enhanced VF). Hỗ trợ dò tốc độ, tham chiếu đa cấp tốc độ, đường cong S, bù trượt, và điều khiển PID. - Ứng dụng:
Các ứng dụng phổ thông và tải biến thiên.
2. Dòng V5-H: Biến tần điều khiển Vector hiệu suất cao
V5-H được phát triển cho các hệ thống tải nặng, yêu cầu mô-men lớn và độ ổn định cao.
- Công suất và Phân loại:
◦ V5-H-4T…G/L (400V): Công suất từ 0.75kW đến 500kW+.
◦ V5-H-2T…G (200V): Công suất từ 0.4kW đến 2.2kW. - Đặc điểm nổi bật:
Nền tảng công nghệ điều khiển Vector (V5). Momen khởi động cao (180% tại 0.5Hz với Vector 1 và 0.25Hz với Vector 2). Tích hợp sẵn bộ hãm (Braking unit) cho các dải công suất nhỏ. - Ứng dụng:
Tải nặng, yêu cầu độ chính xác và momen khởi động lớn.
3. Dòng V6-H: Biến tần điều khiển Vector/Torque vòng kín
V6-H là dòng cao cấp nhất của biến tần V&T, hướng tới các hệ thống điều khiển chính xác và phản hồi nhanh.
- Công suất và Phân loại:
◦ V6-H-4T…G/L (400V): Tương tự dải công suất rộng của dòng V5.
◦ V6-H-2T…G (200V): Dành cho điện áp thấp. - Đặc điểm nổi bật:
◦ Hỗ trợ điều khiển vòng kín với encoder (Closed loop), đạt momen giữ 180% ngay tại 0Hz (zero-servo).
◦ Phản hồi momen cực nhanh (<10ms).
◦ Tính năng hãm DC nhanh (Quick DC Braking) loại bỏ sức phản điện động trong 0.3s. - Ứng dụng:
Trục chính máy công cụ, thiết bị nâng hạ, máy in, máy đóng gói, và các hệ thống yêu cầu điều khiển lực căng (tension control).
TÀI LIỆU KỸ THUẬT
Dưới đây là bảng tổng hợp tài liệu hướng dẫn sử dụng (Manual) và Catalog cho các dòng biến tần V&T phổ biến:
| Dòng Sản Phẩm | Manual (Hướng dẫn sử dụng) | Catalog (Thông số kỹ thuật) |
E5-H |
[Tải về – E5-H User Manual] | Đang cập nhật.. |
V5-H |
[Tải về – V5-H User Manual] | Đang cập nhật.. |
V6-H |
[Tải về – V6-H User Manual] | Đang cập nhật.. |
II. HƯỚNG DẪN THIẾT LẬP CƠ BẢN
1. An toàn
- Không sử dụng biến tần cho các thiết bị y tế liên quan trực tiếp đến sự an toàn của con người.
- Phải nối đất (PE) chắc chắn cho cả biến tần và động cơ vì dòng rò hệ thống lớn hơn 3.5mA.
- Không tháo nắp che khi đang có điện. Sau khi ngắt điện, các đầu cực vẫn có thể còn điện áp cao, cần đợi xả hết điện trước khi thao tác.
- Tuyệt đối không chạm vào tản nhiệt hoặc điện trở xả vì nhiệt độ cao có thể gây bỏng.
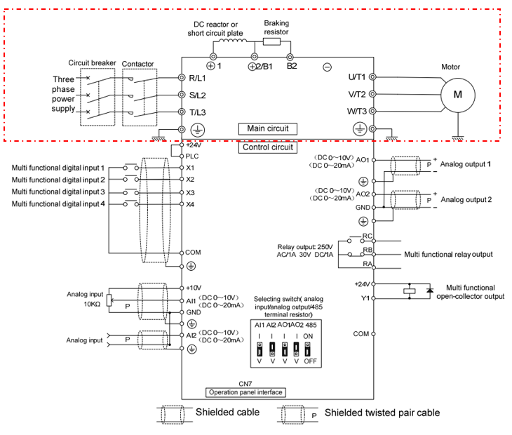
2. Đấu nối
A. Mạch động lực
- Nguồn vào:
Kết nối nguồn điện 3 pha vào các chân R/L1, S/L2, T/L3. Đảm bảo điện áp và pha phù hợp với nhãn máy. - Đầu ra động cơ:
Kết nối động cơ vào các chân U/T1, V/T2, W/T3.
◦ Cảnh báo: Tuyệt đối không nối nguồn điện vào các chân U, V, W, nếu không sẽ gây hỏng biến tần. - Điện trở xả:
Kết nối vào các chân (+)2/B1 và B2 (hoặc B1, B2 tùy dòng).
◦ Cảnh báo: Không kết nối vào các chân khác ngoài 2 chân này để tránh nguy cơ cháy nổ. - Cuộn kháng DC:
Một số dòng công suất lớn có cầu đấu (+)1 và (+)2 dành cho cuộn kháng DC.
B. Mạch điều khiển
- Sử dụng cáp xoắn đôi có bọc nhiễu cho tín hiệu Analog (AI), nối lớp bọc nhiễu xuống đất (PE).
- Tách riêng dây điều khiển (RA/RB/RC) khỏi các dây mạch động lực.
- Sơ đồ chân cơ bản:
◦ AI1, AI2, AI3: Đầu vào Analog (Điện áp/Dòng điện).
◦ DI/X1…: Đầu vào số đa chức năng (Digital Input).
◦ AO1, AO2: Đầu ra Analog.
◦ RA, RB, RC: Đầu ra Relay.
◦ 485+, 485-: Truyền thông RS485. - Có thể chọn chế độ đấu nối NPN (Sink) hoặc PNP (Source) thông qua Jumper.
3. Cài đặt các thông số cơ bản của động cơ
Trước khi vận hành, người dùng cần nhập chính xác thông số từ nhãn động cơ để biến tần thực hiện nhận dạng (Auto-tuning).
Trước bảng thông số:
Dưới đây là các thông số động cơ quan trọng cần khai báo cho biến tần.
| Tên thông số | Mô tả | Đơn vị | Ghi chú |
| Công suất định mức | Nhập công suất ghi trên nhãn động cơ (kW) | kW | Tham khảo nhãn máy |
| Điện áp định mức | Điện áp hoạt động của động cơ (V) | V | Dựa trên đấu nối sao/tam giác |
| Dòng điện định mức | Dòng điện làm việc của động cơ (A) | A | Quan trọng để bảo vệ quá tải |
| Tần số định mức | Tần số cơ bản của động cơ (Hz) | Hz | Thường là 50Hz hoặc 60Hz |
| Tốc độ định mức | Tốc độ quay định mức (rpm) | rpm | Dùng để tính toán trượt |
(Lưu ý: Sau khi nhập, cần thực hiện quy trình nhận dạng thông số động cơ tĩnh hoặc động như đề cập trong tính năng sản phẩm).
4. Bảng thông số vận hành
Trước bảng:
Các thông số dưới đây là những thiết lập cơ bản cần cấu hình để vận hành hệ thống.
| Mã nhóm (Tham khảo) | Chức năng | Dải cài đặt / Mô tả | Ghi chú |
| Lệnh chạy (Run Command) | Chọn nguồn lệnh chạy | 0: Bàn phím
1: Terminal (Chân đấu nối) 2: Truyền thông |
Chuyển đổi nguồn lệnh |
| Lệnh tần số (Frequency Ref) | Chọn nguồn đặt tần số | 0: Phím lên/xuống
1: Biến trở (AI1/AI2) 2: Truyền thông 3: Xung DI |
Đa dạng nguồn đặt |
| Thời gian tăng tốc | Thời gian từ 0Hz đến Fmax | Tùy chỉnh (lên tới 10 giờ) | Phù hợp tải dệt may/cẩu trục |
| Thời gian giảm tốc | Thời gian từ Fmax về 0Hz | Tùy chỉnh | Có thể chỉnh đường cong S |
| PA.01 | Điều chỉnh tần số đóng cắt | 0: Không tự động
1: Tự động |
Giảm ồn/nhiễu |
| PA.04 | Giới hạn dòng điện | 0: Tắt
1: Bật |
Bảo vệ quá tải |
5. Một số lỗi thường gặp
- Động cơ không chạy:
◦ Nguyên nhân: Chưa kết nối nguồn đúng, lệnh chạy chưa được kích hoạt, hoặc đang ở trạng thái lỗi chưa Reset.
◦ Khắc phục: Kiểm tra đấu nối R/S/T và U/V/W. Đảm bảo lệnh Run đã tắt trước khi Reset lỗi. - Lỗi quá nhiệt (Overheat):
◦ Nguyên nhân: Tản nhiệt hoặc điện trở xả quá nóng, quạt hỏng hoặc bị che chắn.
◦ Khắc phục: Kiểm tra quạt làm mát, vệ sinh tản nhiệt, không chạm tay vào thiết bị khi đang nóng. - Lỗi chạm đất/Dòng rò cao:
◦ Nguyên nhân: Dòng rò hệ thống > 3.5mA, cách điện động cơ kém.
◦ Khắc phục: Tiếp địa (PE) chắc chắn cho vỏ động cơ và biến tần. - Hư hỏng do đấu nối sai:
◦ Nguyên nhân: Đấu nguồn 3 pha vào đầu ra U/V/W hoặc đấu điện trở xả sai chân.
◦ Khắc phục: Kiểm tra kỹ sơ đồ mạch lực trước khi cấp điện.
III. BẢNG MÃ LỖI BIẾN TẦN
Dưới đây là các mã lỗi và trạng thái bất thường được hệ thống ghi nhận dựa trên nhóm thông số PA và d2.
| Mã lỗi / Tên lỗi | Nguyên nhân có thể | Cách khắc phục |
| Output phase loss (Mất pha đầu ra) | Dây kết nối động cơ bị đứt hoặc lỏng; Động cơ hỏng. | Kiểm tra dây dẫn U, V, W và cuộn dây động cơ. |
| Power supply abnormal (Nguồn cấp bất thường) | Điện áp đầu vào quá thấp, quá cao hoặc mất pha đầu vào. | Kiểm tra điện áp nguồn R, S, T. |
| Motor over temperature (Quá nhiệt động cơ) | Động cơ hoạt động quá tải lâu; Cảm biến PTC hỏng; Làm mát kém. | Giảm tải, kiểm tra quạt động cơ, kiểm tra cảm biến nhiệt. |
| Encoder disconnection (Mất kết nối Encoder) | Dây encoder bị đứt, lỏng hoặc nhiễu (với dòng V6-H). | Kiểm tra cáp kết nối encoder, đấu nối lại dây chống nhiễu. |
| EEPROM fault (Lỗi bộ nhớ) | Lỗi phần cứng điều khiển hoặc nhiễu mạnh khi ghi dữ liệu. | Reset biến tần, nếu lặp lại cần liên hệ nhà cung cấp. |
| Communication fault (Lỗi truyền thông) | Đứt dây 485, cài đặt sai tốc độ baud/địa chỉ, nhiễu. | Kiểm tra dây 485+, 485-, kiểm tra thông số nhóm PC. |
| Analog input error (Lỗi đầu vào Analog) | Tín hiệu AI vượt quá giới hạn cài đặt, dây đứt. | Kiểm tra nguồn phát tín hiệu 0-10V/4-20mA và cáp kết nối. |
| Pre-charging contactor fault | Contactor sạc tụ DC bus không đóng hoặc hỏng. | Kiểm tra mạch lực bên trong (cần kỹ thuật viên). |
| Short circuit to ground (Chạm đất) | Cáp động cơ hoặc cuộn dây động cơ chạm vỏ. | Kiểm tra cách điện của động cơ và dây dẫn. |
Quy trình xử lý khi biến tần gặp lỗi:
- Ngắt lệnh chạy: Đảm bảo ngắt toàn bộ tín hiệu chạy (Run command).
- Quan sát mã lỗi: Ghi lại mã lỗi hiển thị trên màn hình.
- Kiểm tra ngoại vi: Ngắt nguồn, đợi xả điện, sau đó kiểm tra động cơ, dây dẫn, và các thiết bị ngoại vi dựa trên bảng mã lỗi.
- Reset: Nhấn nút Reset trên bàn phím hoặc kích hoạt chân Reset từ xa.
- Chạy thử: Nếu lỗi không còn, chạy thử ở tốc độ thấp. Nếu lỗi vẫn còn hoặc lặp lại, không cố khởi động lại mà cần liên hệ nhà cung cấp/dịch vụ kỹ thuật.
IV. HẠN CHẾ CỦA BIẾN TẦN V&T
Qua quá trình triển khai, vận hành và bảo trì tại nhiều nhà máy sản xuất, chúng tôi nhận thấy biến tần V&T đáp ứng tốt các yêu cầu điều khiển cơ bản trong giai đoạn đầu tư ban đầu. Tuy nhiên, khi hệ thống đi vào vận hành ổn định, chạy nhiều ca và yêu cầu độ tin cậy ngày càng cao, một số giới hạn thực tế bắt đầu bộc lộ, buộc đội ngũ kỹ thuật phải đánh giá lại giải pháp tổng thể.
Những điểm cần cân nhắc khi sử dụng biến tần V&T trong vận hành dài hạn
Trong điều kiện sản xuất thực tế, các dòng biến tần V&T phổ biến hiện nay thường được thiết kế theo chuẩn lắp trong tủ điện, phù hợp môi trường công nghiệp tiêu chuẩn. Khi áp dụng tại các nhà máy có nhiệt độ cao, độ ẩm lớn, nhiều bụi hoặc không gian lắp đặt hạn chế, hệ thống buộc phải bổ sung thêm các giải pháp bảo vệ, làm gia tăng chi phí và độ phức tạp khi triển khai.
Về mặt ứng dụng, biến tần V&T được tối ưu cho động cơ ba pha. Điều này phù hợp với đa số dây chuyền công nghiệp, tuy nhiên lại hạn chế tính linh hoạt trong một số bài toán cải tạo, thay thế nhanh hoặc hệ thống có cấu hình đặc thù.
Trong các ứng dụng yêu cầu mức độ an toàn cao hoặc có liên quan trực tiếp đến con người, biến tần V&T thường chỉ đóng vai trò là một phần trong hệ thống điều khiển. Khi sử dụng, bắt buộc phải kết hợp thêm các phần tử an toàn độc lập và thiết kế dự phòng, khiến cấu trúc hệ thống trở nên phức tạp hơn so với mong muốn ban đầu.
Đặc biệt với các hệ thống nâng hạ, tải quán tính lớn hoặc vận hành ở tốc độ thấp, chúng tôi ghi nhận rằng biến tần V&T cần được kết hợp chặt chẽ với phanh cơ khí. Việc phụ thuộc hoàn toàn vào khả năng hãm điện không phải là giải pháp tối ưu cho vận hành dài hạn và an toàn.
Ngoài ra, trong quá trình cài đặt và khai thác, giao diện tham số của V&T mang tính kỹ thuật cao. Với những đội ngũ chưa quen hệ, thời gian cài đặt và tinh chỉnh ban đầu có thể kéo dài. Tài liệu kỹ thuật tuy đáp ứng yêu cầu cơ bản nhưng trong một số trường hợp chưa đủ chi tiết cho các bài toán thực tế phức tạp, đòi hỏi kỹ sư phải có nhiều kinh nghiệm hiện trường.
Khi nhà máy bắt đầu thay đổi tiêu chí lựa chọn biến tần
Từ thực tế trên, chúng tôi nhận thấy một xu hướng khá rõ ràng:
Khi dây chuyền đã vận hành ổn định, doanh nghiệp không còn đặt nặng yếu tố giá đầu tư ban đầu, mà chuyển sang quan tâm nhiều hơn đến:
-
Độ ổn định dài hạn khi chạy nhiều ca
-
Tỷ lệ lỗi và khả năng chịu tải liên tục
-
Thời gian xử lý sự cố và thay thế thiết bị
-
Mức độ đồng hành kỹ thuật trong suốt vòng đời hệ thống
Chính sự thay đổi trong tiêu chí này là lý do khiến nhiều nhà máy bắt đầu xem xét chuyển đổi sang các giải pháp biến tần định hướng vận hành bền bỉ hơn, trong đó biến tần Kaman là lựa chọn được cân nhắc nhiều.
Vì sao nhiều nhà máy lựa chọn chuyển sang giải pháp biến tần Kaman?
Định hướng thiết kế cho môi trường công nghiệp thực tế

Biến tần Kaman được phát triển trên nền tảng sản xuất của nhà máy SINOVO, với định hướng rõ ràng là phục vụ vận hành công nghiệp dài hạn. Thay vì chỉ tập trung tối ưu thông số trên lý thuyết, Kaman chú trọng vào:
-
Độ ổn định nhiệt
-
Khả năng chịu tải liên tục
-
Vận hành bền bỉ trong môi trường nóng, ẩm, nhiều bụi
Trong các hệ thống sản xuất chạy nhiều ca, thiết bị vẫn duy trì trạng thái ổn định, với tỷ lệ lỗi thực tế được ghi nhận dưới 0,3%.
Lợi thế rõ rệt ở tải nặng và tốc độ thấp
Từ góc độ kỹ thuật, chúng tôi đánh giá cao khả năng chịu tải của biến tần Kaman, đặc biệt ở dải tốc độ thấp. So với nhiều dòng biến tần mini phổ biến, Kaman cho mô-men khởi động tốt hơn, phù hợp với:
-
Băng tải dài
-
Máy trộn, máy ép
-
Hệ thống nâng hạ
-
Tải thay đổi liên tục
Nhờ đó, hiện tượng quá dòng khi khởi động được hạn chế, hệ thống vận hành êm hơn và giảm đáng kể nguy cơ dừng máy đột ngột.
Hệ sinh thái hỗ trợ kỹ thuật tại Việt Nam

Một yếu tố quan trọng thúc đẩy quyết định chuyển đổi là hệ sinh thái hỗ trợ tại chỗ. Hiện nay, Tự Động Hóa Toàn Cầu là đơn vị phân phối ủy quyền chính thức biến tần Kaman tại Việt Nam, chịu trách nhiệm đầy đủ về:
-
Nguồn gốc sản phẩm
-
Tài liệu kỹ thuật
-
Chính sách bảo hành
-
Hỗ trợ kỹ thuật sau bán hàng

Với đội ngũ kỹ sư hỗ trợ tại cả hai miền Bắc – Nam, doanh nghiệp được đồng hành từ khâu lựa chọn, cài đặt, Auto-tuning cho đến xử lý sự cố trong quá trình vận hành.
Bài toán tổng chi phí sở hữu (TCO)
Xét trên tổng chi phí sở hữu, khi tính đầy đủ các yếu tố như downtime, bảo trì, nhân sự kỹ thuật và hàng tồn kho dự phòng, giải pháp biến tần Kaman cho thấy lợi thế rõ ràng so với các dòng chỉ tập trung vào giá đầu tư ban đầu.
Đây là lý do vì sao nhiều nhà máy sau một thời gian vận hành biến tần V&T đã chủ động chuyển sang Kaman như một bước chuẩn hóa thiết bị cho giai đoạn phát triển trung và dài hạn.
Khách hàng nói gì về biến tần Kaman
V. KHUYẾN MẠI – GIÁ BÁN TRẢI NGHIỆM
Đừng bỏ lỡ cơ hội sở hữu Biến tần Kaman với mức giá dùng thử cực sốc 900.000Đ (giảm từ 1.500.000Đ).
Mượn chạy thử từ 2 – 6 tháng, giúp doanh nghiệp đánh giá thực tế trước khi đầu tư số lượng lớn. Với tiêu chí “Hàng giá rẻ nhưng chất lượng không rẻ”, Kaman cam kết tỷ lệ lỗi dưới 0.3%.

Tự Động Hóa Toàn Cầu cam kết đồng hành cùng sự ổn định của nhà máy với:
- Bảo hành lên tới 2 năm – gấp đôi tiêu chuẩn thông thường
- Lỗi đổi mới hoàn toàn cho các dòng dưới 11kW
- Giảm tối đa thời gian chờ sửa chữa, đảm bảo dây chuyền vận hành liên tục
Chương trình chỉ áp dụng đến hết 31/03/2026.
👉 Liên hệ ngay với chúng tôi để nhận bảng giá chiết khấu và trải nghiệm sự khác biệt từ Kaman.
Hotline miền Bắc – 0961.320.333
Hotline miền Nam – 0931.866.800
Xem thêm: Biến tần GE: Các dòng phổ biến, Cách cài đặt và Tài liệu kỹ thuật chi tiết






Zalo Miền Bắc