Đăng ký tài khoản
Bạn chưa có tài khoản hãy nhấn vào nút đăng ký.
Cam kết Hàng chính hãng
Luôn tốt nhất thị trường
Kỹ sư Bách Khoa hỗ trợ
Freeship cho đơn >4tr
Biến tần Shihlin SE3 là dòng biến tần công nghiệp cao cấp được phát triển bởi Shihlin Electric (Đài Loan). Sản phẩm nổi bật với nền tảng công nghệ tiên tiến, khả năng điều khiển động cơ chính xác và hệ thống truyền thông mạnh mẽ, giúp dễ dàng kết nối với PLC, HMI và các hệ thống tự động hóa trong nhà máy. Nhờ hiệu suất vận hành ổn định, dải công suất đa dạng và độ bền cao, Shihlin SE3 được ứng dụng rộng rãi trong nhiều lĩnh vực sản xuất công nghiệp.
Biến tần Shihlin SE3 là dòng biến tần điều khiển vector hiệu suất cao, thiết kế chắc chắn và bền bỉ, phù hợp cho các ứng dụng tải nặng yêu cầu khả năng quá tải lớn và mô-men thay đổi đột ngột. Các đặc điểm nổi bật gồm:

Ứng dụng thực tế của Biến tần SE3 Với cấu hình mạnh mẽ, Shihlin SE3 được ứng dụng rộng rãi trong nhiều ngành công nghiệp:
Dòng SE3 cung cấp dải công suất rộng từ 0.4kW đến 22kW, đáp ứng linh hoạt các nhu cầu sử dụng điện áp khác nhau.
| Đặc tính kỹ thuật | Chi tiết thông số |
| Dải công suất | 0.4kW – 22kW. |
| Điện áp ngõ vào | – 1 pha 200-240VAC (cho phép 170-264V), 50/60Hz.
– 3 pha 380-480VAC (cho phép 323-528V), 50/60Hz. |
| Điện áp & Tần số ngõ ra | 3 pha AC 200-240V hoặc 380-480V, tần số 0-1500Hz. |
| Khả năng quá tải | Tải nặng: 150% trong 60s, 200% trong 3s.
Tải thường: 120% trong 60s. |
Bảng giá biến tần SHIHLIN ĐÀI LOAN: Download
>>>> NHẬN BẢNG GIÁ CHIẾT KHẤU VÀ NHIỀU ƯU ĐÃI LIÊN HỆ:
KỸ SƯ KINH DOANH TÁ: 0981.839.845 – ZALO
SƠ ĐỒ ĐẤU NỐI BIẾN TẦN VÀO 3 PHA 380VAC RA 3 PHA 380VAC
Đầu vào 3 pha 380V cấp vào các chân R, S, T hoặc L1, L2, L3 của biến tần; 3 pha đầu ra của biến tần U, V, W nối với động cơ. Biến tần có 2 chân PE để nối đất thiết bị.
SƠ ĐỒ ĐẤU NỐI BIẾN TẦN VÀO 1 PHA 220VAC RA 3 PHA 220VAC
Ví dụ như để cài đặt biến tần chạy dừng bằng chuyển mạch ngoài, thay đổi tốc độ bằng chiết áp ngoài, chúng ta sẽ cài XX-YY bằng 2 theo các bước sau:
(XX là số thứ tự Group tham số ; YY là số thứ tự tham số trong Group XX)
– Bước 1: Khi màn hình hiển thị đang ở trạng thái mặc định là chế độ Monitor, ấn phím MODE 3 lần cho tới khi hiển thị “ZZ-TT ” (với ZZ-TT là tham số trước đó đã cài đặt, mặc định là tham số 00-00 )
– Bước 2: Sử dụng nút mũi tên lên/xuống để thay đổi giá trị đến tham số mong muốn. Ấn giữ nút lên/xuống để số nhảy nhanh hơn. Ví dụ ta di chuyển đến tham số muốn cài đặt là XX-YY
– Bước 3: Nhấn phím SET 1 lần để vào tham số mà bạn muốn cài đặt. Khi đó màn hình sẽ hiển thị giá trị hiện tại của tham số đó.
– Bước 4: Dùng nút mũi tên lên/xuống để chỉnh lại giá trị theo. Giả sử muốn chỉnh lại tham số XX-YY = 2. Ta ấn mũi tên tăng đến số 2.
– Bước 5: Sau khi thay đổi xong giá trị tham số, NHẤN GIỮ PHÍM SET KHOẢNG 1S để lưu lại giá trị. Khi đó, màn hình sẽ bắt đầu nhấp nháy giữa tham số đang cài và giá trị mới của tham số (trong ví dụ này thì nó sẽ nhấp nháy giữa XX-YY và 2)
– Bước 6: Nhấn phím SET 1 lần, màn hình sẽ ngừng nhấp nháy. Khi đó ta dùng phím mũi tên/xuống để chuyển sang các tham số khác và thực hiện thay đổi như ở trên. Nếu không muốn thay đổi tham số nào khác nữa thì nhấn phím MODE 3 lần cho tới khi quay trở lại màn hiển thị Monitor.
Lưu ý: biến tần chỉ có thể Reset thông số khi đang ở chế độ PU – sử dụng bàn phím và chiết áp có sẵn (đèn PU trên màn hình đang sáng) nếu như đèn PU đang không sáng hoặc đang nhấp nháy, để Reset thông số biến tần các bạn cần cài đặt 00-16 = 1 trước.
Sau khi cài 00-16 = 1 đèn PU sáng, ta tiếp tục như sau :
– Cài tham số 00-02 = 3. Ấn giữ “SET” để lưu cài đặt và xuất hiện chữ “ALLC” sau đó “End” là đã Reset mặc định biến tần thành công.
– Như vậy là biến tần đã được khôi phục tham số về mặc định, bấm phím MODE vài lần để trở về màn hình chính.
– Chọn kiểu tần số nguồn sử dụng 50Hz: Tham số 00-24 = 1
– Cài đặt tần số giới hạn 1 : Tham số 01-00 = 50Hz
– Cài đặt tần số giới hạn 2 : Tham số 01-02 = 50Hz
– Tham số 00-16 = 1
Ấn nút REV để chạy ngược, ấn FWD để chạy thuận, ấn STOP để dừng động cơ
Tần số được cài đặt bằng núm xoay trên biến tần
– Tham số 00-16 = 2
– Cách đấu nối cho công tắc chuyển mạch ngoài: 1 đầu công tắc nối với chân STF để chạy thuận hoặc STR để chạy ngược, đầu còn lại của công tắc nối với chân chung SD.

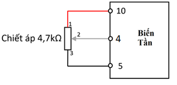
– Cách đấu nối cho chiết áp ngoài số 1: nối chân số 2 của chiết áp vào chân số 2 trên mạch điều khiển biến tần. Hai chân còn lại của chiết áp nối với chân số 10 và số 5. Nếu như giá trị của chiết áp bị ngược chiều thì chỉ cần đảo hai chân 10 và 5.

– Cách đấu nối cho chiết áp ngoài số 2: nối chân số 4 của chiết áp vào chân số 4 trên mạch điều khiển biến tần. Hai chân còn lại của chiết áp nối với chân số 10 và số 5. Nếu như giá trị của chiết áp bị ngược chiều thì chỉ cần đảo hai chân 10 và 5.

– Tham số 00-16 = 4
– Cách đấu nối cho công tắc chuyển mạch ngoài:

– Tham số 00-16 = 5
Ấn nút REV để chạy ngược, ấn FWD để chạy thuận, ấn STOP để dừng động cơ
Cách đấu nối cho chiết áp ngoài số 1 :
Cách đấu nối cho chiết áp ngoài số 2:
Dù được trang bị đầy đủ tính năng bảo vệ toàn diện, quá trình vận hành đôi khi vẫn báo lỗi. Dưới đây là bảng mã lỗi thường gặp và cách xử lý:
| Mã Lỗi | Tên Lỗi | Nguyên nhân và Cách xử lý |
| OC | Quá dòng (Over Current) | Tải nặng quá mức, motor bị kẹt cơ khí.
Cách xử lý: Kiểm tra cơ cấu truyền động, tăng thời gian tăng tốc P.7. |
| OV | Quá áp (Over Voltage) | Do thời gian giảm tốc quá ngắn khiến năng lượng dội về lớn.
Cách xử lý: Tăng thời gian giảm tốc P.8 hoặc lắp điện trở xả. |
| THN/OL | Quá tải (Over Load) | Động cơ hoạt động quá tải trong thời gian dài.
Cách xử lý: Giảm bớt tải, kiểm tra cơ khí, cài lại P.9 đúng với dòng định mức motor. |
| OH | Quá nhiệt (Over Heat) | Môi trường xưởng quá nóng (>40°C) hoặc quạt tản nhiệt bị hỏng/kẹt bụi.
Cách xử lý: Vệ sinh khe tản nhiệt, thay quạt làm mát. |
| Lu / Lv | Thấp áp (Low Voltage) | Nguồn điện cấp bị sụt áp, mất pha hoặc lỏng ốc.
Cách xử lý: Đo lại điện áp nguồn tổng, siết chặt các cầu đấu R, S, T. |
| Sc | Ngắn mạch (Short Circuit) | Chạm chập các dây cáp motor hoặc hỏng module IGBT bên trong.
Cách xử lý: Tháo dây motor ra đo chạm chập. Nếu tháo ra vẫn lỗi là hỏng phần cứng. |
Biến tần Shihlin SE3 mang lại giá trị to lớn cho các doanh nghiệp cơ khí, chế tạo máy nhờ các yếu tố:
Liên hệ ngay với chúng tôi để nhận bảng giá chiết khấu hấp dẫn và nhận nhiều phần quà đến từ nhãn hàng Shihlin!
Quý khách vui lòng Click Zalo liên hệ báo giá, đội ngũ Kinh Doanh của chúng tôi sẽ gửi bảng giá biến tần Shihlin cùng dịch vụ hậu mãi và mức chiết khấu tốt nhất cho từng quý khách hàng.