Hướng dẫn cài đặt và tra cứu bảng mã lỗi biến tần GTAKE đầy đủ nhất. Tải tài liệu kỹ thuật, catalog các dòng GK500, GK620, GK820 giúp vận hành an toàn.
GIỚI THIỆU
Biến tần GTAKE hiện đang là giải pháp điều khiển động cơ AC toàn diện, được tin dùng rộng rãi nhờ khả năng đáp ứng đa dạng nhu cầu từ các ứng dụng công suất nhỏ dân dụng đến các hệ thống công nghiệp hiệu suất cao. Danh mục sản phẩm của GTAKE vô cùng phong phú, bao gồm các dòng biến tần mini, đa năng và hiệu suất cao. Tất cả đều được thiết kế tối ưu nhằm đảm bảo an toàn tuyệt đối cho thiết bị và người vận hành, đồng thời mang lại khả năng vận hành ổn định và chính xác.
Các dòng biến tần GTAKE tích hợp nhiều công nghệ điều khiển hiện đại như V/f, Vector vòng hở và Vector vòng kín. Điều này cho phép điều khiển linh hoạt tốc độ, momen và vị trí theo yêu cầu khắt khe của từng ứng dụng. Tùy theo dòng sản phẩm, thiết bị có thể đáp ứng từ các ứng dụng công nghiệp nhẹ, không gian lắp đặt hạn chế đến các hệ thống yêu cầu độ chính xác cao như máy CNC, spindle và cơ cấu nâng hạ.
Với dải công suất rộng lên đến 630kW, khả năng hỗ trợ nhiều loại động cơ và các tính năng tích hợp sẵn như PID, PLC giản đơn, DC bus chung, hỗ trợ encoder, biến tần GTAKE được ứng dụng rộng rãi trong các dây chuyền sản xuất tự động, máy công cụ, hệ thống bơm – quạt và các thiết bị cơ điện công nghiệp hiện đại.
I. Các dòng biến tần GTAKE tiêu biểu
1. GTAKE GK500 – Biến tần Mini
- Công suất: 200V (1 pha/3 pha) từ 0.4 – 2.2kW; 400V (3 pha) từ 0.75 – 3.7kW.
- Đặc điểm: Thiết kế nhỏ gọn, lắp DIN-rail hoặc gắn tường; điều khiển V/f và Vector vòng hở; momen khởi động 180% tại 0.5Hz; tích hợp sẵn brake chopper, PID, đa cấp tốc độ.
- Ứng dụng: Máy móc nhỏ, băng tải mini, máy đóng gói, ứng dụng dân dụng.
2. GTAKE GK620 – Biến tần Đa năng
- Công suất: 400V (3 pha) từ 0.75 – 630kW.
- Đặc điểm: Hỗ trợ động cơ không đồng bộ và đồng bộ; điều khiển V/f, Vector vòng hở 1 & 2; độ chính xác tốc độ ±0.2%; tích hợp PID, PLC giản đơn, điều khiển chiều dài, DC bus chung.
- Ứng dụng: Máy ép, máy kéo dây, máy công cụ, hệ thống bơm – quạt.
3. GTAKE GK820 – Biến tần Hiệu suất cao
- Công suất: 400V (3 pha) từ 1.5 – 630kW.
- Đặc điểm: Điều khiển Vector vòng kín có encoder; độ chính xác tốc độ ±0.02%; momen khởi động 200% tại 0Hz; hỗ trợ điều khiển vị trí và momen; vận hành như Servo đơn giản.
- Ứng dụng: Máy CNC, spindle, nâng hạ, máy in, hệ thống đồng bộ chính xác cao.
TÀI LIỆU KỸ THUẬT
Dưới đây là bảng tổng hợp tài liệu hướng dẫn sử dụng (Manual) và Catalog cho các dòng biến tần GTAKE phổ biến:
| Mã Sản Phẩm | Manual (Hướng dẫn sử dụng) | Catalog (Thông số kỹ thuật) |
| GTAKE GK500 | [Tải về – GK500 User Manual] | [Tải về – Gtake Catalog] |
| GTAKE GK620 | [Tải về – GK620 User Manual] | [Tải về – Gtake Catalog] |
| GTAKE GK820 | [Tải về – GK820 User Manual] | [Tải về – Gtake Catalog] |
II. Hướng dẫn cài đặt cơ bản
Để đảm bảo biến tần GTAKE hoạt động ổn định và tuổi thọ cao, kỹ thuật viên cần tuân thủ đúng quy trình cài đặt và đấu nối dưới đây.
1. An toàn
Trước khi thực hiện bất kỳ thao tác nào, bạn cần tuân thủ nghiêm ngặt các quy tắc sau để đảm bảo an toàn cho người và thiết bị:
- Ngắt nguồn điện: Phải ngắt hoàn toàn nguồn điện đầu vào trước khi đấu nối hoặc bảo trì.
- Thời gian chờ xả tụ: Sau khi ngắt điện, phải đợi ít nhất 10 phút để tụ điện DC bus xả hết điện áp dư trước khi chạm vào bất kỳ linh kiện nào bên trong biến tần.
- Tiếp địa: Biến tần và động cơ phải được nối đất (PE) chắc chắn để tránh nguy cơ điện giật do dòng rò.
- Không nối nguồn AC vào đầu ra: Tuyệt đối không nối nguồn điện xoay chiều (AC) vào các chân đầu ra U, V, W. Việc này sẽ làm hỏng biến tần ngay lập tức.
- Không chạm tay trần: Không chạm vào các linh kiện điện tử, quạt, hoặc điện trở hãm bằng tay trần khi thiết bị đang hoạt động hoặc còn nóng.
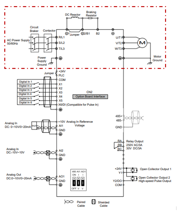
2. Đấu nối
A. Mạch động lực
Các chân mạch lực thường được ký hiệu và đấu nối như sau:
- Nguồn vào (AC Input):
- R/L1, S/L2, T/L3: Đấu nối nguồn điện 3 pha vào các chân này.
- Với dòng 1 pha (GK500), đấu vào L1/L, L3/N.
- Đầu ra động cơ (AC Output):
- U/T1, V/T2, W/T3: Đấu nối tới 3 dây pha của động cơ.
- Điện trở xả (Braking Resistor) – Tùy chọn:
- Đấu vào chân PB (hoặc B1) và (+) (hoặc P/+) tùy theo model.
- Lưu ý: Chỉ lắp điện trở hãm vào các chân được chỉ định (thường là B1, B2 hoặc P, PB). Tuyệt đối không đấu trực tiếp nguồn vào các chân này.
- Tiếp địa: Chân PE hoặc biểu tượng nối đất.
B. Mạch điều khiển
Sơ đồ đấu nối cơ bản cho các chức năng thông dụng:
- Công tắc chạy dừng:
- COM: Chân chung (Common).
- X1 (hoặc S1/FWD): Thường mặc định là chạy thuận (Forward). Đấu công tắc giữa X1 và COM.
- X2 (hoặc S2/REV): Thường mặc định là chạy nghịch (Reverse).
- Chiết áp chỉnh tốc độ:
- +10V: Chân nguồn dương cho chiết áp.
- AI1 (hoặc AI): Chân tín hiệu vào (chân giữa của chiết áp).
- GND: Chân nguồn 0V (Common Analog).
- Lựa chọn tín hiệu Analog (Jumper):
- Trên bo mạch điều khiển thường có các Jumper (như S2, S3) để chọn loại tín hiệu là Điện áp (V: 0-10V) hay Dòng điện (I: 0-20mA). Mặc định thường là V (0-10V).
3. Cài đặt các thông số cơ bản của động cơ
Để biến tần GTAKE điều khiển động cơ chính xác và bảo vệ tốt nhất, cần nhập thông số từ nhãn (nameplate) động cơ vào nhóm thông số d0:
| Mã số | Tên thông số | Mô tả |
| d0-00 | Loại động cơ | 0: Động cơ không đồng bộ (thông dụng)
1: Động cơ biến tần 2: Động cơ đồng bộ |
| d0-01 | Công suất định mức | Nhập công suất (kW) trên nhãn động cơ |
| d0-02 | Điện áp định mức | Nhập điện áp (V) (ví dụ: 380V hoặc 220V) |
| d0-03 | Dòng điện định mức | Nhập dòng điện (Ampe) trên nhãn động cơ |
| d0-04 | Tần số định mức | Nhập tần số (Hz) (thường là 50Hz) |
| d0-05 | Số cực động cơ | Nhập số vòng quay hoặc số cực (thường là 4 cực cho 1400rpm) |
| d0-06 | Tốc độ định mức | Nhập tốc độ quay (rpm) |
| d0-22 | Dò thông số (Auto-tuning) | 0: Không dò
1: Dò tĩnh (Static tune – khi không tháo được tải) 2: Dò động (Rotary tune – tháo tải, độ chính xác cao nhất) Sau khi chọn, nhấn RUN để bắt đầu dò |
4. Bảng thông số vận hành cơ bản
Dưới đây là các thông số cần thiết để vận hành chạy/dừng và thay đổi tốc độ:
| Mã số | Tên thông số | Giá trị cài đặt & Ý nghĩa |
| A0-03 | Khôi phục cài đặt gốc | Chọn 2 hoặc 3 để reset về mặc định nhà máy nếu cần thiết |
| b0-01 | Lệnh đặt tần số (Tốc độ) | 0: Phím Lên/Xuống trên bàn phím.
1: Chiết áp điện tử (nếu có). 2: AI1 (Chiết áp ngoài/Analog). 9: Truyền thông |
| b1-00 | Lệnh chạy (Start/Stop) | 0: Bàn phím (Phím RUN/STOP).
1: Terminal (Công tắc ngoài đấu vào X1). 2: Truyền thông |
| b0-02 | Tần số đặt (Digital) | Cài đặt tần số mong muốn nếu chọn b0-01 = 0 |
| b2-01 | Thời gian tăng tốc 1 | Thời gian (giây) để động cơ tăng từ 0Hz đến tần số max |
| b2-02 | Thời gian giảm tốc 1 | Thời gian (giây) để động cơ giảm từ tần số max về 0Hz |
| b0-08 | Tần số Max | Giới hạn tần số tối đa của biến tần |
| b0-09 | Tần số giới hạn trên | Giới hạn tần số hoạt động cao nhất cho phép |
5. Một số lỗi thường gặp
Khi biến tần gặp sự cố, mã lỗi sẽ hiển thị trên màn hình. Dưới đây là tóm tắt nhanh các lỗi phổ biến:
- oC (Quá dòng): Do tăng tốc nhanh, kẹt tải. Khắc phục bằng cách tăng thời gian tăng tốc, kiểm tra tải.
- ov (Quá áp): Do giảm tốc nhanh, điện áp nguồn cao. Khắc phục bằng cách lắp điện trở xả, tăng thời gian giảm tốc.
- LoU (Thấp áp): Điện áp nguồn thấp. Cần kiểm tra nguồn vào.
- oL (Quá tải): Tải quá nặng. Cần giảm tải hoặc tăng công suất biến tần.
- oH (Quá nhiệt): Quạt hỏng hoặc bụi bẩn. Cần vệ sinh và kiểm tra quạt làm mát.
III. Bảng mã lỗi Biến tần GTAKE thường gặp và cách khắc phục
Việc nắm rõ bảng mã lỗi giúp kỹ thuật viên nhanh chóng khắc phục sự cố, giảm thiểu thời gian dừng máy. Dưới đây là bảng mã lỗi chi tiết của biến tần GTAKE:
| Mã Lỗi | Tên Lỗi | Nguyên nhân có thể | Cách khắc phục |
| oC1 | Quá dòng khi tăng tốc
(Accel overcurrent) |
– Thời gian tăng tốc quá ngắn.
– Động cơ bị ngắn mạch/chạm đất. – Momen khởi động (Torque boost) quá cao. – Tải quá nặng hoặc bị kẹt. |
– Tăng thời gian tăng tốc (b2-01).
– Kiểm tra cách điện và dây nối động cơ. – Giảm Torque boost (d1-09). – Kiểm tra tải. |
| oC2 | Quá dòng khi chạy ổn định
(Const-speed overcurrent) |
– Tải thay đổi đột ngột.
– Điện áp nguồn vào quá thấp. – Công suất biến tần nhỏ hơn tải. |
– Kiểm tra tải và giảm tải.
– Kiểm tra điện áp nguồn. – Chọn biến tần công suất lớn hơn. |
| oC3 | Quá dòng khi giảm tốc
(Decel overcurrent) |
– Thời gian giảm tốc quá ngắn.
– Quán tính tải lớn. – Ngắn mạch động cơ. |
– Tăng thời gian giảm tốc (b2-02).
– Lắp thêm điện trở xả/bộ hãm. – Kiểm tra động cơ. |
| ov1 | Quá áp khi tăng tốc
(Accel overvoltage) |
– Quán tính tải lớn.
– Điện áp đầu vào cao bất thường. – Động cơ bị chạm vỏ/ngắn mạch. |
– Kiểm tra điện áp nguồn.
– Kiểm tra dây nối động cơ. – Lắp bộ hãm năng lượng (nếu cần). |
| ov2 | Quá áp khi chạy ổn định
(Const-speed overvoltage) |
– Tải thay đổi quá lớn (tải thế năng).
– Điện áp nguồn quá cao. |
– Kiểm tra tải.
– Kiểm tra ổn định điện áp nguồn. |
| ov3 | Quá áp khi giảm tốc
(Decel overvoltage) |
– Thời gian giảm tốc quá ngắn.
– Quán tính tải quá lớn (động cơ thành máy phát). |
– Tăng thời gian giảm tốc.
– Lắp điện trở xả/bộ hãm. – Kiểm tra điện áp nguồn. |
| LoU | Thấp áp
(Undervoltage) |
– Điện áp nguồn vào quá thấp/mất pha.
– Mất nguồn đột ngột. – Hỏng mạch nguồn trong biến tần (SMPS). |
– Kiểm tra điện áp đầu vào.
– Kiểm tra CB, Contactor. – Liên hệ bảo hành nếu nguồn vào tốt. |
| oL1 | Quá tải biến tần
(Drive overloaded) |
– Tải quá nặng.
– Thời gian tăng tốc quá ngắn. – Cài đặt đường cong V/f sai. – Động cơ bị kẹt. |
– Giảm tải hoặc tăng công suất biến tần.
– Tăng thời gian tăng tốc. – Chỉnh lại đường cong V/f (d1-00). – Kiểm tra cơ khí. |
| oL2 | Quá tải động cơ
(Motor overloaded) |
– Thông số bảo vệ quá tải động cơ sai.
– Động cơ chạy tần số thấp chịu tải nặng lâu dài. |
– Cài đặt lại thông số động cơ (nhóm d0).
– Dùng động cơ chuyên dụng hoặc tăng quạt làm mát rời. |
| FAL | Bảo vệ Module
(Module protection) |
– Ngắn mạch đầu ra (U, V, W).
– Quạt làm mát hỏng/kẹt. – Nhiệt độ môi trường quá cao. – Hỏng mạch điều khiển/công suất. |
– Kiểm tra dây động cơ có chạm nhau/đất.
– Vệ sinh hoặc thay quạt. – Giảm nhiệt độ môi trường. – Liên hệ dịch vụ kỹ thuật. |
| oH1 | Quá nhiệt tản nhiệt
(Heat sink overheat) |
– Nhiệt độ môi trường cao.
– Quạt hỏng hoặc khe gió bị bụi tắc. – Cảm biến nhiệt bị lỗi. |
– Cải thiện thông gió tủ điện.
– Vệ sinh quạt và phiến tản nhiệt. – Thay thế quạt nếu hỏng. |
| oH2 | Quá nhiệt động cơ
(Motor overheat) |
– Tải quá nặng.
– Cài đặt mức bảo vệ nhiệt không đúng. |
– Giảm tải.
– Kiểm tra và cài đặt lại mức bảo vệ nhiệt. |
| tUN | Lỗi dò thông số
(Autotune failed) |
– Kết nối dây động cơ không tốt.
– Động cơ vẫn quay khi dò tĩnh. – Thông số cài đặt sai lệch quá lớn so với thực tế. |
– Siết chặt dây nối động cơ.
– Đảm bảo động cơ dừng hẳn trước khi dò. – Nhập đúng thông số nhãn động cơ (d0). |
| GdP | Lỗi chạm đất đầu ra
(Output ground short) |
– Dây động cơ hoặc cuộn dây chạm vỏ/đất.
– Dòng rò quá lớn. |
– Kiểm tra cách điện dây dẫn và động cơ.
– Thay thế cáp hoặc động cơ nếu hỏng. |
| oPL | Mất pha đầu ra
(Output phase loss) |
– Cáp động cơ bị đứt hoặc lỏng kết nối.
– Mất cân bằng pha động cơ. |
– Kiểm tra đấu nối dây U, V, W.
– Kiểm tra điện trở các cuộn dây động cơ. |
| PEr | Lỗi thiết bị ngoài
(External fault) |
– Tín hiệu lỗi từ bên ngoài đưa vào chân Digital Input. | – Kiểm tra thiết bị ngoại vi và tín hiệu đầu vào các chân X. |
| TrC | Lỗi truyền thông
(Communication fault) |
– Sai tốc độ Baud.
– Dây truyền thông đứt/lỏng. – Nhiễu tín hiệu. |
– Cài đặt lại tốc độ Baud (nhóm H0).
– Kiểm tra dây cáp mạng RS485. – Sử dụng dây chống nhiễu. |
| Plo | Mất phản hồi PID
(PID feedback loss) |
– Dây cảm biến phản hồi bị đứt.
– Thông số PID cài đặt chưa đúng. |
– Kiểm tra dây tín hiệu cảm biến.
– Kiểm tra cài đặt nhóm F0. |
| CLL | Mất kết nối Encoder
(Chỉ GK620/820) |
– Dây Encoder bị đứt hoặc lỏng.
– Hỏng Encoder. |
– Kiểm tra dây nối và Encoder.
– Siết chặt các terminal đấu nối. |
Quy trình xử lý khi biến tần gặp lỗi
- Ghi nhận lỗi: Xem và ghi lại mã lỗi hiển thị trên màn hình (ví dụ: oC, ov, LoU…),,.
- Ngắt nguồn & Chờ đợi: Ngắt hoàn toàn điện nguồn và đợi ít nhất 10 phút để tụ điện xả hết trước khi chạm vào thiết bị,,.
- Kiểm tra ngoại vi:
◦ Nguồn: Điện áp có yếu hay mất pha không?
◦ Tải: Động cơ có bị kẹt, bó cứng hoặc quá tải không?
◦ Dây: Có dây nào bị lỏng, đứt hoặc chạm vỏ không?,,.
- Reset: Sau khi khắc phục nguyên nhân, nhấn phím STOP/RESET để xóa lỗi,,.
- Cảnh báo quan trọng: Nếu lỗi nghiêm trọng (như oC, ov, FAL) xuất hiện lại ngay sau khi Reset, tuyệt đối không cố khởi động lại nhiều lần để tránh gây nổ biến tần. Hãy liên hệ kỹ thuật,,.
IV. Hạn chế của biến tần GTAKE
Trong quá trình chúng tôi thi công và triển khai các dự án thực tế, biến tần GTAKE tuy có nhiều ưu điểm nhưng cũng bộc lộ một số điểm cần cân nhắc kỹ khi áp dụng vào các hệ thống công nghiệp đặc thù:
- Phụ kiện ngoài: Thực tế khi triển khai, một số model công suất trung bình và lớn của GTAKE chưa tích hợp sẵn đầy đủ các phần cứng phụ trợ (như bộ lọc, kháng DC…) bên trong. Điều này buộc kỹ thuật viên phải lắp thêm phụ kiện bên ngoài, dẫn đến kích thước tủ điện cồng kềnh hơn, thời gian thi công kéo dài và đôi khi phát sinh chi phí ngoài dự toán ban đầu.
- Khả năng chịu nhiệt và giảm tải: Trong môi trường nhiệt độ cao hoặc điều kiện thông gió hạn chế, thiết bị cần được tính toán giảm tải (derating) cẩn thận để đảm bảo độ bền. Điều này có thể là một hạn chế đối với các nhà máy có môi trường làm việc khắc nghiệt.
- Ứng dụng phức tạp: Đối với các ứng dụng yêu cầu lưu kho dự phòng dài hạn, kéo cáp động cơ với khoảng cách quá xa, hoặc các hệ thống đòi hỏi điều khiển vị trí/vector với độ linh hoạt cực cao, việc sử dụng biến tần GTAKE đòi hỏi phải bổ sung thêm thiết bị bảo vệ và tuân thủ nghiêm ngặt các lưu ý kỹ thuật phức tạp hơn so với một số dòng cao cấp khác.
- Nhiễu điện từ: Vấn đề dòng rò và nhiễu điện từ cũng cần được xử lý cẩn trọng khi lắp đặt biến tần GTAKE, đặc biệt là trong các hệ thống có nhiều thiết bị điều khiển nhạy cảm xung quanh, để tránh ảnh hưởng đến hệ thống bảo vệ chung.
Định hướng giải pháp tối ưu với biến tần KAMAN
Từ những hạn chế thực tế khi triển khai biến tần GTAKE trong một số ứng dụng đặc thù, chúng tôi nhận thấy nhiều khách hàng bắt đầu quan tâm hơn đến các giải pháp có mức độ tích hợp cao, dễ triển khai, vận hành ổn định và chi phí hợp lý. Trong bối cảnh đó, biến tần KAMAN là lựa chọn được chúng tôi ưu tiên tư vấn cho nhiều dự án thực tế.

KAMAN là thương hiệu hiếm hoi cân đối tốt cả 4 yếu tố: Thương hiệu – Chất lượng – Giá rẻ – Đồng hành lâu dài. Sản phẩm có nguồn gốc minh bạch, được sản xuất tại nhà máy SINOVO uy tín, đã khẳng định vị thế vững chắc tại thị trường Trung Quốc và nhiều quốc gia khác. Qua thực tế triển khai, biến tần KAMAN cho thấy độ bền bỉ cao, hệ thống vận hành ổn định trong thời gian dài, giúp giảm thiểu đáng kể thời gian dừng máy và chi phí bảo trì phát sinh.

Không chỉ dừng lại ở sản phẩm, KAMAN còn thể hiện rõ triết lý phát triển bền vững. Tên gọi KAMAN (Knowledge Acquisition Man) mang ý nghĩa một thương hiệu luôn không ngừng học hỏi, cải tiến và nâng tầm công nghệ để mang đến những sản phẩm và dịch vụ tốt nhất cho khách hàng. Điều này được thể hiện rõ qua định hướng “KAMAN – CHẤT NHƯNG RẺ”, tập trung vào giá trị thực thay vì chi phí thương hiệu.
Tại Việt Nam, Công ty Cổ phần Tự động hóa Toàn Cầu (GAC) là nhà phân phối ủy quyền của KAMAN, với hơn 10 năm khẳng định vị thế trong lĩnh vực tự động hóa. GAC cam kết mang đến chính sách giá sát thực tế, hỗ trợ kỹ thuật, bảo hành và đồng hành lâu dài cùng khách hàng, đặc biệt phù hợp với các đối tác OEM, nhà thầu và đại lý.
Triết lý hoạt động của chúng tôi rất rõ ràng: “Chúng tôi chọn lợi nhuận thấp để nhận lại sự đồng hành dài lâu.”

Với định hướng đó, việc lựa chọn biến tần KAMAN phân phối bởi GAC không chỉ là thay đổi một thiết bị, mà là lựa chọn một giải pháp ổn định, dễ triển khai, chi phí tối ưu và có đối tác đồng hành lâu dài.
GAC cùng KAMAN – Chất nhưng rẻ, chính là cam kết giá trị mà chúng tôi mang đến cho khách hàng trong từng dự án thực tế.
Khách hàng nói gì về biến tần Kaman
VI. KHUYẾN MẠI – GIÁ BÁN TRẢI NGHIỆM
Cơ hội trải nghiệm Biến tần Kaman với chi phí cực thấp chỉ 900.000Đ (giá niêm yết 1.500.000Đ) – chương trình mượn chạy thử linh hoạt từ 2 đến 6 tháng, giúp bạn đánh giá hiệu quả thực tế trước khi đầu tư.
Với triết lý “Giá tối ưu – Chất lượng vượt mong đợi”, Kaman được kiểm chứng với tỷ lệ lỗi dưới 0,3%, đáp ứng tốt các yêu cầu vận hành ổn định trong môi trường công nghiệp.
Tự Động Hóa Toàn Cầu cam kết đồng hành lâu dài cùng nhà máy bằng chế độ bảo hành lên đến 2 năm, cao gấp đôi thông lệ thị trường. Đặc biệt, các model công suất dưới 11kW được áp dụng chính sách lỗi đổi mới ngay, không chờ sửa chữa – đảm bảo dây chuyền sản xuất luôn thông suốt.
👉 Ưu đãi có hạn, áp dụng đến hết ngày 31/03/2026 – đừng bỏ lỡ thời điểm vàng để nâng cấp hệ thống truyền động với chi phí tiết kiệm nhất năm.

Liên hệ ngay với chúng tôi để nhận bảng giá chiết khấu hấp dẫn và trải nghiệm sự khác biệt từ Kaman!
Hotline miền Bắc – 0961.320.333
Hotline miền Nam – 0931.866.800
👉 Xem thêm: Biến tần Danfoss | Phân loại, cài đặt và đánh giá kỹ thuật chuyên sâu







Zalo Miền Bắc